Comparison of the Impacts of Background Distortion with Even and Odd Orders in the Supraharmonic Range on Grid-Connected Converters
Abstract
1. Introduction
- It differentiates between the SH emissions of the two main types of GCCs.
 - It presents an analysis and exploration of the existing modeling approaches for emissions of the GCCs in the SH range.
 - It clarifies the main sources of the SH distortion with even and odd orders. The classifications of the SH emissions into emissions with even and odd orders are due to the fact that each of them has different interactions with the emissions in the harmonics range. This, in turn, leads to a different frequency spectrum of the GCC currents that are subjected to each type.
 - It demonstrates the relationship between the additional even harmonics and their reflections in the SH range and the even SH distortion through mathematical analysis.
 - It verifies the main outcomes through simulation and experimental studies.
 
2. Problem Description
2.1. GCC Main Types
2.2. Primary SH Emissions of GCCs
2.2.1. Modeling Approaches of the Emissions of Single-Phase GCI in SH Range
2.2.2. Modeling Approaches for the Emissions of PFC Boost Converter in the SH Range
2.3. Effect of SH Emissions with Even and Odd Multiple Orders on the Primary Emissions of the GCC in Both Harmonic and SH Ranges
2.3.1. Effect of SH with Odd Order on the Emissions of AC/DC Converters
2.3.2. Effect of SH with Even Order on the Emissions of Inverters and AC/DC Converters
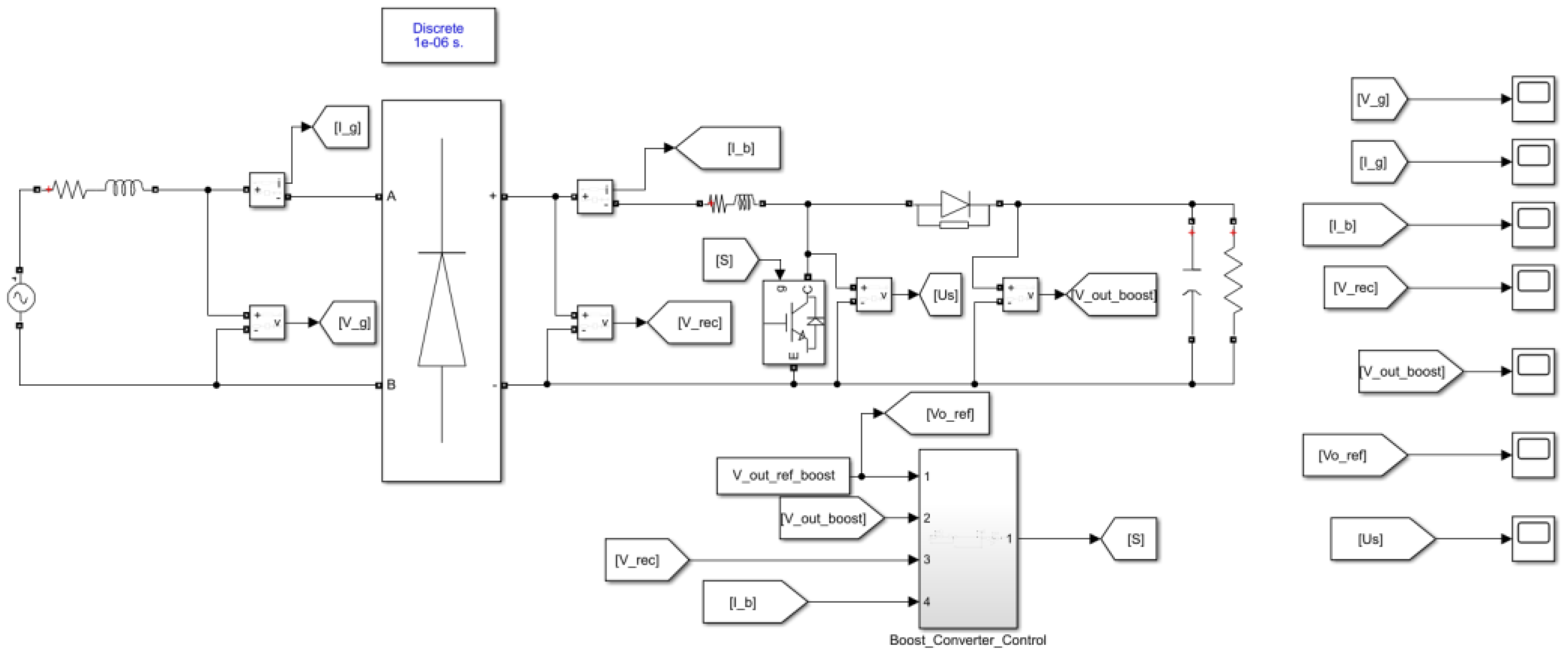
3. Simulation Study
3.1. Simulation Study of GCIs
3.2. Simulation Study of Boost Converter as an Example of AC/DC GCC
3.2.1. Scenario 1 Where the Switching Frequency Is at 5 kHz
3.2.2. Scenario 2 Where the Switching Frequency Is at 10.05 kHz
4. Experimental Studies
4.1. Experimental Study of GCIs
4.2. Experimental Study of PFC Boost Converter
4.2.1. Scenario 1 with a Switching Frequency of 5 kHz
4.2.2. Scenario 2 with a Switching Frequency of 5.05 kHz
4.3. Comparison between the Simulation and the Experimental Studies Results
- The grid impedance difference between the simulation and the experimental studies.
- o
 - The simulation grid impedance is chosen based on the recommendations provided in [36].
 - o
 - The grid impedance in the experimental study is measured by the impedance analyzer (Figure 21). It is clear that the grid impedance has a lower inductance value than is used in the simulation study. In addition to that, due to the experimental setup limitation, in the experimental study, the transformer impedance increases the difference between the simulation and the experimental impedance.
 
 - The inductances used in the experimental studies are frequency dependent, while the ones used in the simulation study are frequency independent.
 - The skin effect of the resistances of the loads and the inductances are neglected in the simulation study, which is not the same in the experimental study.
 - In the simulation study, the inductance of the output resistance in the PFC boost is neglected.
 
5. Conclusions and Future Work
- Developing a modeling approach for the additional emissions in the harmonic and the SH ranges. In order to obtain this modeling approach, there is a need to develop a mathematical modeling approach for the LV grids in the SH range.
 - Determining the effect of grid impedance resonances that may coincide with the additional emissions frequencies on the behavior of these additional emissions.
 - Studying the propagation of these additional emissions among an LV system of parallel connected GCCs.
 
Author Contributions
Funding
Data Availability Statement
Conflicts of Interest
Abbreviations
| PE | power electronics | 
| PWM | pulse-width modulation | 
| SH | supraharmonic | 
| EMI | electromagnetic interference | 
| LV | low voltage | 
| MCS | mains communication system | 
| GCC | grid-connected converter | 
| GCI | grid-connected inverter | 
| EMC | electromagnetic compatibility | 
| GCC | grid-connected inverter | 
| SMPS | switched-mode power supplies | 
| PFC | power factor correction | 
| DBR | diode bridge rectifier | 
| CM | common mode | 
| DM | differential mode | 
| Variables | The following variables are used in this manuscript: | 
| GCI current | |
| fundamental component of the GCI current | |
| baseband switching harmonics component of the GCI current | |
| sideband switching harmonics components of the GCI current | |
| DC link voltage of the GCI | |
| modulation index | |
| grid angular frequency | |
| grid frequency | |
| load angle between the inverter output and the grid voltages | |
| GCI coupling filter inductance | |
| GCI coupling filter resistance | |
| peak value of the grid voltage | |
| Bessel function of the first kind | |
| order of baseband harmonics | |
| n | order of sideband harmonics around each baseband frequency | 
| switching frequency | |
| voltage across the semiconductor switch of the boost converter | |
| harmonic coefficients for the PFC boost | |
| carrier angular frequency | |
| grid voltage | |
| amplitude of the fundamental and harmonic components of the grid voltage | |
| amplitude of the SH distortion | |
| order of the SH distortion | 
Appendix A. PFC Control Algorithm

References
- Bartak, G.F.; Abart, A. EMI of emissions in the frequency range 2 kHz–150 kHz. In Proceedings of the 22nd International Conference and Exhibition on Electricity Distribution (CIRED 2013), Stockholm, Sweden, 10–13 June 2013; pp. 1–4. [Google Scholar]
 - IEC TS 62578; Power Electronics Systems and Equipment—Operation Conditions and Characteristics of Active Infeed Converter (AIC) Applications Including Design Recommendations for Their Emission Values Below 150 kHz. International Electrotechnical Commission: Geneva, Switzerland, 2015.
 - CLC/TR 50627; Study Report on Electromagnetic Interference Between Electrical Equipment/Systems in the Frequency Range below 150 kHz. Ed. 2. Slovenski Inštitut za Standardizacijo: Ljubljana, Slovenija, 2015.
 - Heirman, D. EMC standards activity. IEEE Electromagn. Compat. Mag. 2014, 3, 100–103. [Google Scholar] [CrossRef]
 - Alfalahi, S.T.; Alkahtani, A.A.; Al-Shetwi, A.Q.; Al-Ogaili, A.S.; Abbood, A.A.; Mansor, M.B.; Fazea, Y. Supraharmonics in power grid: Identification, standards, and measurement techniques. IEEE Access 2021, 9, 103677–103690. [Google Scholar] [CrossRef]
 - IEC 61000-6-3:2020; Electromagnetic Compatibility (EMC)—Part 6-3: Generic Standards—Emission Standard for Equipment in Residential Environments. Slovenski Inštitut za Standardizacijo: Ljubljana, Slovenija, 2020.
 - Mariscotti, A.; Sandrolini, L.; Pasini, G. Variability caused by Setup and Operating Conditions for Conducted EMI of Switched Mode Power Supplies over the 2–1000 kHz Interval. IEEE Trans. Instrum. Meas. 2022, 71, 1501009. [Google Scholar] [CrossRef]
 - Sandrolini, L.; Mariscotti, A. Waveform and Spectral Characteristics of Supraharmonic Unsymmetrical Conducted EMI of Switched-Mode Power Supplies. Electronics 2022, 11, 591. [Google Scholar] [CrossRef]
 - Espin-Delgado, A.; Ronnberg, S. Modeling and Analysis of Supraharmonic Propagation for Stochastic Studies. IEEE Trans. Power Deliv. 2022, 37, 4899–4910. [Google Scholar] [CrossRef]
 - Espin-Delgado, A.; Busatto, T.; Ravindran, V.; Rönnberg, S.K.; Meyer, J. Evaluation of Supraharmonic Propagation in LV Networks Based on the Impedance Changes Created by Household Devices. In Proceedings of the IEEE PES Innovative Smart Grid Technologies Europe, The Hague, The Netherlands, 26–28 October 2020. [Google Scholar]
 - Sakar, S.; Ronnberg, S.K.; Bollen, M. Interharmonic Emission in AC-DC Converters Exposed to Nonsynchronized High-Frequency Voltage above 2 kHz. IEEE Trans. Power Electron. 2021, 36, 7705–7715. [Google Scholar] [CrossRef]
 - Aboutaleb, A.M.; Gholizad, A.; Desmet, J.; Knockaert, J. Self-induced and Mutual-induced Emissions of Grid-Tied Converters. IEEE J. Emerg. Sel. Top. Power Electron. 2024, 12, 3875–3886. [Google Scholar] [CrossRef]
 - Osheba, M.S.; Aboutaleb, A.M.; Desmet, J.; Knockaert, J. The Impact of Grid Distortion on the Power Conversion Harmonics of AC/DC Converters in the Supraharmonic Range. Electronics 2024, 13, 2244. [Google Scholar] [CrossRef]
 - Rashid, M.H. Devices, Circuits, and Applications. In Power Electronics Handbook; Academic: New York, NY, USA, 2007; pp. 245–259. [Google Scholar]
 - Boillat, D.O.; Krismer, F.; Kolar, J.W. EMI filter volume minimization of a three-phase, three-level T-type PWM converter system. IEEE Trans. Power Electron. 2016, 32, 2473–2480. [Google Scholar] [CrossRef]
 - Bishnoi, H.; Baisden, A.C.; Mattavelli, P.; Boroyevich, D. Analysis of EMI terminal modeling of switched power converters. IEEE Trans. Power Electron. 2012, 27, 3924–3933. [Google Scholar] [CrossRef]
 - Espina, J.; Balcells, J.; Arias, A.; Ortega, C.; Berbel, N. EMI model of an AC/AC power converter. In Proceedings of the 2010 IEEE Vehicle Power and Propulsion Conference, Lille, France, 1–3 September 2010; pp. 1–6. [Google Scholar]
 - Hartmann, M.; Ertl, H.; Kolar, J.W. EMI filter design for a 1 MHz, 10 kW three-phase/level PWM rectifier. IEEE Trans. Power Electron. 2010, 26, 1192–1204. [Google Scholar] [CrossRef]
 - Yang, F.; Ruan, X.; Ji, Q.; Ye, Z. Input differential-mode EMI of CRM boost PFC converter. IEEE Trans. Power Electron. 2012, 28, 1177–1188. [Google Scholar] [CrossRef]
 - Huang, H.F.; Deng, L.Y.; Hu, B.J.; Wei, G. Techniques for improving the high-frequency performance of the planar CM EMI filter. IEEE Trans. Electromagn. Compat. 2013, 55, 901–908. [Google Scholar] [CrossRef]
 - Heldwein, M.L.; Kolar, J.W. Design of minimum volume EMC input filters for an ultra compact three-phase PWM rectifier. In Proceedings of the 9th COBEP, Blumenau, Brazil, 30 September–4 October 2007; pp. 454–461. [Google Scholar]
 - Larsson, E.A.; Bollen, M.H.; Wahlberg, M.G.; Lundmark, C.M.; Rönnberg, S.K. Measurements of high-frequency (2–150 kHz) distortion in low-voltage networks. IEEE Trans. Power Deliv. 2010, 25, 1749–1757. [Google Scholar] [CrossRef]
 - Kotsampopoulos, P.; Rigas, A.; Kirchhof, J.; Messinis, G.; Dimeas, A.; Hatziargyriou, N.; Rogakos, V.; Andreadis, K. EMC issues in the interaction between smart meters and power-electronic interfaces. IEEE Trans. Power Deliv. 2016, 32, 822–831. [Google Scholar] [CrossRef]
 - Klatt, M.; Stiegler, R.; Meyer, J.; Schegner, P. Generic frequency-domain model for the emission of PWM-based power converters in the frequency range from 2 to 150 kHz. IET Gener. Transm. Distrib. 2019, 13, 5478–5486. [Google Scholar] [CrossRef]
 - Klatt, M.; Kaiser, F.; Meyer, J.; Lakenbrink, C.; Gaßner, C. Measurements and simulation of supraharmonic resonances in public low voltage networks. In Proceedings of the CIRED 2019, Madrid, Spain, 3–6 June 2019. [Google Scholar]
 - Esfetanaj, N.N.; Peyghami, S.; Wang, H.; Davari, P. Analytical modeling of 9–150 kHz EMI in single-phase PFC converter. In Proceedings of the IECON 2019—45th Annual Conference of the IEEE Industrial Electronics Society, Lisbon, Portugal, 14–17 October 2019; Volume 1, pp. 4689–4693. [Google Scholar]
 - Ganjavi, A.; Rathnayake, H.; Zare, F.; Kumar, D.; Yaghoobi, J.; Davari, P.; Abbosh, A. Common-mode current prediction and analysis in motor drive systems for the new frequency range of 2–150 kHz. IEEE J. Emerg. Sel. Top. Power Electron. 2020, 10, 74–90. [Google Scholar] [CrossRef]
 - Aboutaleb, A.M.; Desmet, J.; Knockaert, J. Impact of Grid-Connected Inverter Parameters on the Supraharmonic Emissions in Distributed Power Generation Systems. Machines 2023, 11, 1014. [Google Scholar] [CrossRef]
 - Torquato, R.; Hax, G.R.T.; Freitas, W.; Nassif, A. Impact Assessment of High-Frequency Distortions Produced by PV Inverters. IEEE Trans. Power Deliv. 2021, 36, 2978–2987. [Google Scholar] [CrossRef]
 - Darmawardana, D.; Perera, S.; Meyer, J.; Robinson, D.; Jayatunga, U.; Elphick, S. Development of high frequency (Supraharmonic) models of small-scale (<5 kW), single-phase, grid-tied PV inverters based on laboratory experiments. Electr. Power Syst. Res. 2019, 177, 105990. [Google Scholar]
 - Esfetanaj, N.N.; Wang, H.; Blaabjerg, F.; Davari, P. Differential mode noise prediction and analysis in single-phase boost PFC for the new frequency range of 9–150 kHz. IEEE J. Emerg. Sel. Top. Ind. Electron. 2021, 3, 177–187. [Google Scholar] [CrossRef]
 - Leroi, C.; De Jaeger, E. Modelling of harmonics produced by Compact Fluorescent Lamps in the frequency range 2–150 kHz. In Proceedings of the International Conference on Electricity Distribution (CIRED 2019), Madrid, Spain, 3–6 June 2019. [Google Scholar]
 - Collin, A.J.; Drapela, J.; Langella, R.; Testa, A. Emission assessment of single-phase switch-mode PFC loads up to 150 kHz: Experimental analysis and modelling. Electr. Power Syst. Res. 2023, 220, 109236. [Google Scholar] [CrossRef]
 - Espin-Delgado, A.; Ronnberg, S.; Busatto, T.; Ravindran, V.; Bollen, M. Summation Law for Supraharmonic Currents (2 to 150 kHz) in Low-Voltage Installations. Electr. Power Syst. Res. 2019, 184, 106325. [Google Scholar] [CrossRef]
 - Aboutaleb, A.M.; Roumeliotis, G.G.; Desmet, J.; Knockaert, J. Analysis of transmission line modelling in the MATLAB/Simscape software package. In Proceedings of the 27th International Conference on Electricity Distribution (CIRED 2023), Rome, Italy, 12–15 June 2023; Institution of Engineering and Technology (IET): London, UK, 2023; pp. 4009–4013. [Google Scholar]
 - IEC Standard 60725:2012; Consideration of Reference Impedances and Public Supply Network Impedances for Use in Determining the Disturbance Characteristics of Electrical Equipment Having a Rated Current ≤75 A Per Phase. International Electrotechnical Commission: Geneva, Switzerland, 2012.
 





















| Parameter | Value | 
|---|---|
| RMS value of the grid voltage [V] | |
| Grid frequency [Hz] | 50 | 
| Grid impedance [36] | |
| DC link voltage [V] | |
| Coupling inductor [mH] | |
| Switching frequency [kHz] | 5 | 
| Parameter | Value | 
|---|---|
| RMS value of the grid voltage [V] | 66 | 
| Grid frequency [Hz] | 50 | 
| Grid impedance [36] | |
| Output voltage [V] | |
| Output resistance [] | |
| Boost inductor [mH] | 10 | 
| Output capacitor [] | 470 | 
| Switching frequencies [kHz] | 5 and 5.05 | 
Disclaimer/Publisher’s Note: The statements, opinions and data contained in all publications are solely those of the individual author(s) and contributor(s) and not of MDPI and/or the editor(s). MDPI and/or the editor(s) disclaim responsibility for any injury to people or property resulting from any ideas, methods, instructions or products referred to in the content.  | 
© 2024 by the authors. Licensee MDPI, Basel, Switzerland. This article is an open access article distributed under the terms and conditions of the Creative Commons Attribution (CC BY) license (https://creativecommons.org/licenses/by/4.0/).
Share and Cite
Aboutaleb, A.M.; Osheba, M.S.; Desmet, J.; Knockaert, J. Comparison of the Impacts of Background Distortion with Even and Odd Orders in the Supraharmonic Range on Grid-Connected Converters. Electronics 2024, 13, 4023. https://doi.org/10.3390/electronics13204023
Aboutaleb AM, Osheba MS, Desmet J, Knockaert J. Comparison of the Impacts of Background Distortion with Even and Odd Orders in the Supraharmonic Range on Grid-Connected Converters. Electronics. 2024; 13(20):4023. https://doi.org/10.3390/electronics13204023
Chicago/Turabian StyleAboutaleb, Abdellatif M., Marwa S. Osheba, Jan Desmet, and Jos Knockaert. 2024. "Comparison of the Impacts of Background Distortion with Even and Odd Orders in the Supraharmonic Range on Grid-Connected Converters" Electronics 13, no. 20: 4023. https://doi.org/10.3390/electronics13204023
APA StyleAboutaleb, A. M., Osheba, M. S., Desmet, J., & Knockaert, J. (2024). Comparison of the Impacts of Background Distortion with Even and Odd Orders in the Supraharmonic Range on Grid-Connected Converters. Electronics, 13(20), 4023. https://doi.org/10.3390/electronics13204023
        
