Design of Series-Connected Novel Large-Scale Offshore Wind Power All-DC System with Fault Blocking Capability
Abstract
1. Introduction
2. The Structure of the Novel Offshore Wind Power All-DC System with Fault Isolation Capability
2.1. The Operational Principle of the Existing Series-Connected System
2.2. The Novel Offshore Wind Power All-DC System with Fault Isolation Capability
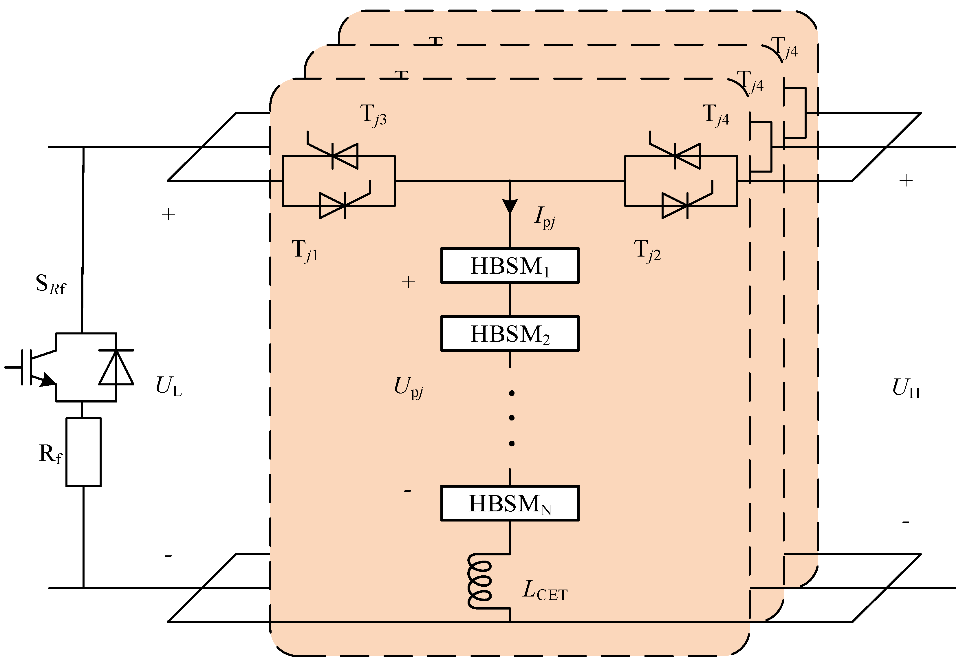
- [ − ]: Charging Stage. During this stage, the energy storage bridge arm absorbs power from the low-voltage side. The switching valve is in the conducting state, while the remaining switching valves are in the locked state, as shown in Figure 5. When the voltage across the bridge arm equals the low-voltage side voltage , the triggering signal “zero voltage” is applied to the switching valve , causing it to conduct. As a result, a driving voltage with an amplitude of is generated across the bridge arm inductor , and the bridge arm current rises sinusoidally to . At this point, the voltage across the bridge arm is at a constant amplitude of , and the current is sinusoidal with a peak value of , achieving constant voltage and constant current charging. After conducting for 120° of electrical angle, the CET converter initiates phase shifting. At this moment, a driving voltage with an amplitude of is generated across the bridge arm inductor , causing the bridge arm current to decrease sinusoidally to zero. The switching valve withstands a reverse voltage with an amplitude of and shuts off with zero current.
- [ − ]: Discharge Stage. During this stage, power is transferred from the energy storage bridge arm to the high-voltage side. The switching valve is in the conducting state, while the remaining switching valves are in the locked state, as shown in Figure 5. The working principle during this stage is similar to the charging process and will not be described in detail.
3. The Control Strategy and Fault Isolation Methods of the System
3.1. The Control Strategy of the CET Converter
3.2. The Control Strategy of MMCWT and Onshore MMC
3.3. The Fault Isolation Methods of the System
- When the energy storage bridge arm is absorbing power from the low-voltage side, as depicted in Figure 13a. At this point, the energy storage bridge arm and the fault point are not connected, and hence there is no path for fault current to flow. Upon detecting the fault, the controller sends signals to lock the submodule and thyristor gates of the bridge arm, interrupting the charging process of the energy storage bridge arm and preventing the formation of a fault path.
- When the energy storage bridge arm is delivering power to the high-voltage side, as illustrated in Figure 13b. In this case, the energy storage bridge arm is connected to the fault point. Upon detecting the fault, the controller sends signals to lock the submodule and thyristor gates of the bridge arm. Although the submodule gates quickly close, fault current can still flow through the bridge arm inductance and the parallel diode D2 of the submodule IGBT until the fault current flowing through the inductance decays to zero. Subsequently, the thyristor can be turned off, achieving fault isolation.
4. Case Study
4.1. Internal Fault of Single Wind Generator
4.2. HVDC Transmission Line Fault
5. Conclusions
Author Contributions
Funding
Data Availability Statement
Conflicts of Interest
References
- Yang, B.; Liu, B.; Zhou, H.; Wang, J.; Yao, W.; Wu, S.; Shu, H.; Ren, Y. A critical survey of technologies of large offshore wind farm integration: Summary, advances, and perspectives. Prot. Control. Mod. Power Syst. 2022, 7, 1–3. [Google Scholar] [CrossRef]
- Fjellstedt, C.; Ullah, M.I.; Forslund, J.; Jonasson, E.; Temiz, I.; Thomas, K. A review of ac and dc collection grids for offshore renewable energy with a qualitative evaluation for marine energy resources. Energies 2022, 15, 5816. [Google Scholar] [CrossRef]
- Tang, W.; Shi, M.; Li, Z.; Yu, N. Loss comparison study of MMC-HVDC and All-DC offshore wind farm. In Proceedings of the 2019 IEEE Innovative Smart Grid Technologies-Asia (ISGT Asia), Chengdu, China, 21–24 May 2019. [Google Scholar]
- Zhang, B. Design and Simulation Implementation of All-DC Offshore Wind Power System. In Proceedings of the 2022 3rd International Conference on Clean and Green Energy Engineering (CGEE), Istanbul, Turkey, 28–30 August 2022. [Google Scholar]
- Deng, F.; Chen, Z. Operation and control of a DC-grid offshore wind farm under DC transmission system faults. IEEE Trans. Power Deliv. 2013, 28, 1356–1363. [Google Scholar] [CrossRef]
- Song, Y.; Zhang, Z.; Xu, Z. Modular Combined DC-DC Autotransformer for Offshore Wind Power Integration with DC Collection. Appl. Sci. 2022, 12, 1810. [Google Scholar] [CrossRef]
- Xu, Q.; Zhou, Y.; Liu, Q.; Tian, X.; Yuan, Z. MMC-DC/DC Converter and Its Control Strategy for Offshore Full DC Wind Power System. In Proceedings of the 2023 6th International Conference on Power and Energy Applications (ICPEA), Weihai, China, 24–26 November 2023. [Google Scholar]
- Shi, G.; Cai, X.; Sun, C.; Chang, Y.; Yang, R. All-DC offshore wind farm with parallel connection: An overview. In Proceedings of the 12th IET International Conference on AC and DC Power Transmission (ACDC 2016), Beijing, China, 28–29 May 2016; pp. 75–76. [Google Scholar]
- Cai, X.; Shi, G.; Chi, Y.; Chang, Y.; Yang, R.; Zhang, Z. Present status and future development of offshore all-DC wind farm. Proc. CSEE 2016, 36, 2036–2048. [Google Scholar]
- Holtsmark, N.; Bahirat, H.J.; Molinas, M.; Mork, B.A.; Hoidalen, H.K. An all-DC offshore wind farm with series-connected turbines: An alternative to the classical parallel AC model? IEEE Trans. Ind. Electron. 2012, 60, 2420–2428. [Google Scholar] [CrossRef]
- Guo, G.; Song, Q.; Zhao, B.; Rao, H.; Xu, S.; Zhu, Z.; Liu, W. Series-connected-based offshore wind farms with full-bridge modular multilevel converter as grid-and generator-side converters. IEEE Trans. Ind. Electron. 2019, 67, 2798–2809. [Google Scholar] [CrossRef]
- Bahirat, H.J.; Mork, B.A. Operation of DC series–parallel connected offshore wind farm. IEEE Trans. Sustain. Energy 2018, 10, 596–603. [Google Scholar] [CrossRef]
- Xie, L.; Cheng, F.; Wu, J. Control strategy for offshore wind farms with dc collection system based on series-connected diode rectifier. Sustainability 2022, 14, 7860. [Google Scholar] [CrossRef]
- Lakshmanan, P. Power Curtailment Analysis of DC Series–Parallel Offshore Wind Farms. Wind 2022, 2, 466–478. [Google Scholar] [CrossRef]
- Li, Y.; Feng, J.; Lu, Y.; Pan, E. Key technologies and prospects of VSC-HVDC for large-capacity and long-distance offshore wind power transmission. High Volt. Eng. 2022, 49, 3384–3393. [Google Scholar]
- Shi, G.; Zhang, J.; Cai, X.; Zhu, M. Decoupling control of series-connected DC wind turbines with energy storage system for offshore DC wind farm. In Proceedings of the 2016 IEEE 7th International Symposium on Power Electronics for Distributed Generation Systems (PEDG), Vancouver, BC, Canada, 27–30 June 2016. [Google Scholar]
- Rong, F.; Wu, G.; Li, X.; Huang, S.; Zhou, B. ALL-DC offshore wind farm with series-connected wind turbines to overcome unequal wind speeds. IEEE Trans. Power Electron. 2018, 34, 1370–1381. [Google Scholar] [CrossRef]
- Zhang, H.; Gruson, F.; Rodriguez, D.M.F.; Saudemont, C. Overvoltage limitation method of an offshore wind farm with DC series-parallel collection grid. IEEE Trans. Sustain. Energy 2018, 10, 204–213. [Google Scholar] [CrossRef]
- Ding, H.; Zou, G.; Wang, F.; Xu, C. A Novel Protection Method of DC Collection System for Offshore Wind Farm. In Proceedings of the 2023 8th Asia Conference on Power and Electrical Engineering (ACPEE), Tianjin, China, 14–16 April 2023. [Google Scholar]
- Song, Y.; Chang, X.; Wang, H. Comprehensive Evaluation Model and Methodology for Offshore Wind Farm Collection and Transmission Systems. J. Mar. Sci. Eng. 2023, 11, 2169. [Google Scholar] [CrossRef]
- Guo, H.; Lam, S. Fault analysis and protection of a Series-DC collection and transmission system. IEEE Trans. Ind. Appl. 2018, 54, 5417–5428. [Google Scholar] [CrossRef]
- Chuangpishit, S.; Tabesh, A.; Moradi-Shahrbabak, Z.; Saeedifard, M. Topology design for collector systems of offshore wind farms with pure DC power systems. IEEE Trans. Ind. Electron. 2013, 61, 320–328. [Google Scholar] [CrossRef]
- Guo, G.; Zha, K.; Zhang, J.; Wang, Z.; Zhang, F.; Cao, J. Grounding fault in series-connection-based offshore wind farms: Fault clearance. IEEE Trans. Power Electron. 2020, 35, 9357–9367. [Google Scholar] [CrossRef]
- Lakshmanan, P.; Guo, J.; Liang, J. Energy curtailment of DC series–parallel connected offshore wind farms. IET Renew. Power Gener. 2018, 12, 576–584. [Google Scholar] [CrossRef]
- Yang, J.; He, Z.; Pang, H.; Tang, G. The hybrid-cascaded DC–DC converters suitable for HVdc applications. IEEE Trans. Power Electron. 2015, 30, 5358–5363. [Google Scholar] [CrossRef]
- Li, B.; Zhao, X.; Cheng, D.; Zhang, S.; Xu, D. Novel hybrid DC/DC converter topology for HVDC interconnections. IEEE Trans. Power Electron. 2018, 34, 5131–5146. [Google Scholar] [CrossRef]
- Li, B.; Zhao, X.; Zhang, S.; Fu, Q.; Wang, S.; Xu, D. A hybrid modular DC/DC converter for HVDC applications. IEEE Trans. Power Electron. 2019, 35, 3377–3389. [Google Scholar] [CrossRef]
- Han, H.; Lv, Z.; Zhang, Z.; Xu, Z.; Xu, W. Fault Isolation Control Method of DC Series-Parallel Offshore Wind Farm. In Proceedings of the 2023 International Conference on Power System Technology (PowerCon), Jinan, China, 21–22 September 2023. [Google Scholar]
- Fan, Q.; Wang, X.; Yuan, J.; Liu, X.; Hu, H.; Lin, P. A review of the development of key technologies for offshore wind power in China. J. Mar. Sci. Eng. 2022, 10, 929. [Google Scholar] [CrossRef]


















| Items | Data |
|---|---|
| Rated power/MW | 40 |
| Rated low-voltage side voltage/kV | 80 |
| Rated high-voltage side voltage/kV | 240 |
| Rated low-voltage side current/kA | 0.5 |
| Operating frequency/Hz | 150 |
| Submodules per arm | 132 |
| Rated capacitor voltage/kV | 2 |
| Submodule capacitor/mF | 1.01 |
| Arm inductor/mH | 10 |
| Working thyristors | Tj1, Tj2 |
| Items | WTMMC | Onshore MMC |
|---|---|---|
| Rated power/MW | 10 | 40 |
| Rated DC side voltage/kV | 20 | 240 |
| Rated capacitor voltage/kV | 1 | 4 |
| Submodules per arm | 20 | 60 |
| Submodule capacitor/mF | 9.26 | 0.77 |
| Arm inductor/mH | 4.8 | 172 |
Disclaimer/Publisher’s Note: The statements, opinions and data contained in all publications are solely those of the individual author(s) and contributor(s) and not of MDPI and/or the editor(s). MDPI and/or the editor(s) disclaim responsibility for any injury to people or property resulting from any ideas, methods, instructions or products referred to in the content. |
© 2024 by the authors. Licensee MDPI, Basel, Switzerland. This article is an open access article distributed under the terms and conditions of the Creative Commons Attribution (CC BY) license (https://creativecommons.org/licenses/by/4.0/).
Share and Cite
Ru, Y.; Wang, H.; Li, Z. Design of Series-Connected Novel Large-Scale Offshore Wind Power All-DC System with Fault Blocking Capability. Electronics 2024, 13, 1943. https://doi.org/10.3390/electronics13101943
Ru Y, Wang H, Li Z. Design of Series-Connected Novel Large-Scale Offshore Wind Power All-DC System with Fault Blocking Capability. Electronics. 2024; 13(10):1943. https://doi.org/10.3390/electronics13101943
Chicago/Turabian StyleRu, Yalun, Haiyun Wang, and Zhanlong Li. 2024. "Design of Series-Connected Novel Large-Scale Offshore Wind Power All-DC System with Fault Blocking Capability" Electronics 13, no. 10: 1943. https://doi.org/10.3390/electronics13101943
APA StyleRu, Y., Wang, H., & Li, Z. (2024). Design of Series-Connected Novel Large-Scale Offshore Wind Power All-DC System with Fault Blocking Capability. Electronics, 13(10), 1943. https://doi.org/10.3390/electronics13101943

