Analysis of a p-i-n Diode Circuit at Radio Frequency Using an Electromagnetic-Physics-Based Simulation Method
Abstract
:1. Introduction
2. Principle of the Electromagnetic- Physics-Based Method
2.1. The Physics-Based Circuit Simulation
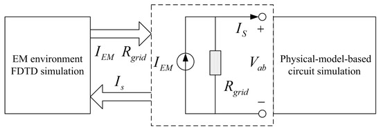
2.2. Electromagnetic-Physics-Based Simulation
- (1)
- Initialize the parameters such as the doping profile and bias voltage, use physics-based circuit simulation to solve for the initial values of n, p, and Is.
- (2)
- Apply excitation
- (3)
- Select the largest time-step dt which ensures both FDTD stability and physics-based circuit simulation convergence;
- (4)
- Update the magnetic field H at time t + 0.5 from Equation (10);
- (5)
- Apply magnetic field H boundary conditions;
- (6)
- Update the electric field E components at time t + 1 from Equation (11);
- (7)
- Evaluate n, p, and Is at time t + 1 at device insertion cells using the physics-based circuit simulation from Equation (14);
- (8)
- Apply electric field E boundary conditions;
- (9)
- Repeat steps 2–8, using the updated time t = t + 1, until reaching a convergence criterion, which can be defined as the total time required by the simulation.
3. Results of the Application of the Proposed Method
3.1. The Physical Model of the Mot_bal99lt1 p-i-n Diodes and Its Parameters
3.2. Power Limiting Characteristics of a p-i-n Diode at RF
3.3. RF Characteristics of the PIN Diode Limiter
4. Conclusions
Author Contributions
Funding
Data Availability Statement
Conflicts of Interest
References
- Bakoglu, H.B. Circuits, Interconnections, and Packaging for VLSI; Addison-Wesley: Reading, MA, USA, 1988. [Google Scholar]
- Orhanovic, N.; Matsui, N. Full Wave Signal and Power Integrity Analysis of Printed Circuit Boards Using 2D and 3D FDTD-SPICE Methods. In Proceedings of the High Performance System Design Conference (DesignCon), Santa Clara, CA, USA, 28 January–1 February 2002. [Google Scholar]
- Hussein, Y.A.; El-Ghazaly, S.M.; Goodnick, S.M. An efficient electromagnetic-physics-based numerical technique for modeling and optimization of high-frequency multifinger transistors. IEEE Trans. Microw. Theory Tech. 2003, 51, 2334–2346. [Google Scholar] [CrossRef]
- Cidronali, A.; Leuzzi, G.; Manes, G.; Giannini, F. Physical/electromagnetic pHEMT modeling. IEEE Trans. Microw. Theory Tech. 2003, 51, 830–838. [Google Scholar] [CrossRef]
- Grondin, R.O.; El-Ghazaly, S.M.; Goodnick, S. A review of global modeling of charge transport in semiconductors and full-wave electromagnetics. IEEE Trans. Microw. Theory Tech. 1999, 47, 817–829. [Google Scholar] [CrossRef]
- Movahhedi, M.; Abdipour, A. Efficient numerical methods for simulation of high-frequency active devices. IEEE Trans. Microw. Theory Tech. 2006, 54, 2636–2645. [Google Scholar] [CrossRef]
- Antoinette, P.; Massobrio, G. Semiconductor Device Modeling with SPICE; McGraw-Hil: New York, NY, USA, 1988. [Google Scholar]
- Mantooth, H.A.; Duliere, J.L. A unified diode model for circuit simulation. IEEE Trans. Power Electron. 1997, 12, 816–823. [Google Scholar] [CrossRef]
- Yang, S.S.; Kim, T.Y.; Kong, D.K.; Kim, S.S.; Yeom, K.W. A novel analysis of a Ku-band planar p-i-n diode limiter. IEEE Trans. Microw. Theory Tech. 2009, 57, 1447–1460. [Google Scholar] [CrossRef]
- Chen, X.; Chen, J.Q.; Huang, K.; Xu, X.B. A Circuit Simulation Method Based on Physical Approach for the Analysis of Mot_bal99lt1 p-i-n Diode Circuits. IEEE Trans. Electron. Devices 2011, 58, 2862–2870. [Google Scholar] [CrossRef]
- Wang, R.; Jin, J.M. A Symmetric Electromagnetic-Circuit Simulator Based on the Extended Time-Domain Finite Element Method. IEEE Trans. Microw. Theory Tech. 2008, 56, 2875–2884. [Google Scholar] [CrossRef]
- He, Q.; Jiao, D. Fast electromagnetics-based co-simulation of linear network and nonlinear circuits for the analysis of high-speed integrated circuits. IEEE Trans. Microw. Theory Tech. 2010, 58, 3677–3687. [Google Scholar] [CrossRef]
- Chen, J.Q.; Chen, X.; Liu, C.J.; Huang, K.; Xu, X.B. Analysis of Temperature Effect on p-i-n Diode Circuits by a Multiphysics and Circuit Cosimulation Algorithm. IEEE Trans. Electron. Devices 2011, 59, 3069–3077. [Google Scholar] [CrossRef]
- Chen, S.; Ding, D.; Yu, M.; Wang, Y.; Chen, R. Electro-Thermal Analysis of Microwave Limiter Based on the Time-Domain Impulse Response Method Combined with Physical-Model-Based Semiconductor Solver. IEEE Trans. Microw. Theory Tech. 2020, 68, 2579–2589. [Google Scholar] [CrossRef]
- Xu, K.; Chen, X.; Zhang, B.; Chen, Q. A parameter extraction method of the PIN diode for physics-based circuit simulation over a wide frequency range. Int. J. RF Microw. Comput. Aided Eng. 2020, 30, e22385. [Google Scholar] [CrossRef]
- Zeng, H.; Chen, X. Nonlinear Analysis for Microwave Limiter Using a Field-Circuit Simulator Based on Physical Models. IEEE Microw. Wirel. Compon. Lett. 2020, 30, 129–132. [Google Scholar] [CrossRef]
- Sze, S.M. Physics of Semiconductor Devices; Wiley & Sons: New York, NY, USA, 1981. [Google Scholar]
- Xu, X.S. A drift-diffusion model for semiconductors with temperature effects. Proc. R. Soc. Edinb. Sect. A 2009, 139, 1101–1119. [Google Scholar] [CrossRef]
- Sui, W. Time-Domain Computer Analysis of Nonlinear Hybrid System; CRC Press: Boca Raton, FL, USA, 2002. [Google Scholar]
- Piket-May, M.; Taflove, A.; Baron, J. FDTD modeling of digital signal propagation in 3-D circuits with passive and active loads. IEEE Trans. Microw. Theory Tech. 1994, 42, 1514–1523. [Google Scholar] [CrossRef]
- Scharfetter, D.L.; Gummel, H.K. Large-signal analysis of a silicon read diode oscillator. IEEE Trans. Electron. Devices 1969, ED-16, 64–77. [Google Scholar] [CrossRef]
- Bank, R.; Coughran, W.; Fichtner, W.; Rose, D.; Smith, R. Computational aspects of semiconductor device simulation. In Process and Device Modeling; Engl, W.L., Ed.; North Holland: Amsterdam, The Netherlands, 1986. [Google Scholar]
- Emili, G.; Alimenti, F.; Mezzanotte, P.; Roselli, L.; Sorrentino, R. Rigorous modeling of packaged schottky diodes by the nonlinear lumped network (NL2N)-FDTD approach. IEEE Trans. Microw. Theory Tech. 2000, 48, 2277–2282. [Google Scholar] [CrossRef]













Disclaimer/Publisher’s Note: The statements, opinions and data contained in all publications are solely those of the individual author(s) and contributor(s) and not of MDPI and/or the editor(s). MDPI and/or the editor(s) disclaim responsibility for any injury to people or property resulting from any ideas, methods, instructions or products referred to in the content. |
© 2023 by the authors. Licensee MDPI, Basel, Switzerland. This article is an open access article distributed under the terms and conditions of the Creative Commons Attribution (CC BY) license (https://creativecommons.org/licenses/by/4.0/).
Share and Cite
Chen, Z.; Chen, J.; Chen, X. Analysis of a p-i-n Diode Circuit at Radio Frequency Using an Electromagnetic-Physics-Based Simulation Method. Electronics 2023, 12, 1525. https://doi.org/10.3390/electronics12071525
Chen Z, Chen J, Chen X. Analysis of a p-i-n Diode Circuit at Radio Frequency Using an Electromagnetic-Physics-Based Simulation Method. Electronics. 2023; 12(7):1525. https://doi.org/10.3390/electronics12071525
Chicago/Turabian StyleChen, Zhenzhen, Junquan Chen, and Xing Chen. 2023. "Analysis of a p-i-n Diode Circuit at Radio Frequency Using an Electromagnetic-Physics-Based Simulation Method" Electronics 12, no. 7: 1525. https://doi.org/10.3390/electronics12071525
APA StyleChen, Z., Chen, J., & Chen, X. (2023). Analysis of a p-i-n Diode Circuit at Radio Frequency Using an Electromagnetic-Physics-Based Simulation Method. Electronics, 12(7), 1525. https://doi.org/10.3390/electronics12071525

