A Study on the High Reliability Audio Target Frequency Generator for Electronics Industry
Abstract
1. Introduction
2. Research and Technology Trends
2.1. Analog Frequency Synthesizers
2.2. Digital Frequency Synthesizers
- L: bit number of accumulator
- W: bit value of input frequency word
2.3. Hybrid Frequency Synthesizers
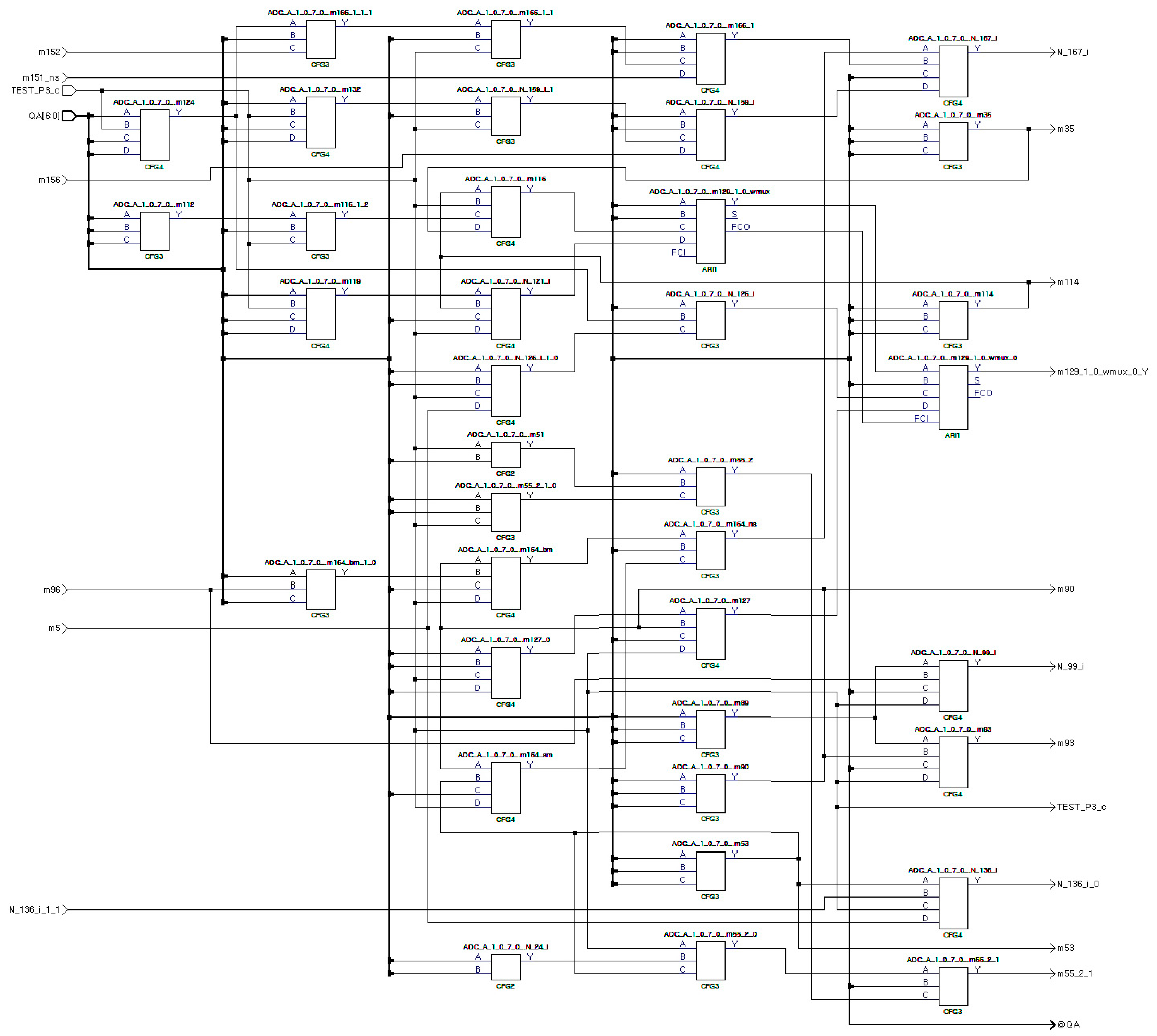
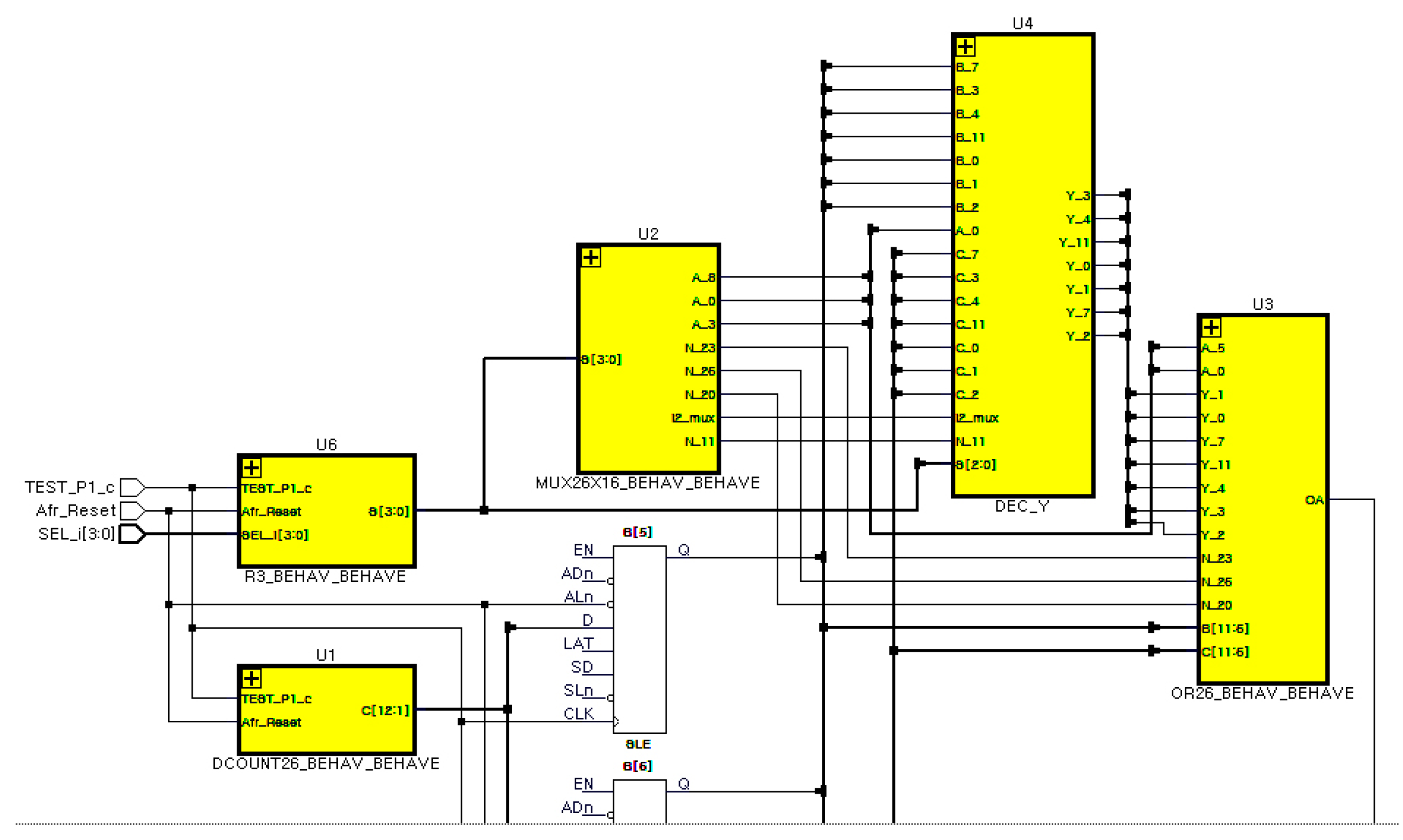
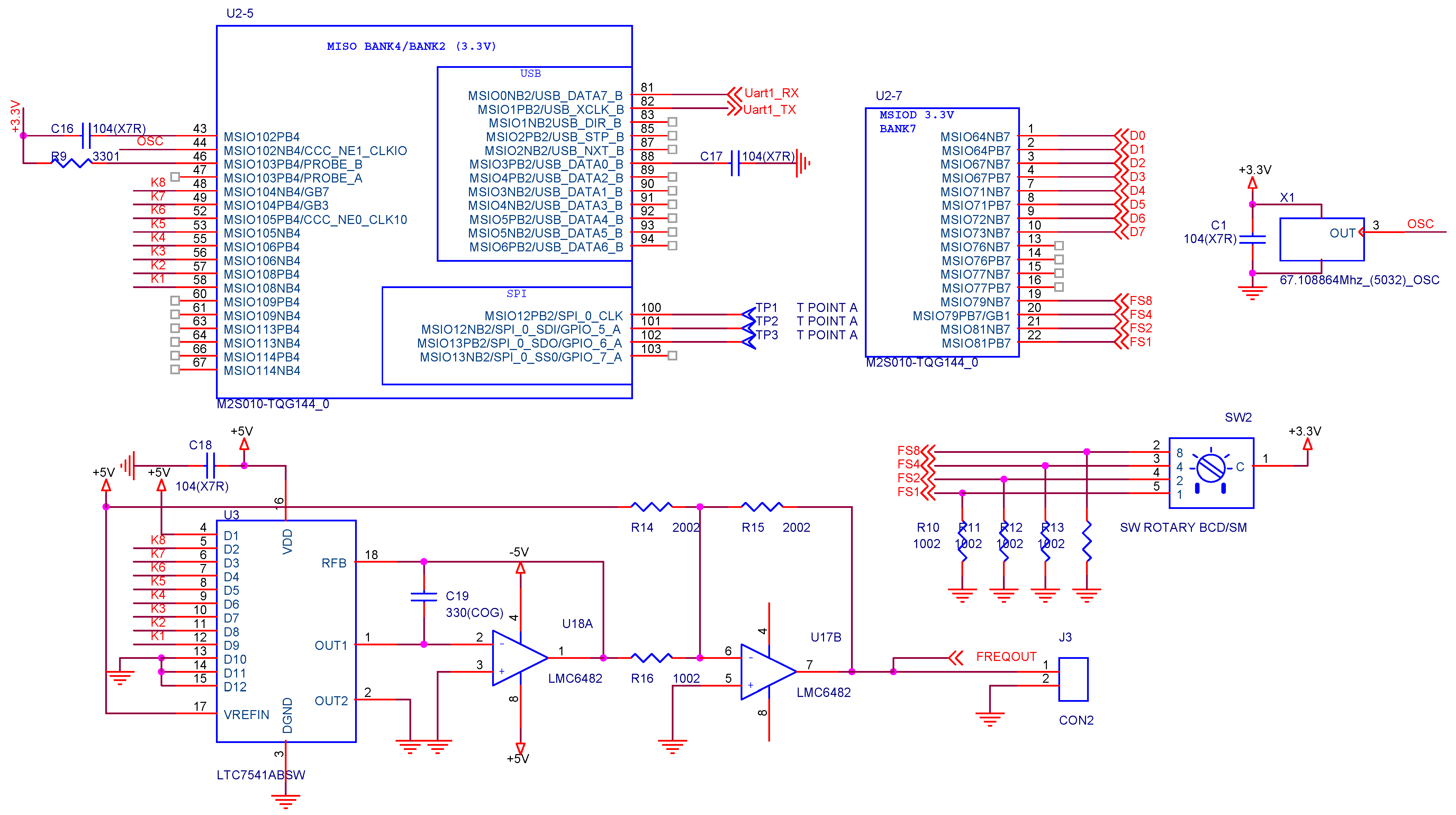
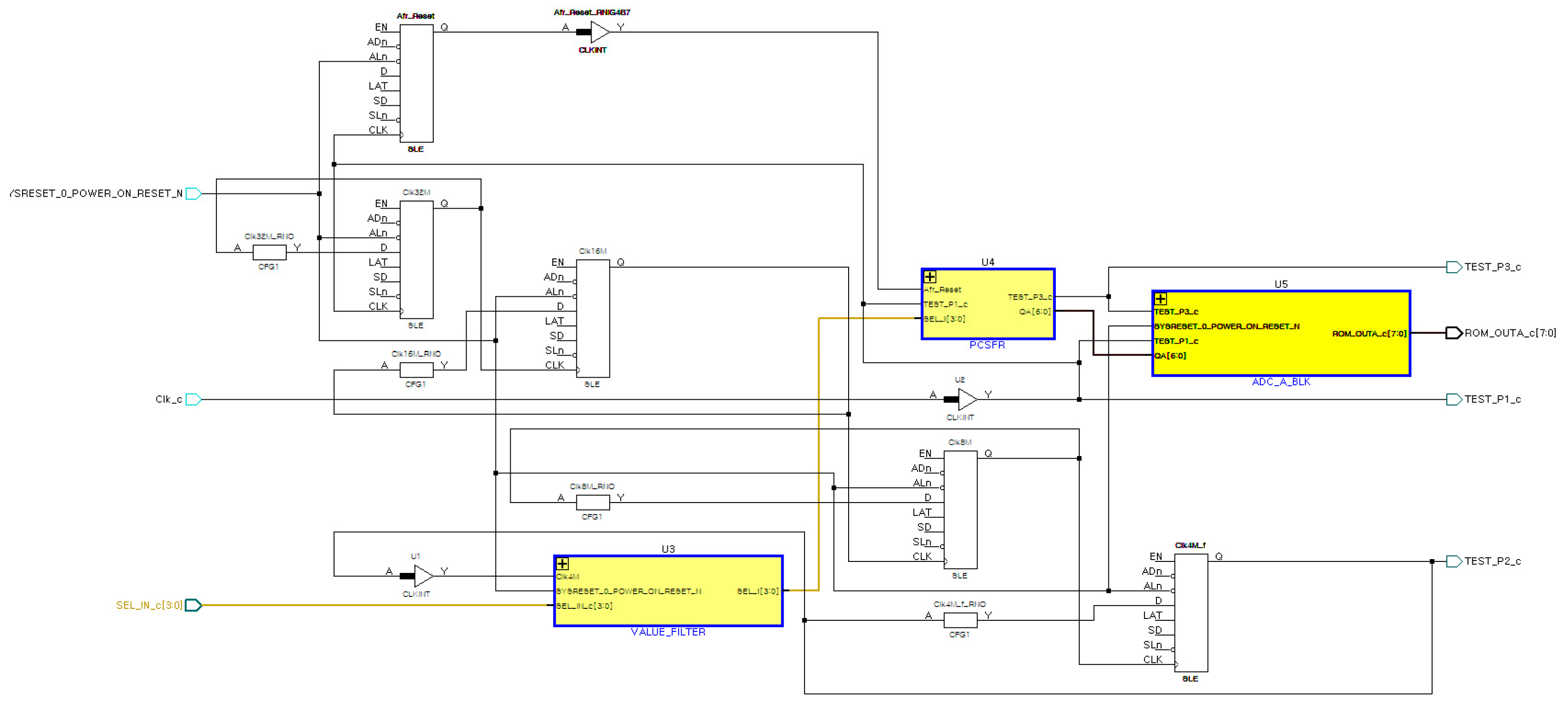
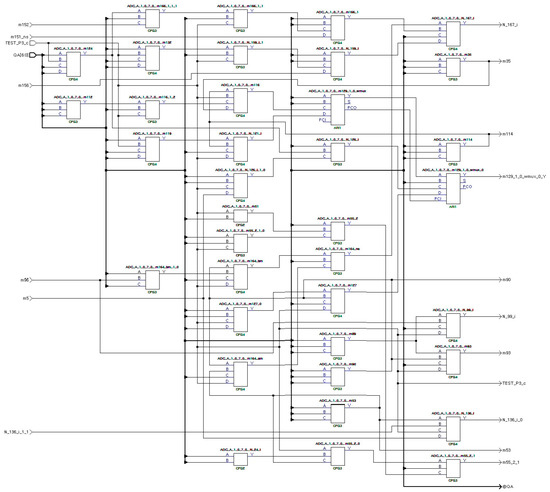
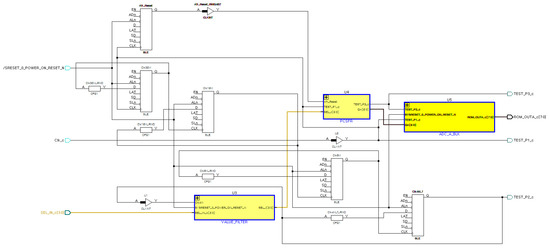
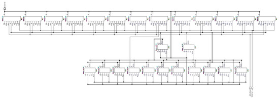
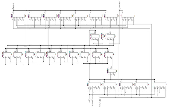
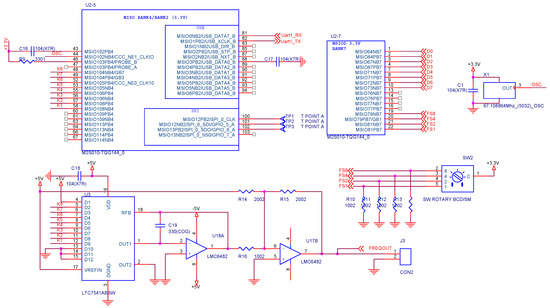
3. Design of DDFS for Low Frequency Using FPGA
3.1. Necessity
- FCW: Frequency control word
- L: The number of bits of PA
3.2. Target Frequency
- (1)
- Algorithm design
- (2)
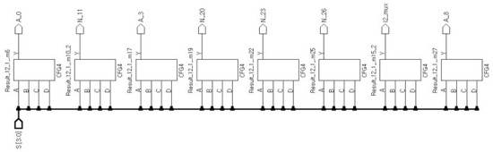
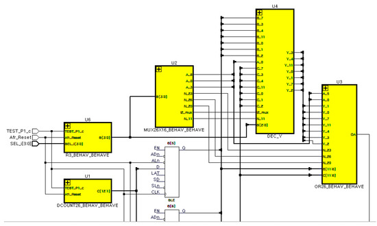
- FPGA logic blocks



















- (3)
- Track circuit use frequency generation
- LC: Track circuit as a line circuit
- k: Bits extracted with the target frequency




4. Experimental Results
Simulation
- (1)
- Track frequency A test results and waveforms



5. Conclusions
Author Contributions
Funding
Data Availability Statement
Conflicts of Interest
Appendix A
- (1)
- Track frequency B test results and waveforms


- (2)
- Track frequency C test results and waveforms


- (3)
- Track frequency D test results and waveforms


- (4)
- Track frequency E test results and waveforms


- (5)
- Track frequency F test results and waveform


- (6)
- Track frequency G test results and waveforms


- (7)
- Track frequency H test results and waveforms


References
- Yoon, K.; Song, M.; Noh, J.; Lee, K. Design of Data Converters and PLL; Hongneung Science Publishing House: Daejeon, Republic of Korea, 2013; pp. 299–324. [Google Scholar] [CrossRef]
- Tierney, J.; Radre, C.M.; Gold, B. A Digital Frequency Synthesizer. IEEE Trans. Audio Electro Acoust. 1971, AU-19, 49–50. Available online: https://ieeexplore.ieee.org/abstract/document/1162151 (accessed on 27 November 2023).
- Ryu, H.G.; Lee, H.S. Analysis and Minimization of Phase Noise of The Digital Hybrid PLL Frequency Synthesizer. IEEE Trans. Consum. Electron. 2002, 48, 305–306. Available online: https://ieeexplore.ieee.org/abstract/document/1010136 (accessed on 27 November 2023).
- Kim, D.C.; Chi, Y.E.; Park, J. High-Resolution Digital Beamforming Receiver Using DDS–PLL Signal Generator for 5G Mobile Communication. IEEE Trans. Antennas Propag. 2022, 70, 1429–1430. Available online: https://ieeexplore.ieee.org/abstract/document/9539071 (accessed on 27 November 2023). [CrossRef]
- Queiroz, E.D.; Ota, J.I.Y.; Pomilio, J.A. State-Space Representation Model of Phase-Lock Loop Systems for Stability Analysis of Grid-connected Converters. In Proceedings of the 14th IEEE International Conference on Industry Applications 2021, São Paulo, Brazil, 15–18 August 2021; pp. 388–389. Available online: https://ieeexplore.ieee.org/abstract/document/9529609 (accessed on 27 November 2023).
- Akurwy, S.H. A Novel ROM Design for High Speed Direct Digital Frequency Synthesizer; Lap Lambert Academic Publishing: Saarbrücken, Germany, 2014; pp. 6–15. [Google Scholar]
- Gao, S.; Barnes, M. Phase-locked loops for grid-tied inverters: Comparison and testing. In Proceedings of the 8th IET International Conference on Power Electronics, Machines and Drives (PEMD 2016), Glasgow, UK, 19–21 April 2016; Available online: https://digital-library.theiet.org/content/conferences/10.1049/cp.2016.0304 (accessed on 27 November 2023).
- Shan, C.; Chen, Z.; Yuab, H.; Hu, W. Design and Implementation of a FPGA-based Direct Digital Synthesizer. In Proceedings of the 2011 International Conference on Electrical and Control Engineering, Yichang, China, 16–18 September 2011; pp. 614–615. Available online: https://ieeexplore.ieee.org/abstract/document/6057152 (accessed on 27 November 2023).
- Rokita, A. Direct Analog Synthesis Modules for an X-Band Frequency Source; Telecommunications Research Institute: Daejeon, Republic of Korea, 1997; pp. 63–64. Available online: https://ieeexplore.ieee.org/abstract/document/737920 (accessed on 27 November 2023).
- Wang, Y.; Bao, X.; Hua, W. Implementation of Embedded Magnetic Encoder for Rotor Position Detection Based on Arbitrary Phase Shift Phase Lock Loop. IEEE Trans. Ind. Electron. 2002, 69, 2035–2037. Available online: https://ieeexplore.ieee.org/abstract/document/9369043 (accessed on 27 November 2023). [CrossRef]
- Kim, S.; Kim, J.; Oh, H.; Cheon, J.; Park, G.; Go, S.; Lee, K. Design of Low Power Frequency Synthesizer for GPS Receiver. Korea Inst. Intell. Transp. Syst. 2008, 11a, 165–168. [Google Scholar]
- Alssharef, A.A.; Ali, M.A.M.; Sanusi, H. Direct Digital Frequency Synthesizer Design and Implementation on FPGA. Res. J. Appl. Sci. 2012, 7, 387–390. [Google Scholar] [CrossRef][Green Version]
- Bergeron, M.; Willson, A.N. A 1-GHz Direct Digital Frequency Synthesizer in an FPGA. In Proceedings of the 2014 IEEE International Symposium on Circuits and Systems (ISCAS), Melbourne, VIC, Australia, 1–5 June 2014; pp. 329–332. Available online: https://ieeexplore.ieee.org/abstract/document/6865132 (accessed on 27 November 2023).
- Saber, M.S.; Elmasry, M.; Abo-Elsoud, M.E. Quadrature Direct Digital Frequency Synthesizer Using FPGA. In Proceedings of the 2006 International Conference on Computer Engineering and Systems, Cairo, Egypt, 5–7 November 2006; pp. 14–15. Available online: https://ieeexplore.ieee.org/abstract/document/4115478 (accessed on 27 November 2023).
- Chen, W.; Wu, T.; Tang, W.; Jin, K.; Huang, G. Implementation Method of CORDIC Algorithm to Improve DDFS Performance. In Proceedings of the IEEE 3rd International Conference on Electronics Technology 2020, Chengdu, China, 8–12 May 2020; pp. 58–61. Available online: https://ieeexplore.ieee.org/abstract/document/9119621 (accessed on 27 November 2023).
- Yang, Y.; Wang, Z.; Yang, P.; Chang, M.F.; Ho, M.S.; Yang, H.; Liu, Y. A 2-GHz Direct Digital Frequency Synthesizer Based on LUT and Rotation. In Proceedings of the 2018 IEEE International Symposium on Circuits and Systems (ISCAS), Florence, Italy, 27–30 May 2018; pp. 1–3. Available online: https://ieeexplore.ieee.org/abstract/document/8351207 (accessed on 27 November 2023).
- Kim, D.; Lee, H.; Kim, J.; Kim, S. Design and Modeling of a DDS Driven Offset PLL with DAC. Korea Internet Broadcast. Commun. Soc. 2012, 12, 1–9. [Google Scholar] [CrossRef]
- Gothandaraman, A.; Islam, K.S. An All-Digital Frequency Locked Loop (ADFLL) with a Pulse Output Direct Digital Frequency Synthesizer (DDFS) and an Adaptive Phase Estimator. In Proceedings of the IEEE Radio Frequency Integrated Circuits Symposium 2003, Philadelphia, PA, USA, 9–10 June 2023; pp. 303–305. Available online: https://ieeexplore.ieee.org/abstract/document/1213949 (accessed on 27 November 2023).
- Bombardier. EBI Track 200 TI21 Audio Frequency Track Circuit Technical Manual; Bombardier: Montreal, QC, Canada, 2019; Available online: https://docplayer.net/28867426-Ebi-track-200-ti21-audio-frequency-track-circuit.html (accessed on 27 November 2023).
- Microchip. FPGA and SoC Product Families; Microchip Technology Inc.: Chandler, AZ, USA, 2019; pp. 3–5. Available online: http://ww1.microchip.com/downloads/en/DeviceDoc/00002871B.pdf (accessed on 27 November 2023).
- Transport RailCorp. TI21 Track Circuit Test and Investigation Guideline; Transport RailCorp: Sydney, NSW, Australia, 2016; pp. 13–14. Available online: https://www.transport.nsw.gov.au/industry/asset-standards-authority/find-a-standard/ti21-track-circuit-test-and-investigation (accessed on 27 November 2023).















| Frequency Name | Center Frequency (Hz) | Frequency Separation | Frequency (Hz) ±5% | Note |
|---|---|---|---|---|
| A | 1699 | Lower Freq.(FL) | 1682 | 1699 − 17 |
| Upper Freq.(FH) | 1716 | 1699 + 17 | ||
| B | 2296 | Lower Freq.(FL) | 2279 | 2296 − 17 |
| Upper Freq.(FH) | 2313 | 2296 + 17 | ||
| C | 1996 | Lower Freq.(FL) | 1979 | 1996 − 17 |
| Upper Freq.(FH) | 2013 | 1996 + 17 | ||
| D | 2593 | Lower Freq.(FL) | 2576 | 2593 − 17 |
| Upper Freq.(FH) | 2610 | 2593 + 17 | ||
| E | 1549 | Lower Freq.(FL) | 1532 | 1549 − 17 |
| Upper Freq.(FH) | 1566 | 1549 + 17 | ||
| F | 2146 | Lower Freq.(FL) | 2129 | 2146 − 17 |
| Upper Freq.(FH) | 2163 | 2146 + 17 | ||
| G | 1848 | Lower Freq.(FL) | 1831 | 1848 − 17 |
| Upper Freq.(FH) | 1865 | 1848 + 17 | ||
| H | 2445 | Lower Freq.(FL) | 2428 | 2445 − 17 |
| Upper Freq.(FH) | 2462 | 2445 + 17 |
| Item | Target Design Frequency (Hz) (±0.05%) | Test Result Frequency (Hz) | Accuracy (%) | Note |
|---|---|---|---|---|
| 0 | 1682 | 1682.0007 | 99.99995838 | A |
| 1 | 1716 | 1716.0009 | 99.99994755 | |
| 2 | 2279 | 2279.0043 | 99.99981132 | B |
| 3 | 2313 | 2313.0069 | 99.99970169 | |
| 4 | 1979 | 1979.0036 | 99.99981809 | C |
| 5 | 2013 | 2013.0009 | 99.99995529 | |
| 6 | 2576 | 2576.0030 | 99.99986025 | D |
| 7 | 2610 | 2610.0052 | 99.99980077 | |
| 8 | 1532 | 1532.0026 | 99.99983029 | E |
| 9 | 1566 | 1566.0047 | 99.99969987 | |
| A | 2129 | 2129.0021 | 99.99990136 | F |
| B | 2163 | 2163.0037 | 99.99982894 | |
| C | 1831 | 1831.0037 | 99.99979792 | G |
| D | 1865 | 1865.0038 | 99.99979625 | |
| E | 2328 | 2428.0057 | 99.99976904 | H |
| F | 2462 | 2462.0056 | 99.99977254 |
| Comparison With Existing Research and Products | Frequency Deviation | Accuracy | Note |
|---|---|---|---|
| A Study on the High Reliability Audio Target Frequency Generator | 0.001~0.006 Hz | 0.001% | This Research Paper |
| Design and Implementation of a FPGA-based Direct Digital Synthesizer | +5 Hz~−5 Hz | 0.30% | Reference [11] |
| Bombardier TI21 Track Circuit Test and Investigation Guideline | 1 Hz~2 Hz | 0.06~0.12% | Reference [21] |
Disclaimer/Publisher’s Note: The statements, opinions and data contained in all publications are solely those of the individual author(s) and contributor(s) and not of MDPI and/or the editor(s). MDPI and/or the editor(s) disclaim responsibility for any injury to people or property resulting from any ideas, methods, instructions or products referred to in the content. |
© 2023 by the authors. Licensee MDPI, Basel, Switzerland. This article is an open access article distributed under the terms and conditions of the Creative Commons Attribution (CC BY) license (https://creativecommons.org/licenses/by/4.0/).
Share and Cite
Park, C.; Han, E.; Kim, I.; Shin, D. A Study on the High Reliability Audio Target Frequency Generator for Electronics Industry. Electronics 2023, 12, 4918. https://doi.org/10.3390/electronics12244918
Park C, Han E, Kim I, Shin D. A Study on the High Reliability Audio Target Frequency Generator for Electronics Industry. Electronics. 2023; 12(24):4918. https://doi.org/10.3390/electronics12244918
Chicago/Turabian StylePark, Changsik, Euntack Han, Ikjae Kim, and Dongkyoo Shin. 2023. "A Study on the High Reliability Audio Target Frequency Generator for Electronics Industry" Electronics 12, no. 24: 4918. https://doi.org/10.3390/electronics12244918
APA StylePark, C., Han, E., Kim, I., & Shin, D. (2023). A Study on the High Reliability Audio Target Frequency Generator for Electronics Industry. Electronics, 12(24), 4918. https://doi.org/10.3390/electronics12244918

