Drift Resilient Frequency-Based Sensor Interface Architectures with Adaptive Clock Frequency
Abstract
1. Introduction
2. Derivation of an Adaptive Clock
3. Mismatch Suppression
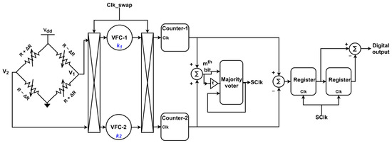
3.1. Architecture-1
Interfacing with a Wheatstone Bridge
3.2. Architecture-2
4. Results
4.1. Architecture-1
4.2. Architecture-2
5. Conclusions
Author Contributions
Funding
Data Availability Statement
Conflicts of Interest
References
- Sensor Market (By Type: Biosensors, Optical Sensor, RFID Sensors, Image Sensor, Temperature Sensor, Touch Sensor, Flow Sensors, Pressure Sensor, Level Sensor, Others; By Technology: CMOS, MEMS, NEMS, Others; By End User: Healthcare, IT/Telecom, Automotive, Industrial, Aerospace & Defense, Others)—Global Industry Analysis, Size, Share, Growth, Trends, Regional Outlook, and Forecast 2023–2032. Available online: https://www.precedenceresearch.com/sensor-market (accessed on 9 April 2023).
- Azcona, C.; Calvo, B.; Medrano, N.; Bayo, A.; Celma, S. 12-b Enhanced Input Range on-Chip Quasi-Digital Converter with Temperature Compensation. IEEE Trans. Circuits Syst. II Express Briefs 2011, 58, 164–168. [Google Scholar] [CrossRef]
- Hu, H.; Gupta, S. A 0.22-μW Single-Bit VCO-Based Time-Domain Sensor-to-Digital Front-End with Reduced Supply Sensitivity. IEEE Trans. Circuits Syst. Regul. Pap. 2022, 69, 148–159. [Google Scholar] [CrossRef]
- Jeon, H.; Kwon, I.; Je, M. Radiation-Hardened Sensor Interface Circuit for Monitoring Severe Accidents in Nuclear Power Plants. IEEE Trans. Nucl. Sci. 2020, 67, 1738–1745. [Google Scholar] [CrossRef]
- Gielen, G.G.E.; Hernandez, L.; Rombouts, P. Time-Encoding Analog-to-Digital Converters: Bridging the Analog Gap to Advanced Digital CMOS-Part 1: Basic Principles. IEEE Solid-State Circuits Mag. 2020, 12, 47–55. [Google Scholar] [CrossRef]
- Valero, M.R.; Celma, S.; Calvo, B.; Medrano, N. CMOS Voltage-to-Frequency Converter with Temperature Drift Compensation. IEEE Trans. Instrum. Meas. 2011, 60, 3232–3234. [Google Scholar] [CrossRef]
- Freeman, B.; Campola, M. Total Ionizing Dose Test of Analog Devices’ AD654 Voltage to Frequency Converter. 2017. Available online: https://ntrs.nasa.gov/api/citations/20205002048/downloads/Campola-TR-16-036-AD654-2017Feb13-TID.pdf (accessed on 8 April 2023).
- Murillo, C.A.; Lopez, B.C.; Pueyo, S.C. Analog Circuits and Signal Processing. In Voltage-to-Frequency Converters, 1st ed.; Springer: New York, NY, USA, 2013; ISBN 978-1-4614-6237-8. [Google Scholar]
- Machul, O.; Hammerschmidt, D.; Brockherde, W.; Hosticka, B.J.; Obermeier, E.; Krause, P. A Smart Pressure Transducer with On-Chip Readout, Calibration and Nonlinear Temperature Compensation Based on Spline-Functions. In Proceedings of the 1997 IEEE International Solids-State Circuits Conference, Digest of Technical Papers, San Francisco, CA, USA, 8 February 1997; pp. 198–199. [Google Scholar]
- Van Rethy, J.; Danneels, H.; Gielen, G. Scalable Bang–Bang Phase-Locked-Loop-Based Integrated Sensor Interfaces. Microelectron. J. 2014, 45, 1641–1647. [Google Scholar] [CrossRef]
- Danneels, H.; Piette, F.; De Smedt, V.; Dehaene, W.; Gielen, G. A Novel, PLL-Based Frequency-to-Digital Conversion Mechanism for Sensor Interfaces. Sens. Actuators Phys. 2011, 172, 220–227. [Google Scholar] [CrossRef]
- Van Rethy, J.; Danneels, H.; De Smedt, V.; Dehaene, W.; Gielen, G.E. Supply-Noise-Resilient Design of a BBPLL-Based Force-Balanced Wheatstone Bridge Interface in 130-nm CMOS. IEEE J. Solid-State Circuits 2013, 48, 2618–2627. [Google Scholar] [CrossRef]
- Marin, J.; Sacco, E.; Vergauwen, J.; Gielen, G. Modeling and Analysis of Drift-Cancellation Techniques for Time-Based Integrated Resistive Sensor Interfaces. IEEE Trans. Compon. Packag. Manuf. Technol. 2018, 8, 1203–1212. [Google Scholar] [CrossRef]
- Marin, J.; Rethy, J.V.; Vergauwen, J.; Gielen, G. Digital-Domain Chopping Technique for High-Resolution PLL-Based Sensor Interfaces. Sens. Actuators Phys. 2016, 249, 294–302. [Google Scholar] [CrossRef]
- Marin, J.; Sacco, E.; Vergauwen, J.; Gielen, G. A Single-Temperature-Calibration 0.18-μm CMOS Time-Based Resistive Sensor Interface with Low Drift over a −40 °C to 175 °C Temperature Range. In Proceedings of the ESSCIRC 2018-IEEE 44th European Solid State Circuits Conference (ESSCIRC), Dresden, Germany, 3 September 2018; pp. 330–333. [Google Scholar]
- Zenebe, M.B.; Alemu, G.; De Smedt, V.; Leroux, P. Frequency-Based Sensor Interface with Dynamic Offset Compensation. Electronics 2023, 12, 1524. [Google Scholar] [CrossRef]
- Nabavi, M.R.; Pertijs, M.A.P.; Nihtianov, S. An Interface for Eddy-Current Displacement Sensors With 15-Bit Resolution and 20 MHz Excitation. IEEE J. Solid-State Circuits 2013, 48, 2868–2881. [Google Scholar] [CrossRef]
- Xin, H.; Baltus, P.; Cantatore, E.; Harpe, P. A 0.32 nW–1.07 μW All-Dynamic Versatile Resistive Sensor Interface with System-Level Ratiometric Measurement. IEEE Trans. Circuits Syst. Regul. Pap. 2022, 69, 506–517. [Google Scholar] [CrossRef]
- Fick, L.; Fick, D.; Alioto, M.; Blaauw, D.; Sylvester, D. A 346 μm2 VCO-Based, Reference-Free, Self-Timed Sensor Interface for Cubic-Millimeter Sensor Nodes in 28 nm CMOS. IEEE J. Solid-State Circuits 2014, 49, 2462–2473. [Google Scholar] [CrossRef]
- De Smedt, V.; Gielen, G.; Dehaene, W. A Novel, Highly Linear, Voltage and Temperature Independent Sensor Interface Using Pulse Width Modulation. Procedia Eng. 2012, 47, 1215–1218. [Google Scholar] [CrossRef]
- De Smedt, V.; Gielen, G.; Dehaene, W. A 40nm-CMOS, 18 μW, Temperature and Supply Voltage Independent Sensor Interface for RFID Tags. In Proceedings of the 2013 IEEE Asian Solid-State Circuits Conference (A-SSCC), Singapore, 11–13 November 2013; pp. 113–116. [Google Scholar]
- Williams, J. Designs for High Performance Voltage to Frequency Converters. 1986. Available online: https://www.analog.com/media/en/technical-documentation/application-notes/an14f.pdf (accessed on 8 April 2023).
- Happe, M.; Hangmann, H.; Agne, A.; Plessl, C. Eight Ways to Put Your FPGA on Fire—A Systematic Study of Heat Generators. In Proceedings of the 2012 International Conference on Reconfigurable Computing and FPGAs, Cancun, Mexico, 5–7 December 2012; pp. 1–6. [Google Scholar]
- 7 Series FPGAs and Zynq-7000 SoC XADC Dual 12-Bit 1 MSPS Analog-to-Digital Converter. 2018. Available online: https://www.xilinx.com/content/dam/xilinx/support/documents/user_guides/ug480_7Series_XADC.pdf (accessed on 8 April 2023).
- Li, B.; Na, J.-P.; Wang, W.; Liu, J.; Yang, Q.; Mak, P.-I. A 13-Bit 8-KS/s Δ–Σ Readout IC Using ZCB Integrators with an Embedded Resistive Sensor Achieving 1.05-pJ/Conversion Step and a 65-DB PSRR. IEEE Trans. Very Large Scale Integr. VLSI Syst. 2019, 27, 843–853. [Google Scholar] [CrossRef]
- Oh, S.; Shi, Y.; Kim, G.; Kim, Y.; Kang, T.; Jeong, S.; Sylvester, D.; Blaauw, D. A 2.5nJ Duty-Cycled Bridge-to-Digital Converter Integrated in a 13mm3 Pressure-Sensing System. In Proceedings of the 2018 IEEE International Solid-State Circuits Conference-(ISSCC), San Francisco, CA, USA, 11–15 February 2018; pp. 328–330. [Google Scholar]
- Ghanad, M.A.; Green, M.M.; Dehollain, C. A 15 uW 5.5 KS/s Resistive Sensor Readout Circuit with 7.6 ENOB. IEEE Trans. Circuits Syst. Regul. Pap. 2014, 61, 3321–3329. [Google Scholar] [CrossRef]















| Voltage, Temperature (VT) Corner Number | N° of Heating Ring Oscillators | Chip Temperature (°C) | Internal Voltage (V) |
|---|---|---|---|
| 0 | 0 | 47.5 | 0.991 |
| 1 | 250 | 51 | 0.987 |
| 2 | 500 | 54.5 | 0.983 |
| 3 | 750 | 57.5 | 0.979 |
| 4 | 1000 | 61 | 0.974 |
| 5 | 1250 | 64.5 | 0.971 |
| 6 | 1500 | 67 | 0.967 |
| 7 | 1750 | 70.5 | 0.963 |
| Parameters | Values |
|---|---|
| m | 11 |
| fin (KHz) | 1 |
| Bandwidth (KHz) | 10 |
| VFC sensitivity (MHz/Vp-p) | 25 |
| VFC center frequency, fc (MHz) | 25 |
| Parameters | Values |
|---|---|
| m | 11 |
| Apk (mV) | 250 |
| Vc (mV) | 500 |
| fin (kHz) | 1 |
| Bandwidth (kHz) | 10 |
| (bits) | 14 |
| ADC resolution (bits) | 12 |
| fc (MHz) | 25 |
| (MHz) | 200 |
| (MHz) | 200 |
| [12] | [21] | [18] | [25] | [26] | [27] | This Work (Architecture-2) | |
|---|---|---|---|---|---|---|---|
| Topology | Closed-loop (PLL-based) | Open-loop differential | Open-loop single-ended | Open-loop differential | Open-loop differential | Open-loop single-ended | Open-loop differential |
| Technology | 130 nm CMOS | 40 nm CMOS | 65 nm CMOS | 180 nm CMOS | 180 nm CMOS | 180 nm CMOS | ZYBO implementation |
| Application | Resistive sensor | General purpose | Resistive sensor | Resistive sensor | Resistive sensor | Resistive sensor | General purpose |
| Technique | Force-balanced Wheatstone bridge | Time ratio | Digital output ratio | Voltage ratio | Resistance ratio | Time domain comparison with resistive DAC | Frequency ratio |
| Sampling frequency (kHz) | 20 | 2100 | 12.5 | 8 | 1 | 5.5 | 25.5 |
| Bandwidth (kHz) | 10 | 700 | 1 | 0.06 | - | 2.3 | 10 |
| ENOB | 8.9 | 7.6 | 7.3 | 13 | 7.9 | 7.6 | 8.6 |
| Supply sensitivity (%/V) | 2.33 | 1.42 | 3.6 | 0.23 | 6.8 | 0.65 | 0.2 |
Disclaimer/Publisher’s Note: The statements, opinions and data contained in all publications are solely those of the individual author(s) and contributor(s) and not of MDPI and/or the editor(s). MDPI and/or the editor(s) disclaim responsibility for any injury to people or property resulting from any ideas, methods, instructions or products referred to in the content. |
© 2023 by the authors. Licensee MDPI, Basel, Switzerland. This article is an open access article distributed under the terms and conditions of the Creative Commons Attribution (CC BY) license (https://creativecommons.org/licenses/by/4.0/).
Share and Cite
Zenebe, M.B.; Alemu, G.; De Smedt, V.; Leroux, P. Drift Resilient Frequency-Based Sensor Interface Architectures with Adaptive Clock Frequency. Electronics 2023, 12, 2775. https://doi.org/10.3390/electronics12132775
Zenebe MB, Alemu G, De Smedt V, Leroux P. Drift Resilient Frequency-Based Sensor Interface Architectures with Adaptive Clock Frequency. Electronics. 2023; 12(13):2775. https://doi.org/10.3390/electronics12132775
Chicago/Turabian StyleZenebe, Mikias Belhu, Getachew Alemu, Valentijn De Smedt, and Paul Leroux. 2023. "Drift Resilient Frequency-Based Sensor Interface Architectures with Adaptive Clock Frequency" Electronics 12, no. 13: 2775. https://doi.org/10.3390/electronics12132775
APA StyleZenebe, M. B., Alemu, G., De Smedt, V., & Leroux, P. (2023). Drift Resilient Frequency-Based Sensor Interface Architectures with Adaptive Clock Frequency. Electronics, 12(13), 2775. https://doi.org/10.3390/electronics12132775

