Analysis and Suppression of High-Frequency Resonance for Offshore Wind Power Grid-Connected Converter Considering Cable Capacitance Effect
Abstract
1. Introduction
- (1)
- A precise port impedance model of a wind power converter and grid impedance, considering the capacitance of the cable line, was built to reveal the mechanism of high-frequency resonance using the impedance analysis method.
- (2)
- The law of high-frequency resonance of wind farms to line length, number of wind turbines, and grid impedance were analyzed considering the capacitance of collecting line cables; then, a simplified formula is presented which can be used to calculate and evaluate the high-frequency resonance of wind farms.
- (3)
- We designed a hybrid control strategy combining ADC and PDC to suppress the wideband harmonic resonance of wind turbines.
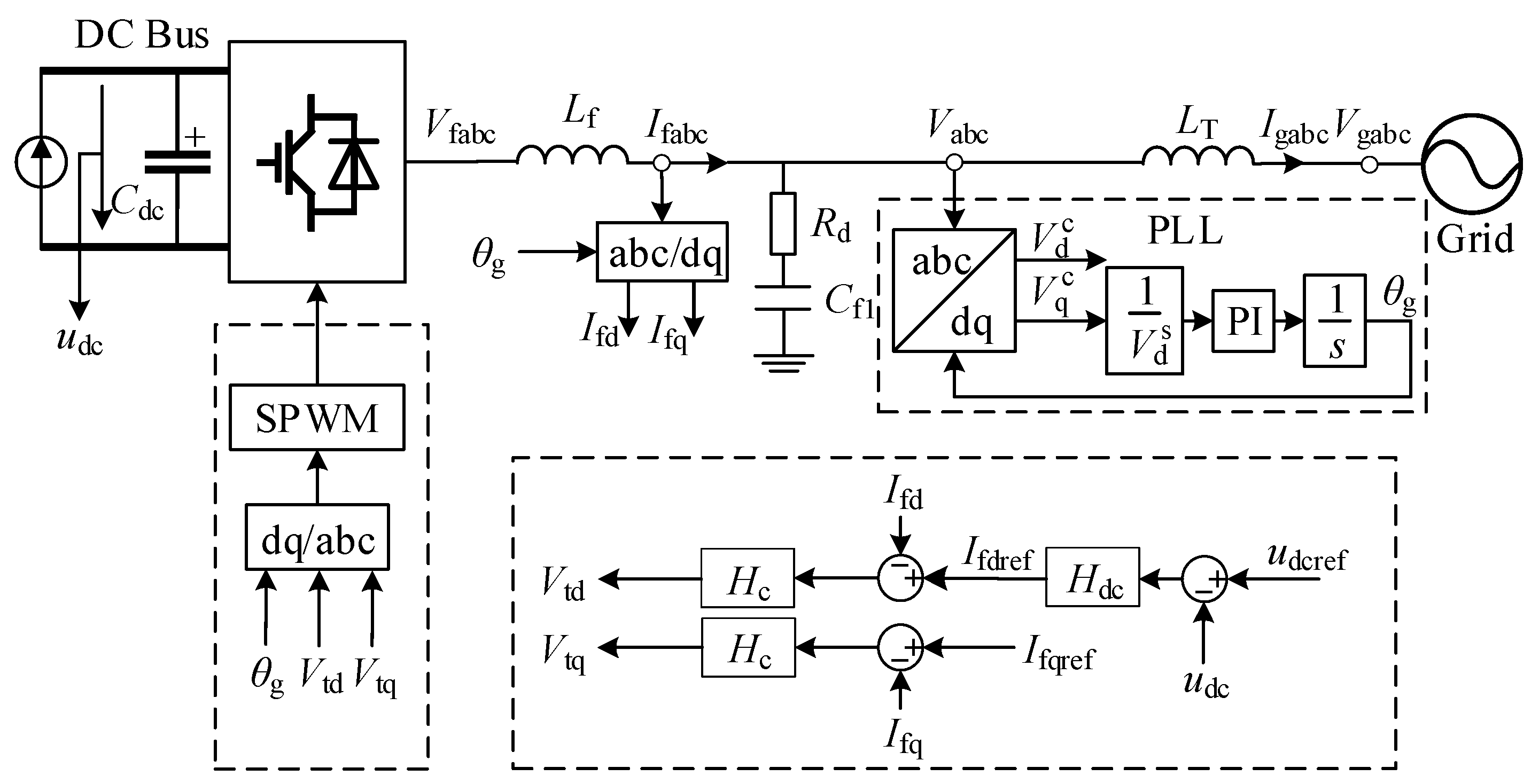
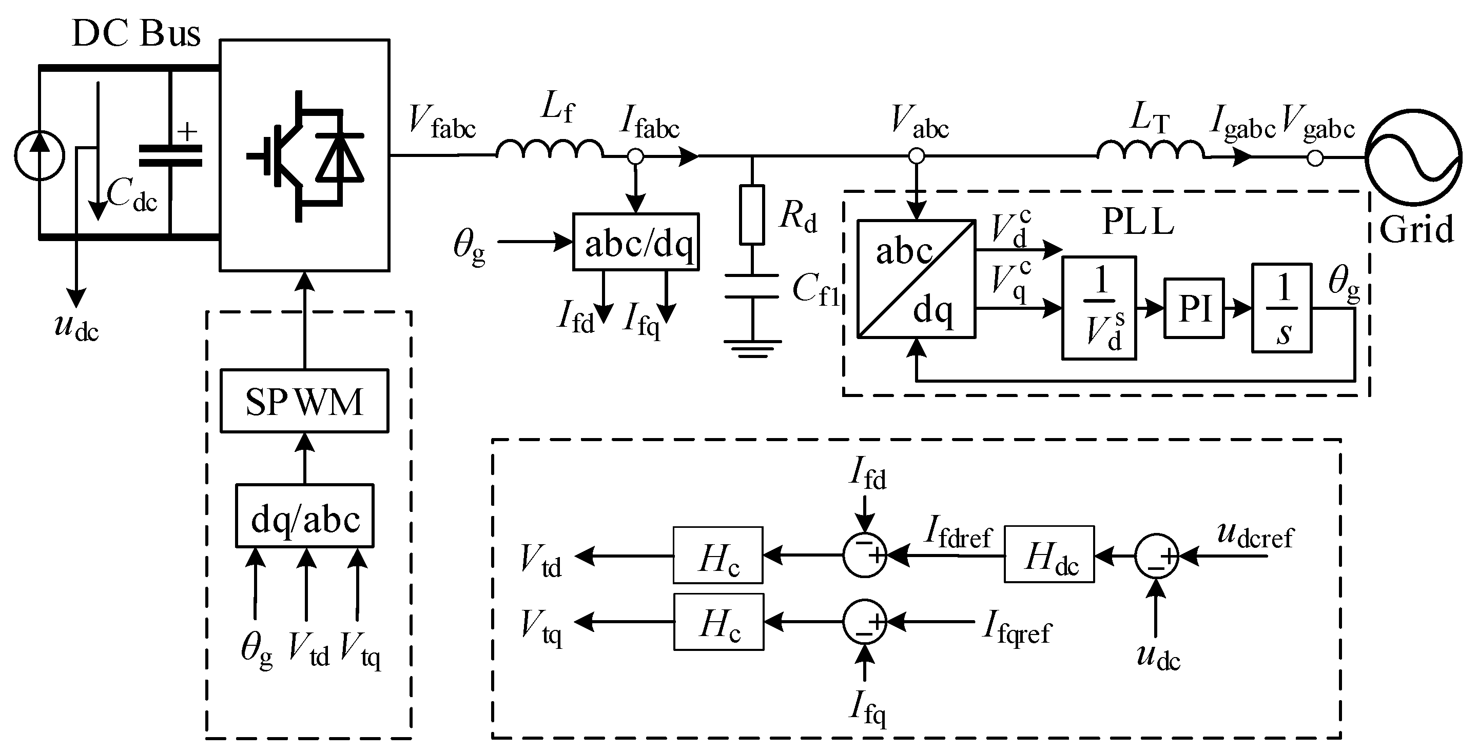
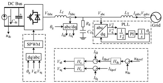
2. Impedance Model of Wind Farm Network Considering Cable Capacitance
2.1. Impedance Model of Single Wind Turbine
2.2. Impedance Model of Cable Line
2.3. Impedance Modeling of Wind Farm
2.3.1. Equivalent Impedance of Single Feeder
2.3.2. Equivalent Impedance of Multiple Feeders
3. Analysis of High-Frequency Resonance Mechanism of Wind Farm Collector Grid
3.1. Quantitative Analysis of High-Frequency Resonance
- (1)
- The current excitation source Iinv contains a certain harmonic current, or the voltage excitation source contains a certain harmonic voltage;
- (2)
- Transfer functions G1(s) and G2(s) have large amplification gain, that is, the denominator of the transfer function is infinitely close to zero at a certain frequency, and the corresponding frequency is the resonant frequency of the system.
- (1)
- The frequency band of high-frequency resonance is fnrs~fsw.
- (2)
- The resonant frequency decreases with the increase in the equivalent reactance of the power grid. Figure 9 shows that when the number of wind turbines is 20 and the cable length is 1 km, when the equivalent reactance of the power grid increases from 10 mH to 100 mH, the resonant frequency decreases from 5140 Hz to 4670 Hz.
- (3)
- The resonant frequency decreases with the increase in cable length. Figure 9 shows that when the number of wind turbines is 20 and the equivalent reactance of the power grid is 10 mH, when the cable length increases from 2 km to 20 km, the resonant frequency decreases from 3684 Hz to 1146 Hz.
- (4)
- The resonant frequency increases with the increase in the number of wind turbines connected. Figure 10 shows that when the cable length is 5 km and the equivalent reactance of the power grid is 10 mH, the number of wind turbines increases from 1 to 50, and the resonant frequency increases from 1728 Hz to 2918 Hz.
3.2. High-Frequency Resonance Analysis Based on Impedance Model
3.2.1. Variation Law of Resonant Frequency with Cable Length
- (1)
- The resonant peak frequency of the impedance of the residual equivalent wind field subsystem moves to the low-frequency band with the increase in cable length;
- (2)
- The impedance of the two interconnected systems have intersections, and the intersection frequencies are 2941 Hz, 2387 Hz, 2029 Hz, and 1639 Hz respectively. They move to the low-frequency band with the increase in cable line length, and the phase angle difference at the four intersection frequencies is 180°. According to the impedance stability theory, there is a risk of high-frequency resonance.
3.2.2. Variation Law of Resonant Frequency with the Number of Connected Wind Turbines
- (1)
- Compared with Figure 12, the resonant peak frequency of the remaining equivalent wind farm subsystem impedance moves to the low-frequency band with the increase in the number of wind turbine links connected to the 35 kV convergence bus;
- (2)
- The resonant peak frequency of the residual equivalent wind farm subsystem impedance moves to the high-frequency band with the increase in the number of wind turbines incorporated into the wind turbine;
- (3)
- The impedance of the two interconnected systems has intersections, and the intersection frequencies are 1234 Hz, 1585 Hz, and 1813 Hz, respectively. They move to the high-frequency band with the increase in the number of wind turbine units, and the phase angle difference in the four intersection frequencies is 180°. According to the impedance stability theory, there is a risk of high-frequency resonance.
3.2.3. Variation Law of Resonant Frequency with Equivalent Impedance of Power Grid
- (1)
- The resonant frequency of the interconnected system moves to the low-frequency band with the increase in power grid impedance;
- (2)
- There are intersections in the impedance of the interconnected system. The intersection frequencies are 1817 Hz, 1807 Hz, 1734 Hz, and 1609 Hz, respectively, they move to the low-frequency band with the increase in grid impedance, and the phase angle differences in the four intersection frequencies are all 180°. According to the impedance stability theory, there is a risk of high-frequency resonance.
4. High-Frequency Resonance Suppression Method for Wind Power GCC
4.1. Active Damping Control (ADC) Method
4.2. Passive Damping Control (PDC) Method
5. Experimental Verification
5.1. High-Frequency Resonance Control Methods Verification
5.1.1. ADC Experiment
5.1.2. PDC Experiment
6. Conclusions
- There is a risk of high-frequency resonance in the wind farm, but two conditions need to be met: one is that the impedance curve of the interconnected system has an intersection, that is, there is a potential resonance frequency; second, there is a sufficient level of harmonic voltage or harmonic current at the corresponding resonant frequency.
- With the increase in the length of the connecting cables between the WTGs and the number of wind turbine links connected to the AC convergence bus, the resonance point of the interconnected system moves to the low-frequency band; with the increase in the number of wind turbines, the resonance point of the interconnected system moves to the high-frequency band. In addition, with the increase in equivalent impedance of the 220 kV power grid, the resonance point of the interconnected system moves to the low-frequency band.
- For the high-frequency resonance problem of the AC network of the wind farm collector line, most of the time, the range of the high-frequency resonant frequency for the wind turbine ranges from the LCL resonance frequency to the switching frequency. The hybrid damping control method combining ADC and PDC can effectively solve the broadband resonance problem caused by the capacitance of the cable line.
Author Contributions
Funding
Data Availability Statement
Acknowledgments
Conflicts of Interest
References
- Shuai, Z.; Liu, D.; Shen, J.; Tu, C.; Luo, A. Series and parallel resonance problem of wideband frequency harmonic and its elimination strategy. IEEE Trans. Power Electron. 2014, 29, 1941–1952. [Google Scholar] [CrossRef]
- He, J.; Li, Y.; Wang, R.; Zhang, C. Analysis and mitigation of resonance propagation in grid-connected and islanding microgrids. IEEE Trans. Energy Convers. 2015, 30, 70–81. [Google Scholar] [CrossRef]
- Song, Y.; Ebrahimzadeh, E.; Blaabjerg, F. Analysis of high-frequency resonance in DFIG-based offshore wind farm via long transmission cable. IEEE Trans. Energy Convers. 2018, 33, 1036–1046. [Google Scholar] [CrossRef]
- Zhang, S.; Jiang, S.; Lu, X.; Ge, B.; Peng, F. Resonance issues and damping techniques for grid-connected inverters with long transmission cable. IEEE Trans. Power Electron. 2014, 29, 110–120. [Google Scholar] [CrossRef]
- Sowa, I.; Domínguez-García, J.; Gomis-Bellmunt, O. Impedance-based analysis of harmonic resonances in HVDC connected offshore wind power plants. Electr. Power Syst. Res. 2019, 166, 61–72. [Google Scholar] [CrossRef]
- Cheah-Mane, M.; Liang, J.; Jenkins, N.; Sainz, L. Electrical resonance instability study in HVDC-connected Offshore Wind Power Plants. In Proceedings of the 2016 IEEE Power and Energy Society General Meeting (PESGM), Boston, MA, USA, 17–21 July 2016. [Google Scholar]
- Chen, Z.; Huang, X.; Luo, A.; Yang, J.; Yang, L. Wideband harmonic resonance characteristics and coordinated damping method for distributed generation power plants. IEEE Trans. Ind. Electron. 2019, 66, 7753–7764. [Google Scholar] [CrossRef]
- Chen, Z.; Luo, A.; Kuang, H.; Zhou, L.; Chen, Y.; Huang, Y. Harmonic resonance characteristics of large-scale distributed power plant in wide-band frequency domain. Electr. Power Syst. Res. 2017, 143, 53–65. [Google Scholar] [CrossRef]
- Xin, Y.; Tang, W.; Luan, L.; Chen, G.; Wu, H. Overvoltage protection on high-frequency switching transients in large offshore wind farms. In Proceedings of the 2016 IEEE Power and Energy Society General Meeting (PESGM), Boston, MA, USA, 17–21 July 2016. [Google Scholar]
- Sainz, L.; Monjo, L.; Pedra, J.; Cheah-Mane, M.; Liang, J. Effect of wind turbine converter control on wind power plant harmonic response and resonances. IET Electr. Power Appl. 2017, 11, 157–168. [Google Scholar] [CrossRef]
- Kunjumuhammed, L.; Pal, B.; Oates, C.; Dyke, K. The Adequacy of the present practice in dynamic aggregated modeling of wind farm systems. IEEE Trans. Sustain. Energy 2017, 8, 23–32. [Google Scholar] [CrossRef]
- Lyu, J.; Cai, X.; Molinas, M. Frequency domain stability analysis of MMC-based HVDC for wind farm integration. IEEE J. Emerg. Sel. Top. Power Electron. 2016, 4, 141–151. [Google Scholar] [CrossRef]
- Zhang, Y.; Klabunde, C.; Wolter, M. Frequency-coupled impedance modeling and resonance analysis of DFIG-based offshore wind farm with HVDC connection. IEEE Access 2020, 8, 147880–147894. [Google Scholar] [CrossRef]
- Xu, W.; Huang, Z.; Cui, Y.; Wang, H. Harmonic resonance mode analysis. IEEE Trans. Power Deliv. 2005, 20, 1182–1190. [Google Scholar] [CrossRef]
- Du, W.; Dong, W.; Wang, H.; Cao, J. Dynamic Aggregation of same wind turbine generators in parallel connection for studying oscillation stability of a wind farm. IEEE Trans. Power Syst. 2019, 34, 4694–4705. [Google Scholar] [CrossRef]
- Li, Z.; Hu, H.; Tang, L.; Wang, Y.; He, Z. Quantitative severity assessment and sensitivity analysis under uncertainty for harmonic resonance amplification in power systems. IEEE Trans. Power Deliv. 2020, 35, 809–818. [Google Scholar] [CrossRef]
- Hong, L.; Shu, W.; Wang, J.; Mian, R. Harmonic resonance investigation of a multi-inverter grid-connected system using resonance modal analysis. IEEE Trans. Power Deliv. 2019, 34, 63–72. [Google Scholar] [CrossRef]
- Qin, Y.; Wang, H.; Li, Y.; Cai, X.; Shi, X.; Dai, L. Research on Wideband Harmonic Resonance of Collector System in Offshore Wind Farm. In Proceedings of the Energy Conversion Congress and Exposition-Asia (ECCE), Singapore, 24–27 May 2021. [Google Scholar]
- Song, Y.; Ebrahimzadeh, E.; Blaabjerg, F. Sensitivity analysis of the wind farm high frequency resonance under transmission cable resistance variation. In Proceedings of the IEEE Applied Power Electronics Conference and Exposition (APEC), San Antonio, TX, USA, 4–8 March 2018. [Google Scholar]
- Zhang, Y.; Christian Klabunde, C.; Wolter, M. Harmonic Filtering in DFIG-based Offshore Wind Farm through Resonance Damping. In Proceedings of the 2019 IEEE PES Innovative Smart Grid Technologies Europe (ISGT-Europe), Bucharest, Romania, 29 September–2 October 2019. [Google Scholar]
- Zhang, Y.; Klabunde, C.; Wolter, M. Harmonic Resonance Analysis for DFIG-based Offshore Wind Farm with VSC-HVDC Connection. In Proceedings of the 2019 IEEE Milan PowerTech, Milan, Italy, 23–27 June 2019. [Google Scholar]
- Zha, L.; He, P.; Hu, Z.; Li, S. Research on Harmonic Resonance and Suppression Measures of Offshore Wind Farm. In Proceedings of the 2022 5th International Conference on Power and Energy Applications (ICPEA), Guangzhou, China, 18–20 November 2022. [Google Scholar]
- Xue, T.; Lyu, J.; Li, Y.; Wang, H.; Cai, X. A comprehensive study on impedance models of grid-tied voltage-source converters. In Proceedings of the 46th Annual Conference of the IEEE Industrial Electronics Society (IECON), Singapore, 18–21 October 2020. [Google Scholar]
- Xue, T.; Lyu, J.; Wang, H.; Cai, X. A Complete Impedance Model of a PMSG-Based Wind Energy Conversion System and Its Effect on the Stability Analysis of MMC-HVDC Connected Offshore Wind Farms. IEEE Trans. Energy Convers. 2021, 36, 3449–3461. [Google Scholar] [CrossRef]
- Zhang, C.; Cai, X.; Molinas, M.; Rygg, A. On the impedance modeling and equivalence of AC/DC-side stability analysis of a grid-tied type-IV wind turbine system. IEEE Trans. Energy Convers. 2019, 34, 1000–1009. [Google Scholar] [CrossRef]
- Rygg, A.; Molinas, M.; Zhang, C.; Cai, X. A modified sequence-domain impedance definition and its equivalence to the dq-domain impedance definition for the stability analysis of AC power electronic systems. IEEE J. Emerg. Sel. Top. Power Electron. 2016, 4, 1383–1396. [Google Scholar] [CrossRef]



























| Parameters | Simples | Values | Units |
|---|---|---|---|
| Rated power | P | 4.5 | MW |
| Grid voltage (L-L) | U | 0.69 | kV |
| Rated DC bus voltage | Udc | 1.2 | kV |
| DC capacitance | Cdc | 10 | mF |
| LC Filter inductance | Lf | 35 | uH |
| LC Filter capacitance | Cf | 1.602 | mF |
| Damping resistance | Rd | 0.0306 | Ω |
| Equivalent inductance of 35 kV transformer | LT | 20 | uH |
| Equivalent inductance of 220 kV transformer | LZT | 0.2016 | H |
| Switching frequency | fsw | 2500 | Hz |
| System delay | Td | 150 | μs |
| Parameters | Simples | Values | Units |
|---|---|---|---|
| 35 kV unit cable line resistance | R0 | 0.3421 | Ω |
| 35 kV unit cable line inductance | L0 | 0.499 | mH |
| 35 kV unit cable line capacitance | C0 | 0.3305 | uF |
| 220 kV unit cable line resistance | Rp | 0.0467 | Ω |
| 220 kV unit cable line inductance | Lp | 0.461 | mH |
| 220 kV unit cable line capacitance | Cp | 0.315 | uF |
| Types | Resonance Frequency under Different Cable Lengths [Hz] | |||
|---|---|---|---|---|
| 6 km | 4 km | 3 km | 2 km | |
| Mechanism model | 1621.5 | 2029.1 | 2368.1 | 2931.1 |
| Impedance model | 1641 | 2034 | 2391 | 2946 |
| Error | −1.19% | −0.24% | −0.96% | −0.51% |
Disclaimer/Publisher’s Note: The statements, opinions and data contained in all publications are solely those of the individual author(s) and contributor(s) and not of MDPI and/or the editor(s). MDPI and/or the editor(s) disclaim responsibility for any injury to people or property resulting from any ideas, methods, instructions or products referred to in the content. |
© 2023 by the authors. Licensee MDPI, Basel, Switzerland. This article is an open access article distributed under the terms and conditions of the Creative Commons Attribution (CC BY) license (https://creativecommons.org/licenses/by/4.0/).
Share and Cite
Dai, L.; Wang, H.; Qin, Y.; Shi, G.; Zhang, J.; Cai, X. Analysis and Suppression of High-Frequency Resonance for Offshore Wind Power Grid-Connected Converter Considering Cable Capacitance Effect. Electronics 2023, 12, 2638. https://doi.org/10.3390/electronics12122638
Dai L, Wang H, Qin Y, Shi G, Zhang J, Cai X. Analysis and Suppression of High-Frequency Resonance for Offshore Wind Power Grid-Connected Converter Considering Cable Capacitance Effect. Electronics. 2023; 12(12):2638. https://doi.org/10.3390/electronics12122638
Chicago/Turabian StyleDai, Linwang, Han Wang, Yao Qin, Gang Shi, Jianwen Zhang, and Xu Cai. 2023. "Analysis and Suppression of High-Frequency Resonance for Offshore Wind Power Grid-Connected Converter Considering Cable Capacitance Effect" Electronics 12, no. 12: 2638. https://doi.org/10.3390/electronics12122638
APA StyleDai, L., Wang, H., Qin, Y., Shi, G., Zhang, J., & Cai, X. (2023). Analysis and Suppression of High-Frequency Resonance for Offshore Wind Power Grid-Connected Converter Considering Cable Capacitance Effect. Electronics, 12(12), 2638. https://doi.org/10.3390/electronics12122638

