Next Article in Journal
Versatile Electronics for Microwave Holographic RADAR Based on Software Defined Radio Technology
Previous Article in Journal
A High Dynamic Weak Spread Spectrum Signal Acquisition Strategy Based on Iterative Local Search
 
 
Font Type:
Arial Georgia Verdana
Font Size:
Aa Aa Aa
Line Spacing:
Column Width:
Background:
Article

Gain Enhancement of a Dual-Band Antenna with the FSS

1
School of Electronics and Information Engineering, Sichuan University, Chengdu 610064, China
2
The Second Research Institute of Civil Aviation Administration of China, Chengdu 611435, China
*
Author to whom correspondence should be addressed.
Electronics 2022, 11(18), 2882; https://doi.org/10.3390/electronics11182882
Submission received: 31 July 2022 / Revised: 31 August 2022 / Accepted: 5 September 2022 / Published: 12 September 2022
(This article belongs to the Section Microwave and Wireless Communications)

Abstract

:
A dual-band directional antenna for Industrial, Scientific, and Medical (ISM) band application is proposed in this article. The antenna consists of two layers of substrates. The first layer contains the square loop loading with a meander stub to realize the dual band. The second layer is a frequency selective surface (FSS) structure, which is a periodic array with square loops. The phase shift from the FSS reflection and the distance between two layers are optimized to realize the field superposition, which could achieve gain enhancement and bandwidth improvement at two operating bands, simultaneously. The measured results indicate that within a 2.3–2.62 GHz range and a 4.9–6.45 GHz range, the |S11| of the antenna is less than −10 dB. The −10 dB impedance bandwidth is 13% and 27%, respectively. The gain of the antenna is 6.8 dB at 2.45 GHz and 9.0 dB at 5.8 GHz. Meanwhile, the antenna gain is over 8.5 dB from 5.0 GHz to 6.0 GHz. The working band of the antenna covers all bands of WLAN. The design has a good application prospect in the future.

1. Introduction

Wireless communication systems have developed rapidly in the past few decades, meaning more is required from antennas, such as wideband and multi-band features, high gain, and easy fabrication. Microstrip patch antennas show outstanding advantages for mobile communication devices due to their low profile, easy fabrication, small size, and easy integration with other circuits [1]. Nevertheless, normal microstrip antennas still have many shortcomings which include their narrow- and single-band features, low-radiation efficiency, and so on. In order to improve the performance of a microstrip antenna, many methods have been proposed for various purposes. The use of multi-stubs on a monopole antenna was widely studied in [2,3,4,5]. This method easily achieves multi-band performance since it has stubs with different lengths corresponding to various resonant frequencies. However, it is unable to realize a high gain since it is based on a monopole structure. What is more, its radiation pattern could deteriorate, especially in a high frequency band. Multi-mode antennas are a good way to realize dual-band operation as well. In [6], a dual-band folded-end dipole antenna working at an S- and C-band was proposed. The antenna worked in the 6th and 12th mode at 2.5 GHz and 4.7 GHz, respectively. It had a concise structure and a good radiation performance. The use of frequency reconfigurable antennas is another method used to achieve dual-band or multi-band performance [7,8,9]. However, their complex structures which introduce the DC feed circuit and active components limit their application. The DC feed circuit could cause pattern distortion as well.
In recent years, metamaterial structures have been widely studied because of their excellent improvements of antennas [10,11,12,13,14,15,16,17,18,19]. In [10], the authors proposed a printed Yagi antenna loaded with metamaterial-embedded square spiral rings (SSRs) in an array formation to achieve a multi-band and a high gain. The first resonance of the antenna was produced by the Yagi dipole elements, and the other resonances were produced by the parasitic SSR. Thus, by optimizing the dimensions of the parasitic SSR, the antenna working band could be controlled. In [11], an artificial magnetic conductor (AMC) was placed directly below two orthogonally placed dipoles. Due to the zero-reflection performance of an AMC, the antenna had a low profile with an enhanced gain. Meanwhile, frequency selective surfaces (FSSs) have been used as reflectors to improve the antenna radiation performance. Another article introduced in [12] suggested a comprehensive review focusing on gain enhancement techniques using an FSS as a reflector for UWB antenna applications. According to [11], the main methods of gain enhancement for UWB antennas using FSS reflectors in recent years are classified into two groups: FSS single-layer reflectors and FSS multi-layer reflectors. For FSS single-layer reflectors, some work adopts an FSS unit array on one side of the sheet of substrates as a reflector, though more FSSs are designed based on metallic reflectors to enhance gain, and several pioneering FSS single-layer reflectors are proposed to improve the gain of UWB planner antennas based on the magnitude of their phase reflections. In [13], a wideband microstrip array antenna with an FSS reflector was proposed. The designed FSS had a wide stopband transmission coefficient from 3.3 to 5.6 GHz, which made the antenna obtain a wide bandwidth and a stable high gain. The proposed antenna obtained a high gain of 12.4 dB, and the radiation efficiency was 77.5% (3.3–5.6 GHz). The bandwidth reached 51.12%, which meant the antenna had a better radiation performance than many relative works. Dual-band FSS reflectors are also a research hotspot; in [14], a stopband FSS operating at 750 MHz and 3.5 GHz for a 5 G application was proposed. The FSS unit cell was a bow tie, which was designed by an iteration and fractal technique. A dual-band FSS reflector working at 2.45 GHz and 5.8 GHz, whose unit cell is two square loops, was placed behind a dual-band antenna to enhance the gain and improve the radiation pattern in [15]. In [16], the authors enhanced the performance of a dual-band monopole antenna operating at 3.0 and 5.5 GHz by using an FSS-based corner reflector. The reflector significantly increased the impedance bandwidth from 20% to 44% and directivity to 5.5 GHz while maintaining omnidirectional radiation at 3 GHz.
In this article, a dual-band antenna operates at the ISM band with an FSS loaded as a band-stop reflector at 5.8 GHz and a Partial Reflection Surface (PRS) at 2.45 GHz, through adjusting the reflection phase shifting from the FSS to achieve the field superposition and the gain enhancement. The antenna gain is significantly improved, as is its bandwidth and front–back ratio. Its gain is enhanced from 2.2 dB to 6.8 dB at 2.45 GHz and from 4.4 dB to 9.0 dB at 5.8 GHz. In addition, the enhancement is achieved with a low-profile structure which is 0.13 λ0 at 2.45 GHz. The antenna structure in this study is presented after the Introduction in Section 1. The design of the antenna and the FSS is described in detail in Section 2. In Section 3, some key parameters that were studied are presented, and a prototype of the antenna is manufactured and measured. The measurement results are presented and analyzed. Finally, the conclusion is given in Section 4.
The main contributions of this article are listed as follows:
  • A method to achieve the maximum field superposition in two ISM bands simultaneously which is based on the FSS reflection phase shift and adjusting the “air-gap” (the gap between antenna and FSS) length is proposed and validated.
  • Some key parameters in gain enhancement such as the “air-gap” length and the FSS unit amount are investigated to establish their effects on antenna radiation performance.
  • A dual-band antenna is proposed and measured, obtaining a wide bandwidth and high gain with a low profile.

2. Antenna and FSS Design

The configuration of the proposed antenna is shown in Figure 1. Two layers of substrate are parallel to each other and are fixed together with nylon screws. The substrate of the first layer is F4B with a dielectric constant of 2.65, a loss tangent of 0.0015, and a thickness of 1 mm. Figure 1b shows the top view of the original antenna which consists of a square loop loaded with a meander stub. The ground of the antenna with a rectangular opening is shown in Figure 1c. The substrate of the second layer is FR4 with a dielectric constant of 4.3, a loss tangent of 0.02, and a thickness of 1 mm. Figure 1d shows the second layer of the structure, which is a frequency selective surface (FSS) whose fundamental element is a square loop. The distance between the two layers is 13 mm, which is approximately a quarter-wavelength at 5.8 GHz. In Figure 1, the yellow parts mean a copper cladding and the green and blue parts represent the FR4 and the F4B substrates, respectively. The four gray circles are the nylon screws.
A dual-band prototype patch antenna is designed to be printed on the first substrate. The main radiating part of the antenna at 2.45 GHz is the square on the first layer. The length of the square is calculated preliminarily by
L = c 4 f ε r ,
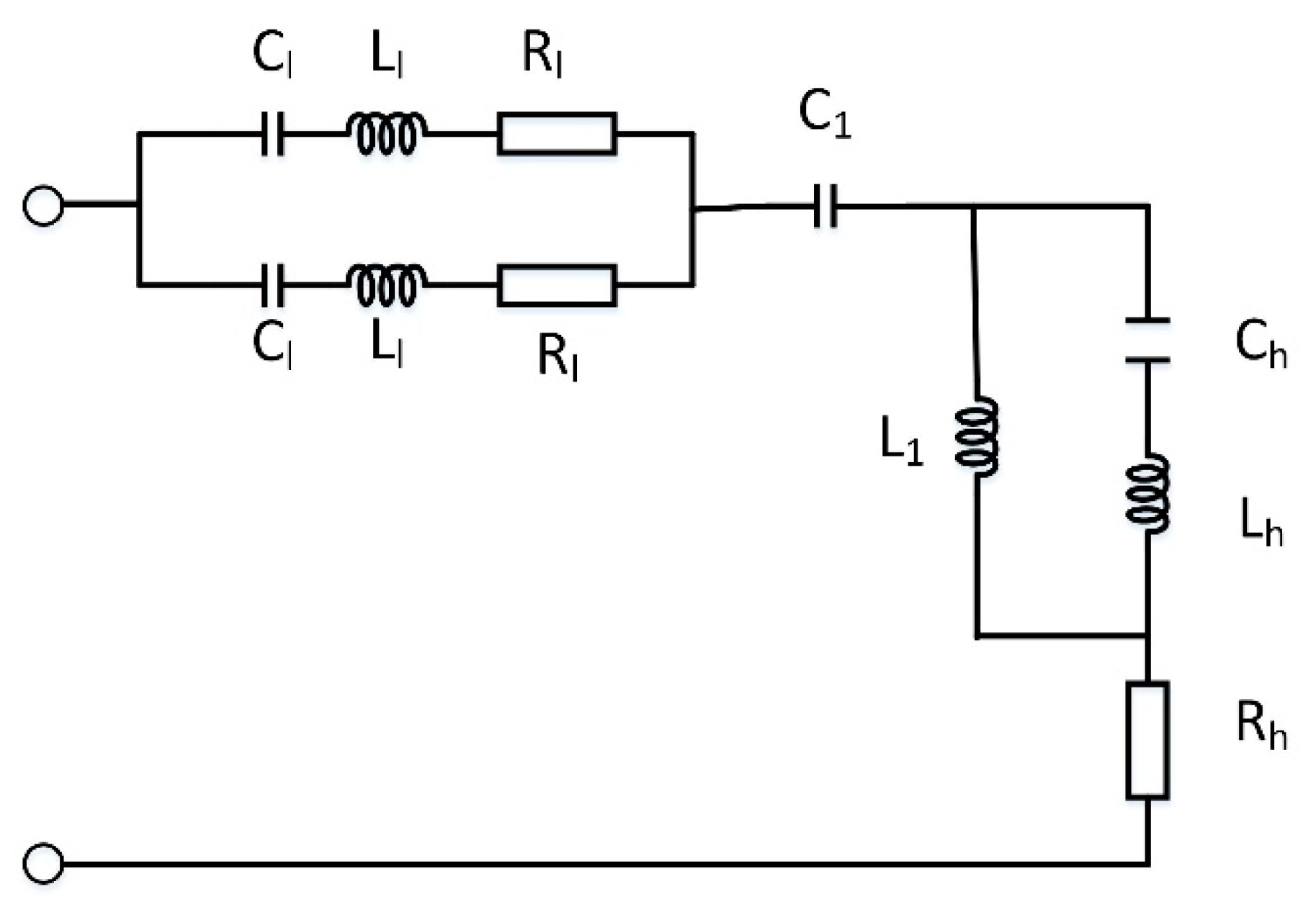
where L, c, f, and ε r are the length of the square, the light speed in vacuum, the operating frequency, and the equivalent dielectric constant of substrate, respectively. Figure 2 is an equivalent circuit model (ECM) of the proposed dual-band prototype antenna. It indicates that the resonance at 2.45 GHz is produced by a “Cl, Ll, Rl” series resonant circuit and the resonance at 5.8 GHz is produced by a “Ch, Lh, Rh” series resonant circuit. Meanwhile, C1 and L1 are the equivalent parasitic parameters.
The equivalent circuit was designed utilizing the Advanced Design System software (ADS). The input impedance of the proposed antenna and the equations to calculate the equivalent circuit variables are presented as follows [20,21]:
Z i n = R + j X ,
j X = 1 2 C 1 ( 1 ω 2 C l L l ) + C l j ω C l C 1 + ( 1 ω 2 C h L h ) j ω L 2 1 ω 2 C 2 ( L h + L 2 ) ,
C l = 1 ω z 1 2 L l   ,
C h = 1 ω z 2 2 L h   ,
C l = 1 2 ( 1 ω z 1 2 1 ω 2 ) C 1 ω z 1 2 ( ω p 2 2 ω z 1 2 ) ( ω p 2 2 ω z 1 2 ) L 1 C 1 ω P 2 2 ω z 1 2 ω z 2 2   ,
C H = ( 1 ω 2 ω z 2 2 ) 1 L 1 ω p 2 2   ,
C 1 = ( ω p 2 2 ω z 1 2 ) ( ω p 2 2 ω z 2 2 ) L 1 ω p 2 2 ω z 1 2 ω z 2 2   .
ω z 1 , ω z 2 , and ω p 2 ,respectively, represent two zeros and the second pole of Equation (3), and the value of ω p 1 was taken to be zero. When the antenna is working at the resonance frequencies, the imaginary part of input impedance is zero, which means that the ω z 1 and ω z 2 correspond to 2.45 GHz and 5.8 GHz, respectively. In Equation (2), R represents the radiation resistance. These variables could be calculated using Equations (3)–(8). The lumped RLC values recorded in Table 1 were estimated using the equations mentioned above.
The current distribution at 2.45 GHz is shown in Figure 3a. The current at 2.45 GHz is mainly distributed on the square. However, the bottom side of the square is parallel and close to ground. It could be regarded as a transmission line without radiation. Thus, two sides of the square which are vertical to ground are equivalent to two monopoles. They are in parallel, as shown in Figure 2. The main radiating part of the antenna at 5.8 GHz is the meander line stub on the U-shaped frame and its length also could be calculated by Equation (1).
The meander line stub is adopted since it reduces the size as well as the coupling to the surrounding U-shaped frame. Figure 3b shows the distribution of the current at 5.8 GHz; introducing the stub on the square makes a strong concentration of the current on the stub and a weak concentration of the current on the square, and it indicates that the main radiation part at 5.8 GHz is the meander line stub which is equivalent to a monopole, as shown in Figure 2. A 50Ω microstrip line is used to feed the antenna from the middle of the bottom side.
The bottom substrate is a frequency selective surface (FSS), which is a spatial resonant structure. It has different responses to electromagnetic waves at different frequencies. In this article, a square-loop-based FSS has been designed, which is a band-stop spatial filter as a reflector at 5.8 GHz and as a Partial Reflection Surface (PRS) at 2.45 GHz. The element of the FSS is shown in Figure 4a; it is analyzed as a parallel LC resonant circuit which is equal to an open circuit at the resonant frequency. The equivalent circuit schematic is given in Figure 4b.
At the resonant frequency, the phase shift of the reflection of the FSS is about 180°, which is similar to a normal metal reflector. Thus, to achieve the field superposition, the distance between the FSS and the prototype antenna is equal to λ g /4, where λ g is the wavelength. However, for a dual-band antenna, it is hard to realize the field superposition by this method, since the distance between the FSS and the antenna is related to the wavelength. Compared to the normal metal reflector, which has a 180° phase shift for all frequencies, the phase shift of the FSS reflection at the non-resonant frequency varies. Therefore, utilizing the FSS at the non-resonant frequency is a good way to realize the field superposition for a dual-band antenna. At the non-resonant frequencies, some parts of the incident wave transmitted the FSS and the other parts were reflected by the FSS—the FSS is used as a PRS in this case. For the purpose of gain enhancement, the reflected wave is not expected because the radiation should be mainly towards a single direction. The reflected wave could be eliminated with the original antenna radiation wave if they have a 180° phase difference.
A schematic of the entire structure is shown in Figure 5. Not all the reflected waves are eliminated since the incident angles are different. The remaining reflected waves will be reflected and then reflected again between the antenna ground and the FSS. According to the analysis mentioned above, two conditions are required to realize field superposition at 2.45 GHz:
2 π 2 h λ + φ r = ( 2 n + 1 ) π   ,
π + 2 π 2 h λ + φ r = 2 n π     ( n = 0 , 1 , 2 ) ,
where h is the distance between the FSS and the antenna, φr is the reflection phase shift, and λ is the wavelength. Equation (9) is the condition that the reflected wave and the incident wave can be eliminated with each other. Equation (10) is the condition that the final transmitted wave will get the same phase after being reflected between the two substrates many times [22]. The two formulas are equivalent to each other.
In this design, the band-stop FSS is a reflector at 5.8 GHz. Thus, h is about 0.25 λH and 0.1 λL, and the value of h is 12.9 mm, where λH and λL are the wavelengths at 5.8 GHz and 2.45 GHz, respectively. Thus, the designed reflection phase shift φr could be calculated at approximately 0.6π.

3. Simulated and Measured Results

The FSS unit is designed and finally optimized by the full wave electromagnetic simulation software. The simulated transmission coefficient (|S21|) and the reflection phase shift of the FSS for the normal incidence plane waves are shown in Figure 6. The transmission coefficient is less than −35 dB at 5.8 GHz, which means almost all waves are reflected by the FSS at 5.8 GHz. The transmission coefficient is −3.2 dB at 2.45 GHz, which means that about half the power of the incident waves is reflected. The reflection phase shift is 135° at 2.45 GHz, which is close to the required value in theory.
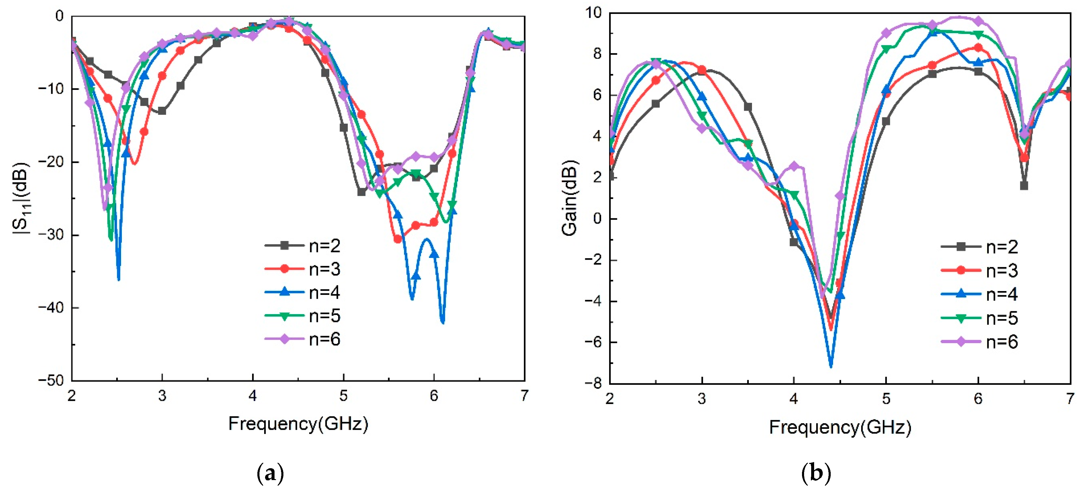
The analysis and simulation of the FSS above are based on an ideal assumption that the FSS is an infinitely large surface. However, the size of antennas is always limited in real antenna design engineering. The effects of the FSS unit cell number on the antenna radiation performance are given in Figure 7a,b, showing |S11| and the gain of the antenna with “2 × 2”, “3 × 3”, “4 × 4”,”5 × 5”, and”6 × 6” FSS unit cell arrays, respectively, when h is 13 mm. The number of FSS unit array dimensions is n, as shown in Figure 7a. When n is increasing, the first resonance frequency is moving to a lower frequency, and the second resonance at the 5.8 GHz band is barely influenced. When n > 4, the first resonance frequency is stable at about 2.45 GHz, and the antenna’s bandwidth becomes independent of the FSS size, which illustrates that the FSS is large enough to meet the condition in Section 2. In Figure 7b, it is clear that with the increase in “n”, the gain in operating bands is improving, especially at 5.8 GHz band. When n > 4, the antenna gain at 2.45 GHz is stable at 7.5 dB. Comparing n = 5 with n = 6 shows that the gain improvement of the FSS unit cell number increasing is not significant in the two operating bands. Considering the size of antenna, for the number of FSS unit cells, the “5 × 5” array is appropriate.
The length of the air-gap between the antenna and the FSS is h, as mentioned above. It plays a crucial role in antenna performance. A parameter study of the air-gap was carried out to explore the influence of the air-gap on the antenna radiating and validating the analysis in Section 2. The results are displayed in Figure 8. Figure 8a shows that the two resonance frequency points vary with the values of the air-gap. The field distribution around the antenna is also changing for the different values of the air-gap and this has an impact on antenna input impedance. As shown in Figure 8b, gain gets a maximum value at 2.45 GHz and 5.8 GHz simultaneously, when the air-gap is 10 mm, and the air-gap is close to a quarter of the wavelength at 5.8 GHz, but is 1/10 wavelength at 2.45 GHz. What is more, the FSS is a PRS at 2.45 GHz. Hence, even when the air-gap = 30 mm, that is a quarter of the wavelength at 2.45 GHz and the gain is lower than at other values. The simulation results validate the theory analysis in Section 2 that the antenna has a higher gain when meeting Equations (9) and (10).
The antenna and the FSS are simulated and optimized. After combining the two substrates, the input impedance would be influenced especially at 2.45 GHz. In order to realize the impedance matching again, many parameters of the antenna are analyzed. The antenna impedance is sensitive to a key parameter Botm_L1, which is shown in Figure 9. In Figure 9, impedance curve fluctuation is relatively large in the low operating bands, but it stays relatively flat when the resistance is about 50 Ohm and the reactance is 0 Ohm in the high operating bands. Thus, adjusting Botm_L1 may affect the antenna impedance at 2.45 GHz, but has little influence on the antenna impedance at 5.8 GHz. The parameters of the final optimization results are given in Table 2.
A prototype has been manufactured and measured. Two layers were combined using the nylon screws, as shown in Figure 10. Figure 11 shows the antenna measurement environment in an anechoic chamber. The generator produced a signal which was transmitted by the standard horn antenna. The signal was received by the antenna under test (AUT). A spectrum analyzer measured the magnitude of signals from the AUT when the AUT was rotating around two axes to measure the E and the H plane pattern. Another standard horn antenna whose gain was known repeated the steps mentioned above as the receiving antenna. Finally, all values were normalized by the maximum value to draw the patterns and the gain of the AUT from the received signal magnitude difference between the standard horn antenna and the AUT. The radiation pattern and the gain were measured in the anechoic chamber, and the |S11| was measured by a Vector Network Analyzer (VNA). The measured |S11| together with the simulated values are shown in Figure 12a, in which there is an agreement between the simulated and the measured results. The two operating bands of the proposed antenna (|S11| < −10 dB) were 2.3–2.62 GHz and 4.9–6.42 GHz, respectively. The relative bandwidths were 13% and 27%, respectively. Moreover, the single original antenna was measured as well. A comparison between the original antenna and the proposed antenna with the FSS is shown in Figure 12b. The original antenna without the FSS had poor impedance matching at 2.45 GHz and the voltage reflection coefficient was about −5 dB. While loaded with the FSS, the proposed antenna had a resonance of 2.45 GHz and a good bandwidth. The bandwidth at the high frequency band was also expanded. Thus, it can be seen that the FSS improved the antenna bandwidth.
The simulated and measured radiation patterns of the proposed antenna are shown in Figure 13. Figure 13a contains the E-plane pattern and the H-plane pattern at 2.45 GHz. The maximum gain is 6.8 dB, and the front–back ratio is 8.2 dB. The simulated and measured results are in good agreement. Figure 13b shows the simulated and measured radiation patterns at 5.8 GHz. Meanwhile, the measured E-plane patterns of the proposed antenna at 5.0 GHz, 5.4 GHz, and 6.0 GHz are shown in Figure 13c.
The gain measurements of the proposed antenna with and without an FSS are shown in Figure 14. The gains show a significant improvement in the two operating bands compared with the original antenna without an FSS. The measured peak gain reaches 6.8 dB at 2.45 GHz and 9.0 dB at 5.8 GHz, which is a little lower than the simulated value. This reduction may be produced by the fabrication and measurement errors. What is more, the 3 dB gain bandwidth points are marked in Figure 14. The gain is higher than 3.8 dB at 2.0–3.15 GHz and higher than 6 dB at 4.8–6.42 GHz. The 3 dB gain bandwidth is 1.15 GHz and 1.62 GHz at 2.45 GHz and 5.8 GHz, respectively, which illustrates that the antenna has a wide gain bandwidth through integration with the FSS. Figure 15 is the simulated radiation efficiency of the proposed antenna with and without the FSS; it shows that the antenna with the FSS achieved a maximum radiation efficiency of 94.3% and 95.7% at 2.45 GHz and 5.8 GHz, respectively. A significant improvement of efficiency from 66.2% to 94.3% at 2.45 GHz occurs when the antenna is integrated with the FSS. However, this improvement in efficiency at the 5.8 GHz band is not obvious since it is already high without the FSS. The proposed antenna has a high efficiency in the range of 85–95.7% in the two operating bands.
Analyzing the current distribution of the antenna is a direct way to figure out the operating principle of the antennas. The current distribution of the antenna with the FSS is displayed in Figure 16. As shown in Figure 16a, a strong current is distributed by the central “3 × 3” FSS unit cells, and a relatively weaker current comes from the outer FSS unit cells, which explains the reason for the increased number of the FSS unit cells no longer improving gain significantly when the number is already high enough, as mentioned above. Figure 16b,c show the current distribution of the antenna integrating with the FSS. It can be observed here that the current on the antenna and the FSS are strong and saturated. The antenna has a larger equivalent aperture compared with Figure 3 in Section 2, which is without the FSS.
Previous work related to dual-band, multi-band, broadband, metamaterials, and FSS reflector integration antennas is displayed in Table 3. The antennas are compared in four dimensions which are size, bandwidth, gain, and radiation efficiency. The size is presented as wavelength, with the largest wavelength of operating frequencies being adopted for multi-band antennas. In comparison to other studies using different design methods, it is evident that the proposed antenna has a small size and achieves a wider bandwidth with an appropriate gain and radiation efficiency.

4. Conclusions

In this article, a double-layer dual-band antenna based on the FSS is proposed. A layer of a frequency selective surface is loaded to improve the gain and bandwidth of the antenna at two operating frequencies. The realization of a dual-band operation is through a square loop loading a meander stub and the tuned reflection phase shift of the FSS to achieve field superposition. The equivalent circuit models of the antenna and the FSS unit are given and analyzed. The comprehensive parameters are presented and discussed to reveal the working mechanism of the proposed antennas. The proposed antenna achieves a high gain of 6.8 dB at 2.45 GHz and 9.0 dB at 5.8 GHz with a low profile of 0.13   λ 0 and a structure which is easy to fabricate. Meanwhile, the antenna obtains a wide impedance bandwidth of 13% at 2.45 GHz and 27% at 5.8 GHz. The 3 dB gain bandwidth attains 2–3.1 GHz and 4.8–6.4 GHz in the two operating bands. The results show that the antenna has a good radiation performance in the WLAN bands and is easy to manufacture. It can also be used for ISM communication.

Author Contributions

Conceptualization, C.L. and C.S.; methodology, J.Z.; validation, J.G.; writing—original draft preparation, C.S.; writing—review and editing, C.L.; visualization, J.Z. All authors have read and agreed to the published version of the manuscript.

Funding

This research is supported in part by the National Nature Science Foundation of China 62071316, Sichuan Science and Technology Program 2021YFH0152, and 2020YFH0091.

Data Availability Statement

All relevant data have been presented in article.

Conflicts of Interest

The authors declare that they have no conflicts of interest.

References

  1. Chen, H.; Tao, Y. Antenna gain and bandwidth enhancement using frequency selective surface with double rectangular ring elements. In Proceedings of the 9th International Symposium on Antennas, Propagation and EM Theory, Guangzhou, China, 29 November–2 December 2010; IEEE: Piscataway, NJ, USA, 2010; pp. 271–274. [Google Scholar] [CrossRef]
  2. Ghaffar, A.; Li, X.J.; Seet, B.-C. Compact Dual-Band Broadband Microstrip Antenna at 2.4 GHz and 5.2 GHz for WLAN Applications. In Proceedings of the 2018 IEEE Asia-Pacific Conference on Antennas and Propagation (APCAP), Auckland, New Zealand, 5–8 August 2018; IEEE: Piscataway, NJ, USA, 2018; pp. 198–199. [Google Scholar] [CrossRef]
  3. Chen, Y.; Jiao, Y.; Zhao, G.; Zhang, F.; Liao, Z.; Tian, Y. Dual-Band Dual-Sense Circularly Polarized Slot Antenna With a C-Shaped Grounded Strip. In IEEE Antennas and Wireless Propagation Letters; IEEE: Piscataway, NJ, USA, 2011; Volume 10, pp. 915–918. [Google Scholar] [CrossRef]
  4. Li, X.-P.; Xu, G.; Ma, M.-R.; Duan, C.-J. UWB Dual-Band-Notched Lanky-Leaf-Shaped Antenna with Loaded Half-Square-Like Slots for Communication System. Electronics 2021, 10, 1991. [Google Scholar] [CrossRef]
  5. Przesmycki, R.; Bugaj, M. Crescent Microstrip Antenna for LTE-U and 5G Systems. Electronics 2022, 11, 1201. [Google Scholar] [CrossRef]
  6. Liu, S.; Raad, R.; Theoharis, P.I.; Tubbal, F. Dual-Band Folded-End Dipole Antenna for Plastic CubeSats. IEEE J. Miniat. Air Space Syst. 2020, 1, 172–178. [Google Scholar] [CrossRef]
  7. Li, T.; Zhai, H.; Wang, X.; Li, L.; Liang, C. Frequency-Reconfigurable Bow-Tie Antenna for Bluetooth, WiMAX, and WLAN Applications. IEEE Antennas Wirel. Propag. Lett. 2015, 14, 171–174. [Google Scholar] [CrossRef]
  8. Ullah, S.; Ullah, S.; Ahmad, I.; Khan, W.U.R.; Ahmad, T.; Habib, U.; Albreem, M.A.; Alsharif, M.H.; Uthansakul, P. Frequency reconfigurable antenna for portable wireless applications. Comput. Mater. Contin. 2021, 68, 3015–3027. [Google Scholar] [CrossRef]
  9. Dildar, H.; Althobiani, F.; Ahmad, I.; Khan, W.U.R.; Ullah, S.; Mufti, N.; Ullah, S.; Muhammad, F.; Irfan, M.; Glowacz, A. Design and Experimental Analysis of Multiband Frequency Reconfigurable Antenna for 5G and Sub-6 GHz Wireless Communication. Micromachines 2021, 12, 32. [Google Scholar] [CrossRef]
  10. Khan, O.M.; Islam, Z.U.; Islam, Q.U.; Bhatti, F.A. Multiband High-Gain Printed Yagi Array Using Square Spiral Ring Metamaterial Structures for S-Band Applications. IEEE Antennas Wirel. Propag. Lett. 2014, 13, 1100–1103. [Google Scholar] [CrossRef]
  11. Zhai, H.; Zhang, K.; Yang, S.; Feng, D. A Low-Profile Dual-Band Dual-Polarized Antenna with an AMC Surface for WLAN Applications. IEEE Antennas Wirel. Propag. Lett. 2017, 16, 2692–2695. [Google Scholar] [CrossRef]
  12. Al-Gburi, A.J.A.; Ibrahim, I.M.; Zakaria, Z.; Abdulhameed, M.K.; Saeidi, T. Enhancing Gain for UWB Antennas Using FSS: A Systematic Review. Mathematics 2021, 9, 3301. [Google Scholar] [CrossRef]
  13. Alwareth, H.; Ibrahim, I.M.; Zakaria, Z.; Al-Gburi, A.J.A.; Ahmed, S.; Nasser, Z.A. A Wideband High-Gain Microstrip Array Antenna Integrated with Frequency-Selective Surface for Sub-6 GHz 5G Applications. Micromachines 2022, 13, 1215. [Google Scholar] [CrossRef]
  14. Decoster, B.; Maes, S.; Cuiñas, I.; García Sánchez, M.; Caldeirinha, R.; Verhaevert, J. Dual-Band Single-Layer Fractal Frequency Selective Surface for 5G Applications. Electronics 2021, 10, 2880. [Google Scholar] [CrossRef]
  15. Fernandes, E.M.F.; da Silva, M.W.B.; da Silva Briggs, L.; de Siqueira Campos, A.L.P.; de Araújo, H.X.; Casella, I.R.S.; Capovilla, C.E.; Souza, V.P.R.M.; de Matos, L.J. 2.4–5.8GHz dual-band patch antenna with FSS reflector for radiation parameters enhancement. AEU-Int. J. Electron. Commun. 2019, 108, 235–241. [Google Scholar] [CrossRef]
  16. Chatterjee, A.; Parui, S.K. Performance Enhancement of a Dual-Band Monopole Antenna by Using a Frequency-Selective Surface-Based Corner Reflector. IEEE Trans. Antennas Propag. 2016, 64, 2165–2171. [Google Scholar] [CrossRef]
  17. Wang, S.; Gao, H. A Dual-Band Wearable Conformal Antenna Based on Artificial Magnetic Conductor. Int. J. Antennas Propag. 2022, 2022, 9970477. [Google Scholar] [CrossRef]
  18. Abdelghani, M.L.; Attia, H.; Denidni, T.A. Dual- and Wideband Fabry–Pérot Resonator Antenna for WLAN Applications. IEEE Antennas Wirel. Propag. Lett. 2017, 16, 473–476. [Google Scholar] [CrossRef]
  19. Yi, X.; Zhou, L.; Hao, S.; Chen, X. Dual-Band High-Gain Shared-Aperture Antenna Integrating Fabry-Perot and Reflect array Mechanisms. Electronics 2022, 11, 2017. [Google Scholar] [CrossRef]
  20. Al-Gburi, A.J.A.; Ibrahim, I.M.; Abdulhameed, M.K.; Zakaria, Z.; Zeain, M.Y.; Keriee, H.H.; Nayyef, N.A.; Alwareth, H.; Khaleel, A.D. A miniaturised UWB FSS with Stop-band Characteristics for EM Shielding Applications. Prz. Elektrotechniczny 2021, 25, 142–145. [Google Scholar] [CrossRef]
  21. Costa, F.; Monorchio, A.; Manara, G. Efficient Analysis of Frequency-Selective Surfaces by a Simple Equivalent-Circuit Model. IEEE Antennas Propag. Mag. 2012, 54, 35–48. [Google Scholar] [CrossRef]
  22. Trentini, G.V. Partially reflecting sheet arrays. IRE Trans. Antennas Propag. 1956, 4, 666–671. [Google Scholar] [CrossRef]
  23. Varamini, G.; Keshtkar, A.; Naser-Moghadasi, M. Compact and miniaturized microstrip antenna based on fractal and metamaterial loads with reconfigurable qualification. AEU-Int. J. Electron. Commun. 2018, 83, 213–221. [Google Scholar] [CrossRef]
  24. Chen, H.Y.; Tao, Y. Bandwidth enhancement of a U-slot patch antenna using dual-band frequency-selective surface with double rectangular ring elements. Microw. Opt. Technol. Lett. 2011, 53, 1547–1553. [Google Scholar] [CrossRef]
Figure 1. Configuration of antenna: (a) side view, (b) first layer top view, (c) first layer bottom view, (d) second layer.
Figure 1. Configuration of antenna: (a) side view, (b) first layer top view, (c) first layer bottom view, (d) second layer.
Electronics 11 02882 g001
Figure 2. Equivalent circuit model of the original antenna.
Figure 2. Equivalent circuit model of the original antenna.
Electronics 11 02882 g002
Figure 3. Current distribution of the original antenna at (a) 2.45 GHz and (b) 5.8 GHz.
Figure 3. Current distribution of the original antenna at (a) 2.45 GHz and (b) 5.8 GHz.
Electronics 11 02882 g003
Figure 4. (a) An FSS element and (b) its equivalent schematic.
Figure 4. (a) An FSS element and (b) its equivalent schematic.
Electronics 11 02882 g004
Figure 5. The schematic of the antenna working principle at (a) 2.45 GHz and (b) 5.8 GHz.
Figure 5. The schematic of the antenna working principle at (a) 2.45 GHz and (b) 5.8 GHz.
Electronics 11 02882 g005
Figure 6. The simulated transmission coefficient and reflection phase of the FSS.
Figure 6. The simulated transmission coefficient and reflection phase of the FSS.
Electronics 11 02882 g006
Figure 7. The antenna performance of various FSS unit cell numbers (a) |S11| and (b) gain.
Figure 7. The antenna performance of various FSS unit cell numbers (a) |S11| and (b) gain.
Electronics 11 02882 g007
Figure 8. The antenna performance of various values of “air-gap” parameter (a) |S11| and (b) gain.
Figure 8. The antenna performance of various values of “air-gap” parameter (a) |S11| and (b) gain.
Electronics 11 02882 g008
Figure 9. The input impedance of the antenna at various values of the Botm_L1 parameter. (a) Resistance, (b) reactance at 2.45 GHz, and (c) resistance and (d) reactance at 5.8 GHz.
Figure 9. The input impedance of the antenna at various values of the Botm_L1 parameter. (a) Resistance, (b) reactance at 2.45 GHz, and (c) resistance and (d) reactance at 5.8 GHz.
Electronics 11 02882 g009
Figure 10. Photographs of the proposed antenna. (a) The integration of the prototype antenna and the FSS, (b) the prototype antenna, (c) the prototype of the 5 × 5 FSS.
Figure 10. Photographs of the proposed antenna. (a) The integration of the prototype antenna and the FSS, (b) the prototype antenna, (c) the prototype of the 5 × 5 FSS.
Electronics 11 02882 g010
Figure 11. The antenna measurement environment in the anechoic chamber.
Figure 11. The antenna measurement environment in the anechoic chamber.
Electronics 11 02882 g011
Figure 12. (a) The simulated and measured |S11| of the antenna and (b) the comparison of the measured |S11| of the antenna with and without the FSS.
Figure 12. (a) The simulated and measured |S11| of the antenna and (b) the comparison of the measured |S11| of the antenna with and without the FSS.
Electronics 11 02882 g012
Figure 13. The radiation patterns of the proposed antenna at (a) 2.45 GHz, (b) 5.8 GHz, and (c) 5.0, 5.4, and 6.0 GHz.
Figure 13. The radiation patterns of the proposed antenna at (a) 2.45 GHz, (b) 5.8 GHz, and (c) 5.0, 5.4, and 6.0 GHz.
Electronics 11 02882 g013
Figure 14. The comparison of the simulated and measured gain of the proposed antenna with and without an FSS.
Figure 14. The comparison of the simulated and measured gain of the proposed antenna with and without an FSS.
Electronics 11 02882 g014
Figure 15. The simulated radiation efficiency of the antenna with and without an FSS.
Figure 15. The simulated radiation efficiency of the antenna with and without an FSS.
Electronics 11 02882 g015
Figure 16. Current distribution of (a) the FSS and the antenna with an FSS at (b) 2.45 GHz and (c) 5.8 GHz.
Figure 16. Current distribution of (a) the FSS and the antenna with an FSS at (b) 2.45 GHz and (c) 5.8 GHz.
Electronics 11 02882 g016
Table 1. Lumped parameters of ECM.
Table 1. Lumped parameters of ECM.
Circuit ParametersClLlChLhC1L1
Values0.745 pF5.9 nH0.14 pF5.4 nH0.3 pF9.1 nH
Table 2. Design parameter values of proposed antenna.
Table 2. Design parameter values of proposed antenna.
ParametersTop_L1Top_L2Stub_LSide_L1Side_L2Botm_L1
Value(mm)8.556.411.8422
ParametersFeed_LDG_LDG_WFS_LFS_WAir-gap
Value(mm)25.927361310.813
Table 3. Comparison of the proposed antenna with other studies.
Table 3. Comparison of the proposed antenna with other studies.
Reference Dimensions   ( λ 0 3 ) Working Bands (GHz)BandwidthPeak Gain (dB)Radiation Efficiency
[6] 0.86 × 0.86   × 0.042.25–2.75 and 4.6–4.8520% and 5.3%7.55 and 4.7null
[10] 1   × 1.152.38–2.51
2.92–3.36
3.74
3.83
5.3%
13%
null
null
9.98
3.82
10.4
8.08
null
[11] 0.85 × 0.85   × 0.12.36–2.76 and 5.1–6.215.6% and 9.3%7.2 and 7.3null
[12] 0.66 × 0.66   × 0.312.37–2.56 and 5.15–6.227% and 18.8%7.5 and 6.8null
[13] 10.32 × 4.251   × 1.2953.5–5.851.12%12.477.5%
[23] 0.66 × 0.66   × 0.132.3–2.6 and 4.6–5.7811.8% and 22%6.4 and 7null
[24] 0.62 × 0.43   × 0.042.4–2.48 and 5.72–5.835.5% and 7.48%4.9 and 8.3null
This work 0.6 × 0.6   × 0.132.3–2.65 and 4.9–6.4513% and 27%6.8 and 9.094.3% and 95.7%
Publisher’s Note: MDPI stays neutral with regard to jurisdictional claims in published maps and institutional affiliations.

Share and Cite

MDPI and ACS Style

Shi, C.; Zou, J.; Gao, J.; Liu, C. Gain Enhancement of a Dual-Band Antenna with the FSS. Electronics 2022, 11, 2882. https://doi.org/10.3390/electronics11182882

AMA Style

Shi C, Zou J, Gao J, Liu C. Gain Enhancement of a Dual-Band Antenna with the FSS. Electronics. 2022; 11(18):2882. https://doi.org/10.3390/electronics11182882

Chicago/Turabian Style

Shi, Chengming, Jie Zou, Jing Gao, and Changjun Liu. 2022. "Gain Enhancement of a Dual-Band Antenna with the FSS" Electronics 11, no. 18: 2882. https://doi.org/10.3390/electronics11182882

APA Style

Shi, C., Zou, J., Gao, J., & Liu, C. (2022). Gain Enhancement of a Dual-Band Antenna with the FSS. Electronics, 11(18), 2882. https://doi.org/10.3390/electronics11182882

Note that from the first issue of 2016, this journal uses article numbers instead of page numbers. See further details here.

Article Metrics

Back to TopTop