Effect of Sigma Phases on Moderate-Temperature Tensile Properties of Z3CN20.09M CASS Used for Primary Coolant Pipe of Nuclear Power Plant
Abstract
1. Introduction
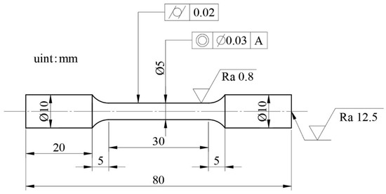
2. Materials and Methods
3. Results
3.1. Microstructures of Aged Z3CN20.09M Specimens
3.2. Moderate-Temperature Tensile Properties of Aged Z3CN20.09M Specimens
3.3. Fracture Morphology of Unaged and Aged Z3CN20.09M Specimens after Moderate-Temperature Tensile Test
4. Discussion
5. Conclusions
Author Contributions
Funding
Institutional Review Board Statement
Informed Consent Statement
Data Availability Statement
Conflicts of Interest
References
- Yamada, T.; Okano, S.; Kuwano, H. Mechanical property and microstructural change by thermal aging of SCS14A cast duplex stainless steel. J. Nucl. Mater. 2006, 350, 47–55. [Google Scholar] [CrossRef]
- Cheng, H.T.; Guo, Y.R. Current situation and localization progress of pipes for nuclear power generation service. Steel Pipe 2008, 37, 1–5. [Google Scholar]
- Zhao, Y.F.; Ti, W.X.; Wang, X.L.; Xue, F. Steel tubular materials for nuclear power plant service and production localization. Steel Pipe 2007, 36, 11–14. [Google Scholar]
- Xue, F.; Wang, Z.X.; Shu, G.G.; Yu, W.W.; Shi, H.J.; Ti, W.X. Thermal aging effect on Z3CN20.09M cast duplex stainless steel. Nucl. Eng. Des. 2009, 239, 2217–2223. [Google Scholar] [CrossRef]
- Kawaguchi, S.; Sakamoto, N.; Takano, G.; Matsuda, F.; Kikuchi, Y.; Mráz, L. Microstructural changes and fracture behavior of CF8M duplex stainless steels after long-term aging. Nucl. Eng. Des. 1997, 174, 273–285. [Google Scholar] [CrossRef]
- Chopra, O.K.; Chung, H.M. Aging of cast duplex stainless steels in LWR systems. Nucl. Eng. Des. 1985, 89, 305–318. [Google Scholar] [CrossRef]
- Mathew, M.D.; Lietzan, L.M.; Murty, K.L.; Shah, V.N. Low temperature aging embrittlement of CF-8 stainless steel. Mater. Sci. Eng. A 1999, 269, 186–196. [Google Scholar] [CrossRef]
- Gunn, R.N. Duplex Stainless Steels: Microstructure, Properties and Applications; Abington Publishing: Cambridge, UK, 1997; p. 175. [Google Scholar]
- Wang, Y.Q.; Han, J.; Wu, H.C.; Yang, B.; Wang, X.T. Effect of sigma phase precipitation on the mechanical and wear properties of Z3CN20.09M cast duplex stainless steel. Nucl. Eng. Des. 2013, 259, 1–7. [Google Scholar] [CrossRef]
- Li, S.L.; Wang, Y.L.; Li, S.X.; Wang, X.T. Effect of long term aging on the microstructure and mechanical properties of cast austenitic stainless steels. Acta. Metall. Sin. 2010, 46, 1186–1191. [Google Scholar] [CrossRef]
- Lo, K.H.; Shek, C.H.; Lai, J.K.L. Recent developments in stainless steels. Mater. Sci. Eng. R 2009, 65, 39–104. [Google Scholar] [CrossRef]
- Sieurin, H.; Sandstrom, R. Sigma phase precipitation in duplex stainless steel 2205. Mater. Sci. Eng. A 2007, 444, 271–276. [Google Scholar] [CrossRef]
- Magnabosco, R. Kinetics of sigma phase formation in a duplex stainless steel. Mater. Res. 2009, 12, 321–327. [Google Scholar] [CrossRef]
- Chen, T.H.; Weng, K.L.; Yang, J.R. The effect of high-temperature exposure on the microstructural stability and toughness property in a 2205 duplex stainless steel. Mater. Sci. Eng. A 2002, 338, 259–270. [Google Scholar] [CrossRef]
- Liu, F.X. σ Phase precipitation and its effect on mechanical properties of S32205 duplex stainless steel. Iron Steel 2010, 45, 62–65. [Google Scholar]
- Pohl, M.; Storz, O.; Glogowski, T. Effect of intermetallic precipitations on the properties of duplex stainless steel. Mater. Charact. 2007, 58, 65–71. [Google Scholar] [CrossRef]
- Shek, C.H.; Wong, K.W.; Lai, J.K.L.; Li, D.J. Hot tensile properties of 25Cr-8Ni duplex stainless steel containing cellular (σ + γ2) structure after various thermal treatments. Mater. Sci. Eng. A 1997, 231, 42–47. [Google Scholar] [CrossRef]
- Shek, C.H.; Li, D.J.; Wong, K.W.; Lai, J.K.L. Creep properties of aged duplex stainless steels containing σ phase. Mater. Sci. Eng. A 1999, 266, 30–36. [Google Scholar] [CrossRef]
- Han, Y.S.; Hong, S.H. The effects of thermo-mechanical treatments on superplasticity of Fe-24Cr-7Ni-3Mo-0.14N duplex stainless steel. Scripta. Mater. 1997, 36, 557–563. [Google Scholar] [CrossRef]
- Wang, Y.Q.; Han, J.; Yang, B.; Wang, X.T. Strengthening of σ phase in a Fe20Cr9Ni cast austenite stainless steel. Mater. Charact. 2013, 84, 120–125. [Google Scholar] [CrossRef]
- Wang, Y.Q.; Yang, B.; Li, N.; Lin, S.H.; Sun, L. Embrittlement of σ phase in stainless steel for primary coolant pipes of nuclear power plant. Acta. Metall. Sin. 2016, 52, 17–24. [Google Scholar]
- Zhao, Z.Y.; Xu, L.; Li, G.P.; Xue, R.D.; Zheng, J.H. Precipitation behavior of σ-phase and its effect on microstructure and properties of a super duplex stainless steel. Trans. Mater. Heat. Treat. 2010, 31, 75–79. [Google Scholar]
- Wang, Y.Q.; Yang, B.; Han, J.; Wu, H.C.; Wang, X.T. Effect of precipitated phases on the pitting corrosion of Z3CN20.09M cast duplex stainless steel. Mater. Trans. 2013, 54, 839–843. [Google Scholar] [CrossRef]
- Wang, Y.Q.; Li, D.D.; Sun, L.; Li, N.; Liu, M.K.; Shen, W.; Jing, H.M. Pitting corrosion of thermally aged cast duplex stainless steel for primary coolant pipes of nuclear power plants. Corros. Eng. Sci. Techn. 2017, 52, 447–452. [Google Scholar] [CrossRef]
- Wu, H.C.; Yang, B.; Wang, Y.Q. Effect of sigma phase on the low cycle fatigue property of Z3CN20.09M cast duplex stainless steel in high temperature water. Mater. Corros. 2015, 66, 663–669. [Google Scholar] [CrossRef]
- Wu, H.C.; Yang, B.; Chen, Y.F.; Chen, X.D. Effect of oxidation on the fatigue crack propagation behavior of Z3CN20.09M duplex stainless steel in high temperature water. Nucl. Eng. Technol. 2017, 49, 744–751. [Google Scholar] [CrossRef]
- Wang, Y.Q.; Han, J.; Yang, B.; Wu, H.C.; Wang, X.T. Precipitation behavior of the intermetallic phases in Z3CN20.09M stainless steel for primary coolant pipes of nuclear power plant. Acta Metall. Sin. 2013, 49, 415–420. [Google Scholar] [CrossRef]
- Ohmura, T.; Tsuzaki, K.; Sawada, K.; Kimura, K. Inhomogeneous nano-mechanical properties in the multi-phase microstructure of long-term aged type 316 stainless steel. J. Mater. Res. 2006, 21, 1229–1236. [Google Scholar] [CrossRef]
- Yao, Y.; Zhou, C.D.; Shi, B.; Yang, X.P.; Shan, A.D.; Song, H.W. Nanoindentation characterization of mechanical properties of σ phase in super duplex stainless steel. Mater. Mech. Eng. 2011, 35, 1–7. [Google Scholar]
- Kumar, A.; Singh, S.B.; Ray, K.K. Influence of bainite/martensite-content on the tensile properties of low carbon dual-phase steels. Mater. Sci. Eng. A 2008, 474, 270–282. [Google Scholar] [CrossRef]
- Ashby, M.F. Work hardening of dispersion-hardened crystals. Philos. Mag. 1966, 14, 1157–1178. [Google Scholar] [CrossRef]
- Ooi, S.W.; Hill, P.; Rawson, M.; Bhadeshia, H.K.D.H. Effect of retained austenite and high temperature Laves phase on the work hardening of an experimental maraging steel. Mater. Sci. Eng. A 2013, 564, 485. [Google Scholar] [CrossRef]
- Viswanathan, U.K.; Dey, G.K.; Asundi, M.K. Precipitation hardening in 350 grade maraging steel. Metall. Trans. A 1993, 24, 2429–2442. [Google Scholar] [CrossRef]














| C | Si | Mn | P | S | Cr | Ni | Cu | Co | Nb + Ta | Mo | N | Ti | Fe |
|---|---|---|---|---|---|---|---|---|---|---|---|---|---|
| 0.024 | 1.09 | 1.11 | 0.023 | 0.0039 | 20.16 | 9.06 | 0.031 | 0.026 | 0.066 | 0.26 | 0.033 | 0.0027 | balance |
| Temperature | Specimens | Ultimate Tensile Strength/MPa | Percent Increase/% | Yield Strength/MPa | Percent Increase/% | Elongation/% | Percent Decrease/% |
|---|---|---|---|---|---|---|---|
| RT | Unaged | 495.1 | 234.3 | 50.3 | |||
| Aged | 514.8 | 4.0 | 275.2 | 17.5 | 40.4 | 19.7 | |
| 350 °C | Unaged | 330.7 | 126.9 | 42.3 | |||
| Aged | 385.8 | 16.4 | 177.9 | 40.2 | 25.8 | 39.0 |
Disclaimer/Publisher’s Note: The statements, opinions and data contained in all publications are solely those of the individual author(s) and contributor(s) and not of MDPI and/or the editor(s). MDPI and/or the editor(s) disclaim responsibility for any injury to people or property resulting from any ideas, methods, instructions or products referred to in the content. |
© 2023 by the authors. Licensee MDPI, Basel, Switzerland. This article is an open access article distributed under the terms and conditions of the Creative Commons Attribution (CC BY) license (https://creativecommons.org/licenses/by/4.0/).
Share and Cite
Wang, Y.; Hu, C.; Li, N.; Lin, S.; Ge, Z.; Zheng, C. Effect of Sigma Phases on Moderate-Temperature Tensile Properties of Z3CN20.09M CASS Used for Primary Coolant Pipe of Nuclear Power Plant. Coatings 2023, 13, 101. https://doi.org/10.3390/coatings13010101
Wang Y, Hu C, Li N, Lin S, Ge Z, Zheng C. Effect of Sigma Phases on Moderate-Temperature Tensile Properties of Z3CN20.09M CASS Used for Primary Coolant Pipe of Nuclear Power Plant. Coatings. 2023; 13(1):101. https://doi.org/10.3390/coatings13010101
Chicago/Turabian StyleWang, Yongqiang, Chaojun Hu, Na Li, Suhua Lin, Zhangqi Ge, and Chengsi Zheng. 2023. "Effect of Sigma Phases on Moderate-Temperature Tensile Properties of Z3CN20.09M CASS Used for Primary Coolant Pipe of Nuclear Power Plant" Coatings 13, no. 1: 101. https://doi.org/10.3390/coatings13010101
APA StyleWang, Y., Hu, C., Li, N., Lin, S., Ge, Z., & Zheng, C. (2023). Effect of Sigma Phases on Moderate-Temperature Tensile Properties of Z3CN20.09M CASS Used for Primary Coolant Pipe of Nuclear Power Plant. Coatings, 13(1), 101. https://doi.org/10.3390/coatings13010101

