Formulation and Characterization of a Composite Coating Formulation Based on Acrylic Foam and Cork Granules
Abstract
:1. Introduction
2. Materials and Methods
2.1. Materials
2.2. Coating Production
2.3. Coating Characterization
3. Results and Discussion
3.1. Coating Formulation
- H600—hydrophobically modified nonionic polymer, an associative thickener for waterborne paint formulations.
- Afilan A01—amphoteric surfactant, a foaming and wetting agent.
- Hostapur SAS 30—anionic surfactant, an emulsifier for emulsion polymerizations and detergent formulations.
- Tubicoat SHM—ammonium stearate, a foam stabilizer.
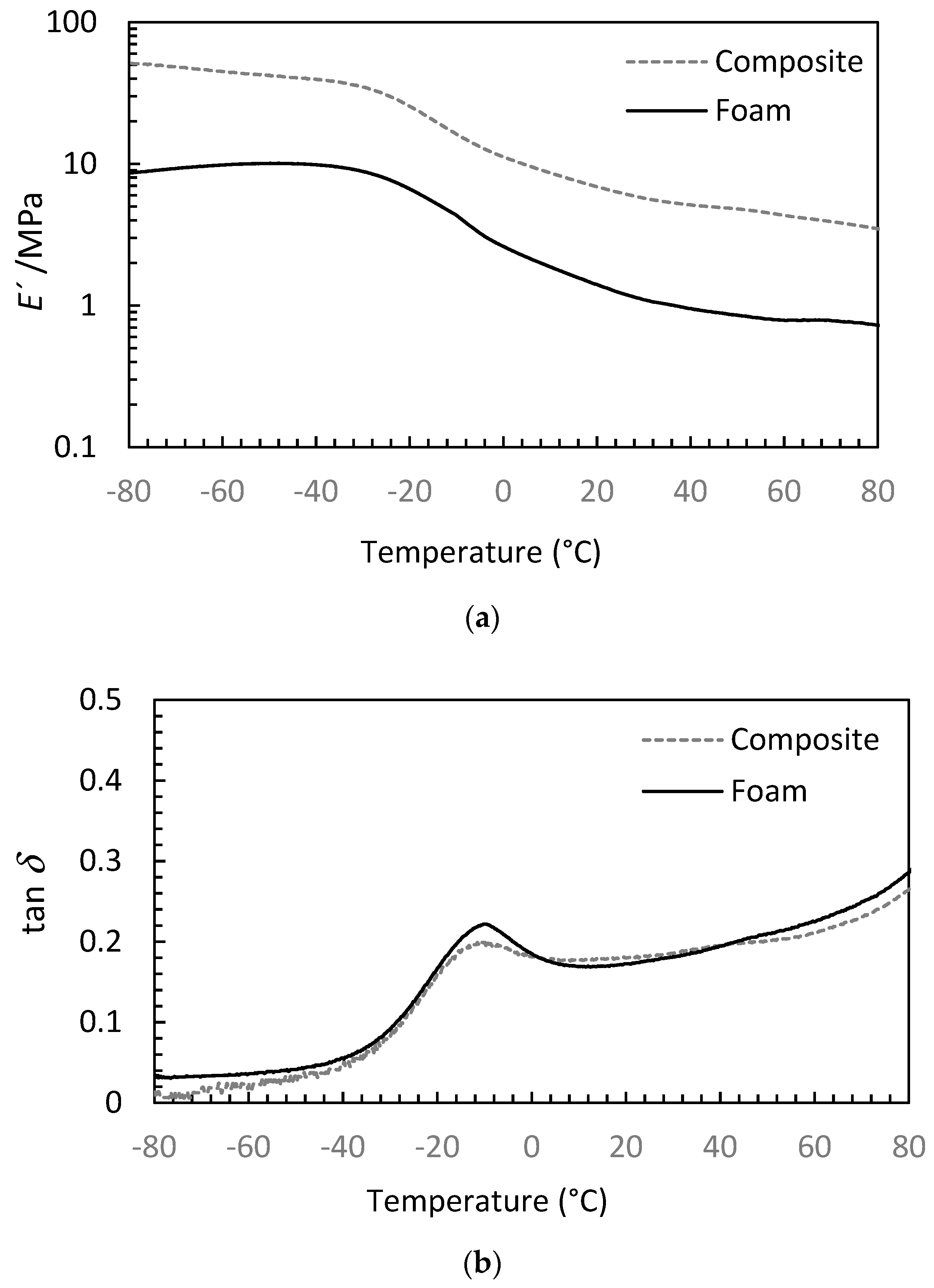
3.2. Coating Characterization
4. Conclusions
- An acrylic foam, applicable by knife coating, was successfully formulated. The foam was obtained by generating air bubbles through intense agitation, without the use of blowing agents. Finding a suitable combination of thickener and surfactants was shown to be essential to ensure foam stability, yielding a homogeneously well-formed open cell structure upon drying. To the best of our knowledge, this is the first time that a solid foam has been produced from a waterborne acrylic dispersion.
- By adding cork granules, a sub-product from the wine stopper industry, to the liquid acrylic foam formulation, a homogeneous coating was obtained, resembling natural cork in both appearance and feel.
- The coatings’ Shore hardness was about 50 A, slightly lower than natural cork. Increasing the cork content causes the surface hardness to increase.
- Abrasion resistance was shown to decrease when the cork content is increased, probably due to the removal of the cork granules from the surface during the test. Future work will focus on optimizing the cork:resin ratio, in order to obtain a good combination of hardness and abrasion resistance performances.
- The coatings showed excellent cohesion and adhesion to an HDF substrate. All pull-off tests displayed substrate failure.
- The thermal conductivity of the composite coatings is similar to that of natural cork, indicating that they possess good thermal insulation performance.
Author Contributions
Funding
Institutional Review Board Statement
Informed Consent Statement
Data Availability Statement
Acknowledgments
Conflicts of Interest
References
- Pereira, H. The rationale behind cork properties: A review of structure and chemistry. Bioresources 2015, 10, 6207–6229. [Google Scholar] [CrossRef]
- Silva, S.P.; Sabino, M.A.; Fernandes, E.M.; Correlo, V.M.; Boesel, L.F.; Reis, R.L. Cork: Properties, capabilities and applications. Int. Mater. Rev. 2005, 50, 345–365. [Google Scholar] [CrossRef] [Green Version]
- Castro, O.; Silva, J.M.; Devezas, T.; Silva, A.; Gil, L. Cork agglomerates as an ideal core material in lightweight structures. Mater. Design. 2010, 31, 425–432. [Google Scholar] [CrossRef] [Green Version]
- Antunes, A.; Gomes, A.; Paiva, N.; Ferra, J.; Martins, J.; Carvalho, L.; Barros-Timmons, A.; Magalhães, F.D. Blocked melamine–urea–formaldehyde resins and their usage in agglomerated cork panels. J. App. Polym. Sci. 2018, 135, 46663. [Google Scholar] [CrossRef]
- Pintor, A.M.A.; Ferreira, C.I.A.; Pereira, J.C.; Correia, P.; Silva, S.P.; Vilar, V.J.P.; Botelho, C.M.S.; Boaventura, R.A.R. Use of cork powder and granules for the adsorption of pollutants: A review. Water Res. 2012, 46, 3152–3166. [Google Scholar] [CrossRef]
- Panesar, D.K.; Shindman, B. The mechanical, transport and thermal properties of mortar and concrete containing waste cork. Cement Concrete Comp. 2012, 34, 982–992. [Google Scholar] [CrossRef]
- Ben Abdallah, F.; Ben Cheikh, R.; Baklouti, M.; Denchev, Z.; Cunha, A.M. Effect of surface treatment in cork reinforced composites. J. Polym. Res. 2009, 17, 519–528. [Google Scholar] [CrossRef]
- Lopes, H.; Silva, S.P.; Carvalho, J.P.; Machado, J. The influence of cork and manufacturing parameters on the properties of cork–rubber composites for vibration isolation applications. Sustainability 2021, 13, 11240. [Google Scholar] [CrossRef]
- Knapic, S.; Oliveira, V.; Machado, J.S.; Pereira, H. Cork as a building material: A review. Eur. J. Wood Pro. 2016, 74, 775–791. [Google Scholar] [CrossRef]
- Antunes, A.; Pereira, J.; Paiva, N.; Ferra, J.; Martins, J.; Carvalho, L.; Barros-Timmons, A.; Magalhães, F.D. Effects of resin content on mechanical properties of cork-based panels bound with melamine-urea-formaldehyde and polyurethane binders. Int. J. Adhes. Adhes. 2020, 101, 202632. [Google Scholar] [CrossRef]
- Vico, J.R. Sprayable, Thermal and Acoustic Insulating Surfacing. U.S. Patent 2015/0076387A1, 19 March 2015. [Google Scholar]
- Brock, T.; Groteklaes, M.; Mischke, P. European Coatings Handbook, 1st ed.; Vincentz Network: Hannover, Germany, 2000; pp. 64–69. [Google Scholar]
- Textile Today—An Overview of Polyurethane. Available online: https://www.textiletoday.com.bd/an-overview-of-polyurethane/ (accessed on 9 April 2022).
- Indrawati, L.; Wang, Z.; Narsimhan, G.; Gonzalez, J. Effect of processing parameters on foam formation using a continuous system with a mechanical whipper. J. Food Eng. 2008, 88, 65–74. [Google Scholar] [CrossRef]
- Zhang, L.; Cao, Y.; Wang, L.; Shao, L.; Bai, Y. A novel porous adhesion material with ink absorbency for digital inkjet printing. RSC Adv. 2015, 5, 36288–36294. [Google Scholar] [CrossRef]
- Paiva, D.; Magalhães, F.D. Dynamic mechanical analysis and creep-recovery behavior of agglomerated cork. Eur. J. Wood Wood Prod. 2018, 76, 133–141. [Google Scholar] [CrossRef]
- Gandini, A.; Pascoal Neto, C.; Silvestre, A.J.D. Suberin: A promising renewable resource for novel macromolecular materials. Prog. Polym. Sci. 2006, 31, 878–892. [Google Scholar] [CrossRef]






| # | H600 | Afilan | Hostapur | Tubicoat |
|---|---|---|---|---|
| F1 | 0 | 0 | 0 | 0 |
| F2 | 0 | 1 | 0 | 0 |
| F3 | 1 | 1 | 0 | 0 |
| F4 | 2 | 1 | 0 | 0 |
| F5 | 1 | 2 | 0 | 0 |
| F6 | 1 | 1 | 1 | 0 |
| F7 | 1 | 1 | 2 | 0 |
| F8 | 1 | 1 | 1 | 1 |
| F9 | 1 | 1 | 1 | 2 |
| F10 | 1 | 1 | 1 | 4 |
| F11 | 1 | 1 | 1 | 8 |
| F12 | 1 | 1 | 1 | 16 |
![]() F1 | ![]() F2 | ![]() F3 | ![]() F4 |
| 1.4 ± 0.3 | 1.8 ± 0.3 | 1.9 ± 0.1 | 2.2 ± 0.4 |
![]() F5 | ![]() F6 | ![]() F7 | ![]() F8 |
| 1.9 ± 0.2 | 2.4 ± 0.3 | 2.3 ± 0.2 | 1.6 ± 0.3 |
![]() F9 | ![]() F10 | ![]() F11 | ![]() F12 |
| 1.8 ± 0.1 | 2.3 ± 0.3 | 2.3 ± 0.2 | 2.0 ± 0.4 |
![]() F1 | ![]() F2 | ![]() F3 | ![]() F4 |
| 1.1 ± 0.3 | 1.4 ± 0.3 | 1.8 ± 0.1 | 1.9 ± 0.1 |
![]() F5 | ![]() F6 | ![]() F7 | ![]() F8 |
| 1.8 ± 0.1 | 1.9 ± 0.1 | 2.2 ± 0.1 | 2.3 ± 0.3 |
![]() F9 | ![]() F10 | ![]() F11 | ![]() F12 |
| 2.2 ± 0.1 | 2.3 ± 0.3 | 2.3 ± 0.1 | 2.5 ± 0.1 |
| Cork:Resin Mass Ratio | Surface Hardness/Shore a Scale | Impact Resistance/N | Abrasion Resistance (Mass Loss after 100 Cycles)/g | Adhesion Strength/N∙mm−2 | Thermal Conductivity/W∙m−1∙K−1 |
|---|---|---|---|---|---|
| 1:10 | 51.8 ± 0.5 | 10 | 0.074 | 0.32 * | 0.0468 ± 0.0001 |
| 1:20 | 46.5 ± 0.6 | 10 | 0.022 | 0.28 * | 0.0472 ± 0.0003 |
Publisher’s Note: MDPI stays neutral with regard to jurisdictional claims in published maps and institutional affiliations. |
© 2022 by the authors. Licensee MDPI, Basel, Switzerland. This article is an open access article distributed under the terms and conditions of the Creative Commons Attribution (CC BY) license (https://creativecommons.org/licenses/by/4.0/).
Share and Cite
Monteiro, S.; Ferreira, N.; Paiva, D.; Silva, S.P.; Martins, J.; Carvalho, L.H.; Magalhães, F.D. Formulation and Characterization of a Composite Coating Formulation Based on Acrylic Foam and Cork Granules. Coatings 2022, 12, 732. https://doi.org/10.3390/coatings12060732
Monteiro S, Ferreira N, Paiva D, Silva SP, Martins J, Carvalho LH, Magalhães FD. Formulation and Characterization of a Composite Coating Formulation Based on Acrylic Foam and Cork Granules. Coatings. 2022; 12(6):732. https://doi.org/10.3390/coatings12060732
Chicago/Turabian StyleMonteiro, Sandra, Nuno Ferreira, Diana Paiva, Susana P. Silva, Jorge Martins, Luísa H. Carvalho, and Fernão D. Magalhães. 2022. "Formulation and Characterization of a Composite Coating Formulation Based on Acrylic Foam and Cork Granules" Coatings 12, no. 6: 732. https://doi.org/10.3390/coatings12060732
APA StyleMonteiro, S., Ferreira, N., Paiva, D., Silva, S. P., Martins, J., Carvalho, L. H., & Magalhães, F. D. (2022). Formulation and Characterization of a Composite Coating Formulation Based on Acrylic Foam and Cork Granules. Coatings, 12(6), 732. https://doi.org/10.3390/coatings12060732

























