Microstructure and Mechanical Properties of Ni-Based Alloy Composite Coating on Cr12MoV by Laser Cladding
Abstract
1. Introduction
2. Materials and Methods
2.1. Materials Used
2.2. Laser Machining
2.3. Microstructure and Properties Analysis
3. Results and Discussion
3.1. Macromophology of the Coating
3.2. Microstructure Analysis of the Coating
3.2.1. XRD Analysis of the Coating
3.2.2. Analysis of Microstructure of the Coating
3.2.3. Analysis of Dendrite Change with the Increasing of the Layer Depth
3.2.4. Analysis of Bulk Hard Phase in the Bottom of the Coating
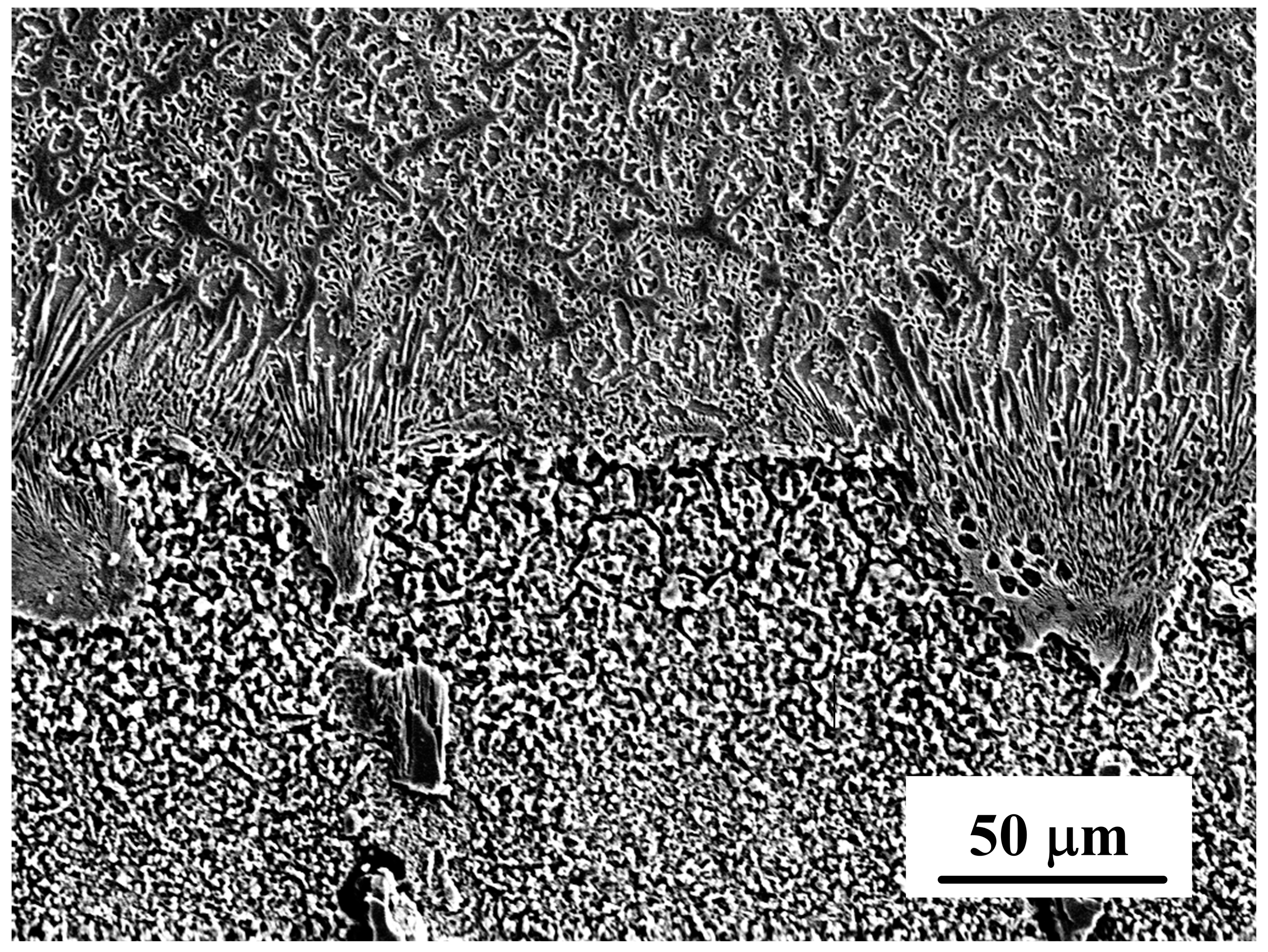
3.2.5. Analysis of Zigzag Microstructure of the Binding Zone
3.3. Properties Analysis of the Coating
3.3.1. Analysis of the Hardness of the Coating
3.3.2. Analysis of the Wear Resistance of the Coating
4. Conclusions
- (1)
- In this study, an attempt was made to improve the mechanical properties of Cr12MoV by laser cladding Ni60 alloy reinforced by WC. The results showed that the hardness and wear resistance of the coating were significantly improved compared with that of the substrate. The details are as follows:
- (2)
- The phases of the coating are composed of Cr–Fe–Ni, γ-(Fe, Ni), Cr23C6, Cr7C3, and W2C. The microstructure of the coating layer is dendrite. The supercooling degree from the bottom to the top of the molten pool gradually increased, resulting in the dendrite morphology changing from coarse to fine.
- (3)
- The zigzag microstructure of the bonding zone ensured the metallurgical bonding strength. The undisolved WC diffusive distributed in the bottom of the coating, which significantly improved the interfacial bond strength. In addition, WC particles were tightly embedded in Ni dendrites, which reduced the cracking sensitivity of the coating. There were no cracks, holes, or other defects in the interface between the cladding layer and substrate.
- (4)
- The average hardness of the coating was 59% higher than that of the substrate under the combined effects of solution strengthening, diffusion hardening, and fine grain strengthening. Because Ni60 alloy has good self-lubricity, the friction coefficient of coating was 33% lower than that of the substrate. The wear mechanism of the coating was mainly abrasive wear, and the wear mechanism of the substrate was adhesive wear and abrasive wear. Under the abrasive wear mechanism, the wear resistance of the material was proportional to the hardness, so the coating had a high wear resistance. Compared with the substrate, the wear volume of the coating was reduced by 48%.
Author Contributions
Funding
Institutional Review Board Statement
Informed Consent Statement
Data Availability Statement
Acknowledgments
Conflicts of Interest
References
- Zhang, Z.H. Experimental Research on Laser Cladding of Cr12MoV Die Steel. Ph.D. Thesis, Xiangtan University, Xiangtan, China, 2015. [Google Scholar]
- Zhou, J.; Xu, J.; Huang, S.; Hu, Z.; Meng, X.; Fan, Y. Microstructure and mechanical properties of Cr12MoV by ultrasonic vibration-assisted laser surface melting. Mater. Sci. Technol. 2017, 33, 1200–1207. [Google Scholar] [CrossRef]
- Ren, S.; Zhang, Y.; Zhao, Y.; An, Z.; Xue, F.; Yao, J.; Sun, Z.; Chang, J. Enhanced Surface Properties and Microstructure Evolution of Cr12MoV Using Ultrasonic Surface Rolling Process Combined with Deep Cryogenic Treatment. J. Mater. Eng. Perform. 2019, 28, 1132–1140. [Google Scholar] [CrossRef]
- Hong, S.; Wu, Y.; Wang, B.; Lin, J. Improvement in Tribological Properties of Cr12MoV Cold Work Die Steel by HVOF Sprayed WC-CoCr Cermet Coatings. Coatings 2019, 9, 825. [Google Scholar] [CrossRef]
- Tang, H.; Zhou, Z.M.; Hu, F.H. Research on Preparation and Tribological Properties of CrAlN Coating on Cr12MoV Steel. Mater. Prot. Surf. Eng. 2021, 42, 11. [Google Scholar]
- Fu, Q.F.; Liu, F.Y.; Liu, C.C.; Zhou, Z.; Lu, D.P.; Lu, L. Study on the surface modification of Cr12MoV steel pulse plasma explosion. Jiangxi Sci. 2017, 35, 752–755. [Google Scholar]
- Zeng, X.; Liu, J.L.; Liu, X.C.; Song, N. Study on Microstructure and Wear Resistance of Modified Cr12MoV Forging Total Steel. Hot Process 2017, 46, 143–145. [Google Scholar]
- Liu, A.M.; Wang, X.H.; Kuang, J.X.; Zhu, H.S. Study on Friction and Wear of Cast Iron Friction Surface Layer by Laser Cladding. Tool Eng. 2011, 45, 44–46. [Google Scholar]
- Zhao, W.Y. 2Cr12MoV Laser Cladding Stellite 6 Coating Microstructure and Properties. Ph.D. Thesis, Shanghai Jiaotong University, Shanghai, China, 2015. [Google Scholar]
- Ren, D.L.; Lin, Q.; Li, T.; Qi, H.B. Research on the process and path of laser cladding repair on the surface of cold work mold. Surf. Technol. 2018, 47, 54–60. [Google Scholar]
- Cao, J.; Lu, H.F.; Lu, J.Z.; Luo, K.Y. The effect of WC on the microstructure and wear performance of laser cladding hot-working die. China Laser 2019, 46, 68–74. [Google Scholar]
- Cai, Y.; Chen, Y.; Luo, Z.; Gao, F.; Li, L. Manufacturing of FeCoCrNiCux medium-entropy alloy coating using laser cladding technology. Mater. Des. 2017, 133, 91–108. [Google Scholar] [CrossRef]
- Cai, Y.; Zhu, L.; Cui, Y.; Geng, K.; Manladan, S.M.; Luo, Z.; Han, J. Strengthening mechanisms in multi-phase FeCoCrNiAl1.0 high-entropy alloy cladding layer. Mater. Charact. 2019, 159, 110037. [Google Scholar] [CrossRef]
- Cai, Y.; Manladan, S.M.; Luo, Z. Tribological behaviour of the double FeCoNiCrCux middle-entropy alloy coatings. Surf. Eng. 2019, 35, 14–21. [Google Scholar] [CrossRef]
- Lou, C.H.; Lu, Y.H.; Luo, F.; Dong, G.; Yao, J.H. The Tissue and Performance Analysis of Cladding Fe-Based Alloy in Cr12MoV Mold. Appl. Laser 2013, 33, 14–17. [Google Scholar]
- Huang, L.; Zhou, J.; Xu, J.; Huo, K.; He, W.; Meng, X.; Huang, S. Microstructure and wear resistance of electromagnetic field assisted multi-layer laser clad Fe901 coating. Surf. Coat. Technol. 2020, 395, 125876. [Google Scholar] [CrossRef]
- FFang, L.; Yan, H.; Yao, Y.; Zhang, P.; Gao, Q.; Qin, Y. Reactive Fabrication and Effect of NbC on Microstructure and Tribological Properties of CrS Co-Based Self-Lubricating Coatings by Laser Cladding. Materials 2017, 11, 44. [Google Scholar] [CrossRef]
- Shi, J.A.; Ge, Y.B.; Kong, D.A. Microstructure, dry sliding friction performances and wear mechanism of laser cladded WC-10Co4Cr coating with different Al2O3 mass fractions. Surf. Coat. Technol. 2021, 406, 126749. [Google Scholar] [CrossRef]
- Yan, H.; Chen, Z.; Zhao, J.; Zhang, P.; Yu, Z.; Lu, Q. Enhancing tribological properties of WS2/NbC/Co-based self-lubricating coating via laser texturing and laser cladding two-step process. J. Mater. Res. Technol. 2020, 9, 9907–9919. [Google Scholar] [CrossRef]
- Shi, J.Z.; Kong, D.J. Effects on Al2O3 and La2O3 additions on electrochemical performances of laser-cladding WC10Co4Cr coatings. Int. J. Appl. Ceram. Technol. 2021, 19, 436–450. [Google Scholar]
- Sun, S.; Fu, H.; Ping, X.; Lin, J.; Lei, Y.; Wu, W.; Zhou, J. Reinforcing behavior and microstructure evolution of NbC in laser cladded Ni45 coating. Appl. Surf. Sci. 2018, 455, 160–170. [Google Scholar] [CrossRef]
- Hu, D.; Liu, Y.; Chen, H.; Wang, M.; Liu, J. Microstructure and properties of in-situ synthesized Ni3Ta-TaC reinforced Ni-based coatings by laser cladding. Surf. Coat. Technol. 2021, 405, 126599. [Google Scholar] [CrossRef]
- Zhang, D.; Fu, H.; Xing, Z.; Ping, X.; Lin, J. Effect and mechanism of CeO2 on the microstructure and properties of Ni60A-Cr3C2 laser cladding layer. Surf. Rev. Lett. 2021, 28, 178–183. [Google Scholar] [CrossRef]
- Yuan, T.; Cai, Y.C.; Luo, Z.; Zhang, Y.J.; Zeng, Y.D. Effect of Al2O3 composite ceramic reinforcement on wear behavior of laser cladding Ni-based alloys coatings. J. Shanghai Jiaotong Univ. 2016, 50, 1635–1639. [Google Scholar]
- Cai, Y.; Luo, Z.; Feng, M.; Liu, Z.; Huang, Z.; Zeng, Y. The effect of TiC/Al2O3 composite ceramic reinforcement on tribological behavior of laser cladding Ni60 alloys coatings. Surf. Coat. Technol. 2016, 291, 222–229. [Google Scholar] [CrossRef]
- Weng, C.Q.; Yan, H.; Zhang, P.L.; Han, Z.H.; Zhu, G.Y.; Chen, X. Study on the surface laser moltenning Ni35/MoS2/LaF3·CeF3 coating on Cr12MoV Steel Surface. Hot Work. Technol. 2017, 46, 168–171. [Google Scholar]
- Liu, R.; Yan, H.; Zhang, P.L. Study on Co/MoS2/CaF2 coating of Cr12MoV steel. Appl. Laser 2016, 36, 247–252. [Google Scholar]
- Chen, N.; Zhou, L.Z.; Xu, G.M. Microstructure and Properties of Laser cladding Ni60/WC composite coating on Cr12MoV Die Steel. Hot Work. Technol. 2009, 38, 87–88. [Google Scholar]
- Ding, Y.X. Study on Properties of Laser Cladding Ni-based WC Alloy of Cr12MoV Steel. Hot Work. Technol. 2009, 38, 93–98. [Google Scholar]
- Shen, D.C. Microstructure and Properties of Laser Cladding Ni/Ni-Wc Gradient Coating on Cr12MoV Steel. Master’s Thesis, Chongqing University of Technology, Chongqing, China, 2020. [Google Scholar]
- Li, L.; Ye, H.; Liu, Y.; She, H.Y.; Qu, W.; Shen, D.C.; Chen, L. Microstructure and Wear resistance of Laser Cladding Ni/Ni-Wc gradient coating on Cr12MoV Steel. Heat Treat. Met. 2021, 46, 223–228. [Google Scholar]
- Wang, Y.; Sheng, Y.Y.; Liu, M.; Liu, L.; Song, R.H.; Chen, J. Effect of power density on Microstructure and Wear Resistance of Cr12MoV Laser Cladding Layer. Chin. J. Nonferrous Met. 2020, 30, 355–363. [Google Scholar]
- Sun, W.Q. Experimental study on the macroscopic morphology of Ni/WC powder single pass cladding layer. Mach. Des. Manuf. 2021, 2, 221–227. [Google Scholar]
- Ma, Q.S.; Li, Y.J.; Wang, J.; Liu, K. Homogenization of Carbides in Ni60/WC Composite Coatings Made by Fiber Laser Remelting. Mater. Manuf. Process. 2015, 30, 1417–1424. [Google Scholar] [CrossRef]















| Elements | Cr | C | Mo | V | Si | Mn |
|---|---|---|---|---|---|---|
| Mass percentage (wt%) | 11.0~12.5 | 1.4~1.70 | 0.4~0.6 | 0.2~0.3 | ≤0.4 | ≤0.4 |
| Elements | Cr | B | Si | C | Fe | Ni |
|---|---|---|---|---|---|---|
| Mass percentage (wt%) | 14~17 | 2.5~4.5 | 3~4.5 | 0.6~0.9 | ≤15 | Bal. |
| Position | C | V | Cr | Fe | Ni | Mo | W |
|---|---|---|---|---|---|---|---|
| 1 | 20.37 | 0.28 | 41.60 | 19.76 | 17.05 | 0.00 | 0.93 |
| 2 | 24.83 | 0.07 | 7.06 | 19.41 | 47.45 | 0.00 | 1.18 |
| 3 | 31.11 | 0.05 | 32.82 | 13.34 | 21.68 | 0.00 | 1.01 |
| 4 | 23.75 | 0.04 | 8.91 | 19.48 | 46.72 | 0.00 | 1.10 |
| Element | B | C | Si | Cr | Fe | Ni | W |
|---|---|---|---|---|---|---|---|
| mass percentage | 0.00 | 45.27 | 0.09 | 25.69 | 28.89 | 0.00 | 0.06 |
| Element | O | Si | Cr | Fe | Mo |
|---|---|---|---|---|---|
| At% | 22.00 | 0.88 | 9.02 | 67.93 | 0.18 |
Publisher’s Note: MDPI stays neutral with regard to jurisdictional claims in published maps and institutional affiliations. |
© 2022 by the authors. Licensee MDPI, Basel, Switzerland. This article is an open access article distributed under the terms and conditions of the Creative Commons Attribution (CC BY) license (https://creativecommons.org/licenses/by/4.0/).
Share and Cite
Gao, Y.; Tong, Y.; Guohui, L.; Lu, P.; Zhang, D. Microstructure and Mechanical Properties of Ni-Based Alloy Composite Coating on Cr12MoV by Laser Cladding. Coatings 2022, 12, 1632. https://doi.org/10.3390/coatings12111632
Gao Y, Tong Y, Guohui L, Lu P, Zhang D. Microstructure and Mechanical Properties of Ni-Based Alloy Composite Coating on Cr12MoV by Laser Cladding. Coatings. 2022; 12(11):1632. https://doi.org/10.3390/coatings12111632
Chicago/Turabian StyleGao, Yali, Yan Tong, Li Guohui, Pengyong Lu, and Dongdong Zhang. 2022. "Microstructure and Mechanical Properties of Ni-Based Alloy Composite Coating on Cr12MoV by Laser Cladding" Coatings 12, no. 11: 1632. https://doi.org/10.3390/coatings12111632
APA StyleGao, Y., Tong, Y., Guohui, L., Lu, P., & Zhang, D. (2022). Microstructure and Mechanical Properties of Ni-Based Alloy Composite Coating on Cr12MoV by Laser Cladding. Coatings, 12(11), 1632. https://doi.org/10.3390/coatings12111632
