Next Article in Journal
Low-Temperature Predicted Structures of Ag2S (Silver Sulfide)
Previous Article in Journal
The Influence of TiO2 Nanoparticles Morphologies on the Performance of Lithium-Ion Batteries
 
 
Font Type:
Arial Georgia Verdana
Font Size:
Aa Aa Aa
Line Spacing:
Column Width:
Background:
Article

Selectivity of MOFs and Silica Nanoparticles in CO2 Capture from Flue Gases

by
Felicia Bucura
,
Stefan-Ionut Spiridon
,
Roxana Elena Ionete
,
Florian Marin
,
Anca Maria Zaharioiu
,
Adrian Armeanu
,
Silviu-Laurentiu Badea
,
Oana Romina Botoran
,
Eusebiu Ilarian Ionete
,
Violeta-Carolina Niculescu
* and
Marius Constantinescu
*
National Research and Development Institute for Cryogenic and Isotopic Technologies—ICSI Ramnicu Valcea, 4 Uzinei Street, P.O. Box Raureni 7, 240050 Ramnicu Valcea, Romania
*
Authors to whom correspondence should be addressed.
Nanomaterials 2023, 13(19), 2637; https://doi.org/10.3390/nano13192637
Submission received: 30 August 2023 / Revised: 21 September 2023 / Accepted: 23 September 2023 / Published: 25 September 2023

Abstract

:
Until reaching climate neutrality by attaining the EU 2050 level, the current levels of CO2 must be mitigated through the research and development of resilient technologies. This research explored potential approaches to lower CO2 emissions resulting from combustion fossil fuels in power plant furnaces. Different nanomaterials (MOFs versus silica nanoparticles) were used in this context to compare their effectiveness to mitigate GHG emissions. Porous materials known as metal–organic frameworks (MOFs) are frequently employed in sustainable CO2 management for selective adsorption and separation. Understanding the underlying mechanism is difficult due to their textural characteristics, the presence of functional groups and the variation in technological parameters (temperature and pressure) during CO2-selective adsorption. A silica-based nanomaterial was also employed in comparison. To systematically map CO2 adsorption as a function of the textural and compositional features of the nanomaterials and the process parameters set to a column-reactor system (CRS), 160 data points were collected for the current investigation. Different scenarios, as a function of P (bar) or as a function of T (K), were designed based on assumptions, 1 and 5 vs. 1–10 (bar) and 313.15 and 373.15 vs. 313.15–423.15 (K), where the regression analyses through Pearson coefficients of 0.92–0.95, coefficients of determination of 0.87–0.90 and p-values < 0.05, on predictive and on-site laboratory data, confirmed the performances of the CRS.

1. Introduction

Earth’s climate has continuously undergone changes; however, the current rate of global warming is unprecedented, particularly within the past 22,000 years [1]. This unparalleled transformation has raised concerns that some components of the climate may exceed a critical threshold [2,3,4]. It is widely accepted that the Earth’s climate system has experienced substantial and abrupt changes in the past when it exceeded certain thresholds [5,6]. Furthermore, even if atmospheric greenhouse gas (GHG) levels are reduced, the Earth’s climate system may not permanently revert to its initial state within a given period, indicating the presence of irreversibility and hysteresis within the climate system [7]. To address the limitations of the liquid amine process stream, one potential solution lies in the utilization of solid adsorbents. In general, solids are easier to handle and pose fewer corrosion problems. Absorption can be split into physical, which is dependent on temperature and pressure, and chemical, where CO2 absorption depends on the acid–base neutralization reaction. Adjusting the properties of adsorbents is a solution for activating the selective separation capacity, diffusion selectivity and adsorption properties. The capture of CO2 by physical adsorption, adsorbed by the substrate, is much more efficient from an energetic point of view compared to chemical absorbents, due to the absence of the formation of new chemical bonds between the sorbate and the sorbent, small binding energies and large bonding distances of CO2 to the surface, thus requiring much less energy for regeneration. Inside the adsorbent, attractive forces act on the adsorbed molecule that balance each other; on the other hand, on the surface, the attractive forces are unbalanced or residual [8]. The robust geometry and crystallography of MOFs allow removal of the included guest species, resulting in permanent porosity. Also, MOFs possess dynamic, “soft” frameworks that respond to external stimuli, such as pressure, temperature and injected molecules, which leads to a molecular sieving mechanism. The physics of gas–sorbent interactions at the molecular level, with respect to the design of the molecular cavern for CO2, represent the key element to be researched [9]. The specialized literature reports a wide range of adsorption capacity values (a cm3/g), as a result of some tests occurring under physisorption mechanisms, with values between 0.784 and 156.8 cm3/g [10]. These are explained by the structural differences between the materials (MOFs, nanoparticles, etc.) chosen for the experiments, specific surface area (100–2000 m2g−1) and pore volume (0.1–0.5 cm3/g−1), but also the technical conditions specific to the tests: T (K), P (bar), Q (ml/min) and reactor types (design, capacity, etc.) [10,11]. The fixed-bed reactor is the most common type of cylindrical support plant filled with catalysts and inert ceramic balls to support the catalyst and improve the flow and distribution of the process gas or liquid. The reactor can have several configurations, including one large bed or multiple beds in series [12]. A tubular reactor/reformer consists of a series of tubes containing the catalyst and is normally operated at high temperatures. The processes are highly exothermic, necessitating the placement of the coolant on the exterior of the tube. The use of a single bed/layer in such a reactor configuration presents challenges in obtaining and maintaining desired temperatures [13]. In contrast, a fluidized bed reactor consists of multiple vessel units that suspend small particles of catalyst through the upward movement of the fluid with which reaction occurs. The fluid is usually a gas with a flow rate high enough to mix the particles without removing them from the reactor [14]. The phenomenon of climate change is an ongoing process, and the devastating effects are already present in every region on Earth in multiple ways, including floods, huge fires of vegetation and long droughts, the extent and frequency of which have intensified in the last decade, which causes biodiversity loss and threatens human health. Consequently, researchers from different fields of activity, energy, agriculture and waste have tried to develop beneficial practices to mitigate the effects of climate change, and the present study is no exception.
In this context, our study aims to yield immediate and quantifiable environmental benefits, such as preserving biodiversity and enhancing overall quality of life. As part of this endeavour, a column-reactor system filled with dedicated MOFs (metal–organic frameworks) and silica-derived nanomaterials, able to manage flue gases generated by a conventional power plant, was designed and tested.
MOFs represent crystalline materials with a periodic one-, two-, or three-dimensional coordination matrix designed by metal-based nodes covalently bonded to bridging organic ligands [15]. A significant number of investigations have already been conducted, mainly on CO2 capture and conversion [15]. The two synthesised MOFs (Fe-BTC and UiO-66) were chosen due to their proven adsorption capacities [16,17]. By comparison, silica-derived nanomaterials are well-known as CO2 adsorbents with high adsorption capacity and selectivity [18]. Fe-BTC, a MOF that has Fe(III) as the metallic centre and trimesic acid (BTC = 1,3,5-benzenetricarboxylate) as the organic linker, was recognized as a valuable material for selective adsorption processes [19]. Also, UiO-66, a Zr-based MOF with terephthalic acid as organic linker, has potential as adsorbent due to its large surface area, easily tuneable pore matrix and high stability [17]. The CO2 adsorption properties of mesoporous materials can be improved by introducing transition metals (copper, nickel, chromium, iron, or cerium) and require low regeneration energies [20]. However, there are few studies on the adsorption behaviour or adsorption mechanism of CO2 on these transition metal oxides. It is therefore of interest in this study.
The major objective of the present study was to investigate potential solutions to reduce CO2 emissions resulting from the combustion of fossil fuels in the boilers of power plants. Various nanomaterials (MOFs versus silica nanomaterials) were applied in order to compare their efficiency in emissions reduction.

2. Materials and Methods

2.1. Nanomaterials Preparation

All reagents were purchased from Sigma-Aldrich Chemie GmbH (Taufkirchen, Germany) and used without further processing.

2.1.1. Fe-BTC Synthesis

A previous method [19], adapted and modified, was used to prepare the Fe-BTC. In a typical synthesis, 9.2 nmol of anhydrous FeCl3 was mixed with 5.4 mmol of 1,3,5-benzentricarboxylic acid (H3BTC) in 40 mL of ultrapure water. The resulting suspension was stirred in a magnetic bath at room temperature, leading to the immediate formation of a light orange precipitate. The Fe-BTC formation reaction was monitored for 6 h for the formation of Fe-BTC crystals. Then, the resulting product was centrifuged at 4500 rpm for 10 min in 15 mL tubes. The precipitate was washed with ultrapure water and ethanol and dried under vacuum at 373 K.

2.1.2. UIO-66 Synthesis

A modified old method [21] was used to synthesize the UiO-66. First, 25 mmol of ZrCl4 was weighed into a 250 mL Erlenmeyer beaker and then 25 mmol of terephthalic acid was added. Amounts of 45 mL of acetic acid, 2.7 mL of ultrapure water and 150 mL of DMF were then added to the mixture and stirred on a magnetic plate at 303–313 K for 4 h, until the solids were almost completely dissolved. Then, the mixture was divided into two Teflon vessels and subjected to hydrothermal synthesis in a closed enclosure at 393 K for 24 h. After synthesis, Teflon dishes were cooled in ice water for 30 min, after which the mixture was centrifuged at 6000 rpm for 10 min. The supernatant was removed and the precipitate was washed with DMF, followed by 20 mL of acetone, and then dried under vacuum at 323 K.

2.1.3. Cu–Zn–MCM-41 Synthesis

The support material (MCM-41) was prepared by adapting a previously developed method [22]. Briefly, 7.7 mmol of cetyltrimethylammonium bromide (CTAB) was dispersed in 30 g of ultrapure water and the mixture was stirred for 2 h at ambient temperature. Next, 31.1 mmol of sodium silicate was added dropwise under continuous stirring for 2 h. After this time, 240 mmol of tetramethylammonium hydroxide (TMAOH) was added and the mixture was stirred for another 30 min. The pH was adjusted with concentrated sulfuric acid to 10.5. After 10–15 min, the pH was checked and the mixture was left under stirring overnight, after which it was placed in a Teflon autoclave at 373 K for 5 days. The mixture was filtered under vacuum, washed with ultrapure water and dried. The resulting white powder was calcined at 823 K for 6 h to remove excess surfactant. The support, MCM-41 (1 g), was impregnated with the aqueous solution of Cu nitrate—Cu(NO3)2.2.5 H2O (0.22 g). After impregnation, the precursor was dried for 24 h, alternately in air and at 353 K under vacuum, and then calcined up to 823 K for 6 h. To obtain the bimetallic material, the precursor containing Cu was re-impregnated with Zn nitrate—Zn(NO3)2.6 H2O (0.0455 g). The previous drying and calcination procedure was repeated, resulting in a light grey product.

2.2. Nanomaterials Characterisation

The specific surface area and pore distribution were investigated using a Quantachrome Autosorb-IQ porosity equipment (Quantachrome Instruments, Boynton Beach, FL, USA) by Brunauer–Emmett–Teller (BET) and Barrett–Joyner–Halenda (BJH) methods. Prior to analysis, the nanomaterials were degassed at 373–393 K. The morphology of all samples (before and after adsorption) was investigated using a FESEM VP Scanning Electron Microscope (Carl Zeiss, Oberkochen, Germany) at 0.8 nm resolution, 2.5 nm VP mode and 30 kV; also, EDS was applied for the determination of metal content. Functional groups were elucidated using a Cary 630 ATR-FTIR spectrophotometer (Agilent Technologies, Inc., Santa Clara, CA, USA). Prior to analysis, the samples were ground in an agate mortar and dried at 80 °C under vacuum. The FTIR spectra were registered between 4000 and 400 cm−1 (32 scans at a resolution of 8 cm−1 and a threshold of 0.002), and MicroLab Expert v.1.0.0 Software (Agilent Technologies, Inc., Santa Clara, CA, USA) was used for the interpretation.
The elemental analysis was achieved by combustion and pyrolysis coupled with gas chromatography (Flash EA2000, Thermo Scientific, Waltham, MA, USA) [23].

2.3. Adsorption Tests

To achieve the major objective, sampling campaigns of flue gases were conducted over several months, as indicated in Table 1. The sampling was carried out during periods of natural gas combustion and coal combustion.
Performance testing of the selected nanomaterials, such as Fe-BTC, UIO-66 or Cu–Zn–MCM-41, was conducted using an experimental column-reactor system of our own design (Figure 1).
The results of the analysis were obtained through multiple attempts with an RSD < 5%. In addition to instrumental investigations using GC, EA and FTIR, the performance evaluation of the column-reactor system included
a = Q × p c i c f × t m
where a = adsorption capacity, cm3/g; Q = the flow of the test gas passed over the adsorbent materials, cm3/s; p =adsorption pressure, bar; ci = CO2 concentration in the cylinder (feed gas), vol%; cf = CO2 exit concentration up to adsorbent saturation, vol%; t = breaking time, s and m = the amount of the adsorbent materials in the reactor, g [28];
η = c a c i × 100
where η = separation efficiency, %; ca = adsorbed CO2 concentration, vol% and ci = initial CO2 concentration, vol% [20] and
R C O 2 = C ¯ e ( C O 2 ) C i ( C O 2 ) C i ( C O 2 ) × 100
where R = degree of recovery, vol%; C ¯ e (CO2) = the average of the CO2 concentrations until the breaking period at the exit from the adsorbent materials, vol% and Ci (CO2) = initial CO2 concentration, vol% [29].

3. Results

3.1. Characterisation and Behaviour of the Fe-BTC

Due to Fe’s low toxicity and excellent biocompatibility, expanded usage of Fe-BTC in the GHG adsorption niche is typically viewed as an exceptionally desirable goal [30]. The tests conducted, along with related validations using GC, EA and FTIR, revealed a MOF, Fe-BTC, which has selective adsorption capacity—affinity for the investigated gas mixture—as a result of a molecular sieving effect [10]. Technically, the process involved molecules with the appropriate kinetic diameter, which were blocked and trapped in the pores of the Fe-BTC structure (CO2—3.3 Å). Also, the tests performed demonstrated that, even during the synthesis of Fe-BTC, the parameters were optimized (in terms of BET surface area and total volume of the pores) to increase the amount of adsorbed CO2; ultramicropores and narrowed micropores had a critical role for the adsorbed CO2, as presented in Table 2. The adsorption capacity, a = 188.11 cm3/g, was superior when Fe-BTC was used, by 27.5 wt.% (around 140 cm3/g at P = 8.5 bar and T = 298 K [31]), which can be correlated with the average of other BTC-type MOFs (188-210 cm3/g) [32,33], at T = 273.15–293.15 K and P = 1 bar.
The physical phenomenon of adsorption starts with the occupation of side rings, followed by the filling of unoccupied positions—channels around the unsaturated Fe atoms filled with CO2 at a pressure that is slightly increased in relation to that set in the gas regulator [34]. The presence of micropores (<0.7 nm) has been reported to be crucial for high CO2 adsorption at ambient pressures [35]. The loading of Fe-BTC with CO2 is facilitated by the electrostatic interaction of the molecule with the open or exposed metal sites of the MOF [36]. Also, CO2 molecules could form coordination compounds on Lewis sites in mesoporous MOFs, further enhancing CO2 adsorption and creating the premises for CO2 solubility inside this structure [37]. In addition, the Fe-BTC particles facilitate gas diffusion, providing an extra porous network for the transport of CO2 molecules. To validate the adsorption behaviour of Fe-BTC, a representative and defining investigation was carried out.
Gas chromatography (Figure 2) was performed to qualitatively and quantitatively determine the adsorption.
The method followed, in real time, the accelerated slope of decrease of CO2 concentration,1(5.89 vol%, reference material/initial value in house) towards 0.02 vol% (~200 ppm ± 5%), the lowest value recorded by GC, with RSD < 3%, followed by a slow return (deceleration) towards the saturation process of Fe-BTC (15.79 vol% ± 5%), the maximum measured value. Practically, the adsorption process was defined by three distinct segments: the first, ranging from 15.89 to 0.02 vol%, displaying a decrease rate of 2.24 vol%; the second, 0.02–0.55 vol%, characterized by an adsorption level, with a rate of 0.05 vol% and the third, 0.55–15.79 vol%, representing the saturation period, with a growth rate of 1.35 vol%.
Elemental analysis (EA), namely, the qualitative and quantitative determination of C (wt.%) from the Fe-BTC sample, was performed using a hybrid investigation method: combustion coupled with gas chromatography [38]. The objective of this investigation was to examine the evolution of CO2 as C in the Fe-BTC sample and the behaviour of the samples collected before and after the experiments from the developed MOF column-reactor system, with P = 1–5 bar; T = 313.15–373.115 K and Q: 100 mL/min as working conditions.
The results of the EA investigation revealed an increase in the C concentration at the end of the experiment compared to the initial levels, from Cinitial = 34.68 wt.% up to Cfinal = 39.62 wt.%.
The EA results, in conjunction with the findings from the GC and FTIR investigation, validated the high affinity for the selective adsorption of Fe-BTC towards CO2 from a gaseous mixture.
FTIR analysis (Figure 3) confirmed the presence of CO2 molecules on the surface of the nanomaterial. The intense bands at 1371 and 752 cm−1 confirmed the presence of the trimesic linker in Fe-BTC [39]. Therefore, the Fe-BTC material not only has a similar topology to a commercial MOF, named Basolite F300, but also exhibits a similar bonding environment. This suggests that the nature of the synthesized material, Fe-BTC, is probably equivalent to Basolite F300. After CO2 adsorption, the intensity of Fe-BTC specific peaks and bands decreased following adsorption (Figure 3). The lack of CO2 molecule- specific peaks does not imply that CO2 is not present, but can be correlated with the fact that it is physically adsorbed on the nanomaterial surface.
Both before and after the adsorption-desorption experiments, Fe-BTC was examined by scanning electron micrographs (SEM), and their analysis did not provide sufficient information to determine whether the adsorbate was physically present or whether the tested adsorbent underwent potential changes (Figure 4).
The Fe-BTC exhibited a homogeneous, dense structure, having granular-shaped nanoparticles with an average particle size of about 200 mm, consistent with other studies [39]. EDS analysis revealed the presence of peaks assigned to oxygen, carbon and Fe. The initial concentration of Fe was 12 wt.%, which, after adsorption, decreased to 7 wt.%, while oxygen increased from 49 wt.% up to 54 wt.%. Also, EDS confirmed the increase in C concentration, from 35 wt.% to 40 wt.%.
An investigation of the specific surface area and pore distribution was performed on the Fe-BTC nanomaterial (Figure S1—Supplementary Materials). The specific surface area of the sample was 360 m2/g, according to Brunauer–Emmett–Teller (BET), and the pore size distribution shows micropores with an average diameter of about 1.9 nm, as well as mesopores with an average diameter of around 2.4 nm. The N2 adsorption–desorption results showed that the sample has a porous structure at the boundary between micro- and mesopores, consistent with SEM morphology and literature data [40].
The calculation of predictions involves simulating scenarios by running a series of variables-drivers, coefficients and technical parameters, with the stated purpose of (i) saving resources, (ii) improvement and/or (iii) mitigation of hazards associated with the technological processes being implemented [41]. In the case of Fe-BTC, a range of variables were considered to predict the CO2 adsorption capacity. The key parameters, P (bar) and T (K), were selected based on the literature and third influence on the adsorption processes within the MOF column-reactor system, as depicted in Figure 5. The predictions of the adsorption capacity dynamics, a (cm3/g), were evaluated using the equations common to the linear interpolation and extrapolation functions [42]:
y = y 1 y 2 x 2 x 1 × x x 1 + y 1
where y = independent variable; x 1 = first independent variable; x 2 = second independent variable; y 1 = function value at value x 1 ; y 2 = function value at x 2 value and
y 3 = y 1 + x x 1 x 2 x 1 × ( y 2 y 1 )
where x 1 3 and y 1 3 are the coordinate points.
In accordance with the predictions (Figure 5), each of the following scenarios was represented by two fixed intervals: (i) the prediction as a function of P (bar), 1 and 5 vs. 1–10; (ii) prediction as a function of T (K), 313.15 and 373.15 vs. 313.15–423.15. In conclusion, for Fe-BTC, the two running variables, P (bar) and T(K), for 40 points, can have a low, different impact on the evolution of the dynamics of the CO2 adsorption capacity, as follows: (i) the P (bar) variation scenario, of <0.5%, for the interval 186.58–188.11 cm3/g; (ii) the variation scenario of T (K), of <0.5%, for the interval 186.58–188.49 cm3/g.
Recyclability is an important issue for solid adsorbents. Fe-BTC illustrates an adsorption capacity value over four adsorption–desorption cycles in the range of ainitial ± 10%.

3.2. Characterisation and Behaviour of UiO-66

The selective adsorption of CO2 in UiO-66 is based on the interactions that occur between the guest molecules and the topological or chemical characteristics of the MOF as a host. Although researchers have developed a rich library of UiO-66 that varies in shape, size and physicochemical functionality, a molecular-level understanding of how structure and functionality affect adsorption and transport has yet to be fully demonstrated.
UiO-66 involves octahedral nodes with a compact cubic unit cell structure. To date, the selective CO2 adsorption capacities for UiO-66, with incorporated functionalities, have been studied and ranged from 2.7 wt.% (T = 298 K) to 25.6 wt.% (T = 273 K) [43]. MOFs of the UiO-66 class are characterized by excellent chemical, thermal and mechanical properties [44]. Furthermore, UiO-66 is considered highly stable, with increased selectivity for CO2 adsorption, high workability and efficient recyclability [45]. The selectivity of this MOF indicates a higher adsorption capacity for CO2 compared to other gases, such as CH4, N2, CO and H2. The amount of CO2 adsorbed at T = 303 K, P = 0.99 bar can reach an adsorption capacity of 23.52 cm3/g [46]. The CO2 adsorption capacity value for UiO-66 was reported in the literature [46] to be 40.79 cm3/g (298 K, 1 bar), which is equivalent to the general adsorption capacity of UiO-66 (32.10 cm3/g). This measurement is comparable to the 54.22 cm3/g measurement made in this study (Table 3).
The selective adsorption capacity performance of UiO-66 was attributed to its high specific surface area, easily tuneable pore structure and high chemical and thermal stability. However, its CO2 adsorption amount is somewhat modest compared to that of Fe-BTC, which is in accordance with the literature [17].
The results of the experiments indicate two reasons for CO2 binding inside UiO-66: (i) the different vibrational frequencies of the O=C=O asymmetric stretching mode, a configuration made by -H bonds with μ3-OH groups on the UIO-66 nodes and (ii) dispersive interactions, where the topological features of the MOF affect the adsorption of GHG gas molecules [47].
The smaller pore diameters in UiO-66 were principally responsible for the selective CO2 absorption; nevertheless, the presence of N2 atoms in the pores appears to be advantageous for improving selectivity and mechanically aids in channel narrowing [48]. Knowing that UiO-66 contains two types of pores—octahedral and tetrahedral—which differ mostly in the orientation of the terephthalic bonds so that, in the tetrahedral ones, the organic bonds are closer to the interior of the pores by their size (tetrahedral (8 Å) and octahedral (11 Å)), the working pressure of the experiments (P = 1–5 bar) favoured more than 95% filling of the tetrahedral pores with CO2, the adsorption in the octahedral pores being possible at higher pressures. This observation may lead to the conclusion that the CO2 molecules fit perfectly in the corners of the tetrahedral pores, but not in the octahedral pores. This is attributed to the known size entropy effect of CO2 in the pores [48]. In other words, tetrahedral pores contain adsorption zones with affinity for CO2 and octahedral pores do not [49]. Validation of the selective adsorption capacity of UIO-66 was investigated using gas chromatography, EA and FTIR.
Gas chromatography (Figure 6) investigated the evolution of the CO2 concentration in a gaseous mixture on three segments: the first, between 15.89–0.44 vol%, with a decrease rate of 10.92 vol%; the second, 0.44–10.31 vol%, characterized by an adsorption plateau, with a rate of 3.78 vol% and the third, 10.31–15.62 vol%, representing the saturation period, with an increase rate of 1.20 vol%, with an average rate of 0.64 vol%, from one injection to another of the sample.
Elemental analysis (EA) involved the determination of C (wt.%) concentrations in the UiO-66 samples, and the results revealed an increase in the C (wt.%) content at the end of the experiment in relation to the initial levels: Cinitial = 31.00 wt.% vs. Cfinal = 35.34 wt.%.
As in the case of Fe-BTC, FTIR analysis (Figure 7) confirmed the presence of CO2 molecules on the surface of the nanomaterial.
The spectra of both samples are consistent with the literature and show intense bands in the 1700–1250 cm−1 region, due to the carboxylate groups and deformations of the phenyl ring [50]. The bands in the region 3100–2400 cm−1 are due to C-H stretching modes. A sharp and narrow bit is detected at 3742 cm−1 and is attributed to free hydroxyls—μ3 belonging to Zr6 groups [50]. The bands at 1580 and 1390 cm−1 were associated with esters and residual terephthalic acid [50]. The band at 1658 cm−1, together with a corresponding weak band at 1092 cm−1, originates from residual DMF. The intense CO2 ν3 (O=C=O asymmetric stretching) mode registered at about 2500 cm−1 and the weaker CO2 combination bands (ν3 + 2ν2 and ν3 + ν1) from 2700 and 2950 cm−1 confirmed the existence of CO2 in the sample [51]. The literature confirmed that the CO2 combination modes can be applied for monitoring the CO2 insertion into the nanoporous materials pores, the CO2 behaviour, as well as the matrix–guest interaction [51].
SEM analysis of the UiO-66 sample (Figure 8), before and after the adsorption–desorption experiments, was not conclusive in evaluating the CO2 presence.
Both before and after adsorption, UiO-66 presents a homogeneous dense structure. In can be observed that UiO-66 consists of nano-sized crystals of octahedral shape. UiO-66 exhibits a narrow crystal size distribution between 150 and 250 nm [50]. Instead, EDS analysis revealed an increase in C concentration (from 31 wt.% up to 35 wt.%), confirming the hypothesis that CO2 was adsorbed on the MOF surface. Also, EDS confirmed the presence of the Zr metal at a concentration of 41 wt.%, which decreased after adsorption to 40%; the oxygen concentration increased from 18 wt% to 21%, also confirming the CO2 presence.
The UiO-66 material was also characterized by specific surface area and pore distribution (Figure S2—Supplementary Materials). The specific surface area of the sample was 811 m2/g, according to Brunauer–Emmett–Teller (BET), and the pore size distribution shows micropores with an average diameter of about 1.5–1.7 nm, as well as mesopores with diameter of 2.9 nm. The N2 adsorption–desorption results showed that the sample has a porous structure at the boundary between micro- and mesopores, consistent with SEM morphology and literature data [52].
The scenarios for UiO-66 ran two variables, P (bar) and T (K), with different impacts on the dynamic evolution of the CO2 adsorption capacity, as follows: (i) scenario of P (bar) variation, by ~1.5%, for the interval 52.16–54.36 cm3/g and (ii) the T (K) variation scenario, by ~1.3%, for the interval 52.05–54.22 cm3/g (Figure 9).

3.3. Characterization and Behaviour of the Cu–Zn–MCM-41

Mesoporous MCM-41 type materials are considered potential candidates for efficient adsorbents, due to their structure that facilitates the flow of GHGs [53]. The literature presents MCM-41 functionalized with monoethanolamine with a maximum CO2 adsorption capacity of 27.78–39.26 cm3/g at T = 298.15 K and P = 1 bar [54]. Also, MCM-41 adsorbent was modified with monoethanolamine and diethanolamine to improve CO2 adsorption, registering high CO2 adsorption capacity, even after 10 operating cycles [55]. The synthesized nanomaterial, denoted as Cu–Zn–MCM-41, proved further selectivity towards CO2 adsorption due to its physicochemical properties, which is in accordance with the literature [56]. The explanation regarding the selective adsorption capacity can be related to the 2D hexagonal structure and the adjustable pore diameter. Fast adsorption kinetics and maximum recorded adsorption capacity of 33.95 cm3/g CO2 were demonstrated using the developed column-reactor system (Table 4). The homogeneous arrangement in the reactor column of the filler (Cu–Zn–MCM-41) around the quartz balls—between the metal sandwich screens—allowed the contact surface to increase and the reaction time between the adsorbent and the adsorbate to be high [57,58]. The study of the physical adsorption mechanism of CO2 suggested capillary condensation caused by the nanoscale channels of Cu–Zn–MCM-41 as the main contribution [59].
Figure 10 presents the CO2 adsorption at T = 313.15–373.15 K, P = 1–5 bar and Q = 100 mL/min, where, in independent stages, (i) pure N2 passed through the silica surface in the first seconds, giving the background absorbance; (ii) CO2 replaced N2 in the flow and it was adsorbed on the silica surface; (iii) the absorbance corresponding to the process increases rapidly to reach an equilibrium state. The physical adsorption and rate were significantly improved with increasing pore size, a behaviour in contrast to that exhibited by Fe-BTC and UIO-66, due to the order degree, i.e., high crystallinity, this being consistent with a potential for higher interaction between the adsorbate and the adsorbent. Also, the weak van der Waals forces had a contribution to the physical adsorption capacity, an exothermic one—the increase in the isosteric heat between the adsorbent and adsorbate interface [20,60]. The cyclic stability of the developed Cu–Zn–MCM-41 was evaluated using reproducible adsorption–desorption experiments—under the same technical conditions—and the characterization results showed that the target adsorbents reacted successfully, showing good renewability and stability over the predetermined thermal range, 313.15–373.15 K on adsorption, at 313.15–298.15 K on desorption, with RSD ± 10%, at the end of 4 cycles [61,62]. The conclusive results place Cu–Zn–MCM-41 in the class of promising CO2 adsorbents.
Elemental analysis (EA) revealed an increase in the concentration of C (wt.%) at the end of the experiment in relation to the initial level, from Cinitial = 0.79 wt.% to Cfinal = 3.04 wt.%.
As in the case of both MOFs, FTIR analysis (Figure 11) confirmed the presence of CO2 molecules on the surface of the nanomaterial.
The peak from 1632 cm−1 corresponds to the deformation mode for the surface hydroxyl groups. The two bands from 1051 cm−1 and 805 cm−1 were assigned to stretching vibrations for symmetric and asymmetric Si-O clusters. The strain vibrations for the Si-O- groups on the silica surface were highlighted by the appearance of one peak at about 447 cm−1 [63]. Metallic interactions lead to increased distortions and vibrations of the silicon–oxygen tetrahedron, resulting in a more pronounced asymmetry [56]. When the metals were introduced, the FTIR spectrum suffered some changes: a shoulder was registered at 577 cm−1, attributed to Si-O-metal vibrations, concluding that metallic species were successfully impregnated on MCM-41. The introduction of metals was also confirmed by the disappearance of the peak at 615 cm−1 specific to stretching vibrations for the Si-O- groups on the silica surface, confirming the positioning of the metal on the silica surface. When CO2 was adsorbed on Cu–Zn–MCM-41, the peaks specific to the silica support decreased in intensity, demonstrating that CO2 targeted the silanol surface (not the areas where the metallic species were bonded). Also, the band and peaks characteristic of CO2 appeared.
The presence of prominent peaks at 1375 cm−1 and 1580 cm−1 may indicate the formation of carbamic acid, the first one being attributed to δOH, and the second one to C=O vibration [64]. One can observe a large band at about 3400 cm−1 which can be attributed to physically adsorbed water, probably present in the gas, adsorbed during the experiments or to -OH stretching of free surface OH groups [64]. The peaks from 2780–2990 cm−1 were attributed to C-H binding, which can be explained by the bond between the OH groups from the silica surface and the C from CO2 [64].
The FTIR analysis indicated that CO2 not only is physically adsorbed on the silica surface, but most likely is also trapped as carbamic acid or carbamate species, corresponding to previously conducted studies regarding CO2 binding on silica materials [65].
As in the case of both MOFs, SEM analysis was inconclusive in revealing the presence of CO2 at the nanomaterial surface (Figure 12).
Scanning electron microscopy revealed the morphology of the sample (Figure 12). The bimetallic system presented spherical and partially elongated particles with dimensions below 100 nm, the ordered morphology typical of MCM-41 mesoporous silica being maintained. EDS analysis confirmed Cu and Zn content. EDS also confirmed that, after CO2 adsorption, the C and O percent increased, from 0.8 wt.% up to 3 wt.% and from 46 wt.% up to 49 wt.%.
The Cu–Zn–MCM-41 nanomaterial was also characterized by specific surface area and pore distribution (Figure S3—Supplementary Materials). The specific surface area of the sample was 607 m2/g, according to Brunauer–Emmett–Teller (BET), and the pore size distribution shows mesopores with diameter of 3.5 nm. The mesopore volume decreased drastically when metals were introduced into the silica matrix, down to 0.492 cm3/g, one possible explanation being that the metals have entered the mesoporous silica matrix [56].
For Cu–Zn–MCM-41, the two run variables had a direct impact on the evolution of the CO2 adsorption capacity dynamics: (i) the P (bar) variation scenario, of <1%, for the interval 33.19–34.03 cm3/g; (ii) the T (K) variation scenario, of <1%, for the interval 33.14–33.95 cm3/g (Figure 13).

4. Discussion

The tests developed in the present study, run in a column-reactor system, required a comparative evaluation regarding the performances of the selected nanomaterials Fe-BTC, UIO-66 and Cu–Zn–MCM-41. The evaluation was achieved in the following conditions: (i) the gas subjected to the adsorption test—CO2; (ii) T = 313.15–373.15 K; (iii) P = 1–5 bar (Figure 14).
The study demonstrated that the developed MOFs recorded a higher CO2 adsorption capacity with increase in temperature: Fe-BTC > UIO-66 > Cu–Zn–MCM-41 (Figure 14a). In the pressure case, the increase/decrease in the absorption capacity does not follow a pattern, each material having its own specificity (sinusoidal type) without the possibility to extrapolate the situation (Figure 14b). Regarding the average values, temperature was the most influential variable in increasing CO2 adsorption, whereas pressure proved decisive for one of the MOFs, i.e., for Fe-BTC.
The predictions regarding the adsorption capacity were evaluated through four types of scenarios and regression analysis was applied for each of them, in order to estimate (i) the relationship between the quantitative variables/the strength of the relationship, (ii) the value of the dependent variable at a certain value of the independent variable and (iii) model fitting. The dependent variable is a (cm3/g) and the independent variables were T = 313.15–423.15 K and P = 1–10 bar. Multiple R, i.e., the Pearson coefficient (Table 5), varying from −1 to +1, was used to evaluate the strength of the linear relationship between the predictor variables and the response variable [66]. It was between the values of 0.92 and 0.95, which indicates a strong correlation relationship between the predictors, P and T, and the response variable, a (cm3/g).
Coefficient of determination, r2, is the proportion of variance in the response variable that can be explained by the predictor variables [67]. The value of r2 (0.87–0.90)—Table 6—indicates that >87% of the variance in adsorption capacity levels obtained can be explained by the pressures and temperatures set for the column-reactor system.
The p-value (0.0001–0.0003—Table 7) was less than the common significance level of 0.05. This indicates that the regression model is statistically significant (the model fits the data better than the model with no predictor variables) [68]. The statistical analysis using p < 0.05 indicates that there are significant changes in adsorption capacity values with changes in technological parameters [69].

5. Conclusions

Considering the physicochemical methods used in the present study as standard analytical tools for assessing the viability of CO2 adsorption operations, it is necessary to critically analyse the results obtained for each of the evaluated MOFs under similar conditions of pressure, temperature and flow in the same column-reactor system. Several key observations can be made: (i) the unique design and the unitary character of the installation, along with the arrangement of the active filling inside the reactor column, allowed an increase in the contact surface area between adsorbate and adsorbent, favouring the physical adsorption process for each tested nanomaterial; (ii) the highest dynamic of selective adsorption capacity was recorded for Fe-BTC, a: 188.11 cm3/g CO2; (iii) both temperature and pressure proved to be determining factors in increasing the selective adsorption capacity. Moreover, we show that this hybrid approach—in situ experiments (which are based on the existence of a pressure and temperature domain) and scenarios/forecasts—is a modern/efficient way to accurately predict the adsorption behaviour of developed solid materials. These findings provide valuable insights for the further optimization of the already reported conditions for the adsorption and storage of CO2, released into the atmosphere by electric and thermal power plants, using nanomaterials, replacing the classic amines, through a system like the one developed in this study. The experimental processes highlight an encouraging dynamic of the CO2-selective adsorption capacity, aligning with the results reported in the specialized literature. This opens possibilities for advancement to a higher level, such as the design of a pilot facility for the capture and storage of GHGs.

Supplementary Materials

The supporting information can be downloaded at: https://www.mdpi.com/article/10.3390/nano13192637/s1.

Author Contributions

Conceptualisation, F.B. and M.C.; Data curation, F.B., V.-C.N. and M.C.; Formal analysis, F.M., A.M.Z. and V.-C.N.; Funding acquisition, R.E.I. and M.C.; Investigation, S.-I.S., F.M., A.M.Z., A.A., S.-L.B., E.I.I. and V.-C.N.; Methodology, F.B., S.-L.B., V.-C.N. and M.C.; Project administration, M.C.; Resources, R.E.I.; Software, F.B. and M.C.; Supervision, R.E.I.; Validation, R.E.I., O.R.B. and V.-C.N.; Visualisation, O.R.B.; Writing—original draft, F.B., V.-C.N. and M.C.; Writing—review and editing, R.E.I., O.R.B. and V.-C.N. All authors have read and agreed to the published version of the manuscript.

Funding

This research was funded by the Romanian Ministry of Research, Innovation and Digitalization, under Program 1—Development of the national research and development system, Subprogram 1.1, Institutional performance—Projects to finance excellence in RDI, Contract no. 19PFE/30.12.2021 and NUCLEU Program—Financing Contract no. 20N/05.01.2023, Project PN 23 15 04 02: “Laboratory experiments valorisation in the development of technologies for the production of biofuels from agro-industrial waste”.

Institutional Review Board Statement

Not applicable.

Informed Consent Statement

Not applicable.

Data Availability Statement

The data presented in this study are available on request from the corresponding authors. The data are not publicly available due to institutional policies.

Acknowledgments

The work has been conducted under NUCLEU Program—Financing Contract no. 20N/05.01.2023, Project PN 23 15 04 02: “Laboratory experiments valorisation in the development of technologies for the production of biofuels from agro-industrial waste”, financed by the Romanian Ministry of Research Innovation and Digitalization. The authors are grateful to Claudia Sandru from Department of ICSI Analytics, Adriana Marinoiu and Amalia Soare from Department of ICSI Energy—National Research and Development Institute for Cryogenics and Isotopic Technologies—and ICSI Rm. Valcea for AAS investigations, specific surface area and pore distribution determination and SEM analysis.

Conflicts of Interest

The authors declare no conflict of interest.

References

  1. Joos, F.; Spahni, R. Rates of change in natural and anthropogenic radiative forcing over the past 20,000 years. Proc. Natl. Acad. Sci. USA 2008, 105, 1425–1430. [Google Scholar] [CrossRef]
  2. Swingedouw, D.; Speranza, C.I.; Bartsch, A.; Durand, G.; Jamet, C.; Beaugrand, G.; Conversi, A. Early Warning from Space for a Few Key Tipping Points in Physical, Biological, and Social-Ecological Systems. Surv. Geophys. 2020, 41, 1237–1284. [Google Scholar] [CrossRef]
  3. Lenton, T.M. Early warning of climate tipping points. Nat. Clim. Chang. 2011, 1, 201–209. [Google Scholar] [CrossRef]
  4. Lenton, T.M.; Held, H.; Kriegler, E.; Hall, J.W.; Lucht, W.; Rahmstorf, S.; Schellnhuber, H.J. Tipping elements in the Earth’s climate system. Proc. Natl. Acad. Sci. USA 2008, 105, 1786–1793. [Google Scholar] [CrossRef]
  5. Miller, G.H.; Geirsdóttir, Á.; Zhong, Y.; Larsen, D.J.; Otto-Bliesner, B.L.; Holland, M.M.; Bailey, D.A.; Refsnider, K.A.; Lehman, S.J.; Southon, J.R.; et al. Abrupt onset of the Little Ice Age triggered by volcanism and sustained by sea-ice/ocean feedbacks. Geophys. Res. Lett. 2012, 39, L02708. [Google Scholar] [CrossRef]
  6. Broecker, W.S. Unpleasant surprises in the greenhouse. Nature 1987, 328, 123–126. [Google Scholar] [CrossRef]
  7. Jeltsch-Thömmes, A.; Stocker, T.F.; Joos, F. Hysteresis of the Earth system under positive and negative CO2 emissions. Environ. Res. Lett. 2020, 15, 124026. [Google Scholar] [CrossRef]
  8. Li, J.R.; Ma, Y.G.; McCarthy, M.C.; Sculley, J.; Yu, J.M.; Jeong, H.K.; Balbuena, P.B.; Zhou, H.C. Carbon dioxide capture-related gas adsorption and separation in metal-organic frameworks. Coord. Chem. Rev. 2011, 255, 1791–1823. [Google Scholar] [CrossRef]
  9. Furukawa, H.; KO, N.; Go, Y.B.; Aratani, N.; Choi, S.B.; Choi, E.; Yazaydin, A.Ö.; Snurr, R.Q.; O’Keeffe, M.; Kim, J.; et al. Ultrahigh Porosity in Metal-Organic Frameworks. Science 2010, 329, 424–428. [Google Scholar] [CrossRef]
  10. Elhenawy, S.E.M.; Khraisheh, M.; AlMomani, F.; Walker, G. Metal-Organic Frameworks as a Platform for CO2 Capture and Chemical Processes: Adsorption, Membrane Separation, Catalytic-Conversion, and Electrochemical Reduction of CO2. Catalysts 2020, 10, 1293. [Google Scholar] [CrossRef]
  11. Sneddon, G.; Greenaway, A.; Yiu, H.H.P. The potential applications of nanoporous materials for the adsorption, separation, and catalytic conversion of carbon dioxide. Adv. Energy Mater. 2014, 4, 1301873. [Google Scholar] [CrossRef]
  12. Available online: https://www.catalystseurope.org (accessed on 7 May 2023).
  13. Lee, J.; Cho, H.; Kim, M.; Hall, S.; Moon, I. Double-Tube Reactor Design and Process Optimization for On-Site Steam Methane Reforming Processes. Ind. Eng. Chem. Res. 2020, 59, 18028–18038. [Google Scholar] [CrossRef]
  14. Available online: https://www.sciencedirect.com/topics/nursing-and-health-professions/fluidized-bed-reactor (accessed on 7 May 2023).
  15. Mahajan, S.; Lahtinen, M. Recent progress in metal-organic frameworks (MOFs) for CO2 capture at different pressures. JECE 2022, 10, 108930. [Google Scholar] [CrossRef]
  16. Du, M.; Li, L.; Li, M.; Si, R. Adsorption mechanism on metal organic frameworks of Cu-BTC, Fe-BTC and ZIF-8 for CO2 capture investigated by X-ray absorption fine structure. RSC Adv. 2016, 6, 62705–62716. [Google Scholar] [CrossRef]
  17. Le, V.N.; Vo, T.K.; Yoo, K.S.; Kim, J. Enhanced CO2 adsorption performance on amino-defective UiO-66 with 4-amino benzoic acid as the defective linker. Sep. Purif. Technol. 2021, 274, 119079. [Google Scholar] [CrossRef]
  18. Oliveira, D.E.F.; Chagas, J.A.O.; de Lima, A.L.; Mota, C.J.A. CO2 Capture over MCM-41 and SBA-15 Mesoporous Silicas Impregnated with Chitosan. Ind. Eng. Chem. Res. 2022, 61, 10522–10530. [Google Scholar] [CrossRef]
  19. Conde-González, J.E.; Peña-Méndez, E.M.; Melián-Fernández, A.M.; Havel, J.; Salvadó, V. Synthesis, performance and mechanism of nanoporous Fe-(1,3,5-tricarboxylic acid) metal-organic framework in the removal of anionic dyes from water. Environ. Nanotechnol. Monit. Manag. 2021, 16, 100541. [Google Scholar] [CrossRef]
  20. Chanapattharapol, K.C.; Krachuamram, S.; Youngme, S. Study of CO2 adsorption on iron oxide doped MCM-41. Microporous Mesoporous Mater. 2017, 245, 8–15. [Google Scholar] [CrossRef]
  21. Moghaddam, Z.S.; Kaykhaii, M.; Khajeh, M.; Oveisi, A.R. Synthesis of UiO-66-OH zirconium metal-organic framework and its application for selective extraction and trace determination of thorium in water samples by spectrophotometry. Spectrochim. Acta A Mol. Biomol. Spectrosc. 2018, 194, 76–82. [Google Scholar] [CrossRef]
  22. Niculescu, V.; Ene, R.; Iordache, I.; Parvulescu, V. Hybrid materials obtained by nickel immobilization on mesoporous MCM-41 and their application in alcohols oxidation. Prog. Cryog. Isot. Sep. 2012, 15, 97–104. [Google Scholar]
  23. Constantinescu, M.; Bucura, F.; Ionete, R.-E.; Niculescu, V.-C.; Ionete, E.I.; Zaharioiu, A.; Oancea, S.; Miricioiu, M.G. Comparative Study on Plastic Materials as a New Source of Energy. Mater. Plast. 2019, 56, 41–46. [Google Scholar] [CrossRef]
  24. ISO 6976-16; Natural Gas—Calculation of Calorific Values, Density, Relative Density and Wobbe Indices from Composition. ISO: Geneva, Switherland, 2016.
  25. ASTM D1946-19; Standard Practice for Analysis of Reformed Gas by Gas Chromatography. ASTM: West Conshohocken, PA, USA, 2019.
  26. Nelson, G. Gas Mixtures Preparation and Control; Taylor&Francis: New York, NY, USA, 1992; 304p, ISBN 9780367579975. [Google Scholar] [CrossRef]
  27. Miricioiu, M.G.; Zaharioiu, A.; Oancea, S.; Bucura, F.; Raboaca, M.S.; Filote, C.; Ionete, R.E.; Niculescu, V.C.; Constantinescu, M. Sewage Sludge Derived Materials for CO2 Adsorption. Appl. Sci. 2021, 11, 7139. [Google Scholar] [CrossRef]
  28. Văduva, M.; Stanciu, V. Selective carbon dioxide adsorption from N2-CH4-CO2 mixture on carbon molecular sieves. U.P.B. Sci. Bull. 2007, 67, 1454–2331. [Google Scholar]
  29. Văduva, M.; Stanciu, V. Carbon molecular sieves production and performance assessment in CO2 separation by selective adsorption. U.P.B. Sci. Bull. 2007, 69, 1454–2331. [Google Scholar]
  30. Sciortino, L.; Alessi, A.; Messina, F.; Buscarino, G.; Gelardi, F.M. Structure of the Fe-BTC Metal-Organic Framework: A Model Based on the Local Environment Study. J. Phys. Chem. A 2015, 119, 7826–7830. [Google Scholar] [CrossRef]
  31. Yurduşen, A.; Yürüm, A.; Yürüm, Y. The role of ultramicropores in the CO2 adsorption capacity of Fe-BTC crystallites synthesized with a perturbation-assisted nanofusion synthesis strategy. CrystEngComm 2020, 5, 932–944. [Google Scholar] [CrossRef]
  32. Liu, Y.; Liu, S.; Gonçalves, A.A.S.; Jaroniec, M. Effect of metal-ligand ratio on the CO2 adsorption properties of Cu-BTC metal–organic frameworks. RCS Adv. 2018, 62, 35551–35556. [Google Scholar] [CrossRef]
  33. Zhaoab, Y.; Seredycha, M.; Jagielloc, J.; Zhong, Q.; Bandosz, T.J. Insight into the mechanism of CO2 adsorption on Cu-BTC and its composites with graphite oxide or aminated graphite oxide. Chem. Eng. J. 2014, 239, 399–407. [Google Scholar] [CrossRef]
  34. Yang, Q.Y.; Xue, C.Y.; Zhong, C.L.; Chen, J.F. Molecular simulation of separation of CO2 from flue gases in CU-BTC metal-organic framework. AIChE J. 2007, 53, 2832–2840. [Google Scholar] [CrossRef]
  35. Huang, W.; Zhou, X.; Xia, Q.; Peng, J.; Wang, H.; Li, Z. Preparation and Adsorption Performance of GrO@Cu-BTC for Separation of CO2/CH4. Ind. Eng. Chem. Res. 2014, 53, 11176–11184. [Google Scholar] [CrossRef]
  36. Nabais, A.R.; Ribeiro, R.P.P.L.; Mota, J.P.B.; Alves, V.D.; Esteves, I.A.A.C.; Neves, L.A. CO2/N2 gas separation using Fe(BTC)-based mixed matrix membranes: A view on the adsorptive and filler properties of metal-organic frameworks. Sep. Purif. Technol. 2018, 202, 174–184. [Google Scholar] [CrossRef]
  37. Llewellyn, P.L.; Bourrelly, S.; Serre, C.; Vimont, A.; Daturi, M.; Hamon, L.; De Weireld, G.; Chang, J.-S.; Hong, D.-Y.; Hwang, Y.K.; et al. High uptakes of CO2 and CH4 in mesoporous metal-organic frameworks MIL-100 and MIL-101P. Langmuir 2008, 24, 7245–7250. [Google Scholar] [CrossRef] [PubMed]
  38. ASTM D 5373-21; Standard Test Methods for Determination of Carbon, Hydrogen and Nitrogen in Analysis Samples of Coal and Carbon in Analysis Samples of Coal and Coke. ASTM: West Conshohocken, PA, USA, 2021.
  39. Hu, X.; Lou, X.; Li, C.; Ning, Y.; Liao, Y.; Chen, Q.; Mananga, E.S.; Shen, M.; Hu, B. Facile synthesis of the Basolite F300-like nanoscale Fe-BTC framework and its lithium storage properties. RSC Adv. 2016, 6, 114483–114490. [Google Scholar] [CrossRef]
  40. Oveisi, A.R.; Khorramabadi-Zad, A.; Daliran, S. Iron-based metal-organic framework, Fe(BTC): An effective dual-functional catalyst for oxidative cyclization of bisnaphthols and tandem synthesis of quinazolin-4(3H)-ones. RSC Adv. 2016, 6, 1136–1142. [Google Scholar] [CrossRef]
  41. Available online: https://www.res.org.uk (accessed on 7 May 2023).
  42. Available online: https://study.com (accessed on 7 May 2023).
  43. Usman, M.; Helal, A.; Abdelnaby, M.M.; Alloush, A.M.; Zeama, M.; Yamani, Z.H. Trends and prospects in UiO-66 metal-organic framework for CO2 capture, separation, and conversion. Chem. Rec. 2021, 21, 1771–1791. [Google Scholar] [CrossRef]
  44. Khabzina, Y.; Dhainaut, J.; Ahlhelm, M.; Richter, H.-J.; Reinsch, H.; Stock, N.; Farruseng, D. Synthesis and shaping scale-up study of functionalized UiO-66 MOF for ammonia air purification filters. Ind. Eng. Chem. Res. 2018, 57, 8200–8208. [Google Scholar] [CrossRef]
  45. Bhadra, B.N.; Ahmed, I.; Lee, H.J.; Jhung, S.H. Metal-organic frameworks bearing free carboxylic acids: Preparation, modification, and applications. Coord. Chem. Rev. 2022, 450, 214237. [Google Scholar] [CrossRef]
  46. Wang, G.; Graham, E.; Zheng, S.; Zhu, J.; Zhu, R.; Hongping, H.; Zhiming, S.; Mackinnon, I.D.R.; Xi, Y. Diatomite-Metal-Organic framework composite with hierarchical pore structures for adsorption/desorption of hydrogen, carbon dioxide and water vapor. Materials 2020, 13, 4700. [Google Scholar] [CrossRef]
  47. Grissom, T.G.; Driscoll, D.M.; Troya, D.; Sapienza, N.S.; Usov, P.M.; Morris, A.J.; Morris, J.R. Molecular-Level Insight into CO2 Adsorption on the Zirconium-Based Metal-Organic Framework, UiO-66: A Combined Spectroscopic and Computational Approach. J. Phys. Chem. C 2019, 123, 13731–13738. [Google Scholar] [CrossRef]
  48. Koutsianos, A.; Kazimierska, E.; Barron, A.R.; Taddei, M.; Andreoli, E. A new approach to enhancing the CO2 capture performance of defective UiO-66 via post-synthetic defect exchange. Transactions 2019, 48, 3349–3359. [Google Scholar] [CrossRef] [PubMed]
  49. Jajko, G.; Kozyra, P.; Gutiérrez-Sevillano, J.J.; Makowski, W.; Calero, S. Carbon Dioxide Capture Enhanced by Pre-Adsorption of Water and Methanol in UiO-66. Chem. A Eur. J. 2021, 27, 14653–14659. [Google Scholar] [CrossRef]
  50. Chakarova, K.; Strauss, I.; Mihaylov, M.; Drenchev, N.; Hadjiivanov, K. Evolution of acid and basic sites in UiO-66 and UiO-66-NH2 metal-organic frameworks: FTIR study by probe molecules. Microporous Mesoporous Mater. 2019, 281, 110–122. [Google Scholar] [CrossRef]
  51. Jiang, S. Investigations of the High Pressure Effects on Structural Properties and CO2 Adsorption Performance of MOFs Using Vibrational Spectroscopy. Ph.D. Thesis, Western University, London, ON, Canada, 2019. Available online: https://ir.lib.uwo.ca/etd/6721 (accessed on 16 August 2023).
  52. Chen, X.; Li, Y.; Fu, Q.; Qin, H.; Lv, J.; Yang, K.; Zhang, Q.; Zhanga, H.; Wang, M. An efficient modulated synthesis of zirconium metal–organic framework UiO-66. RSC Adv. 2022, 12, 6083–6092. [Google Scholar] [CrossRef]
  53. de Souza Bott, I.; de Miranda, J.L.; de Queiroz Fernandes Araujo, O.; van den Bylaardt, R. Adsorption of CO2 in MCM-41 Synthesized Using Mixed Surfactants. Appl. Mech. Mater. 2016, 830, 11–18. [Google Scholar] [CrossRef]
  54. Ahmed, S.; Ramli, A.; Yusup, S. CO2 adsorption study on primary, secondary and tertiary amine functionalized Si-MCM-41. Int. J. Greenh. Gas Control. 2016, 51, 230–238. [Google Scholar] [CrossRef]
  55. Kamarudin, K.S.N.; Alias, N.H. Adsorption performance of MCM-41 impregnated with amine for CO2 removal. Fuel Process. Technol. 2013, 106, 332–337. [Google Scholar] [CrossRef]
  56. Fasanya, O.O.; Atta, A.Y.; Myint, M.T.Z.; Dutta, J.; Jibril, B.Y. Effects of synthesis methods on performance of CuZn/MCM-41 catalysts in methanol steam reforming. Int. J. Hydrogen Energy 2020, 46, 3539–3553. [Google Scholar] [CrossRef]
  57. Hachemaoui, M.; Molina, C.B.; Belver, C.; Bedia, J.; Mokhtar, A.; Hamacha, R.; Boukoussa, B. Metal-Loaded Mesoporous MCM-41 for the Catalytic Wet Peroxide Oxidation (CWPO) of Acetaminophen. Catalysts 2021, 11, 219. [Google Scholar] [CrossRef]
  58. Liu, X.; Song, Y.; Geng, W.; Li, H.; Xiao, L.; Wu, W. Cu-Mo2C/MCM-41: An Efficient Catalyst for the Selective Synthesis of Methanol from CO2. Catalysts 2016, 6, 75. [Google Scholar] [CrossRef]
  59. Zhao, H.-L.; Hu, J.; Wang, J.-J.; Zhou, L.-H.; Liu, H.-L. CO2 Capture by the Amine-modified Mesoporous Materials. Acta Phys. Chim. Sin. 2007, 23, 801–806. [Google Scholar] [CrossRef]
  60. Liu, Z.; Teng, Y.; Zhang, K. Evaluation of Optimal Pore Size of (3-Aminopropyl) triethoxysilane Grafted MCM-41 for Improved CO2 Adsorption. J. Chem. 2015, 2015, 608265. [Google Scholar] [CrossRef]
  61. Rao, N.; Wang, M.; Shang, Z.; Hou, Y.; Fan, G.; Li, J. CO2 Adsorption by Amine-Functionalized MCM-41: A Comparison between Impregnation and Grafting Modification Methods. Energy Fuels 2018, 32, 670–677. [Google Scholar] [CrossRef]
  62. Wang, X.; Guo, Q.; Zhao, J.; Chen, L. Mixed amine-modified MCM-41 sorbents for CO2 capture. Int. J. Greenh. Gas Control 2015, 37, 90–98. [Google Scholar] [CrossRef]
  63. Liang, X.; Xu, Y.; Sun, G.; Wang, L.; Sun, Y.; Qin, X. Preparation, characterization of thiol-functionalized silica and application for sorption of Pb2+ and Cd2+. Colloids Surfaces A Physicochem. Eng. Asp. 2009, 349, 61–68. [Google Scholar] [CrossRef]
  64. Knöfel, C.; Martin, C.; Hornebecq, V.; Llewellyn, P.L. Study of Carbon Dioxide Adsorption on Mesoporous Aminopropylsilane-Functionalized Silica and Titania Combining Microcalorimetry and in Situ Infrared Spectroscopy. J. Phys. Chem. C 2009, 113, 21726–21734. [Google Scholar] [CrossRef]
  65. Hedin, N.; Bacsik, Z. Perspectives on the adsorption of CO2 on amine-modified silica studied by infrared spectroscopy. Curr. Opin. Green Sustain. Chem. 2019, 16, 13–19. [Google Scholar] [CrossRef]
  66. Kaushal, A.; Singh, S.K. Critical analysis of adsorption data statistically. Appl. Water Sci. 2017, 7, 3191–3196. [Google Scholar] [CrossRef]
  67. Chicco, D.; Warrens, M.J.; Jurman, G. The coefficient of determination R-squared is more informative than SMAPE, MAE, MAPE, MSE and RMSE in regression analysis evaluation. PeerJ Comput. Sci. 2021, 7, e623. [Google Scholar] [CrossRef]
  68. Altman, N.; Krzywinski, M. Interpreting P values. Nat. Methods 2017, 14, 2013–2014. [Google Scholar] [CrossRef]
  69. Tezer, O.; Karabag, N.; Ongen, A.; Ayol, A. Gasification performance of olive pomace in updraft and downdraft fixed bed reactors. Int. J. Hydrogen Energy 2023, 48, 22909–22920. [Google Scholar] [CrossRef]
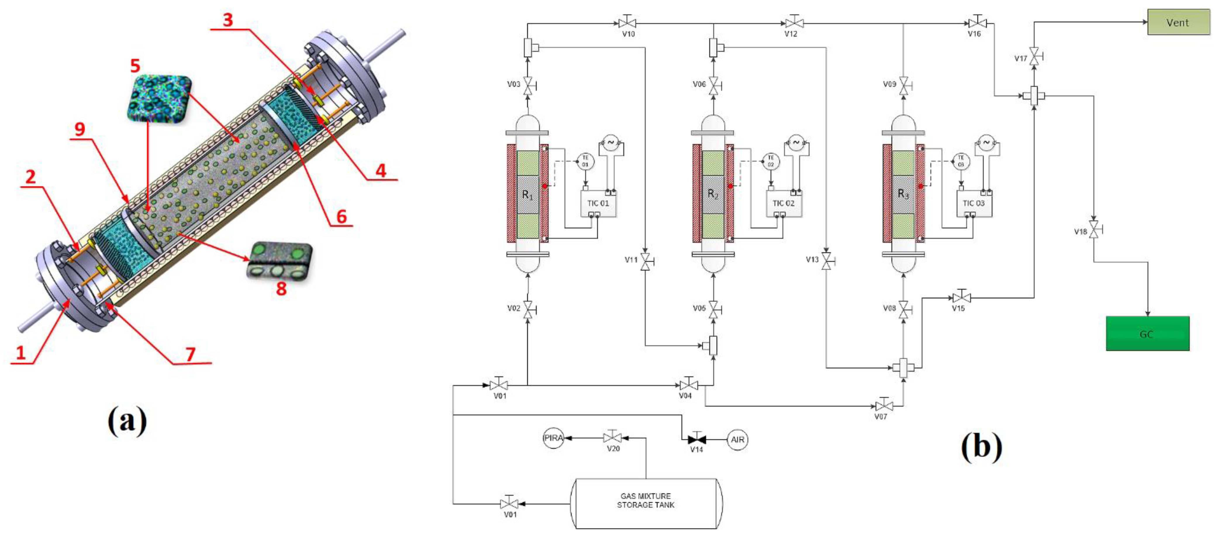
Figure 1. The 3D image of the adsorption column-reactor system (a) and the system flowsheet (b). The prototype installation for testing selected catalysts presents the following technological components: (a) column-reactors, 3 in number, made of stainless steel material: (1) flange system; (2) threaded bar system/centerer; (3) threaded welded clamping lugs; (4) pressing ring with movable cutout-welded mesh; (5) chamber for secondary filling, mix of quartz balls and quartz wool; (6) fixed ring without welded mesh; (7) pipe body (306 L); (8) filler space, nanomaterial mix and quartz balls; (9) variable-controllable thermostatic ceramic heating coil. Specific parameters of the column-reactor: (i) total height Ht = 274 mm; (ii) useful height (between the column flanges) Hu = 260 mm; (iii) outer diameter Ø = 54 mm; (iv) catalytic filling space height Hc = 135 mm. A column-reactor is mounted in a vertical position and loaded with the selected MOFs. (b) The AMC equipment (RED-BOX TCS, USA) allows the control of the installation for the operating parameters, respectively, for the thermostatic collars of the column-reactor system, which have the following technical characteristics: (i) inner Ø = 54 mm; (ii) power/necklace: 500–700 W; (iii) thermostatic collar area on column-reactor: 120 mm; (iv) wires covered in metallic braid; (v) connection with protective box; (vi) thermocouple, range of 288–623 K; (vii) type of screw tightening. AMC equipment is provided with connection blocks/junction boxes and connectors resistant to water, dust and possible chemical contaminants. The flue gases from the exhaust stacks of the power plants, as well as the binary test mixture and the gas resulting from the reactions with selected materials, were investigated both qualitatively and quantitatively to determine the evolution of CO2 concentrations by the gas-chromatographic method (GC CP3800 Varian Inc., Palo Alto, CA, USA) [24,25]. The binary test mixture of CO2 (15.89 vol%) and N2 (as balance) was carried out using the partial pressure method [26]. Combustion method coupled with gas chromatography (Flash EA2000, Thermo Scientific, Waltham, MA, USA) was used under the conditions of a reactor filled with CuO, electrolytic copper and quartz wool, with Treactor = 677 K and mnanomaterial = 0.3 ± 0.05 mg, and the amino acid BBOT for the calibration curve, to perform the evolution of the elemental carbon (C wt.%) content in the selected materials [27].
Figure 1. The 3D image of the adsorption column-reactor system (a) and the system flowsheet (b). The prototype installation for testing selected catalysts presents the following technological components: (a) column-reactors, 3 in number, made of stainless steel material: (1) flange system; (2) threaded bar system/centerer; (3) threaded welded clamping lugs; (4) pressing ring with movable cutout-welded mesh; (5) chamber for secondary filling, mix of quartz balls and quartz wool; (6) fixed ring without welded mesh; (7) pipe body (306 L); (8) filler space, nanomaterial mix and quartz balls; (9) variable-controllable thermostatic ceramic heating coil. Specific parameters of the column-reactor: (i) total height Ht = 274 mm; (ii) useful height (between the column flanges) Hu = 260 mm; (iii) outer diameter Ø = 54 mm; (iv) catalytic filling space height Hc = 135 mm. A column-reactor is mounted in a vertical position and loaded with the selected MOFs. (b) The AMC equipment (RED-BOX TCS, USA) allows the control of the installation for the operating parameters, respectively, for the thermostatic collars of the column-reactor system, which have the following technical characteristics: (i) inner Ø = 54 mm; (ii) power/necklace: 500–700 W; (iii) thermostatic collar area on column-reactor: 120 mm; (iv) wires covered in metallic braid; (v) connection with protective box; (vi) thermocouple, range of 288–623 K; (vii) type of screw tightening. AMC equipment is provided with connection blocks/junction boxes and connectors resistant to water, dust and possible chemical contaminants. The flue gases from the exhaust stacks of the power plants, as well as the binary test mixture and the gas resulting from the reactions with selected materials, were investigated both qualitatively and quantitatively to determine the evolution of CO2 concentrations by the gas-chromatographic method (GC CP3800 Varian Inc., Palo Alto, CA, USA) [24,25]. The binary test mixture of CO2 (15.89 vol%) and N2 (as balance) was carried out using the partial pressure method [26]. Combustion method coupled with gas chromatography (Flash EA2000, Thermo Scientific, Waltham, MA, USA) was used under the conditions of a reactor filled with CuO, electrolytic copper and quartz wool, with Treactor = 677 K and mnanomaterial = 0.3 ± 0.05 mg, and the amino acid BBOT for the calibration curve, to perform the evolution of the elemental carbon (C wt.%) content in the selected materials [27].
Nanomaterials 13 02637 g001
Figure 2. Fe-BTC evolution of selective CO2 adsorption by GC investigation.
Figure 2. Fe-BTC evolution of selective CO2 adsorption by GC investigation.
Nanomaterials 13 02637 g002
Figure 3. FTIR spectra for Fe-BTC before and after adsorption.
Figure 3. FTIR spectra for Fe-BTC before and after adsorption.
Nanomaterials 13 02637 g003
Figure 4. Fe-BTC SEM images, before (a) and after (b) adsorption experiments.
Figure 4. Fe-BTC SEM images, before (a) and after (b) adsorption experiments.
Nanomaterials 13 02637 g004
Figure 5. Fe-BTC predictions of adsorption capacity: (a) with variable P (bar) and constant T (K), (b) with variable T (K) and constant P (bar).
Figure 5. Fe-BTC predictions of adsorption capacity: (a) with variable P (bar) and constant T (K), (b) with variable T (K) and constant P (bar).
Nanomaterials 13 02637 g005
Figure 6. UIO-66—evolution of selective CO2 adsorption by GC investigation.
Figure 6. UIO-66—evolution of selective CO2 adsorption by GC investigation.
Nanomaterials 13 02637 g006
Figure 7. UiO-66 FTIR spectra before and after adsorption.
Figure 7. UiO-66 FTIR spectra before and after adsorption.
Nanomaterials 13 02637 g007
Figure 8. UiO-66 SEM images before (a) and after (b) the adsorption.
Figure 8. UiO-66 SEM images before (a) and after (b) the adsorption.
Nanomaterials 13 02637 g008
Figure 9. UIO-66. Predictions of adsorption capacity: (a) with variable P (bar) and constant T (K), (b) with variable T (K) and constant P (bar).
Figure 9. UIO-66. Predictions of adsorption capacity: (a) with variable P (bar) and constant T (K), (b) with variable T (K) and constant P (bar).
Nanomaterials 13 02637 g009
Figure 10. Cu–Zn–MCM-41: evolution of selective CO2 adsorption by GC investigation.
Figure 10. Cu–Zn–MCM-41: evolution of selective CO2 adsorption by GC investigation.
Nanomaterials 13 02637 g010
Figure 11. Cu–Zn–MCM-41 FTIR spectra before and after adsorption.
Figure 11. Cu–Zn–MCM-41 FTIR spectra before and after adsorption.
Nanomaterials 13 02637 g011
Figure 12. Cu–Zn–MCM-41 SEM images before (a) and after (b) the adsorption.
Figure 12. Cu–Zn–MCM-41 SEM images before (a) and after (b) the adsorption.
Nanomaterials 13 02637 g012
Figure 13. Cu–Zn–MCM-41—predictions of adsorption capacity: (a) variable P (bar) and constant T (K), (b) variable T (K) and constant P (bar).
Figure 13. Cu–Zn–MCM-41—predictions of adsorption capacity: (a) variable P (bar) and constant T (K), (b) variable T (K) and constant P (bar).
Nanomaterials 13 02637 g013
Figure 14. Nanomaterials’ adsorption capacity—temperature variation (a), pressure variation (b).
Figure 14. Nanomaterials’ adsorption capacity—temperature variation (a), pressure variation (b).
Nanomaterials 13 02637 g014
Table 1. CO2 levels in the flue gases (vol%).
Table 1. CO2 levels in the flue gases (vol%).
Fuel TypeSample IDs
Sampling monthNovemberDecemberJanuaryFebruaryMarch
Number of samplings/month32
CO2 Average/Coal (lignite)15.02015.02015.02015.02015.020
CO2 Average/Natural gas4.1143.0473.9563.1774.008
Table 2. Fe-BTC column-reactor system (CRS) experiment sheet.
Table 2. Fe-BTC column-reactor system (CRS) experiment sheet.
Technological Parameters (Variables)Validation of the CRS
Treactor column (K)P (bar)tbreakthrough time, min (CO2)a (cm3/g)η, (%)R (%v.v)
313.15140.00186.5899.8797.43
313.1558.64187.0392.7088.97
373.15140.32187.8499.7594.03
373.1558.46188.1195.2292.69
Vreactor column (cm3)510
Qtest gas mixture (mL/min)100
m (g)~4.5
mquartz balls (g)~335
Table 3. UiO-66 column-reactor system experiment sheet.
Table 3. UiO-66 column-reactor system experiment sheet.
Technological Parameters (Variables)Validation of the CRS
Treactor column (K)P (bar)tbreakthrough time, min (CO2)a (cm3/g)η, (%)R (vol%)
313.15112.0053.6797.2297.22
313.1553.8354.2261.5561.55
373.15112.4153.8294.2794.27
373.1554.4652.4951.1651.16
Vreactor column (cm3)510
Qtest gas mixture (mL/min)100
m (g)~8.2
mquartz balls (g)~337
Table 4. Cu–Zn–MCM-41 column-reactor system experiment sheet.
Table 4. Cu–Zn–MCM-41 column-reactor system experiment sheet.
Technological Parameters (Variables)Validation of the CRS
Treactor column (K)Pworking (bar)tbreakthrough time, min (CO2)a, cm3/gη, (%)R (vol%)
313.1518.0033.6389.7489.79
313.1551.8133.9578.6779.42
373.1517.7033.7382.3287.97
373.1551.7633.3079.6180.24
Vreactor column (cm3)510
Qtest gas mixture (mL/min)100
m (g)~1.2
mquartz balls (g)~340
Table 5. Pearson’s correlation matrix for all the features included in the study predictive performance.
Table 5. Pearson’s correlation matrix for all the features included in the study predictive performance.
Regression
Technological Parameters (as Dataset) P = 1–10 bar
T (K)Fe-BTCUiO-66Cu–Zn–MCM-41
313.15 0.92720.92700.9271
373.15 0.92720.92710.9272
313.15–423.15 0.94770.94760.9477
313.15–423.15 0.94760.94770.9476
Table 6. Coefficient of determination matrix for all features included in the study predictive performance.
Table 6. Coefficient of determination matrix for all features included in the study predictive performance.
Regression
Technological Parameters (as Dataset) P = 1–10 bar
T (K)Fe-BTCUiO-66Cu–Zn–MCM-41
313.15 0.85960.85960.8594
373.15 0.85970.85950.8596
313.15–423.15 0.89810.89810.8981
313.15–423.15 0.89800.89820.8981
Table 7. p statistic matrix for all the features included in the study predictive performance.
Table 7. p statistic matrix for all the features included in the study predictive performance.
Regression
Technological Parameters (as Dataset) P = 1–10 bar
T (K)Fe-BTCUiO-66Cu–Zn–MCM-41
313.15 0.00030.00040.0003
373.15 0.00030.00020.0002
313.15–423.15 0.00010.00010.0001
313.15–423.15 0.00010.00010.0001
Disclaimer/Publisher’s Note: The statements, opinions and data contained in all publications are solely those of the individual author(s) and contributor(s) and not of MDPI and/or the editor(s). MDPI and/or the editor(s) disclaim responsibility for any injury to people or property resulting from any ideas, methods, instructions or products referred to in the content.

Share and Cite

MDPI and ACS Style

Bucura, F.; Spiridon, S.-I.; Ionete, R.E.; Marin, F.; Zaharioiu, A.M.; Armeanu, A.; Badea, S.-L.; Botoran, O.R.; Ionete, E.I.; Niculescu, V.-C.; et al. Selectivity of MOFs and Silica Nanoparticles in CO2 Capture from Flue Gases. Nanomaterials 2023, 13, 2637. https://doi.org/10.3390/nano13192637

AMA Style

Bucura F, Spiridon S-I, Ionete RE, Marin F, Zaharioiu AM, Armeanu A, Badea S-L, Botoran OR, Ionete EI, Niculescu V-C, et al. Selectivity of MOFs and Silica Nanoparticles in CO2 Capture from Flue Gases. Nanomaterials. 2023; 13(19):2637. https://doi.org/10.3390/nano13192637

Chicago/Turabian Style

Bucura, Felicia, Stefan-Ionut Spiridon, Roxana Elena Ionete, Florian Marin, Anca Maria Zaharioiu, Adrian Armeanu, Silviu-Laurentiu Badea, Oana Romina Botoran, Eusebiu Ilarian Ionete, Violeta-Carolina Niculescu, and et al. 2023. "Selectivity of MOFs and Silica Nanoparticles in CO2 Capture from Flue Gases" Nanomaterials 13, no. 19: 2637. https://doi.org/10.3390/nano13192637

APA Style

Bucura, F., Spiridon, S.-I., Ionete, R. E., Marin, F., Zaharioiu, A. M., Armeanu, A., Badea, S.-L., Botoran, O. R., Ionete, E. I., Niculescu, V.-C., & Constantinescu, M. (2023). Selectivity of MOFs and Silica Nanoparticles in CO2 Capture from Flue Gases. Nanomaterials, 13(19), 2637. https://doi.org/10.3390/nano13192637

Note that from the first issue of 2016, this journal uses article numbers instead of page numbers. See further details here.

Article Metrics

Back to TopTop