A High-Impedance Fault Feeder Detection Method for Resonant Grounded Active Distribution Systems Based on Polarity and Harmonic Wavebody Similarity
Abstract
1. Introduction
- Consideration of DG interference in the detection scheme design: During an SLG fault, the three sequence networks are connected in series at the fault point, and the harmonics generated by the DG in the positive-sequence network can affect the zero-sequence component. Hence, DG cannot be neglected when analysing zero-sequence fault characteristics, and the detection scheme should be applicable to SLG fault scenarios with or without DG connection.
- Extraction of polarity features and harmonic comparison between feeders: The variational mode decomposition (VMD) algorithm is used to obtain the low-frequency intrinsic mode functions (IMFs) of the ZSCs for each feeder. The cross-correlation of IMFs is employed as the primary detection criterion. Furthermore, considering the harmonic interference caused by high DG penetration, the derivative dynamic time warping (DDTW) distance of the harmonic body derivative is introduced as an auxiliary detection criterion. Finally, a comprehensive detection scheme is established based on both the primary and auxiliary criteria.
2. Transient Mechanism Analysis of High-Impedance Ground Fault
3. Faulty Feeder Detection Criteria
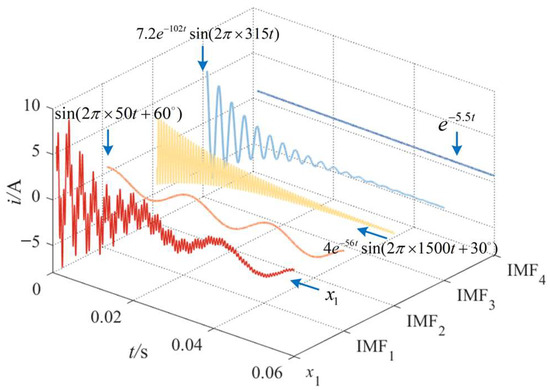
- Primary criterion: In distribution networks without DG connections, the transient zero-sequence component during an HIF primarily comprises the fundamental frequency, a DC component, and oscillatory decaying components at the natural resonance frequency [22]. However, when a single-phase-to-ground fault occurs on a DG-connected feeder, the transient ZSC is significantly distorted by harmonic components. In such cases, the original transient ZSC may not clearly reflect polarity characteristics. VMD is an effective adaptive signal decomposition tool that separates the original signal into multiple intrinsic mode functions (IMFs) [23]. When the number of decomposition modes is set to 2, VMD yields a low-frequency IMF1 representing the overall trend, and a high-frequency IMF2 representing detailed fluctuations. To illustrate the performance of VMD, consider the synthetic fault transient signal x1(t):
- 2.
- Auxiliary criterion: In practice, the extracted IMF1 may fail to reflect polarity if the original signal is significantly distorted due to DG-induced harmonics, asynchronous sampling, data corruption, or varying signal lengths. Under such conditions, relying solely on the primary criterion may lead to misjudgment. To address this, an auxiliary HIF feeder detection criterion is proposed based on harmonic waveform similarity using the DDTW algorithm [24]. DDTW is capable of capturing dynamic variations in harmonic shapes by comparing the derivatives of the harmonic waveforms between feeders. Harmonic currents introduced by DG persist during the fault steady state. By subtracting the DC component—obtained via fast Fourier transform (FFT)—from the original signal, the harmonic signal can be extracted as follows:
4. Simulation Testing and Experimental Validation
4.1. Simulation Testing
4.1.1. Radial Distribution System
4.1.2. Modified IEEE-13 Node Distribution System
4.1.3. Modified IEEE-34 Node Distribution System
4.2. Field Experiments
4.3. Comparison with Existing Methods
5. Conclusions
- The ZSC characteristics of the distribution network with DG under HIF conditions were analyzed. The polarity differences among feeder ZSCs were revealed, leading to the conclusion that when DG is connected to the faulted feeder, the generated harmonics cause ZSC distortion.
- The VMD algorithm was employed to extract the low-frequency components of feeder ZSCs, and the cross-correlation analysis was adopted as the primary detection criterion to capture polarity features among feeders. Furthermore, when ZSC distortion is severe due to DG connection, the harmonic characteristics of ZSCs are utilized to construct an auxiliary criterion.
- Simulation and field experiments demonstrated that, under HIF conditions, the proposed detection criteria are unaffected by grounding resistance, initial fault phase angle, or strong noise interference. The method remains applicable under arc, grass, and pond grounding scenarios, accurately identifying the faulted feeder. Compared with existing methods, the proposed approach offers computational simplicity, stable performance, and strong potential for engineering applications.
Author Contributions
Funding
Institutional Review Board Statement
Informed Consent Statement
Data Availability Statement
Conflicts of Interest
Abbreviations
| HIF | High-impedance fault |
| DG | Distributed generation |
| SLG | Single line-to-ground |
| ZSC | Zero-sequence current |
| VMD | Variational mode decomposition |
| IMFs | Intrinsic mode functions |
| DDTW | Derivative dynamic time warping |
| FFT | Fast Fourier transform |
References
- Wang, X.; Wang, X.; Liu, W.; Gao, J.; Wei, X. Faulty Feeder Detection under High Impedance Fault for Active Distribution Network in Resonant Grounding Mode. IEEE Trans. Instrum. Meas. 2024, 73, 3530811. [Google Scholar] [CrossRef]
- Yao, Z.; Liu, Y.; Chen, J.; Ji, J.; Zhang, M.; Gong, Y. Active High-Impedance Fault Detection Method for Resonant Grounding Distribution Networks. IEEE Access 2024, 12, 10932–10945. [Google Scholar] [CrossRef]
- Wang, Y.; Cao, J.; Hu, Z.; Han, X.; Zhou, X. Faulty Feeder Detection Based on Grey Correlation Degree of Adaptive Frequency Band in Resonant Grounding Distribution System. Sustainability 2023, 15, 8116. [Google Scholar] [CrossRef]
- Wang, X.; Yan, Z.; Zeng, Y.; Liu, X.; Peng, X.; Yuan, H. Research on Correlation Factor Analysis and Prediction Method of Overhead Transmission Line Defect State Based on Association Rule Mining and RBF-SVM. Energy Rep. 2021, 7, 359–368. [Google Scholar] [CrossRef]
- Luo, X.; Deng, Z.; Wu, J.; Chen, K.; Jia, P. Fault Nature Identification and Location Scheme for Distribution Network Based on Active Injection from IIDG. Int. J. Electr. Power Energy Syst. 2024, 156, 109706. [Google Scholar] [CrossRef]
- Wei, X.; Wang, X.; Gao, J.; Yang, D.; Wei, K.; Guo, L. Faulty Feeder Detection for Single-Phase-to-Ground Fault in Distribution Networks Based on Transient Energy and Cosine Similarity. IEEE Trans. Power Deliv. 2022, 37, 3968–3979. [Google Scholar] [CrossRef]
- Zhao, R.; Lu, J.; Yu, Z.; Wu, Y.; Wang, K. A Two-Stage Fault Localization Method for Active Distribution Networks Based on COA-SVM Model and Cosine Similarity. Electronics 2024, 13, 3809. [Google Scholar] [CrossRef]
- Wang, B.; Cui, X. Nonlinear Modeling Analysis and Arc High-Impedance Faults Detection in Active Distribution Networks with Neutral Grounding via Petersen Coil. IEEE Trans. Smart Grid 2022, 13, 1888–1898. [Google Scholar] [CrossRef]
- Gogula, V.; Edward, B. Advanced Signal Analysis for High-Impedance Fault Detection in Distribution Systems: A Dynamic Hilbert Transform Method. Front. Energy Res. 2024, 12, 1365538. [Google Scholar] [CrossRef]
- Gong, Q.; Peng, K.; Gao, Q.; Feng, L.; Xiao, C. Series arc Fault Identification Method Based on Wavelet Transform and Feature Values Decomposition Fusion DNN. Electr. Power Syst. Res. 2023, 221, 109391. [Google Scholar] [CrossRef]
- Zhang, S.; Qu, N.; Zheng, T.; Hu, C. Series arc Fault Detection Based on Wavelet Compression Reconstruction data Enhancement and Deep Residual Network. IEEE Trans. Instrum. Meas. 2022, 71, 3508409. [Google Scholar] [CrossRef]
- Yang, L.; Li, Y.; Wei, Z. Fa-Mb-ResNet for Grounding Fault Identification and Line Selection in the Distribution Networks. IEEE Internet Things J. 2021, 9, 11115–11125. [Google Scholar] [CrossRef]
- Mampilly, B.; Sheeba, V. An Empirical Wavelet Transform Based Fault Detection and Hybrid Convolutional Recurrent Neural Network for Fault Classification in Distribution Network Integrated Power System. Multimed. Tools Appl. 2024, 83, 77445–77468. [Google Scholar] [CrossRef]
- Nsaif, Y.M.; Lipu, M.S.H.; Hussain, A.; Ayob, A.; Yusof, Y.; Zainuri, M. A New Voltage Based Fault Detection Technique for Distribution Network Connected to Photovoltaic Sources Using Variational Mode Decomposition Integrated Ensemble Bagged Trees Approach. Energies 2022, 15, 7762. [Google Scholar] [CrossRef]
- Bai, H.; Gao, J.; Li, W.; Wang, K.; Guo, M. Detection of High-Impedance Fault in Distribution Networks using Frequency-Band Energy Curve. IEEE Sens. J. 2023, 24, 427–436. [Google Scholar] [CrossRef]
- Zhang, X.; Li, M.; Liu, H. Overlap Functions-Based Fuzzy Mathematical Morphological Operators and Their Applications in Image Edge Extraction. Fractal Fract. 2023, 7, 465. [Google Scholar] [CrossRef]
- Wei, M.; Liu, W.; Zhang, H.; Shi, F.; Chen, W. Distortion-Based Detection of High Impedance Fault in Distribution Systems. IEEE Trans. Power Deliv. 2020, 36, 1603–1618. [Google Scholar] [CrossRef]
- Cao, Y.; Tang, J.; Shi, S.; Cai, D.; Zhang, L.; Xiong, P. Fault Diagnosis Techniques for Electrical Distribution Network Based on Artificial Intelligence and Signal Processing: A review. Processes 2024, 13, 48. [Google Scholar] [CrossRef]
- Shao, W.; Bai, J.; Cheng, Y.; Zhang, Z.; Li, N. Research on a Faulty Line Selection Method Based on the Zero-Sequence Disturbance Power of Resonant Grounded Distribution Networks. Energies 2019, 12, 846. [Google Scholar] [CrossRef]
- Bandara, S.; Rajeev, P.; Gad, E. Power distribution system faults and wildfires: Mechanisms and prevention. Forests 2023, 14, 1146. [Google Scholar] [CrossRef]
- Yuan, J.; Hu, Y.; Liang, Y.; Jiao, Z. Faulty feeder detection for single line-to-ground fault in distribution networks with DGs based on correlation analysis and harmonics energy. IEEE Trans. Power Deliv. 2022, 38, 1020–1029. [Google Scholar] [CrossRef]
- Wei, X.; Yang, D.; Wang, X.; Wang, B.; Gao, J.; Wei, K. Faulty Feeder Detection Based on Fundamental Component Shift and Multiple-Transient-Feature Fusion in Distribution Networks. IEEE Trans. Smart Grid 2020, 12, 1699–1711. [Google Scholar] [CrossRef]
- Li, B.; Wu, J. Low-Voltage arc Fault Identification Using a Hybrid Method Based on Improved Salp Swarm Algorithm–Variational Mode Decomposition–Random Forest. IEEE Access 2024, 12, 15410–15418. [Google Scholar] [CrossRef]
- Ye, J.; Bao, W.; Liao, C.; Chen, D.; Hu, H. Corn phenology detection using the derivative dynamic time warping method and sentinel-2 time series. Remote Sens. 2023, 15, 3456. [Google Scholar] [CrossRef]
- Farrokhniya, H.; Madani, S.-M.; Parvaresh, F. High Impedance Faults Detection in Distribution Systems Using Signal Correlations. IEEE Trans. Instrum. Meas. 2024, 73, 9001909. [Google Scholar] [CrossRef]
- Barik, M.; Gargoom, A.; Mahmud, M.; Haque, M.; Al-Khalidi, H.; Oo, A. A Decentralized Fault Detection Technique for Detecting Single Phase to Ground Faults in Power Distribution Systems with Resonant Grounding. IEEE Trans. Power Deliv. 2018, 33, 2462–2473. [Google Scholar] [CrossRef]
- Jin, T.; Zhuo, F.; Mohamed, M. A novel approach based on CEEMDAN to select the faulty feeder in neutral resonant grounded distribution systems. IEEE Trans. Instrum. Meas. 2019, 69, 4712–4721. [Google Scholar] [CrossRef]
- Wang, B.; Geng, J.; Dong, X. High-impedance fault detection based on nonlinear voltage–current characteristic profile identification. IEEE Trans. Smart Grid 2016, 9, 3783–3791. [Google Scholar] [CrossRef]


























| Method | Advantages | Disadvantages |
|---|---|---|
| Grey relational analysis | Simple computation and low sensitivity to noise | Strong dependence on reference sequence selection; threshold setting is empirical |
| Correlation analysis | High computational efficiency and easy implementation | Difficult to handle severely distorted signals |
| Spatial relative distance | Quantitatively distinguishes feeder feature differences | Highly dependent on feature selection |
| Cosine similarity | Insensitive to amplitude variation; suitable for fast computation | Ineffective in distinguishing weak fault features |
| Dynamic trajectory measurement | Capable of handling nonlinear time distortion in signals | Computationally intensive with limited real-time performance |
| Continuous wavelet transform | Captures transient features with high time–frequency resolution | Sensitive to noise interference |
| Wavelet packet transform | Suitable for quantitative feature extraction | High computational complexity and sensitive to parameter selection |
| Empirical wavelet transform | Strong frequency-domain adaptability | Sensitive to noise and affected by end effects |
| Modal decomposition | Good noise immunity and effective extraction of low-frequency features | Requires empirical parameter tuning; limited real-time performance |
| Mathematical morphology | Effective in detecting abrupt changes and nonlinear distortion | Difficult selection of structural elements; poor noise resistance |
| Waveform distortion measurement | Sensitive to HIF characteristics; simple implementation | Requires high-precision sampling |
| Time–frequency analysis | Suitable for non-stationary signal analysis | Limited time–frequency resolution; computationally demanding |
| Circuit Type | Resistance (Ω·km−1) | Inductance (mH·km−1) | Grounding Capacitance (μF·km−1) | |||
|---|---|---|---|---|---|---|
| Positive Phase | Zero Phase | Positive Phase | Zero Phase | Positive Phase | Zero Phase | |
| Overhead line | 0.178 | 0.25 | 1.21 | 5.54 | 0.015 | 0.012 |
| Cable line | 0.27 | 2.7 | 0.255 | 1.02 | 0.339 | 0.28 |
| DG | Type | Capacity (MW) | Transmission Length (km) |
|---|---|---|---|
| DG1 | Wind farm | 4 | 25 km |
| DG2 | Photovoltaic power station | 0.8 | 12 km |
| DG3 | Photovoltaic power station | 0.3 | 7 km |
| CCTW | DDTW1 | DDTW2 | DDTW3 | DDTW4 | DDTW5 | DDTW6 |
|---|---|---|---|---|---|---|
| ρ1 | 1 | 20.8091 | 15.3875 | 14.0662 | 13.5333 | 20.8311 |
| ρ2 | −0.6702 | 1 | 7.2124 | 5.7294 | 5.5772 | 12.0977 |
| ρ3 | 0.2157 | −0.6785 | 1 | 5.3213 | 4.5923 | 8.7427 |
| ρ4 | −0.2862 | 0.9997 | −0.6764 | 1 | 3.9488 | 5.7972 |
| ρ5 | 0.6591 | −0.6782 | 0.8996 | −0.6760 | 1 | 6.4779 |
| ρ6 | −0.8097 | 0.1456 | −0.6253 | 0.1490 | −0.6262 | 1 |
| CCTW | DDTW1 | DDTW2 | DDTW3 | DDTW4 |
|---|---|---|---|---|
| ρ1 | 1 | 11.3263 | 12.7901 | 14.3685 |
| ρ2 | −0.1136 | 1 | 0.9608 | 9.8719 |
| ρ3 | −0.0918 | 0.9895 | 1 | 10.5341 |
| ρ4 | 0.8881 | −0.9788 | −0.9751 | 1 |
| CCTW | DDTW1 | DDTW2 | DDTW3 | DDTW4 |
|---|---|---|---|---|
| ρ1 | 1 | 3.0576 | 5.4211 | 7.5452 |
| ρ2 | 0.4403 | 1 | 3.1609 | 8.1371 |
| ρ3 | 0.4369 | 0.999 | 1 | 10.4744 |
| ρ4 | −0.3598 | −0.4619 | −0.4708 | 1 |
| CCTW | DDTW1 | DDTW2 | DDTW3 | DDTW4 | DDTW5 |
|---|---|---|---|---|---|
| ρ1 | 1 | 61.4813 | 37.4685 | 41.1732 | 5.5420 |
| ρ2 | −0.9273 | 1 | 90.0416 | 98.4426 | 8.1651 |
| ρ3 | 0.5782 | −0.4296 | 1 | 50.2558 | 4.8783 |
| ρ4 | −0.3646 | 0.4028 | −0.9979 | 1 | 4.2966 |
| ρ5 | 0.5437 | −0.3345 | 0.8287 | −0.9954 | 1 |
| CCTW | DDTW1 | DDTW2 | DDTW3 | DDTW4 | DDTW5 |
|---|---|---|---|---|---|
| ρ1 | 1 | 49.2056 | 42.3351 | 44.4766 | 60.0965 |
| ρ2 | 0.8528 | 1 | 85.4203 | 69.6570 | 92.9343 |
| ρ3 | 0.4093 | 0.5845 | 1 | 79.1290 | 103.5503 |
| ρ4 | 0.9546 | 0.1287 | 0.4160 | 1 | 88.0595 |
| ρ5 | −0.5381 | −0.4560 | −0.7532 | −0.3378 | 1 |
| CCTW | DDTW1 | DDTW2 | DDTW3 | DDTW4 | DDTW5 | DDTW6 |
|---|---|---|---|---|---|---|
| ρ1 | 1 | 103.3396 | 109.269 | 82.8989 | 112.6667 | 109.2198 |
| ρ2 | −0.1228 | 1 | 55.1020 | 98.7480 | 87.8737 | 80.4166 |
| ρ3 | 0.3927 | −0.9757 | 1 | 57.7191 | 57.0541 | 52.4875 |
| ρ4 | 0.4597 | −0.2357 | 0.3441 | 1 | 98.4366 | 96.5652 |
| ρ5 | −0.5843 | 0.4561 | −0.0247 | −0.4112 | 1 | 86.3261 |
| ρ6 | 0.7644 | −0.7610 | 0.8024 | 0.2448 | −0.1568 | 1 |
| CCTW | DDTW1 | DDTW2 | DDTW3 | DDTW4 | DDTW5 | DDTW6 |
|---|---|---|---|---|---|---|
| ρ1 | 1 | 8.7430 | 10.4094 | 7.8901 | 22.4979 | 10.4093 |
| ρ2 | −0.3993 | 1 | 4.3695 | 2.7418 | 38.3095 | 5.3566 |
| ρ3 | 0.7946 | −0.6952 | 1 | 8.2305 | 16.7715 | 8.9006 |
| ρ4 | 0.4246 | −0.4248 | 0.2202 | 1 | 10.0241 | 3.6140 |
| ρ5 | −0.6203 | 0.3225 | −0.3158 | −0.7942 | 1 | 14.5088 |
| ρ6 | −0.2196 | 0.2210 | −0.4152 | −0.9886 | 0.2933 | 1 |
| CCTW | DDTW1 | DDTW2 | DDTW3 | DDTW4 | DDTW5 | DDTW6 |
|---|---|---|---|---|---|---|
| ρ1 | 1 | 4.6898 | 12.4025 | 2.6657 | 3.5460 | 25.5125 |
| ρ2 | −0.4012 | 1 | 22.0311 | 5.0688 | 7.4278 | 29.4411 |
| ρ3 | −0.6825 | 0.6011 | 1 | 12.7987 | 15.0379 | 44.9667 |
| ρ4 | −0.9539 | 0.3624 | 0.4540 | 1 | 3.2865 | 14.8427 |
| ρ5 | −0.4521 | 0.5722 | 0.2453 | 0.1131 | 1 | 18.0890 |
| ρ6 | 0.3973 | −0.9942 | −0.5983 | −0.3613 | −0.7665 | 1 |
| CCTW | DDTW1 | DDTW2 | DDTW3 | DDTW4 | DDTW5 | DDTW6 |
|---|---|---|---|---|---|---|
| ρ1 | 1 | 95.2771 | 95.9331 | 102.0915 | 116.3298 | 91.4684 |
| ρ2 | 0.2137 | 1 | 65.175 | 70.6606 | 97.5853 | 59.3961 |
| ρ3 | 0.1348 | 0.4527 | 1 | 37.6901 | 106.8931 | 63.2492 |
| ρ4 | 0.6283 | 0.2456 | 0.9917 | 1 | 82.2889 | 71.3805 |
| ρ5 | −0.1973 | −0.5081 | −0.2561 | −0.8501 | 1 | 100.1761 |
| ρ6 | 0.9831 | 0.3254 | 0.2421 | 0.5359 | −0.3932 | 1 |
| Method | Criteria | Scene | Detection Criteria Matrix | Result | |||||
|---|---|---|---|---|---|---|---|---|---|
| Paper [25] | first half wave polarity | A | [+ + + + + +] | ✗ | |||||
| B | [+ + + − + +] | ✗ | |||||||
| C | [− + + + + +] | ✗ | |||||||
| Paper [26] | correlation analysis (ρmax − ρmin > 0.20) | A | [0.22 −0.16 0.39 0.46 0.25 0.62] | ✗ | |||||
| B | [−0.23 0.20 0.28 0.35 0.76 0.45] | ✗ | |||||||
| C | [0.19 0.57 0.19 0.43 0.34 −0.28] | ✗ | |||||||
| Paper [27] | Max (EIMFs) | A | [1640 146.0 1616 1113 1077 982] | ✓ | |||||
| B | [64.46 87.57 782.8 479.9 591.2 717.8] | ✗ | |||||||
| C | [1.992 2.376 6.194 5.321 8.232 7.934] | ✓ | |||||||
| Paper [28] | The direction of the VCCP | A | [→ ← ← → → →] | ✗ | |||||
| B | [→ ← ← ← ← ←] | ✓ | |||||||
| C | [← ← ← ← → ←] | ✓ | |||||||
| This paper | CCTW | A | 1 | 104.82 | 110.35 | 104.27 | 111.68 | 108.57 | ✓ |
| −0.13 | 1 | 56.41 | 97.92 | 88.23 | 79.51 | ||||
| 0.41 | −0.96 | 1 | 58.26 | 56.78 | 51.84 | ||||
| 0.46 | −0.24 | 0.35 | 1 | 99.01 | 95.72 | ||||
| −0.59 | 0.45 | −0.03 | −0.40 | 1 | 87.10 | ||||
| 0.77 | −0.75 | 0.80 | 0.25 | −0.16 | 1 | ||||
| B | 1 | 24.1023 | 15.9120 | 14.4501 | 13.1205 | 21.4567 | ✓ | ||
| −0.6620 | 1 | 7.3451 | 5.8123 | 5.6789 | 12.3456 | ||||
| 0.2245 | −0.6890 | 1 | 5.2678 | 4.6100 | 8.9123 | ||||
| −0.2950 | 0.9975 | −0.6732 | 1 | 3.9344 | 5.8456 | ||||
| 0.6489 | −0.6723 | 0.8931 | −0.6725 | 1 | 6.5234 | ||||
| −0.8012 | 0.1487 | −0.6190 | 0.1567 | −0.6289 | 1 | ||||
| C | 1 | 9.0148 | 10.7256 | 7.6421 | 22.8467 | 10.5384 | ✓ | ||
| −0.3841 | 1 | 4.5213 | 2.6194 | 38.0972 | 5.2846 | ||||
| 0.7824 | −0.6895 | 1 | 8.1783 | 16.8237 | 8.9562 | ||||
| 0.4172 | −0.4189 | 0.2289 | 1 | 9.9623 | 3.7018 | ||||
| −0.6287 | 0.3198 | −0.3112 | −0.7871 | 1 | 14.6894 | ||||
| −0.2263 | 0.2237 | −0.4125 | −0.9854 | 0.2892 | 1 | ||||
Disclaimer/Publisher’s Note: The statements, opinions and data contained in all publications are solely those of the individual author(s) and contributor(s) and not of MDPI and/or the editor(s). MDPI and/or the editor(s) disclaim responsibility for any injury to people or property resulting from any ideas, methods, instructions or products referred to in the content. |
© 2025 by the authors. Licensee MDPI, Basel, Switzerland. This article is an open access article distributed under the terms and conditions of the Creative Commons Attribution (CC BY) license (https://creativecommons.org/licenses/by/4.0/).
Share and Cite
Lu, T.; Hou, S. A High-Impedance Fault Feeder Detection Method for Resonant Grounded Active Distribution Systems Based on Polarity and Harmonic Wavebody Similarity. Information 2025, 16, 967. https://doi.org/10.3390/info16110967
Lu T, Hou S. A High-Impedance Fault Feeder Detection Method for Resonant Grounded Active Distribution Systems Based on Polarity and Harmonic Wavebody Similarity. Information. 2025; 16(11):967. https://doi.org/10.3390/info16110967
Chicago/Turabian StyleLu, Tong, and Sizu Hou. 2025. "A High-Impedance Fault Feeder Detection Method for Resonant Grounded Active Distribution Systems Based on Polarity and Harmonic Wavebody Similarity" Information 16, no. 11: 967. https://doi.org/10.3390/info16110967
APA StyleLu, T., & Hou, S. (2025). A High-Impedance Fault Feeder Detection Method for Resonant Grounded Active Distribution Systems Based on Polarity and Harmonic Wavebody Similarity. Information, 16(11), 967. https://doi.org/10.3390/info16110967
