Effectiveness Assessment of an Innovative Ejector Plant for Port Sediment Management
Abstract
1. Introduction
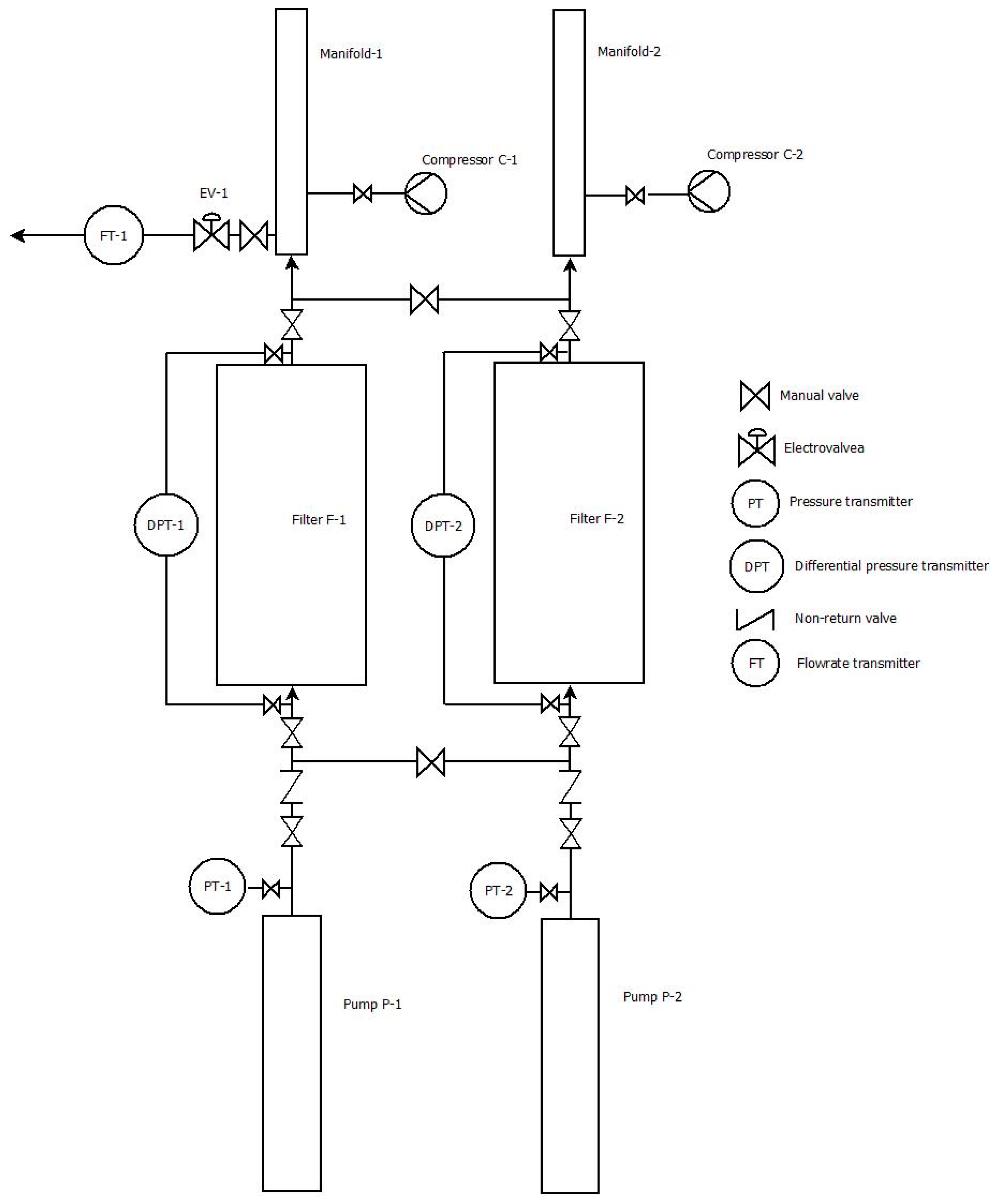
2. Description of the Ejector Demo Plant
2.1. Description of the Study Site: Cervia, North Italy
2.2. The Ejector Demo Plant of Cervia
3. Materials and Methods
3.1. Ejector Demo Plant Operation and Monitoring
3.2. Analysis of Bathymetries: Water Depth and Sediment Volume Variation over Time
3.3. Analysis of 3-Year Metocean Climate on the Cervia Site
4. Results
4.1. Results of Meteoclimate Analysis
- -
- the most energetic year (E > 1400 m2 h) was during the period 2017–2018, with the higher amount of storm energy in winter (E = 700 m2 h) and then autumn (E = 520 m2 h);
- -
- the following year, 2018–2019, presented the most energetic sea in autumn (E > 600 m2 h);
- -
- the year 2019–2020 was the less energetic one (E ≅ 800 m2 h), with higher amounts of energy in spring (E = 500 m2 h);
- -
- in all the years, small energy values were observed in summer, as expected.
4.2. Analysis of Water Depth Variation before and after Ejector Demo Plant Operation
4.3. Analysis of Volume Variation before and after Ejector Demo Plant Operation
5. Discussion
6. Conclusions
Author Contributions
Funding
Institutional Review Board Statement
Informed Consent Statement
Data Availability Statement
Acknowledgments
Conflicts of Interest
Appendix A. Frequency Tables of the Sea Climate
| MWD [°N] | Hs [m] | ||||||||||||
|---|---|---|---|---|---|---|---|---|---|---|---|---|---|
| <0.50 | 0.50–0.75 | 0.75–1.00 | 1.00–1.25 | 1.25–1.5 | 1.5–1.75 | 1.75–2.00 | 2.00–2.25 | 2.25–2.5 | 2.5–2.75 | 2.75–3 | >3.00 | Total | |
| 0–15 | 2.43 | 0.36 | 0.10 | 0.03 | 0.01 | 0.00 | 0.01 | 0.00 | 0.00 | 0.00 | 0.00 | 0.00 | 2.94 |
| 15–30 | 3.27 | 0.78 | 0.26 | 0.24 | 0.04 | 0.09 | 0.06 | 0.00 | 0.03 | 0.00 | 0.00 | 0.00 | 4.78 |
| 30–45 | 4.36 | 1.28 | 0.54 | 0.53 | 0.34 | 0.22 | 0.27 | 0.10 | 0.03 | 0.02 | 0.01 | 0.01 | 7.71 |
| 45–60 | 3.79 | 1.32 | 1.05 | 0.79 | 0.63 | 0.40 | 0.49 | 0.58 | 0.48 | 0.15 | 0.02 | 0.01 | 9.70 |
| 60–75 | 4.61 | 1.33 | 0.81 | 0.52 | 0.39 | 0.29 | 0.43 | 0.63 | 0.25 | 0.21 | 0.21 | 0.02 | 9.70 |
| 75–90 | 9.64 | 2.44 | 1.36 | 1.25 | 0.87 | 0.16 | 0.01 | 0.01 | 0.00 | 0.00 | 0.00 | 0.01 | 15.74 |
| 90–105 | 16.46 | 3.73 | 1.37 | 0.46 | 0.18 | 0.07 | 0.00 | 0.00 | 0.00 | 0.00 | 0.00 | 0.00 | 22.26 |
| 105–120 | 10.53 | 1.42 | 0.26 | 0.11 | 0.00 | 0.00 | 0.00 | 0.00 | 0.00 | 0.00 | 0.00 | 0.00 | 12.32 |
| 120–135 | 2.23 | 0.16 | 0.06 | 0.00 | 0.00 | 0.00 | 0.00 | 0.00 | 0.00 | 0.00 | 0.00 | 0.00 | 2.45 |
| 135–150 | 0.54 | 0.03 | 0.00 | 0.00 | 0.00 | 0.00 | 0.00 | 0.00 | 0.00 | 0.00 | 0.00 | 0.00 | 0.58 |
| 150–165 | 0.20 | 0.00 | 0.00 | 0.00 | 0.00 | 0.00 | 0.00 | 0.00 | 0.00 | 0.00 | 0.00 | 0.00 | 0.20 |
| 165–180 | 0.07 | 0.01 | 0.00 | 0.00 | 0.00 | 0.00 | 0.00 | 0.00 | 0.00 | 0.00 | 0.00 | 0.00 | 0.08 |
| 180–195 | 0.15 | 0.01 | 0.00 | 0.00 | 0.00 | 0.00 | 0.00 | 0.00 | 0.00 | 0.00 | 0.00 | 0.00 | 0.16 |
| 195–210 | 0.17 | 0.00 | 0.00 | 0.00 | 0.00 | 0.00 | 0.00 | 0.00 | 0.00 | 0.00 | 0.00 | 0.00 | 0.17 |
| 210–225 | 0.11 | 0.00 | 0.00 | 0.00 | 0.00 | 0.00 | 0.00 | 0.00 | 0.00 | 0.00 | 0.00 | 0.00 | 0.11 |
| 225–240 | 0.10 | 0.00 | 0.00 | 0.00 | 0.00 | 0.00 | 0.00 | 0.00 | 0.00 | 0.00 | 0.00 | 0.00 | 0.10 |
| 240–255 | 0.27 | 0.08 | 0.00 | 0.00 | 0.00 | 0.00 | 0.00 | 0.00 | 0.00 | 0.00 | 0.00 | 0.00 | 0.35 |
| 255–270 | 0.32 | 0.00 | 0.00 | 0.00 | 0.01 | 0.00 | 0.00 | 0.00 | 0.00 | 0.00 | 0.00 | 0.00 | 0.33 |
| 270–285 | 0.68 | 0.00 | 0.00 | 0.00 | 0.00 | 0.00 | 0.00 | 0.00 | 0.00 | 0.00 | 0.00 | 0.00 | 0.68 |
| 285–300 | 0.98 | 0.04 | 0.03 | 0.00 | 0.00 | 0.00 | 0.00 | 0.00 | 0.00 | 0.00 | 0.00 | 0.00 | 1.05 |
| 300–315 | 1.71 | 0.05 | 0.00 | 0.02 | 0.00 | 0.00 | 0.00 | 0.00 | 0.00 | 0.00 | 0.00 | 0.00 | 1.78 |
| 315–330 | 1.69 | 0.03 | 0.06 | 0.01 | 0.00 | 0.00 | 0.00 | 0.00 | 0.00 | 0.00 | 0.00 | 0.00 | 1.79 |
| 330–345 | 1.63 | 0.13 | 0.07 | 0.02 | 0.00 | 0.00 | 0.00 | 0.00 | 0.00 | 0.00 | 0.00 | 0.00 | 1.84 |
| 345–360 | 2.68 | 0.33 | 0.09 | 0.07 | 0.01 | 0.00 | 0.00 | 0.00 | 0.00 | 0.00 | 0.00 | 0.00 | 3.18 |
| Total | 68.62 | 13.53 | 6.06 | 4.05 | 2.48 | 1.23 | 1.26 | 1.32 | 0.79 | 0.37 | 0.24 | 0.05 | 100 |
| MWD [°N] | Hs [m] | ||||||||||||
|---|---|---|---|---|---|---|---|---|---|---|---|---|---|
| <0.50 | 0.50–0.75 | 0.75–1.00 | 1.00–1.25 | 1.25–1.5 | 1.5–1.75 | 1.75–2.00 | 2.00–2.25 | 2.25–2.5 | 2.5–2.75 | 2.75–3 | >3.00 | Total | |
| 0–15 | 3.16 | 0.53 | 0.16 | 0.06 | 0.03 | 0.02 | 0.01 | 0.05 | 0.03 | 0.01 | 0.01 | 0.00 | 4.06 |
| 15–30 | 4.78 | 1.13 | 0.55 | 0.20 | 0.12 | 0.02 | 0.02 | 0.03 | 0.05 | 0.02 | 0.01 | 0.00 | 6.92 |
| 30–45 | 4.86 | 1.38 | 0.99 | 0.57 | 0.37 | 0.26 | 0.21 | 0.19 | 0.06 | 0.04 | 0.01 | 0.00 | 8.94 |
| 45–60 | 5.34 | 1.49 | 1.39 | 0.92 | 0.79 | 0.39 | 0.32 | 0.15 | 0.07 | 0.04 | 0.01 | 0.00 | 10.92 |
| 60–75 | 5.42 | 1.34 | 1.35 | 1.08 | 0.95 | 0.50 | 0.23 | 0.11 | 0.08 | 0.09 | 0.02 | 0.00 | 11.16 |
| 75–90 | 6.02 | 1.31 | 0.89 | 0.86 | 0.43 | 0.22 | 0.03 | 0.02 | 0.00 | 0.00 | 0.00 | 0.00 | 9.80 |
| 90–105 | 9.81 | 2.56 | 1.01 | 0.49 | 0.24 | 0.05 | 0.01 | 0.00 | 0.00 | 0.00 | 0.00 | 0.00 | 14.19 |
| 105–120 | 5.89 | 0.86 | 0.31 | 0.04 | 0.01 | 0.06 | 0.03 | 0.00 | 0.00 | 0.00 | 0.00 | 0.00 | 7.21 |
| 120–135 | 3.07 | 0.25 | 0.05 | 0.00 | 0.01 | 0.01 | 0.02 | 0.00 | 0.00 | 0.00 | 0.00 | 0.00 | 3.40 |
| 135–150 | 2.21 | 0.10 | 0.02 | 0.00 | 0.01 | 0.00 | 0.00 | 0.00 | 0.00 | 0.00 | 0.00 | 0.00 | 2.33 |
| 150–165 | 1.54 | 0.06 | 0.01 | 0.00 | 0.01 | 0.01 | 0.01 | 0.01 | 0.00 | 0.00 | 0.00 | 0.00 | 1.65 |
| 165–180 | 1.41 | 0.02 | 0.01 | 0.00 | 0.01 | 0.01 | 0.01 | 0.00 | 0.00 | 0.00 | 0.00 | 0.00 | 1.46 |
| 180–195 | 1.09 | 0.03 | 0.00 | 0.00 | 0.00 | 0.00 | 0.01 | 0.00 | 0.00 | 0.00 | 0.00 | 0.00 | 1.13 |
| 195–210 | 0.73 | 0.01 | 0.01 | 0.00 | 0.00 | 0.00 | 0.01 | 0.00 | 0.00 | 0.00 | 0.00 | 0.00 | 0.75 |
| 210–225 | 0.95 | 0.01 | 0.01 | 0.00 | 0.00 | 0.00 | 0.00 | 0.00 | 0.00 | 0.00 | 0.00 | 0.00 | 0.96 |
| 225–240 | 0.84 | 0.00 | 0.01 | 0.00 | 0.01 | 0.00 | 0.00 | 0.01 | 0.00 | 0.00 | 0.00 | 0.00 | 0.86 |
| 240–255 | 0.70 | 0.01 | 0.00 | 0.00 | 0.00 | 0.00 | 0.00 | 0.00 | 0.00 | 0.00 | 0.00 | 0.00 | 0.71 |
| 255–270 | 0.95 | 0.00 | 0.01 | 0.00 | 0.00 | 0.00 | 0.00 | 0.00 | 0.00 | 0.01 | 0.00 | 0.00 | 0.96 |
| 270–285 | 1.13 | 0.01 | 0.00 | 0.00 | 0.00 | 0.00 | 0.01 | 0.00 | 0.00 | 0.00 | 0.00 | 0.00 | 1.14 |
| 285–300 | 1.64 | 0.02 | 0.01 | 0.00 | 0.00 | 0.01 | 0.00 | 0.00 | 0.00 | 0.01 | 0.01 | 0.00 | 1.69 |
| 300–315 | 1.93 | 0.06 | 0.00 | 0.00 | 0.01 | 0.02 | 0.01 | 0.02 | 0.01 | 0.01 | 0.00 | 0.00 | 2.06 |
| 315–330 | 1.81 | 0.08 | 0.02 | 0.00 | 0.01 | 0.02 | 0.03 | 0.05 | 0.01 | 0.00 | 0.01 | 0.00 | 2.03 |
| 330–345 | 2.00 | 0.08 | 0.01 | 0.00 | 0.03 | 0.01 | 0.04 | 0.03 | 0.01 | 0.00 | 0.01 | 0.00 | 2.21 |
| 345–360 | 2.95 | 0.16 | 0.10 | 0.05 | 0.03 | 0.05 | 0.05 | 0.05 | 0.02 | 0.01 | 0.00 | 0.00 | 3.47 |
| Total | 70.22 | 11.49 | 6.90 | 4.28 | 3.06 | 1.64 | 1.06 | 0.72 | 0.34 | 0.22 | 0.08 | 0.00 | 100 |
| MWD [°N] | Hs [m] | ||||||||||||
|---|---|---|---|---|---|---|---|---|---|---|---|---|---|
| <0.50 | 0.50–0.75 | 0.75–1.00 | 1.00–1.25 | 1.25–1.5 | 1.5–1.75 | 1.75–2.00 | 2.00–2.25 | 2.25–2.5 | 2.5–2.75 | 2.75–3 | >3.00 | Total | |
| 0–15 | 3.27 | 0.41 | 0.09 | 0.03 | 0.03 | 0.01 | 0.01 | 0.01 | 0.01 | 0.00 | 0.00 | 0.00 | 3.86 |
| 15–30 | 4.40 | 0.55 | 0.17 | 0.10 | 0.02 | 0.02 | 0.02 | 0.02 | 0.02 | 0.01 | 0.00 | 0.00 | 5.32 |
| 30–45 | 4.38 | 0.78 | 0.56 | 0.24 | 0.10 | 0.08 | 0.08 | 0.10 | 0.05 | 0.02 | 0.02 | 0.00 | 6.42 |
| 45–60 | 3.90 | 1.39 | 1.42 | 0.97 | 0.52 | 0.49 | 0.25 | 0.20 | 0.14 | 0.17 | 0.01 | 0.00 | 9.46 |
| 60–75 | 4.91 | 1.49 | 2.00 | 0.86 | 0.50 | 0.66 | 0.18 | 0.10 | 0.08 | 0.04 | 0.00 | 0.00 | 10.84 |
| 75–90 | 7.48 | 2.11 | 1.33 | 0.93 | 0.63 | 0.24 | 0.05 | 0.00 | 0.01 | 0.00 | 0.00 | 0.00 | 12.77 |
| 90–105 | 17.20 | 4.54 | 1.32 | 0.42 | 0.04 | 0.02 | 0.01 | 0.00 | 0.00 | 0.00 | 0.00 | 0.00 | 23.55 |
| 105–120 | 10.82 | 1.07 | 0.25 | 0.04 | 0.01 | 0.00 | 0.00 | 0.00 | 0.00 | 0.00 | 0.00 | 0.00 | 12.19 |
| 120–135 | 2.79 | 0.35 | 0.07 | 0.02 | 0.00 | 0.00 | 0.00 | 0.00 | 0.00 | 0.00 | 0.00 | 0.00 | 3.23 |
| 135–150 | 0.33 | 0.02 | 0.02 | 0.00 | 0.00 | 0.00 | 0.00 | 0.00 | 0.00 | 0.00 | 0.00 | 0.00 | 0.37 |
| 150–165 | 0.09 | 0.00 | 0.00 | 0.00 | 0.00 | 0.00 | 0.00 | 0.00 | 0.00 | 0.00 | 0.00 | 0.00 | 0.09 |
| 165–180 | 0.09 | 0.00 | 0.00 | 0.00 | 0.00 | 0.00 | 0.00 | 0.00 | 0.00 | 0.00 | 0.00 | 0.00 | 0.09 |
| 180–195 | 0.08 | 0.01 | 0.00 | 0.00 | 0.00 | 0.00 | 0.00 | 0.00 | 0.00 | 0.00 | 0.00 | 0.00 | 0.09 |
| 195–210 | 0.09 | 0.00 | 0.00 | 0.00 | 0.00 | 0.00 | 0.00 | 0.00 | 0.00 | 0.00 | 0.00 | 0.00 | 0.09 |
| 210–225 | 0.05 | 0.01 | 0.00 | 0.00 | 0.00 | 0.00 | 0.00 | 0.00 | 0.00 | 0.00 | 0.00 | 0.00 | 0.06 |
| 225–240 | 0.14 | 0.04 | 0.00 | 0.00 | 0.00 | 0.00 | 0.00 | 0.00 | 0.00 | 0.00 | 0.00 | 0.00 | 0.18 |
| 240–255 | 0.28 | 0.06 | 0.00 | 0.00 | 0.00 | 0.00 | 0.00 | 0.00 | 0.00 | 0.00 | 0.00 | 0.00 | 0.34 |
| 255–270 | 0.38 | 0.03 | 0.01 | 0.00 | 0.00 | 0.00 | 0.00 | 0.00 | 0.00 | 0.00 | 0.00 | 0.00 | 0.42 |
| 270–285 | 0.46 | 0.04 | 0.00 | 0.00 | 0.00 | 0.00 | 0.00 | 0.00 | 0.00 | 0.00 | 0.00 | 0.00 | 0.50 |
| 285–300 | 0.91 | 0.01 | 0.00 | 0.00 | 0.00 | 0.00 | 0.00 | 0.00 | 0.00 | 0.00 | 0.00 | 0.00 | 0.91 |
| 300–315 | 1.52 | 0.02 | 0.00 | 0.00 | 0.01 | 0.00 | 0.00 | 0.00 | 0.00 | 0.00 | 0.00 | 0.00 | 1.55 |
| 315–330 | 1.78 | 0.03 | 0.02 | 0.01 | 0.01 | 0.00 | 0.00 | 0.00 | 0.00 | 0.00 | 0.00 | 0.00 | 1.84 |
| 330–345 | 1.77 | 0.08 | 0.03 | 0.04 | 0.00 | 0.00 | 0.00 | 0.00 | 0.00 | 0.00 | 0.00 | 0.00 | 1.91 |
| 345–360 | 3.43 | 0.29 | 0.17 | 0.02 | 0.01 | 0.00 | 0.00 | 0.00 | 0.00 | 0.00 | 0.00 | 0.00 | 3.92 |
| Total | 70.57 | 13.31 | 7.47 | 3.67 | 1.88 | 1.50 | 0.60 | 0.43 | 0.31 | 0.23 | 0.03 | 0.00 | 100 |
Appendix B. Bathymetric Maps of the Study Area






Appendix C. Time Series of the Wave Height with the Timeline of the Realized Surveys and Sediment Movimentation Actions

References
- Palumbo, L. Sediment Management of Nations in Europe. In Sustainable Management of Sediment Resources; Palumbo, L., Bortone, G., Eds.; Elsevier: Amsterdam, The Netherlands, 2007. [Google Scholar]
- Magaña, P.; Reyes-Merlo, M.A.; Tintoré, A.; Zarzuelo, C.; Ortega-Sánchez, M. An Integrated GIS Methodology to Assess the Impact of Engineering Maintenance Activities: A Case Study of Dredging Projects. J. Mar. Sci. Eng. 2020, 8, 186. [Google Scholar] [CrossRef]
- Guerra, R.; Pasteris, A.; Ponti, M. Impacts of maintenance channel dredging in a northern Adriatic coastal lagoon. I: Effects on sediment properties, contamination and toxicity. Estuar. Coast. Shelf S. 2009, 85, 134–142. [Google Scholar] [CrossRef]
- Ponti, M.; Pasteris, A.; Guerra, R.; Abbiati, M. Impacts of maintenance channel dredging in a northern Adriatic coastal lagoon. II: Effects on macrobenthic assemblages in channels and ponds. Estuar. Coast. Shelf S. 2009, 85, 143–150. [Google Scholar] [CrossRef]
- McQueen, A.D.; Suedel, B.C.; de Jong, C.; Thomsen, F. Ecological Risk Assessment of Underwater Sounds from Dredging Operations. Integr. Environ. Assess. Mana. 2020, 16, 481–493. [Google Scholar] [CrossRef] [PubMed]
- Memos, C.; Chiavaccini, P.; Dornhelm, R.; Hoekstra, R.; Inglis, P.; Sannasiraj, S.A.; Stoschek, O.; Willemsen, A.; Mink, E.; Sundar, V. Anti-Sedimentation Systems for Marinas and Yacht Harbours; PIANC Report 130; PIANC: Brussels, Belgium, 2015. [Google Scholar]
- Bianchini, A.; Cento, F.; Guzzini, A.; Pellegrini, M.; Saccani, C. Sediment management in coastal infrastructures: Techno-economic and environmental impact assessment of alternative technologies to dredging. J. Environ. Manag. 2019, 248, 1–17. [Google Scholar] [CrossRef] [PubMed]
- Sane, M.; Yamagishi, H.; Tateishi, M.; Yamagishi, T. Environmental impacts of shore-parallel breakwaters along Nagahama and Ohgata, District of Joetsu, Japan. J. Environ. Manag. 2007, 82, 399–409. [Google Scholar] [CrossRef] [PubMed]
- International Association of Dredging Companies (IADC). Water Injection Dredging, Facts about–An Information Update from the IADC; International Association of Dredging Companies: Voorburg, The Netherlands, 2013. [Google Scholar]
- Spencer, K.L.; Dewhurst, R.E.; Penna, P. Potential impacts of water injection dredging on water quality and ecotoxicity in Limehouse Basin, River Thames, SE England, UK. Chemosphere 2006, 63, 509–521. [Google Scholar] [CrossRef] [PubMed]
- Pledger, A.G.; Brewin, P.; Mathers, K.L.; Phillips, J.; Wood, P.J.; Yu, D. The effects of water injection dredging on low-salinity estuarine ecosystems: Implications for fish and macroinvertebrate communities. Ecol. Indic. 2021, 122, 107244. [Google Scholar] [CrossRef]
- Archetti, R.; Damiani, L.; Bianchini, A.; Romagnoli, C.; Abbiati, M.; Addona, F.; Airoldi, L.; Cantelli, L.; Gaeta, M.G.; Guerrero, M.; et al. Innovative strategies, monitoring and analysis of the coastal erosion risk: The STIMARE Project. In Proceedings of the Twenty-Nineth International Ocean and Polar Engineering Conference, Honolulu, HI, USA, 16–21 June 2019. [Google Scholar]
- Bianchini, A.; Guzzini, A.; Pellegrini, M.; Saccani, C.; Gaeta, M.G.; Archetti, R. Coastal erosion mitigation through ejector devices application. Ital. J. Eng. Geol. Environ. 2020, 1, 13–22. [Google Scholar]
- Pellegrini, M.; Abbiati, M.; Bianchini, A.; Colangelo, M.A.; Guzzini, A.; Mikac, B.; Ponti, M.; Preda, G.; Saccani, C.; Willemsen, A. Sustainable sediment management in coastal infrastructures through an innovative technology: Preliminary results of the marinaplan plus life project. J. Soil. Sediment. 2020, 20, 2685–2696. [Google Scholar] [CrossRef]
- Bianchini, A.; Pellegrini, M.; Saccani, C. Zero environmental impact plant for seabed maintenance. In Proceedings of the 4th International Symposium on Sediment Management (I2SM), Ferrara, Italy, 17–19 September 2014. [Google Scholar]
- Pellegrini, M.; Saccani, C. Laboratory and field tests on photo-electric probes and ultrasonic Doppler flow switch for remote control of turbidity and flowrate of a water-sand mixture flow. J. Phys. Conf. Ser. 2017, 882, 012008. [Google Scholar] [CrossRef]
- Pellegrini, M.; Preda, G.; Saccani, C. Application of an Innovative Jet Pump System for the Sediment Management in a Port Channel: Techno-Economic Assessment based on Experimental Measurements. J. Mar. Sci. Eng. 2020, 8, 686. [Google Scholar] [CrossRef]
- Bonaldo, D.; Antonioli, F.; Archetti, R.; Bezzi, A.; Correggiari, A.; Davolio, S.; De Falco, G.; Fantini, M.; Fontolan, G.; Furlani, S.; et al. Integrating multidisciplinary instruments for assessing coastal vulnerability to erosion and sea level rise: Lessons and challenges from the Adriatic Sea, Italy. Coast. Conserv. 2019, 23, 19–37. [Google Scholar] [CrossRef]
- Archetti, R.; Paci, A.; Carniel, S.; Bonaldo, D. Optimal index related to the shoreline dynamics during a storm: The case of Jesolo beach. Nat. Hazards Earth Syst. Sci. 2016, 16, 1107–1122. [Google Scholar] [CrossRef]
- Gaeta, M.G.; Bonaldo, D.; Samaras, A.G.; Archetti, R.; Carniel, S. Coupled wave-2D hydrodynamics modeling at the Reno river mouth (Italy) under climate change scenarios. Water 2019, 10, 1380. [Google Scholar] [CrossRef]
- Gaeta, M.G.; Samaras, A.G.; Federico, I.; Archetti, R.; Maicu, F.; Lorenzetti, G. A coupled wave-3-D hydrodynamics model of the Taranto Sea (Italy): A multiple-nesting approach. Nat. Hazards Earth Syst. Sci. 2016, 16, 2071–2083. [Google Scholar] [CrossRef]
- Samaras, A.G.; Gaeta, M.G.; Moreno Miquel, A.; Archetti, R. High-resolution wave and hydrodynamics modelling in coastal areas: Operational applications for coastal planning, decision support and assessment. Nat. Hazards Earth Syst. Sci. 2016, 16, 1499–1518. [Google Scholar] [CrossRef]
- Loza, P. Sand Bypassing Systems. Master Thesis in Environmental Engineering. Master′s Thesis, University of Porto, Porto, Portugal, June 2008. [Google Scholar]
- Aguzzi, M.; Bonsignore, F.; De Nigris, N.; Morelli, M.; Paccagnella, T.; Romagnoli, C.; Unguendoli, S. Stato del Litorale Emiliano-Romagnolo al 2012-Erosione e Interventi di difesa; Arpae Emilia-Romagna: Bologna, Italy, 2016. [Google Scholar]
- Poulain, P.M.; Kourafalou, V.H.; Cushman-Roisin, B. Northern Adriatic Sea. In Physical Oceanography of the Adriatic Sea Past, Present and Future; Cushman-Roisin, B., Gacic, M., Poulain, P.M., Artegiani, A., Eds.; Kluwer Academic Publishers: Dordrecht, The Netherlands, 2001. [Google Scholar]
- Lionello, P.; Cavaleri, L.; Nissen, K.M.; Pino, C.; Raicich, F.; Ulbrich, U. Severe marine storms in the Northern Adriatic: Characteristics and trends. Phys. Chem. Earth Parts A/B/C 2012, 40–41, 93–105. [Google Scholar] [CrossRef]
- Perini, L.; Calabrese, L.; Luciani, P.; Olivieri, M.; Galassi, G.; Spada, G. Sea-level rise along the Emilia-Romagna coast (Northern Italy) in 2100: Scenarios and impacts. Nat. Hazards Earth Syst. Sci. 2017, 17, 2271–2287. [Google Scholar] [CrossRef]
- ARPAE. Available online: https://www.arpae.it/sim/?mare/boa (accessed on 27 December 2020).
- Perini, L.; Calabrese, L.; Deserti, M.; Valentini, A.; Ciavola, P.; Armaroli, C. Le Mareggiate e gli Impatti Sulla Costa in Emilia-Romagna 1946–2010. I Quaderni di ARPA 2011; ARPAE: Bologna, Italy, 2011. [Google Scholar]
- Armaroli, C.; Ciavola, P.; Perini, L.; Calabrese, L.; Lorito, S.; Valentini, A.; Masina, M. Critical storm thresholds for significant morphological changes and damage along the Emilia-Romagna coastline, Italy. Geomorphology 2012, 143–144, 34–51. [Google Scholar] [CrossRef]
- Dolan, R.; Davis, R.E. An intensity scale for Atlantic coast northeast storms. J. Coast. Res. 1992, 8, 352–364. [Google Scholar]
- Mendoza, E.; Jiménez, J. Storm-Induced Beach Erosion Potential on the Catalonian Coast. J. Coast. Res. 2004, 48, 81–88. [Google Scholar]


















| Bathymetry ID | Date | Note |
|---|---|---|
| 01 | 13 June 2017 | Realized after dredging (2200 m3 of removed sediments) and 5 days of propellers operation completed in April–June 2017 |
| 02 | 28 December 2017 | |
| 03 | 7 April 2018 | |
| 04 | 11 May 2018 | Realized after 5 days of propeller operation, completed in April 2018 |
| 05 | 10 October 2018 | |
| 06 | 10 April 2019 | Realized after 2.5 days of propeller operation and dredging (20,000 m3 of removed sediments), completed in January–April 2019 |
| 07 | 12 June 2019 | Realized one day before the ejector demo plant was put into in operation |
| 08 | 6 September 2019 | Ejector demo plant in operation (phase 1, see Figure 6) |
| 09 | 9 January 2020 | Ejector demo plant in operation (phase 2, see Figure 6) |
| 10 | 30 April 2020 | Ejector demo plant in operation (phase 3, see Figure 6) |
| Class | Storm Energy (m2 h) |
|---|---|
| I—weak | E ≤ 58.4 |
| II—moderate | 58.4 < E ≤ 127.9 |
| III—significant | 127.9 < E ≤ 389.7 |
| IV—severe | 389.7 < E ≤ 706.9 |
| V—extreme | E > 706.9 |
| Date | Hs | Tm | Tp | MWD | Compass Sector | dur | E | Class | Level | Level Max |
|---|---|---|---|---|---|---|---|---|---|---|
| (m) | (s) | (s) | (° N) | (h) | (m2 h) | (m) | (m) | |||
| April–June 2017 | Propeller movimentation | |||||||||
| 13 June 2017 | Bathymetry 01 | |||||||||
| 6 November 2017 | 2.79 | 5.6 | 8.3 | 61 | I | 19.5 | 89.68 | II—moderate | 0.53 | 0.83 |
| 13 November 2017 | 3.68 | 6.7 | 9.1 | 59 | I | 50.5 | 302.96 | III—significant | 0.44 | 0.93 |
| 26 November 2017 | 3.07 | 5.0 | 7.7 | 46 | I | 11 | 50.77 | I—weak | 0.13 | 0.36 |
| 2 December 2017 | 2.39 | 5.3 | 7.7 | 58 | I | 22 | 86.48 | II—moderate | 0.27 | 0.69 |
| 28 December 2017 | Bathymetry 02 | |||||||||
| 3 February 2018 | 2.51 | 5.3 | 8.3 | 55 | I | 9.5 | 36.15 | I—weak | 0.29 | 0.70 |
| 13 February 2018 | 1.78 | 4.4 | 6.2 | 24 | I | 7 | 20.33 | I—weak | 0.40 | 0.52 |
| 18 February 2018 | 2.70 | 5.6 | 8.3 | 59 | I | 15 | 70.10 | II—moderate | 0.10 | 0.45 |
| 24 February 2018 | 3.00 | 6.0 | 8.3 | 75 | I | 67.5 | 331.37 | III—significant | 0.36 | 0.70 |
| 26 February 2018 | 2.49 | 5.5 | 7.1 | 48 | I | 59 | 248.20 | III—significant | 0.28 | 0.61 |
| 21 March 2018 | 3.10 | 6.0 | 9.1 | 65 | I | 37 | 182.44 | III—significant | 0.43 | 0.83 |
| 23 March 2018 | 2.13 | 5.1 | 7.1 | 42 | I | 12.5 | 42.66 | I—weak | 0.38 | 0.72 |
| 7 April 2018 | Bathymetry 03 | |||||||||
| April 2018 | Propeller movimentation | |||||||||
| 11 May 2018 | Bathymetry 04 | |||||||||
| 26 August 2018 | 2.00 | 5.1 | 7.7 | 37 | I | 9 | 28.14 | I—weak | 0.27 | 0.53 |
| 24 September 2018 | 2.75 | 5.8 | 8.3 | 316 | IV | 47 | 188.87 | III—significant | 0.14 | 0.59 |
| 2 October 2018 | 2.36 | 5.3 | 7.7 | 23 | I | 11.5 | 49.20 | I—weak | 0.32 | 0.40 |
| 10 October 2018 | Bathymetry 05 | |||||||||
| 21 October 2018 | 2.76 | 5.6 | 7.1 | 340 | IV | 20 | 73.58 | II—moderate | 0.26 | 0.57 |
| 29 October 2018 | 2.63 | 6.2 | 9.1 | 46 | I | 16.5 | 75.98 | II—moderate | 0.79 | 1.06 |
| 17 November 2018 | 2.33 | 5.5 | 7.7 | 44 | I | 34.5 | 121.52 | II—moderate | [a] | [a] |
| 20 November 2018 | 2.66 | 5.4 | 7.7 | 42 | I | 11.5 | 55.93 | I—weak | [a] | [a] |
| 27 November 2018 | 2.30 | 5.1 | 6.2 | 66 | I | 16.5 | 53.12 | I—weak | [a] | [a] |
| January 2019 | Propeller movimentation | |||||||||
| 23 February 2019 | 2.84 | 6.1 | 9.1 | 66 | I | 32 | 145.29 | III—significant | −0.39 | 0.04 |
| 20 March 2019 | 1.89 | 4.8 | 7.1 | 63 | I | 6.5 | 20.10 | I—weak | −0.07 | 0.15 |
| 26 March 2019 | 3.60 | 6.3 | 8.3 | 38 | I | 7.5 | 67.50 | II—moderate | 0.56 | 0.83 |
| 4 April 2019 | 1.94 | 6.2 | 9.1 | 82 | I | 8 | 22.13 | I—weak | 0.34 | 0.57 |
| March–April 2019 | Dredging sand volume of 20,000 m3 | |||||||||
| 10 April 2019 | Bathymetry 06 | |||||||||
| 5 May 2019 | 2.77 | 5.6 | 7.1 | 52 | I | 19.5 | 80.04 | II—moderate | 0.42 | 0.48 |
| 12 May 2019 | 2.75 | 5.3 | 7.1 | 32 | I | 31 | 143.70 | III—significant | 0.30 | 0.46 |
| 14 May 2019 | 2.02 | 4.9 | 6.7 | 38 | I | 23.5 | 28.65 | I—weak | 0.07 | 0.14 |
| 12 January 2019 | Bathymetry 07 | |||||||||
| 18 January 2019 | Ejectors on | |||||||||
| 3 September 2019 | 1.85 | 4.8 | 6.7 | 55 | I | 6.5 | 18.8 | I—weak | 0.22 | 0.33 |
| 6 September 2019 | Bathymetry 08 | |||||||||
| 3 October 2019 | 2.5 | 5.4 | 7.7 | 28 | I | 9 | 38.4 | I—weak | 0.56 | 0.56 |
| 17 November 2019 | 1.87 | 6.5 | 9.1 | 83 | I | 7.5 | 22.8 | I—weak | 0.76 | 0.90 |
| 24 November 2019 | 1.77 | 5.5 | 8.3 | 82 | I | 13.5 | 34.8 | I—weak | 0.55 | 0.68 |
| 10 December 2019 | 1.75 | 5.1 | 6.7 | 66 | I | 11 | 30.9 | I—weak | 0.20 | 0.20 |
| 23 December 2019 | [b] | [b] | [b] | [b] | [b] | [b] | [b] | [b] | [b] | 1.0 |
| 9 January 2020 | Bathymetry 09 | |||||||||
| 20 January 2020 | 1.73 | 4.7 | 5.9 | 61 | I | 21 | 55.1 | I—weak | 0.12 | 0.13 |
| 6 February 2020 | 2.54 | 5.3 | 7.1 | 44 | I | 18.5 | 84.1 | II—moderate | −0.05 | 0.19 |
| 25 March 2020 | 4.05 | 7.8 | 25 | 58 | I | 76.5 | 369.6 | III—significant | −0.13 | 0.25 |
| 31 March 2020 | 2.24 | 5.2 | 7.1 | 48 | I | 17 | 56.0 | I—weak | 0.16 | 0.18 |
| 1 April 2020 | 1.88 | 4.7 | 6.2 | 61 | I | 10.5 | 29.9 | I—weak | 0.05 | 0.07 |
| 14 April 2020 | 2.58 | 5.5 | 7.7 | 59 | I | 16 | 58.5 | I—weak | −0.04 | 0.0 |
| 30 April 2020 | Bathymetry 10 | |||||||||
| Period | N° of Storms | Energy Released in the Period (m2 h) | Mean Energy Per Day (m2 h/day) |
|---|---|---|---|
| 13 June 2017–28 December 2017 | 4 | 530 | 2.68 |
| 28 December 2017–7 April 2018 | 7 | 930 | 9.30 |
| 11 May 2018–10 October 2018 | 3 | 266 | 1.75 |
| 10 April 2019–12 June 2019 | 4 | 275 | 4.37 |
| 12 June 2019–6 September 2019 | 1 | 19 | 0.22 |
| 6 September 2019–9 January 2020 | 4 | 127 | 1.02 |
| 9 January 2020–30 April 2020 | 6 | 653 | 5.83 |
Publisher’s Note: MDPI stays neutral with regard to jurisdictional claims in published maps and institutional affiliations. |
© 2021 by the authors. Licensee MDPI, Basel, Switzerland. This article is an open access article distributed under the terms and conditions of the Creative Commons Attribution (CC BY) license (http://creativecommons.org/licenses/by/4.0/).
Share and Cite
Pellegrini, M.; Aghakhani, A.; Gaeta, M.G.; Archetti, R.; Guzzini, A.; Saccani, C. Effectiveness Assessment of an Innovative Ejector Plant for Port Sediment Management. J. Mar. Sci. Eng. 2021, 9, 197. https://doi.org/10.3390/jmse9020197
Pellegrini M, Aghakhani A, Gaeta MG, Archetti R, Guzzini A, Saccani C. Effectiveness Assessment of an Innovative Ejector Plant for Port Sediment Management. Journal of Marine Science and Engineering. 2021; 9(2):197. https://doi.org/10.3390/jmse9020197
Chicago/Turabian StylePellegrini, Marco, Arash Aghakhani, Maria Gabriella Gaeta, Renata Archetti, Alessandro Guzzini, and Cesare Saccani. 2021. "Effectiveness Assessment of an Innovative Ejector Plant for Port Sediment Management" Journal of Marine Science and Engineering 9, no. 2: 197. https://doi.org/10.3390/jmse9020197
APA StylePellegrini, M., Aghakhani, A., Gaeta, M. G., Archetti, R., Guzzini, A., & Saccani, C. (2021). Effectiveness Assessment of an Innovative Ejector Plant for Port Sediment Management. Journal of Marine Science and Engineering, 9(2), 197. https://doi.org/10.3390/jmse9020197

