A Simulation-Based Optimization Framework for Collaborative Scheduling of Autonomous and Human-Driven Trucks in Mixed-Traffic Container Terminal Environments
Abstract
1. Introduction
- Vehicle types: ACTs (internal autonomous fleet) and HDCTs (external trucks).
- Decisions addressed: task assignment for ACTs, conflict-free routing, and dynamic vehicle-interaction management.
- Operational constraints: right-of-way rules at intersections, safe time-distance headways, task release times for HDCTs, and yard-lane traffic interactions.
- Objectives: minimizing total task completion time of ACTs and minimizing the average waiting time of HDCTs.
2. Literature Review
2.1. Internal Vehicle Scheduling
2.2. External Truck Scheduling
2.3. Collaborative Scheduling Between Internal and External Vehicles
2.4. Mixed-Traffic Modeling of Autonomous and Human-Driven Vehicles
3. Problem Statement
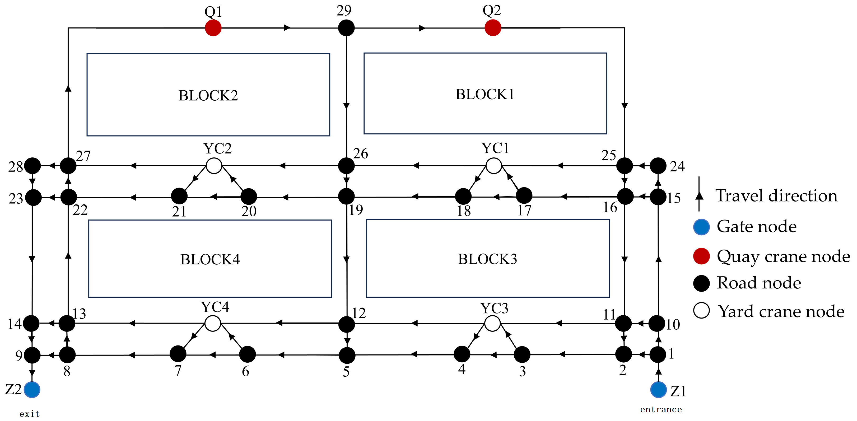
3.1. Terminal Layout and Operational Workflow
3.2. Mixed-Traffic Vehicle Scheduling Problem
3.3. Spatio-Temporal Network Representation
4. Model and Problem Formulation
4.1. Model Assuptions
- (1)
- All internal horizontal transport tasks within the terminal are performed by ACTs, whereas external container delivery tasks are independently completed by HDCTs.
- (2)
- Both ACTs and HDCTs travel at constant speeds along their designated routes. Speed variations caused by vehicle stops/starts, weather, or other conditions are not considered.
- (3)
- The operational efficiency of key handling equipment (e.g., quay cranes and yard cranes) is assumed to remain stable throughout the scheduling horizon. Loading and unloading times are fixed, and disruptions such as equipment breakdowns, scheduled maintenance, or variations in container characteristics (e.g., weight, type, or handling difficulty) are not included.
- (4)
- The arrival times of external trucks at the terminal gate follows a known, predetermined distribution.
- (5)
- Each ACT can handle only one container transport task at a time, and all trucks are limited to processing at most one job simultaneously.
4.2. Variabe Definition
4.3. Model Establishment
5. Simulation-Based Optimization Framework
5.1. Overall Architecture
5.2. Simulation Module
5.2.1. Discrete-Event Simulation Logic
- (1)
- Task Initiation: ACTs receive their assigned transport tasks from the central dispatching system. HDCTs arrive at the terminal gate according to predefined arrival times and subsequently enter the simulation environment. The arrival process follows a Poisson distribution, a standard assumption in modeling truck arrivals at container terminals. The arrival rate is scenario-dependent (e.g., 50–100 HDCTs per 30 min) and determines the expected arrival intensity for each simulation run.
- (2)
- Dynamic Yard Block Selection for External Trucks: Upon arrival at the gate, each HDCT utilizes an online yard block selection strategy based on Dynamic Programming (DP) (detailed in Section 5.3.2 of this paper) to dynamically determine its target yard crane.
- (3)
- Congestion-Aware Path Planning: Both ACTs and HDCTs utilize a dynamic congestion-aware path planning algorithm (detailed in Section 5.3.3). This algorithm is an enhancement of the classical Dijkstra’s algorithm. By incorporating real-time arc congestion weights and downstream propagation costs, it plans spatio-temporally optimal and congestion-avoiding paths from the vehicle’s current position to the next target node.
- (4)
- Resource Request and Movement Logic: A truck initiates movement by requesting occupancy of the first arc on its planned path. If the arc is at capacity or entering it would violate the safe time headway constraint with the preceding vehicle on that arc, the truck waits at the current node (occupying node capacity) and re-attempts the request in the next simulation step. Upon granted arc access, the truck occupies that arc resource until completely traversing it. Upon reaching the arc’s end node, the truck immediately requests entry into that node. If the node is at capacity or a conflict exists with higher-priority vehicles at the node entrance, the truck waits (while continuing to occupy the current arc resource) and reapplies for node entry permission in the next simulation step. Once node entry is granted, the truck releases the arc resource and switches to occupying node capacity.
- (5)
- Yard Block and Crane Operations: Upon reaching the target yard crane node, the truck requests yard crane service for loading/unloading operations. The crane’s service time is set as a fixed value. If the crane is busy, the truck joins a queue at the yard crane node to wait.
- (6)
- Task Completion: Task completion for an ACT is defined as successfully transporting a container from the yard block to the quay crane area and unloading it. After completing one task, if additional tasks are assigned, the ACT proceeds to execute the next task until all are finished. Task completion for an HDCT is defined as successfully unloading (or loading) a container at the designated yard crane and subsequently exiting through the terminal gate.
- External Truck Priority Strategy: This strategy defaults to assigning higher node passage priority to HDCTs to ensure the timeliness of their container gathering and dispersion operations, thereby maintaining efficient connectivity between the terminal and the external supply chain. To prevent ACTs from excessive waiting that could impact core ship loading/unloading operations, a waiting time threshold is set: if an ACT’s waiting time at a node exceeds a preset threshold, the system automatically elevates its priority above that of HDCTs, ensuring critical operational progress is not hindered.
- Internal Truck Priority Strategy: This strategy defaults to assigning higher priority to ACTs to minimize vessel port time and enhance the overall efficiency and competitiveness of terminal loading/unloading operations. To avoid issues such as cargo backlog, decreased customer satisfaction, and strained storage resources caused by prolonged waiting of HDCTs, a waiting time threshold mechanism is similarly introduced: when an HDCT’s waiting time at a node exceeds the preset threshold, its passage priority is automatically elevated above that of ACTs.
5.2.2. Dynamic Programming-Based Yard Block Selection Strategy for External Trucks
- (1)
- Confirmed tasks: a set of external truck tasks with pre-allocated time intervals stored via an interval tree data structure, denoted as ;
- (2)
- Tentative tasks: a set of external truck tasks awaiting confirmation within the prediction time window , denoted as ;
- (3)
- Future tasks: transportation tasks of autonomous trucks estimated to arrive based on path planning algorithms, denoted as , where is the standardized loading/unloading time.
5.2.3. Dynamic Congestion-Aware Path Planning Algorithm for Port Container Trucks
| Algorithm 1 Path Search Algorithm Based on Improved Dijkstra |
| Input: Start node , destination node , current time Output: Optimal path 1: // Initialize a priority queue 2: Q.insert(,, []) // Initial state: (node, cost, path) 3: // Visited node set 4:, // Initialize parameters 5: // Define the set of forbidden arcs 6: while do 7: // Extract the path with the minimum cost 8: if then continue // Skip if node already visited 9: if then return // Destination reached 10: // Mark node as visited 11: for each do // Traverse adjacent nodes 12: if then continue // Skip forbidden arcs 13: if then continue // Skip invalid paths 14: compute using Equation (24) // Calculate dynamic weight 15: compute using Equation (25) // Calculate downstream propagation cost 16: // Entry time to the arc 17: // Retrieve last entry time 18: // Actual entry time 16: // Calculate total cost increment 17: if 18: // Update cost 19: // Update predecessor 20: // Insert updated state into Q 21: Path backtracking:From , traverse backwards via to to generate 22: return |
- (1)
- Dynamic cost weight calculation and update: This step involves real-time collection of traffic flow data for each arc segment. Based on a predefined congestion evaluation model, the weight factors are dynamically updated to reflect instantaneous changes in network traversal resistance.
- (2)
- Path search using an improved Dijkstra algorithm (see Algorithm 1): The algorithm initializes a priority queue. Leveraging the dynamic cost weights, it expands nodes within the spatio-temporal network and generates the current optimal path through a backtracking mechanism.
- (3)
- Dynamic replanning decision: The path stability indicator is calculated. If this indicator falls below the preset expected threshold, the path replanning mechanism is triggered, and the vehicle proceeds to follow the newly generated optimized path.
- (4)
- Safety headway control and capacity constraint verification: The system performs real-time detection of collision risks between vehicles to ensure compliance with minimum safety headway requirements. It also dynamically verifies that the number of vehicles on each arc and node does not exceed their physical capacity limits.
- (5)
- Path execution and state update: The vehicle travels along the planned path while the system continuously updates the queue status. The algorithm terminates once the vehicle reaches the destination of its task.
5.3. Optimization Module
5.3.1. Hierarchical Chromosome Encoding Scheme
5.3.2. Algorithm Operations
- (1)
- Crossover Operation
- (2)
- Mutation Operation
- (3)
- Selection Operation
- (4)
- Random Interactive Learning Mechanism
- (5)
- Crowding Distance Calculation
5.3.3. Pareto Sorting and Selection Strategy
6. Experiment Results and Analysis
6.1. The Instances
6.2. Impacts of External Truck Arrival Intensity
6.3. Impacts of the Configuration Quantity of Autonomous Container Trucks
7. Conclusions
- (1)
- A simulation-based optimization framework for mixed vehicle scheduling is proposed. This framework consists of two layers: The upper layer is an improved NSGA-II algorithm that incorporates a stochastic interactive learning mechanism, using real-number encoding to transform the complex spatio-temporal resource allocation problem into an optimizable task sequence. The lower layer is a discrete-event simulation-based system that simulates mixed operations at the terminal, taking the solutions generated by the upper-layer algorithm as input to conduct high-fidelity simulation of dynamic terminal operations. Within the simulation system, a dynamic programming model is integrated to predict the waiting time of HDCTs at yard cranes, and the optimal yard crane is dynamically selected based on real-time task queues and path travel times, overcoming the inefficiency of traditional static yard block selection strategies. Simultaneously, an improved Dijkstra’s algorithm with dynamic congestion awareness was developed. By introducing real-time congestion weights and prohibited arc constraints, it adaptively adjusts path planning and strictly enforces safe time headway control, significantly enhancing scheduling robustness in complex mixed-traffic scenarios.
- (2)
- The flow adaptation mechanism of dynamic priority strategies and the threshold for resource allocation are revealed, providing a scientific basis for strategy switching and equipment configuration guidance for mixed vehicle scheduling at terminals. Research indicates that under low external truck flow scenarios (≤70 trucks/30 min), adopting an ACT-priority strategy can reduce the completion time of internal truck tasks by approximately 18–25%. In high-flow scenarios (≥80 trucks/30 min), switching to an HDCT-priority strategy can effectively reduce the average waiting time of external trucks, achieving collaborative optimization between supply chain timeliness and terminal operational efficiency. Furthermore, sensitivity analysis revealed that the system’s synergistic effect is optimal when the quantitative ratio of ACTs to HDCTs is maintained at 1:2; exceeding this ratio significantly increases the risk of delays. These results provide precise decision-making support for selecting scheduling strategies and planning equipment scale during terminal automation transformation, helping to balance efficiency, cost, and risk.
Author Contributions
Funding
Data Availability Statement
Conflicts of Interest
Abbreviations
| ACT | Automated Container Truck |
| HDCT | Human-Driven Container Truck |
| AGV | Automated Guided Vehicle |
Appendix A
Numerical Example

| Arcs | Travel Time | Capacity | Arcs | Travel Time | Capacity |
|---|---|---|---|---|---|
| (Z1, 1) | 15 | 3 | (14, 9) | 5 | 1 |
| (1, 2) | 5 | 1 | (15, 16) | 5 | 1 |
| (1, 10) | 5 | 1 | (15, 24) | 5 | 1 |
| (2, 3) | 25 | 3 | (16, 11) | 30 | 3 |
| (3, 4) | 10 | 1 | (16, 17) | 25 | 3 |
| (3, CY3) | 10 | 1 | (17, 18) | 10 | 1 |
| (4, 5) | 25 | 3 | (17, CY1) | 10 | 1 |
| (5, 6) | 25 | 3 | (18, 19) | 25 | 3 |
| (6, 7) | 10 | 1 | (19, 12) | 30 | 3 |
| (6, CY4) | 10 | 1 | (19, 20) | 25 | 3 |
| (7, 8) | 25 | 3 | (22, 23) | 5 | 1 |
| (8, 9) | 5 | 1 | (22, 27) | 5 | 1 |
| (8, 13) | 5 | 1 | (23, 14) | 30 | 3 |
| (9, Z2) | 15 | 3 | (24, 25) | 5 | 1 |
| (10, 11) | 5 | 1 | (25, 16) | 5 | 1 |
| (10, 15) | 30 | 3 | (25, CY1) | 30 | 3 |
| (11, 2) | 5 | 1 | (CY1, 18) | 10 | 1 |
| (11, CY3) | 30 | 3 | (CY1, 26) | 30 | 3 |
| (CY3, 4) | 10 | 1 | (26, 19) | 5 | 1 |
| (20, 21) | 10 | 1 | (26, CY2) | 30 | 3 |
| (21, 22) | 25 | 3 | (CY2, 21) | 10 | 1 |
| (20, CY2) | 10 | 1 | (CY2, 27) | 30 | 3 |
| (CY3,12) | 30 | 3 | (27, 28) | 5 | 1 |
| (12, 5) | 5 | 1 | (27, Q1) | 60 | 4 |
| (12, CY4) | 30 | 3 | (28, 23) | 5 | 1 |
| (CY4, 7) | 10 | 1 | (Q1, 29) | 30 | 3 |
| (CY4, 13) | 30 | 3 | (29, 26) | 30 | 3 |
| (13, 14) | 5 | 1 | (29, Q2) | 30 | 4 |
| (13, 22) | 30 | 3 | (Q2, 25) | 60 | 4 |
| Tasks of ACTs | Yard Block | HDCTs | Arrival Time (s) |
|---|---|---|---|
| 1 | CY1 | 1 | 0 |
| 2 | CY1 | 2 | 5 |
| 3 | CY1 | 3 | 35 |
| 4 | CY1 | 4 | 48 |
| 5 | CY2 | 5 | 57 |
| 6 | CY2 | 6 | 59 |
| 7 | CY2 | 7 | 61 |
| 8 | CY2 | 8 | 62 |
| 9 | CY3 | 9 | 82 |
| 10 | CY3 | 10 | 91 |
| 11 | CY3 | 11 | 103 |
| 12 | CY3 | 12 | 104 |
| 13 | CY4 | 13 | 139 |
| 14 | CY4 | 14 | 157 |
| 15 | CY4 | 15 | 159 |
| 16 | CY4 | 16 | 161 |
| ACTs | Task Allocation | Yard Block |
|---|---|---|
| 1 | [16, 15] | CY4, CY4 |
| 2 | [5, 13] | CY2, CY4 |
| 3 | [2, 6] | CY1, CY2 |
| 4 | [9, 14] | CY3, CY4 |
| 5 | [3, 12] | CY1, CY3 |
| 6 | [10, 8] | CY3, CY2 |
| 7 | [11, 1] | CY3, CY1 |
| 8 | [7, 4] | CY2, CY1 |
| HDCTs | Yard Block Selection | HDCTs | Yard Block Selection |
|---|---|---|---|
| 1 | CY2 | 9 | CY2 |
| 2 | CY1 | 10 | CY1 |
| 3 | CY4 | 11 | CY1 |
| 4 | CY2 | 12 | CY2 |
| 5 | CY1 | 13 | CY2 |
| 6 | CY4 | 14 | CY4 |
| 7 | CY3 | 15 | CY4 |
| 8 | CY3 | 16 | CY4 |
| Trucks | Paths | Time Window (s) |
|---|---|---|
| ACT 1 | Q1-29-26-19-12-CY4-13-22-27-Q1-29-26-19-12-CY4-13-22-27-Q1 | 0-30-60-65-95-125-275-305-310-370-400-430-435-465-495-662-692-697-757 |
| ACT 2 | Q1-29-26-CY2-21-22-27-Q1-29-26-19-12-CY4-13-22-27-Q1 | 0-32-62-92-222-247-252-312-342-372-377-407-448-635-665-670-730 |
| ACT 3 | Q1-29-Q2-25-CY1-18-19-20-21-22-27-Q1-29-26-CY2-21-22-27-Q1 | 0-34-64-124-154-350-375-400-410-435-440-500-530-560-590-720-745-750-810 |
| ACT 4 | Q1-29-Q2-25-16-11-CY3-CY4-13-22-27-Q1-29-26-19-12-CY4-13-22-27-Q1 | 0-36-66-126-131-161-191-538-568-598-603-663-693-723-730-760-790-940-970-975-1035 |
| ACT 5 | Q2-25-CY1-18-19-20-21-22-27-Q1-29-Q2-25-16-11-CY3-CY4-13-22-27-Q1-29-Q2 | 0-60-90-220-245-270-280-308-316-376-406-436-496-501-531-561-741-771-801-807-867-897-927 |
| ACT 6 | Q2-25-16-11-CY3-CY4-13-22-27-Q1-29-Q2-25-CY1-26-CY2-21-22-27-Q1-29-Q2 | 0-62-70-100-130-418-448-478-483-543-573-603-663-693-723-753-883-908-913-973-1003-1033 |
| ACT 7 | Q2-25-16-11-CY3-CY4-13-22-27-Q1-29-Q2-25-CY1-18-19-20-21-22-27-Q1-29-Q2 | 0-68-76-106-148-428-458-488-495-555-585-615-675-705-835-860-885-895-920-925-985-1015-1045 |
| ACT 8 | Q2-25-CY1-26-CY2-21-22-27-Q1-29-Q2-25-CY1-18-19-20-21-22-27-Q1-29-Q2 | 0-71-103-133-163-342-367-372-432-462-492-552-582-712-737-762-772-797-802-862-892-922 |
| HDCT 1 | Z1-1-10-15-16-17-18-19-20-CY2-21-22-23-14-9-Z2 | 0-15-20-50-55-80-90-115-140-150-280-305-313-343-348-363 |
| HDCT 2 | Z1-1-10-15-24-25-CY1-18-19-12-CY4-13-14-9-Z2 | 5-20-25-55-60-65-98-230-257-287-317-347-352-357-372 |
| HDCT 3 | Z1-1-2-3-4-5-6-CY4-13-14-9-Z2 | 35-50-55-80-90-115-140-150-300-305-310-325 |
| HDCT 4 | Z1-1-10-15-16-17-18-19-20-CY2-21-22-23-14-9-Z2 | 48-63-68-98-103-128-138-163-188-198-400-425-430-460-465-480 |
| HDCT 5 | Z1-1-10-15-24-25-CY1-18-19-12-CY4-13-14-9-Z2 | 57-72-77-107-112-117-147-340-365-395-425-455-460-470-485 |
| HDCT 6 | Z1-1-2-3-4-5-6-CY4-13-14-9-Z2 | 59-75-80-105-115-140-165-175-395-400-405-420 |
| HDCT 7 | Z1-1-10-11-CY3-4-5-6-7-8-9-Z2 | 61-78-83-88-118-248-273-298-308-333-338-353 |
| HDCT 8 | Z1-1-10-11-CY3-4-5-6-7-8-9-Z2 | 62-87-92-97-127-258-283-308-318-343-348-366 |
| HDCT 9 | Z1-1-10-15-16-17-18-19-20-CY2-21-22-23-14-9-Z2 | 82-97-102-132-137-162-172-197-222-232-462-487-492-522-530-545 |
| HDCT 10 | Z1-1-10-15-24-25-CY1-18-19-12-CY4-13-14-9-Z2 | 91-106-111-141-146-151-181-460-485-515-545-575-580-590-605 |
| HDCT 11 | Z1-1-10-15-24-25-CY1-18-19-12-CY4-13-14-9-Z2 | 103-118-123-153-158-163-193-470-495-525-555-585-590-595-610 |
| HDCT 12 | Z1-1-10-15-16-17-18-19-20-CY2-21-22-23-14-9-Z2 | 104-121-128-162-167-192-202-227-252-262-520-545-550-580-585-600 |
| HDCT 13 | Z1-1-10-15-16-17-18-19-20-CY2-21-22-23-14-9-Z2 | 139-154-159-189-194-219-229-254-279-289-582-607-612-642-647-662 |
| HDCT 14 | Z1-1-2-3-4-5-6-CY4-13-14-9-Z2 | 157-172-177-202-212-237-262-272-422-427-432-447 |
| HDCT 15 | Z1-1-2-3-4-5-6-CY4-13-14-9-Z2 | 159-175-182-207-222-247-272-282-515-520-525-540 |
| HDCT 16 | Z1-1-2-3-CY3-12-CY4-13-14-9-Z2 | 161-178-187-212-225-255-285-542-547-552-567 |
References
- Gharehgozli, A.; Zaerpour, N.; de Koster, R. Container terminal layout design: Transition and future. Marit. Econ. Logist. 2020, 22, 610–639. [Google Scholar] [CrossRef]
- Kavakeb, S.; Nguyen, T.T.; McGinley, K.; Yang, Z.; Jenkinson, I.; Murray, R. Green vehicle technology to enhance the performance of a European port: A simulation model with a cost-benefit approach. Transp. Res. Part C Emerg. Technol. 2015, 60, 169–188. [Google Scholar] [CrossRef]
- Wang, Z.; Zeng, Q.; Li, X.; Qu, C. A branch-and-price heuristic algorithm for the ART and external truck scheduling problem in an automated container terminal with a parallel layout. Transp. Res. Part E Logist. Transp. Rev. 2024, 184, 103464. [Google Scholar] [CrossRef]
- Angeloudis, P.; Bell, M.G.H. An uncertainty-aware AGV assignment algorithm for automated container terminals. Transp. Res. Part E Logist. Transp. Rev. 2010, 46, 354–366. [Google Scholar] [CrossRef]
- Hu, H.; Chen, X.; Wang, T.; Zhang, Y. A three-stage decomposition method for the joint vehicle dispatching and storage allocation problem in automated container terminals. Comput. Ind. Eng. 2019, 129, 90–101. [Google Scholar] [CrossRef]
- Li, L.; Li, Y.; Liu, R.; Zhou, Y.; Pan, E. A Two-stage Stochastic Programming for AGV scheduling with random tasks and battery swapping in automated container terminals. Transp. Res. Part E Logist. Transp. Rev. 2023, 174, 103110. [Google Scholar] [CrossRef]
- Lyu, X.; Song, Y.; He, C.; Lei, Q.; Guo, W.-F. Approach to integrated scheduling problems considering optimal number of automated guided vehicles and conflict-free routing in flexible manufacturing systems. IEEE Access 2019, 7, 74909–74924. [Google Scholar] [CrossRef]
- Zhong, M.; Yang, Y.; Dessouky, Y.; Postolache, O. Multi-AGV scheduling for conflict-free path planning in automated container terminals. Comput. Ind. Eng. 2020, 142, 106371. [Google Scholar] [CrossRef]
- Hu, Y.; Dong, L.; Xu, L. Multi-AGV dispatching and routing problem based on a three-stage decomposition method. Math. Biosci. Eng. 2020, 17, 5150–5172. [Google Scholar] [CrossRef]
- Xu, B.; Jie, D.; Li, J.; Zhou, Y.; Wang, H.; Fan, H. A hybrid dynamic method for conflict-free integrated schedule optimization in U-shaped automated container terminals. J. Mar. Sci. Eng. 2022, 10, 1187. [Google Scholar] [CrossRef]
- Wu, M.; Gao, J.; Li, L.; Wang, Y. Control optimisation of automated guided vehicles in container terminal based on Petri network and dynamic path planning. Comput. Electr. Eng. 2022, 104, 108471. [Google Scholar] [CrossRef]
- Li, S.; Fan, L.; Jia, S. A hierarchical solution framework for dynamic and conflict-free AGV scheduling in an automated container terminal. Transp. Res. Part C Emerg. Technol. 2024, 165, 104724. [Google Scholar] [CrossRef]
- Chu, L.; Gao, Z.; Dang, S.; Zhang, J.; Yu, Q. Optimization of joint scheduling for automated guided vehicles and unmanned container trucks at automated container terminals considering conflicts. J. Mar. Sci. Eng. 2024, 12, 1190. [Google Scholar] [CrossRef]
- Chen, J.; Zhou, J.; Zheng, Y.; Ma, R. Optimal scheduling model based on unmanned collector truck arrival time variation field bridge under balanced strategy. J. Phys. Conf. Ser. 2022, 2258, 012043. [Google Scholar] [CrossRef]
- Yue, L.; Fan, H.; Ma, M. Optimizing configuration and scheduling of double 40 ft dual-trolley quay cranes and AGVs for improving container terminal services. J. Clean. Prod. 2021, 292, 126019. [Google Scholar] [CrossRef]
- Hong, C.; Guo, Y.; Wang, Y.; Li, T. The Integrated Scheduling Optimization for Container Handling by Using Driverless Electric Truck in Automated Container Terminal. Sustainability 2023, 15, 5536. [Google Scholar] [CrossRef]
- Hsu, H.P.; Wang, C.N.; Fu, H.P.; Dang, T.-T. Joint scheduling of yard crane, yard truck, and quay crane for container terminal considering vessel stowage plan: An integrated simulation-based optimization approach. Mathematics 2021, 9, 2236. [Google Scholar] [CrossRef]
- Wang, N.; Guo, J.; Li, J.; Wang, J.; Li, J. Optimization of AGV Scheduling in Automated Container Terminal Based on Improved Genetic Algorithm. In Proceedings of the 4th International Conference on Artificial Intelligence and Computer Engineering, Dalian, China, 17–19 November 2023; pp. 1069–1074. [Google Scholar] [CrossRef]
- Tierney, K.; Voß, S.; Stahlbock, R. A mathematical model of inter-terminal transportation. Eur. J. Oper. Res. 2014, 235, 448–460. [Google Scholar] [CrossRef]
- Murakami, K. Time-space network model and MILP formulation of the conflict-free routing problem of a capacitated AGV system. Comput. Ind. Eng. 2020, 141, 106270. [Google Scholar] [CrossRef]
- Lu, J.; Ren, C.; Shao, Y.; Zhu, J.; Lu, X. An automated guided vehicle conflict-free scheduling approach considering assignment rules in a robotic mobile fulfillment system. Comput. Ind. Eng. 2023, 176, 108932. [Google Scholar] [CrossRef]
- Zeng, Q.; Feng, Y.; Yang, Z. Integrated optimization of pickup sequence and container rehandling based on partial truck arrival information. Comput. Ind. Eng. 2019, 127, 366–382. [Google Scholar] [CrossRef]
- He, J.; Zhang, L.; Deng, Y.; Yu, H.; Huang, M.; Tan, C. An allocation approach for external truck tasks appointment in automated container terminal. Adv. Eng. Inform. 2023, 55, 101864. [Google Scholar] [CrossRef]
- Ramírez-Nafarrate, A.; González-Ramírez, R.G.; Smith, N.R.; Guerra-Olivares, R.; Voß, S. Impact on yard efficiency of a truck appointment system for a port terminal. Ann. Oper. Res. 2017, 258, 195–216. [Google Scholar] [CrossRef]
- Sun, S.; Zheng, Y.; Dong, Y.; Li, N.; Jin, Z.; Yu, Q. Reducing external container trucks’ turnaround time in ports: A data-driven approach under truck appointment systems. Comput. Ind. Eng. 2022, 174, 108787. [Google Scholar] [CrossRef]
- Talaat, A.; Gheith, M.; Eltawil, A. A multi-stage approach for external trucks and yard cranes scheduling with CO2 emissions considerations in container terminals. Logistics 2023, 7, 87. [Google Scholar] [CrossRef]
- Bett, D.K.; Ali, I.; Gheith, M.; Eltawil, A. Simulation-based optimization of truck appointment systems in container terminals: A dual transactions approach with improved congestion factor representation. Logistics 2024, 8, 80. [Google Scholar] [CrossRef]
- Chen, H.; Xu, X.; Wang, W. The impact of conflict avoidance strategies of internal and external container trucks on the traffic scheduling in automated container terminals. In Proceedings of the 3rd International Conference on Internet of Things and Smart City (IoTSC 2023), Chongqing, China, 24–26 March 2023; SPIE: Bellingham, WA, USA, 2023; Volume 12708, pp. 750–757. [Google Scholar] [CrossRef]
- Gao, Y.; Ge, Y.E. Integrated scheduling of yard cranes, external trucks, and internal trucks in maritime container terminal operation. Marit. Policy Manag. 2023, 50, 629–650. [Google Scholar] [CrossRef]
- Yang, Y.; Sun, S.; Zhong, M.; Feng, J.; Wen, F.; Song, H. A refined collaborative scheduling method for multi-equipment at U-shaped automated container terminals based on rail crane process optimization. J. Mar. Sci. Eng. 2023, 11, 605. [Google Scholar] [CrossRef]
- Mohajerpoor, R.; Ramezani, M. Mixed flow of autonomous and human-driven vehicles: Analytical headway modeling and optimal lane management. Transp. Res. Part C 2019, 109, 194–210. [Google Scholar] [CrossRef]
- Guo, X.Y.; Zhang, G.; Jia, A.F. Study on mixed traffic of autonomous vehicles and human-driven vehicles with different cyber interaction approaches. Veh. Commun. 2023, 39, 100550. [Google Scholar] [CrossRef]
- Zeng, Q.; Hao, S.Y.; Zhao, N.L.; Liu, R. Modeling and Analysis of Mixed Traffic Flow Considering Driver Stochasticity and CAV Connectivity Uncertainty. Sensors 2025, 25, 2806. [Google Scholar] [CrossRef]
- Wang, Z.; Huang, H.; Tang, J.; Hu, L. A deep reinforcement learning-based approach for autonomous lane-changing velocity control in mixed flow of vehicle group level. Expert Syst. Appl. 2024, 238, 122158. [Google Scholar] [CrossRef]
- Jiang, C.; Yin, S.; Yao, Z.; He, J.; Jiang, R.; Jiang, Y. Safety evaluation of mixed traffic flow with truck platoons equipped with (cooperative) adaptive cruise control, stochastic human-driven cars and trucks on port freeways. Phys. A Stat. Mech. Its Appl. 2024, 643, 129802. [Google Scholar] [CrossRef]
- Wang, Y.Q.; Chen Fu, Z.X.; Li, P.K.; Yu, L. Impact Analysis of Surrounding Vehicle Behavior on Autonomous Truck Platooning. Transp. Res. Rec. 2025, 2679, 666–691. [Google Scholar] [CrossRef]
- Kang, N.; Qian, C.; Zhou, Y.Y.; Luo, W.T. Operational Evaluation of Mixed Flow on Highways Considering Trucks and Autonomous Vehicles Based on an Improved Car-Following Decision Framework. Sustainability 2025, 17, 6450. [Google Scholar] [CrossRef]
- Sang, X.; Hou, K.N.; Liu, C.; Zheng, F.F.; Liu, X.B. A shared strategy of dedicated autonomous truck lanes for enhancing sustainability and efficiency in mixed freeway traffic. Transp. B-Transp. Dyn. 2025, 13, 2449484. [Google Scholar] [CrossRef]
- Wang, A.; Qi, L.; Luan, W.J.; Lu, T. Highway On-Ramp Truck Platooning Based on Deep Reinforcement Learning. Transp. Res. Rec. 2024, 2679, 815–832. [Google Scholar] [CrossRef]
- Chen, L.; Jia, N.N.; Li, Q.R.; Zhao, Y.X. Modeling and Simulation of Mixed Traffic Flow in Maintenance Operation Zone Considering the Impact of Trucks in an Intelligent Connected Environment. Transp. Res. Rec. 2025, 2679, 683–705. [Google Scholar] [CrossRef]











| Study | Core Methodology | Key Contributions |
|---|---|---|
| Lyu et al. [7] | Dijkstra + Genetic algorithm | Global routing with embedded conflict detection; improved efficiency under congestion. |
| Zhong et al. [8] | Mixed-integer programming + Hybrid GA-PSO + Fuzzy logic controller | Optimized paths while preventing AGV conflicts and deadlocks. |
| Hu et al. [9] | Three-stage decomposition + A* algorithm + Time window | Sequential conflict avoidance through time-window reservation. |
| Xu et al. [10] | Discrete-event + Continuous-time models + Improved Genetic Seagull Optimization | Collision-free planning in U-shaped layouts; improved task processing time. |
| Wu et al. [11] | Heuristics + Object-Oriented Time-Variant Colored Stochastic Petri Net + A* algorithm + Dynamic Window Approach | Real-time conflict and obstacle avoidance via dynamic decision rules. |
| Li et al. [12] | Reinforcement Learning + Customized path generator | Joint task assignment and path planning for dynamic environments. |
| Chu et al. [13] | Two-stage model + Genetic algorithm + A* algorithm | Conflict-free joint scheduling of AGVs and unmanned container trucks. |
| Sets and Parameters | Definition |
|---|---|
| Set of nodes in the base graph, | |
| Set of nodes in the spatio-temporal graph, | |
| Set of arcs in the | |
| Set of arcs in the spatio-temporal graph, | |
| Set of non-stationary arcs in the spatio-temporal graph | |
| Set of stationary arcs in the spatio-temporal graph | |
| Set of path arcs allowed by HDCTs | |
| Set of path arcs allowed by ACTs | |
| Number of yard crane nodes | |
| Number of intersection nodes | |
| Number of time steps | |
| The length of a time step | |
| Time of the vehicle at node i | |
| Maximum number of vehicles on arc | |
| Maximum vehicle throughput of node | |
| Maximum number of container loads/unloads at yard crane node | |
| Time periods | |
| Time periods for container loading/unloading at node | |
| Origin node in of ACT task | |
| Destination node in of ACT task | |
| Release time step of ACT task | |
| Origin node in of HDCT | |
| Destination node in of HDCT | |
| Release time step of HDCT | |
| Variables | Definition |
| if ACT is allocated to perform task , | |
| if ACT is executing task on arc at time , otherwise | |
| if HDCT is allocated to yard crane node , otherwise | |
| if HDCT is on arc at time , otherwise | |
| Task completion time of ACT task |
Disclaimer/Publisher’s Note: The statements, opinions and data contained in all publications are solely those of the individual author(s) and contributor(s) and not of MDPI and/or the editor(s). MDPI and/or the editor(s) disclaim responsibility for any injury to people or property resulting from any ideas, methods, instructions or products referred to in the content. |
© 2025 by the authors. Licensee MDPI, Basel, Switzerland. This article is an open access article distributed under the terms and conditions of the Creative Commons Attribution (CC BY) license (https://creativecommons.org/licenses/by/4.0/).
Share and Cite
Wang, W.; He, F.; Hu, J.; Wang, Y. A Simulation-Based Optimization Framework for Collaborative Scheduling of Autonomous and Human-Driven Trucks in Mixed-Traffic Container Terminal Environments. J. Mar. Sci. Eng. 2025, 13, 2299. https://doi.org/10.3390/jmse13122299
Wang W, He F, Hu J, Wang Y. A Simulation-Based Optimization Framework for Collaborative Scheduling of Autonomous and Human-Driven Trucks in Mixed-Traffic Container Terminal Environments. Journal of Marine Science and Engineering. 2025; 13(12):2299. https://doi.org/10.3390/jmse13122299
Chicago/Turabian StyleWang, Weili, Fangying He, Jiahui Hu, and Yu Wang. 2025. "A Simulation-Based Optimization Framework for Collaborative Scheduling of Autonomous and Human-Driven Trucks in Mixed-Traffic Container Terminal Environments" Journal of Marine Science and Engineering 13, no. 12: 2299. https://doi.org/10.3390/jmse13122299
APA StyleWang, W., He, F., Hu, J., & Wang, Y. (2025). A Simulation-Based Optimization Framework for Collaborative Scheduling of Autonomous and Human-Driven Trucks in Mixed-Traffic Container Terminal Environments. Journal of Marine Science and Engineering, 13(12), 2299. https://doi.org/10.3390/jmse13122299

