Abstract
Mud pulse telemetry (MPT) systems are widely recognized for their effectiveness and are most commonly used to transmit downhole data to the surface in real time. These data facilitate the drilling process and make it more cost-efficient. In MPT, the mud channel presents a challenging communication environment, primarily due to various sources of noises, with pump noise being the most dominant. In this paper, a noise cancellation method based on discrete Fourier transform (DFT) is proposed for demodulation under a low signal-to-noise ratio, eliminating the pump noise generated by two pumps with a single sensor during drilling. The method employs DFT to estimate the noise spectrum, subtracts noises from the received signal, and performs an inverse transformation to reconstruct the original signal estimation. The effectiveness of the proposed method is evaluated through a simulation analysis and field experiments. The simulation results indicate that the major components of multiple pump noises could be successfully eliminated. The field experiment results demonstrate that the demodulation of the received data achieves advanced data rate communication and a low bit error rate (BER) in a 3000 m drilling system.
1. Introduction
Oil is a strategic resource that almost all countries cannot ignore, and it plays a pivotal role in daily production and human life [1]. With the growth of the population and the development of society, people’s demand for oil is also increasing year by year. However, as a non-renewable resource, after years of continuous exploitation, high-quality and easily accessible oil resources are gradually becoming exhausted. This depletion poses new challenges to the petroleum industry and indirectly drives the advancement of oil drilling technology. Logging technology is very important for oil exploitation [2]. Driven by the exploration and development needs of oil and gas companies, logging technology has advanced rapidly. The measurement-while-drilling (MWD) system can provide real-time drilling data, reduce the drilling time required for logging, and ensure data acquisition in high-risk wells.
At present, the data transmission technology in the MWD system can be roughly divided into two types: wired telemetry and wireless telemetry. There are many ways to realize wired telemetry, including cable telemetry, optical fibre telemetry, and intelligent drill string telemetry, which are high in transmission speed but have a high cost and short service life [3]. Wireless telemetry mainly includes mud pulse telemetry, electromagnetic telemetry, and acoustic telemetry, with mud pulse telemetry being the most widely used [4]. The attenuation of an electromagnetic wave signal and weak anti-interference ability are still the main factors restricting the development of electromagnetic telemetry technology, which make an electromagnetic MWD system only suitable for short-distance transmission and impose strict requirements on formation resistivity [5]. Acoustic telemetry is difficult to use because an acoustic wave is a kind of mechanical wave with serious attenuation. Moreover, the drilling environment is complex, and the existence of noise makes it difficult to detect and identify the acoustic wave carrying information. Compared with other methods, mud pulse telemetry has a long transmission distance and good performance. However, its low data transmission speed remains the primary limitation hindering its development [3].
Mud pulse transmission technology uses circulating mud flow in drill string as a medium to realize communication between the ground and underground. The mud pulse transmission system is usually equipped with a mud pulse signal generator located downhole. Driven by the downhole control circuit, the generator operates periodically according to the data to be transmitted so as to change the cross-sectional area of the mud circulation channel. This process generates periodic pressure changes in the mud column and completes the conversion from electrical signals into mud pressure signals. After undergoing processes such as de-noising, filtering, and signal identification, the ground system completes the restoration of underground measurement data. The mud pulse data transmission technology has reliable performance in a long communication distance. It is the earliest wireless drilling transmission mode used in practical engineering applications [6]. The system that uses mud pulse transmission technology does not need to make special changes to the drill string; therefore, the cost is relatively low. In addition, mud pulse transmission technology has good adaptability to the downhole environment because the mud channel is located inside the drill string and is minimally affected by geological factors [7]. So far, mud pulse transmission remains the most widely used wireless drilling transmission technology in practical engineering [8].
However, in the process of logging, noise interference is a significant factor affecting data recovery [9]. In the mud channel of the MWD system, the output of the pressure sensor for detecting mud pressure fluctuation not only contains useful signals from downhole but also large periodic pressure fluctuation caused by mud pump compression, pressure fluctuation caused by various mechanical actions, and other random noise. The amplitude of pump noise is much larger than that of a useful signal [10]. As drilling conditions change, the frequency of pump noise also changes gradually. The signal of downhole measurement data is transmitted to the ground through a mud channel, and its attenuation varies with the depth, mud compression coefficient, and pressure wave frequency. Therefore, determining how to effectively restore the true mud pulses’ signal from strong noise is a major problem in signal processing in the MWD system [11]. Currently, many experts have come up with their own solutions. Kosmala et al. [12] calibrated the mud pressure of the drilling fluid according to the piston position of the mud pump. During the transmission of MWD data, the position of the piston is tracked, and then calibration information is used to remove the mud pump noise. The de-noising method proposed by Jarrot et al. [13] involves a spectrum analysis and the measurement of parameters related to pump operation in a drilling fluid system. The synthetic spectrum of the parameters comes from the number of pumps in the system and the number of harmonic frequencies in each pump. Therefore, the most closely matched spectrum can be used to remove the noise of the received signal on the ground. PengYu [14] realized de-noising by tracking the multi-harmonic characteristics of the noise components in the signal frequency band. The intra-band harmonic characteristics are considered as a noise reference. By combining the noise reference with the measured telemetry signal and applying an adaptive algorithm, the de-noised signal can be recovered. Hutin et al. [15] removed the noise through the first and second pressure pulses generated by drilling fluid. The first pressure pulse is transmitted and coded upward, and the first sensor detects the characteristics of the second pressure pulse in the mud wave. The ideal pulse generated by the downhole modulator is used to eliminate the noise of the second pressure pulse. Bernstein et al. [16] proposed a mud pulse signal detection method based on continuous Fourier transform and continuous Morlet wavelet transform. In the laboratory tests, the hydraulic noise whose amplitude is greater than the pressure pulse is separated successfully, showing a better de-noising effect than the traditional method. Brandon et al. [17] studied the application of an adaptive cancellation algorithm. They set up a mud diversion channel between the main pressure sensor and the mud pump and used the mud pressure signal in the diversion channel as the reference input to reduce the signal-to-noise ratio of the reference input. At the same time, they proposed a nonlinear digital gain method and a mean filter method to reduce the influence of the signal components in the reference input.
We have also investigated interference elimination methods from other fields, including electric power [18,19,20], biomedical signal processing [21,22], and speech recognition [23,24]. These de-noising methods can be broadly classified into three categories, namely adaptive-filter-based methods, signal decomposition-based methods, and machine learning-based methods. However, these advanced methods often face significant challenges. A significant drawback of signal decomposition methods is their inability to adaptively recombine the decomposed components. Adaptive filtering and machine learning require careful adjustment of numerous parameters to achieve optimal performance. Improper tuning can lead to suboptimal interference suppression or even amplify the noise, reducing the overall effectiveness of the method.
In this study, an adaptive noise cancellation method based on discrete Fourier transform (DFT) is applied to adaptively estimate the mud pump noise generated by two or more pumps operating at different frequencies. The system model and technological process of the proposed method are described in Section 2. Simulations and field tests were conducted to verify the effectiveness of the proposed method, and their corresponding results are presented in Section 3. Discussions and comparisons of various pump noise cancellation methods are shown in Section 4. Concluding remarks are given in Section 5.
2. Methods
2.1. MPT System Model
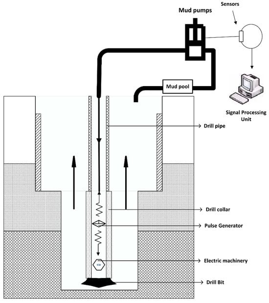
Figure 1 shows a schematic illustration of a typical MPT system with sensors and mud pumps installed. In such a system, the measurements are generally taken by instruments mounted within drill collars above the drill bit, and the drill bit is controlled by electric machines [25,26]. Once generated, the information signal is transmitted uphole to the surface. Then, the ground signal processing unit will analyze the signal. Since the downhole signal is generated remotely from the uphole sensors near the mud pumps, the information signal is overwhelmed by the noise generated by the mud pumps [27,28]. Figure 2 displays the layout of pressure sensors we used in the real field test. There are six sensors that should be used for data measurement, including four pressure sensors (S1–S4) and two pump impulse sensors. The four pressure sensors are distributed along the mud pipelines between the mud pumps and the top drive. Two pump impulse sensors are installed at the switches of the mud pumps, indicating the operating cycle of the mud pump piston, helping to determine the period and start time of the pump noise in the pressure signal, playing a key role in the noise elimination.
Figure 1.
A sketch of an MPT system.
Figure 2.
Layout of pressure sensors.
Considering that the data transmission speed of the mud pulse telemetry system is generally much faster than the drilling speed, the MPT system can be regarded as a linear time invariant system, and the mud communication system model can be expressed as
where is the received signal, means convolution, is the input transmitted signal, is the impulse response of the mud channel, and represents the noise.
As mentioned before, pump noise is the main factor of noise in the mud channel. For this reason, the received noise signal is modelled as the sum of periodic noise and random non-periodic noise:
where represents the periodic component, and is the non-periodic noise, which is usually assumed to follow Gaussian distribution. The interference signal can be represented as
where is the amplitude of the ith noise component, is the frequency of the ith harmonic signal, is the initial phase of the ith harmonic signal, and p is the number of harmonic signals.
2.2. Traditional Pump Noise Cancellation Method in Time Domain
The traditional method for cancelling mud pump noise is explained below. Mud pumps are large positive displacement pumps that generate flow by repeatedly moving a piston back and forth within a cylinder while simultaneously opening and closing the intake and exhaust valves [29]. As a result, the noise generated by the mud pump tends to show a certain pattern of periodicity [30,31]. Consequently, a typical drilling mud pressure pattern, referred to as the standard pump signature, can be obtained by averaging pump signatures over multiple pump cycles [32]. Specifically, the acquisition of the standard pump signature is better accomplished in the absence of the information signal to avoid its impact on the mud pressure. When the MWD data signal is provided, the mud pump cycles are tracked using a pump stroke signal such that the pressure caused by the pump can be subtracted from the received signal in the time domain to provide the intact information signal [33,34,35].
Figure 3 illustrates the noise cancellation procedure with the standard pump signature.
Figure 3.
Flow chart of traditional pump noise cancellation based on standard pump signature.
2.3. Pump Noise Cancellation Based on DFT
As stated earlier, traditionally used signal de-noising methods usually rely on the pump noise period to process signals in the time domain, and these methods have yielded good results. However, for mixed signals comprising the original signal and the noise generated by multiple pumps operating at different frequencies, the accuracy and effectiveness of noise cancellation cannot meet the requirements. This is primarily because no specific pump noise period can be identified. Therefore, it is indispensable to devise a noise cancellation method capable of handling a multi-pump condition. In this section, a method for pump noise cancellation based on DFT is presented. The purpose is to overcome the shortcomings of traditional methods and provide an effective and reliable approach to eliminating the noise produced by multi-pumps operating at different frequencies.
Discrete Fourier transform (DFT) is based on Fourier transform and is one of the most common transformation techniques used in signal analysis [36]. The principle of the algorithm is simple, the amount of computation is small, and the output signal-to-noise ratio is often high. The definition of discrete Fourier transform is as follows [37]:
Given discrete time series, , ,…,, assume that the sequence is absolutely integrable, and its Fourier transform is
where k is a positive integer.
Correspondingly, the transformation process is reversible, and the inverse discrete Fourier transformation is
where k is a positive integer.
Fourier transform is a tool for converting the time domain to the frequency domain. Signal function and its Fourier transform function are two different forms of the same energy signal. The former shows the time information but hides the frequency signal, and the latter shows the frequency information but hides the time information [38]. Compared with the earlier mentioned scheme using an empirical waveform (standard pump signature), the essential difference in this method is that it maps the similar operation from the original time domain to the corresponding frequency domain through DFT so as to cancel the multi-pump noise in the frequency domain. In this way, it can better solve the problem of the unsatisfactory de-noising effect in some time domains. Compared with the existing schemes using continuous Fourier transform or continuous Morlet wavelet transform, this method can adaptively update the standard pump noise samples point by point in the frequency domain and more accurately eliminate the pump noise. The whole flow chart of the DFT de-noising method is shown in Figure 4, and it mainly includes the following steps:
Figure 4.
Flow chart of pump noise cancellation based on DFT.
(1) Acquire the data of double pumps in real wells.
(2) According to the characteristics of modulation, carrier frequency, and symbol bandwidth of mud pulse communication, determine the performance index of the low-pass filter and use the low-pass filter to eliminate the out-band noise.
(3) Obtain the noise spectrum of the multi-pump.
Step 1, extract the pure pump noise signal from the noise signal.
Step 2, calculate the cycles of each pump. Firstly, decompose the waveforms of multiple pump noise signals using frequency point separation; secondly, map the pure pump noise from the time domain to different frequency points in the frequency domain according to the different periods of each pump; thirdly, find the rising edge of the signal to determine the starting point and ending point of the pump noise period.
Step 3, perform DFT for pump noise. Take the number of pumps per minute from multiple pumps as prior information. Find the fundamental frequency peak in the spectrum obtained by DFT.
(4) Carry out DFT for the received signal after filtering.
(5) Calculate the initial phase and amplitude.
Let
The interference can be rewritten as
The problem becomes a linear estimation problem. The signal can be sampled at equal time intervals to obtain
(6) Perform discrete Fourier Inverse Transform (IDFT) to recover the pump noise signal after phase shifting.
(7) Implement pump noise subtraction on the original pump noise signal in the time domain to obtain the estimation value of the real signal.
(8) Judge whether the de-noising length of the signal reaches the data length. If not, repeat step (5) to step (7); if yes, output the de-noised signal.
The performance of this method will be verified in the following sections.
3. Results
3.1. Simulation Test
In order to test the applicability of the proposed DFT method in this paper, a simulation test was designed to demonstrate its performance. The two pumps’ noise data used in the simulation are random periodic synthetic noise. The simulated pump noise waveforms are shown in Figure 5. The frequency of the first pump noise (Figure 5a) is 1.5 Hz, and the frequency of the second pump noise (Figure 5b) is 0.7 Hz. The information signal is a sequence of random data modulated using binary frequency shift keying (BFSK), and the signal amplitude is 0.2 Mpa. The symbol rate is 12 bit/s, and the sample rate is 1000 Hz. After mixing the pump noise and the signal and adding random Gaussian noise, the received signal at the sensor is formed, as presented in Figure 6. It can be seen that the information signal is entirely submerged by the pump noise. The output result after de-nosing using the proposed DFT method is presented in Figure 7, where the information signal is recognizable. In order to show the results more clearly, Figure 8 compares the frequency spectra of the input signal (blue, Figure 6) and the output signal (red, Figure 7). It indicates that the main peak amplitude of the mud pumps’ noise has been reduced by more than 85%. Moreover, Figure 9 compares the pure pump noise block of the recovered signal (blue, part of Figure 7) with that of the input signal (red, part of Figure 6), demonstrating that the majority of mud pump noise has been successfully eliminated. Hence, the simulation results prove that the noise cancellation method based on DFT is effective.
Figure 5.
Simulated pump noise waveforms. (a) Pump noise 1; (b) pump noise 2.
Figure 6.
Pressure signal input.
Figure 7.
Noise cancellation output.
Figure 8.
Frequency spectrum contrast. (Blue: the input signal; Red: the output signal.)
Figure 9.
Pure pump noise block contrast. (Red: the input signal; Blue: the output signal.)
In order to further verify the universality of the method, Gaussian noise with varying energy levels is added to the input signal in the simulation. After noise cancellation, as shown in Figure 10, the signal-to-interference ratio (SIR) of the de-noising results decreases as the energy of the additive Gaussian noise increases, but the existence of Gaussian noise has no obvious influence on the noise cancellation results for the information signal component in the output waveform. The SIR is defined by (7). In addition, diverse information signals are used to test the noise elimination effect. The noise signal is identical, and we change the symbol rate. The modulation modes we use are BFSK and on–off keying (OOK). Table 1 illustrates the bit error rates (BERs) of the demodulation results across different data rates and the corresponding SIRs. The BER is defined by (8). The results demonstrate that the proposed method is effective.
where is the power of the desired information signal. is the power of the interfering signals.
where is the number of bit errors. is the total number of transmitted bits. BER serves as an essential indicator of the reliability and quality of a communication system.
Figure 10.
Noise cancellation results of different Gaussian noises.
Table 1.
Noise cancellation results with diverse information signals.
3.2. Field Test
The proposed DFT-based noise cancellation method was further validated with the experimental data collected in Xinjiang, China, in October 2017. Figure 11 shows the experimental site. In the field experiment, the rig was drilling at a depth of over 3000 m, with two triplex mud pumps installed. In the test, we chose an 811FM pressure sensor, and the four sensors were distributed as shown in Figure 2. For the experiment, the sensor signal with the best waveform quality was chosen as the input received signal.
Figure 11.
The experimental site in Xinjiang.
Before logging, to validate the scenario of two pumps operating at different frequencies, their pure pump noise was sent at the wellhead and collected on the surface, the working frequencies of these two pumps were 0.6 Hz and 1.4 Hz, respectively, and their flow rates were nearly . The signals received by the sensors were sent to a computer for noise cancellation. The information signal was modulated using the BFSK modulation mode with a symbol rate of 12 bits/s and a sampling rate of 1000 Hz. The experiment results are illustrated in the following figures (Figure 12, Figure 13, Figure 14 and Figure 15). After mixing the real pump noise and the information signal, Figure 12 displays the received pressure signal. It is evident that the original signal is completely submerged by the pump noise and is hard to recognize. Figure 13 displays the output results after de-noising using the DFT method and shows a clearer and more observable pattern of the original signal. Similarly, Figure 14 compares the frequency spectrums of the original signal (blue, Figure 12) and the output signal (red, Figure 13) and indicates that the main peak amplitude of the mud pumps has been reduced by more than 80%. Figure 15 compares the pure pump noise block of the recovered signal (blue, part of Figure 13) with that of the input signal (red, part of Figure 12), demonstrating that the amplitude of the pump noise is nearly zero, consistent with the simulation test results.
Figure 12.
Pressure signal input.
Figure 13.
Noise cancellation output.
Figure 14.
Frequency spectrum contrast. (Blue: the input signal; Red: the output signal.)
Figure 15.
Pure pump noise block contrast. (Red: the input signal; Blue: the output signal.)
4. Discussions
To evaluate the proposed method quantitatively, the noise cancellation output is further processed for demodulation. The traditional pump noise cancellation method mentioned in Section 2.2 is not able to deal with the situation of two pumps operating at different frequencies. To make a comparison with the traditional method, the working frequency of these two pumps while drilling was located around 1 Hz. Table 2 illustrates the bit error rate (BER) of the demodulation results with these two de-noising methods at different depths and the corresponding SIRs. The DFT-based noise cancellation method demonstrates its effectiveness under different depths and different data rates. Furthermore, a lower BER and a higher SIR can be obtained with the DFT-based noise cancellation method. To summarize, the proposed method shows better performance and applicability in field experiments as well.
Table 2.
Comparisons of the two pumps’ noise cancellation methods.
While advanced interference elimination methods, such as time–frequency analysis approaches and adaptive filtering, offer superior interference suppression efficacy and higher adaptability, they come with increased computational complexity and implementation challenges. Specifically, machine learning methods achieve the highest SIR improvement and THD reduction but require substantial computational resources and extensive training data, making them less feasible for real-time and resource-constrained applications.
On the other hand, the DFT-based method, though exhibiting lower adaptability and slightly inferior interference suppression compared to the most advanced methods, provides a balanced trade-off with its high computational efficiency, ease of implementation, and adequate performance for harmonic interference elimination. This makes the DFT-based approach particularly suitable for applications where real-time processing and resource constraints are critical considerations.
Our experimental results demonstrate that DFT-based interference elimination effectively achieves the desired level of harmonic suppression, maintaining the integrity of the fundamental signal while attenuating harmonics efficiently. In the context of our specific application, the performance gains from more complex time–frequency or adaptive algorithms did not justify the additional computational overhead as the DFT method sufficiently meets performance objectives. The DFT, especially when implemented using the fast Fourier transform (FFT) algorithm, exhibits low computational complexity. This efficient computational complexity makes DFT highly suitable for real-time applications, enabling the rapid transformation of time domain signals into the frequency domain.
5. Conclusions
In this study, we present the inherent properties of DFT, which provides an intuitive and concise representation of harmonic interference for MPT communication systems. By incorporating DFT, we significantly enhanced the communication performance of MPT systems. This integration allows for more precise identification and suppression of harmonic interference, which is a common issue in such communication channels. Additionally, the utilization of the FFT algorithm optimized the computational efficiency of our method, enabling real-time processing capabilities essential for practical applications. The effectiveness of our approach was validated using on-site pump noise. The simulation results consistently demonstrate a BER close to zero across various communication rates and modulation schemes, thereby confirming the robustness and reliability of the proposed interference elimination technique. Furthermore, we validated the effectiveness of our proposed method in experiments using communication data collected from real-world MPT environments, ensuring that our approach is not only theoretically sound but also practically viable.
Future work will focus on expanding and refining our current methodology. Specifically, we intend to explore hybrid algorithms that integrate advanced signal processing techniques, such as wavelet transforms and VMD, to further enhance interference suppression capabilities. Additionally, we aim to investigate the adaptability of our method in more complex and dynamic interference environments, accommodating a broader spectrum of interference types and characteristics. These future endeavours will not only improve the performance and versatility of interference elimination in MPT systems but also contribute to the development of more reliable and efficient communication solutions applicable to a wide range of real-world scenarios.
Author Contributions
Conceptualization, J.Z. (Jingchen Zhang), Z.Z., and F.Q.; methodology, J.Z. (Jingchen Zhang), Z.S., and J.Z. (Jiang Zhu); software, J.Z. (Jingchen Zhang), Z.Z., and Z.S.; validation, J.Z. (Jiang Zhu), Z.Z., and X.T.; formal analysis, J.Z. (Jingchen Zhang), Z.S., J.Z. (Jiang Zhu), and X.T.; investigation, J.Z. (Jingchen Zhang), X.T., and Y.W.; resources, J.Z. (Jiang Zhu), X.T., and F.Q.; data curation, Z.Z., X.T., and F.Q.; writing—original draft preparation, J.Z. (Jingchen Zhang), J.Z. (Jiang Zhu), and Z.S.; writing—review and editing, J.Z. (Jingchen Zhang), X.T., Y.W., and F.Q.; visualization, J.Z. (Jingchen Zhang), Z.Z., and Y.W.; supervision, X.T., F.Q., and Y.W.; project administration, Z.Z., X.T., and F.Q.; funding acquisition, F.Q. All authors have read and agreed to the published version of the manuscript.
Funding
This research was funded by the National Natural Science Foundation of China for Zhejiang University, grant number 62101489.
Institutional Review Board Statement
Not applicable.
Informed Consent Statement
Not applicable.
Data Availability Statement
Data are contained within the article.
Acknowledgments
We express our thanks to Wang Zhiming, Zhang Zheng, Lu Qingchao, and Zhang Shuang for their contributions to the field experiment.
Conflicts of Interest
The authors declare no conflicts of interest. The funders had no role in the design of the study; in the collection, analyses, or interpretation of data; in the writing of the manuscript, or in the decision to publish the results.
References
- Mcdonald, W.J.; Ward, C.E. Borehole telemetry system is key to continuous down-hole drilling measurements. Oil Gas J. 1975, 73, 37. [Google Scholar]
- Gardner, W.R. High Data Rate MWD Mud Pulse Telemetry. In Proceedings of the United States Department of Energy Natural Gas Conference, Houston, TX, USA, 25 March 1997. [Google Scholar]
- Qu, S.; Zhu, K.; Nie, Z.; Sun, X.; Peng, Y. Analysis of signal transmission for use of logging while drilling. IEEE Geosci. Remote Sens. Lett. 2013, 10, 1001–1005. [Google Scholar]
- Emmerich, W.; Akimov, O.; Brahim, I.B.; Greten, A. Reliable High-speed Mud Pulse Telemetry. In Proceedings of the SPE/IADC Drilling Conference and Exhibition, London, UK, 17–19 March 2015. [Google Scholar]
- Trofimenkoff, F.; Segal, M.; Klassen, A.; Haslett, J. Characterization of EM downhole-to-surface communication links. IEEE Trans. Geosci. Remote Sens. 2000, 38, 2539–2548. [Google Scholar]
- Brooks, R.; Wilson, J. Drilling better wells cheaper and faster. In Proceedings of the Intelligent Energy Conference and Exhibition, Amsterdam, The Netherlands, 25–27 February 2008. [Google Scholar]
- Klotz, C.; Bond, P.R.; Wassermann, I.; Priegnitz, S. A new mud pulse telemetry system for enhanced MWD/LWD applications. In Proceedings of the IADC/SPE Drilling Conference, Orlando, FL, USA, 4–6 March 2008. [Google Scholar]
- Chin, W.; Yinao, S.U.; Sheng, L.; Lin, L.I.; Bian, H.; Shi, R. High-data-rate MWD system for very deep wells. Well Logging Technol. 2014, 38, 713–721. [Google Scholar]
- Bernasconi, G.; Re, S. Adaptive noise compensation and equalization in mud pulse telemetry. In Proceedings of the EAGE Conference and Exhibition, Madrid, Spain, 13–16 June 2005. [Google Scholar]
- Qu, F.; Zhang, Z.; Hu, J.; Xu, J.; Wang, S.; Wu, Y. Adaptive dual-sensor noise cancellation method for continuous wave mud pulse telemetry. J. Pet. Sci. Eng. 2017, 162, 386–393. [Google Scholar] [CrossRef]
- Jing, S.; Yan, Z.; Han, S.; Hui, L.; Gao, T.; Hu, X.; Wei, C. Differential signal extraction for continuous wave mud pulse telemetry. J. Pet. Sci. Eng. 2017, 148, 127–130. [Google Scholar]
- Kosmala, A.; Malone, D.; Masak, P. Mud Pump Noise Cancellation System. U.S. Patent 5,146,433, 8 September 1992. [Google Scholar]
- Jarrot, A.; Jeffryes, B. Wideband Mud Pump Noise Cancellation Method for Well Telemetry. U.S. Patent 8,380,438, 19 February 2013. [Google Scholar]
- Peng, Y. Digital Signal Receiver for Measurement While Drilling System Having Noise Cancellation. U.S. Patent 6,741,185, 25 May 2004. [Google Scholar]
- Hutin, R.; Reyes, S.; Mehta, S.B. Systems and Methods for Cancelling Noise and/or Echoes in Borehole Communication. U.S. Patent 8,408,330, 2 April 2013. [Google Scholar]
- Berstein, S.; Reich, M.; Namuq, M. Continuous wavelet transformation: A novel approach for better detection of mud pulses. J. Pet. Sci. Eng. 2013, 110, 232–242. [Google Scholar]
- Brandon, T.; Mintchev, M.; Tabler, H. Adaptive compensation of the mud pump noise in a measurement-while-drilling system. SPE J. 1999, 4, 128–133. [Google Scholar] [CrossRef]
- Narayanasamy, B.; Luo, F. A survey of active EMI filters for conducted EMI noise reduction in power electronic converters. IEEE Trans. Electromagn. Compat. 2019, 61, 2040–2049. [Google Scholar] [CrossRef]
- Chen, P.S.; Lai, Y.S. Effective EMI filter design method for three-phase inverter based upon software noise separation. IEEE Trans. Power Electron. 2010, 25, 2797–2806. [Google Scholar] [CrossRef]
- Alam, A.; Mukul, M.K.; Thakura, P. Wavelet transform-based EMI noise mitigation in power converter topologies. IEEE Trans. Electromagn. Compat. 2016, 58, 1662–1673. [Google Scholar] [CrossRef]
- Pei, S.C.; Tseng, C.C. Elimination of AC interference in electrocardiogram using IIR notch filter with transient suppression. IEEE Trans. Biomed. Eng. 1995, 42, 1128–1132. [Google Scholar] [PubMed]
- Ziarani, A.K.; Konrad, A. A nonlinear adaptive method of elimination of power line interference in ECG signals. IEEE Trans. Biomed. Eng. 2002, 49, 540–547. [Google Scholar] [CrossRef]
- Borgström, B.J.; Brandstein, M.S. Speech enhancement via attention masking network (SEAMNET): An end-to-end system for joint suppression of noise and reverberation. IEEE ACM Trans. Audio Speech Lang. Process. 2020, 29, 515–526. [Google Scholar] [CrossRef]
- Sivapatham, S.; Ramadoss, R.; Kar, A.; Majhi, B. Monaural speech separation using GA-DNN integration scheme. Appl. Acoust. 2020, 160, 107140. [Google Scholar] [CrossRef]
- Liang, Y.; Du, G.; Li, A. A signal processing method for continuous mud pressure wave signals in logging-while-drilling systems. J. Comput. Methods Sci. Eng. 2023, 6, 3027–3035. [Google Scholar] [CrossRef]
- Liang, Y.; Ju, X.; Li, A. The Process of High-Data-Rate Mud Pulse Signal in Logging While Drilling System. Math. Probl. Eng. 2020, 2020, 3207087. [Google Scholar] [CrossRef]
- Wu, J.; Zhao, S.; Zhang, J.; Wang, R. A continuous phase-frequency modulation technique and adaptive pump noise cancellation method of continuous-wave signal over mud telemetry channel. Digit. Signal Process. 2021, 117, 103147. [Google Scholar] [CrossRef]
- Baek, J.; Lee, C.; Yoo, J. Design of Filter Length of Order Filter and Its Application to Filtered-X Algorithm for Active Noise Cancellation of Interior Noise Inside an Excavator Cabin. Int. J. Automot. Technol. 2022, 23, 1269–1283. [Google Scholar] [CrossRef]
- Jiang, S.; Yan, Z.; Sun, R.; Wang, Z.; Sun, H. Study on signal decomposition-based pump noise cancellation method for continuous-wave mud pulse telemetry. Geoenergy Sci. Eng. 2023, 228, 211948. [Google Scholar] [CrossRef]
- Yan, X.; Chen, L.; Qing, M.; Dou, X.; Liang, H. Adaptive Noise Cancellation Method for Continuous Wave Mud Channel of MWD. In Proceedings of the 2020 IEEE 16th International Conference on Control & Automation (ICCA), Singapore, 9–11 October 2020. [Google Scholar]
- Ding, W.; Hou, S.; Tian, S. Bayesian Optimized Variational Mode Decomposition-Based Denoising Method for Measurement While Drilling Signal of Down-the-Hole Drilling. IEEE Trans. Instrum. Meas. 2023, 72, 6502214. [Google Scholar] [CrossRef]
- Seto, K.; Kobayashi, T.; Tokunaga, E. Intensity Noise Cancellation of White Pulsed Probe Light Based on Time Division Discrimination for Multi-Channel Spectroscopy in Pump/probe measurement. Jpn. Soc. Appl. Phys. 2020, 4, 125009. [Google Scholar]
- Jafarizadeh, F.; Larki, B.; Kazemi, B. A new robust predictive model for lost circulation rate using convolutional neural network: A case study from Marun Oilfield. Petroleum 2023, 9, 468–485. [Google Scholar] [CrossRef]
- Qu, F.; Jiang, Q.; Jing, G.; Wei, Y.; Zhang, M. Noise cancellation for continuous wave mud pulse telemetry based onempirical mode decomposition and particle swarm optimization. J. Pet. Sci. Eng. 2021, 200, 108308. [Google Scholar] [CrossRef]
- Qu, F.; Jiang, Q.; Jing, G.; Wei, Y.; Zhang, Z. Mud pulse signal demodulation based on support vector machines and particle swarm optimization. J. Pet. Sci. Eng. 2020, 193, 107432. [Google Scholar] [CrossRef]
- Pico, C.; Aguiar, R.; Pires, A.P. Wavelet Filtering of Permanent Downhole Gauge Data. In Proceedings of the Latin American and Caribbean Petroleum Engineering Conference, Cartagena de Indias, Colombia, 31 May–3 June 2009. [Google Scholar]
- Goswami, J.C.; Chan, A.K. Fundamentals of Wavelets: Theory, Algorithms, and Applications, 2nd ed.; John Wiley & Sons, Inc.: Hoboken, NJ, USA, 1999. [Google Scholar]
- Hui, L. The contrastive study between direct FFT and phase difference in parameter estimation of sinusoidal signal. J. Electron. Inf. Technol. 2010, 32, 544–547. [Google Scholar]
Disclaimer/Publisher’s Note: The statements, opinions and data contained in all publications are solely those of the individual author(s) and contributor(s) and not of MDPI and/or the editor(s). MDPI and/or the editor(s) disclaim responsibility for any injury to people or property resulting from any ideas, methods, instructions or products referred to in the content. |
© 2025 by the authors. Licensee MDPI, Basel, Switzerland. This article is an open access article distributed under the terms and conditions of the Creative Commons Attribution (CC BY) license (https://creativecommons.org/licenses/by/4.0/).














