Enhancing Efficiency in Hybrid Marine Vessels through a Multi-Layer Optimization Energy Management System
Abstract
1. Introduction
2. System Configuration and Modeling
2.1. Overview of the Hybrid Vessel Power System
2.2. Component Modeling
2.2.1. Fuel Cell Model

2.2.2. Battery Model
2.2.3. Ultra-Capacitor Model
2.2.4. DC/DC Converter Model
3. Enhanced Equivalence Consumption Minimum Strategy
3.1. Upper Layer: ECMS-Based EMS for Optimal Power Observation
3.1.1. Optimal Power for Dual PEMFCs
- Discharged (PBat ≥ 0):
- Charged (PBat < 0):
3.1.2. Reference Power for Battery and UCs
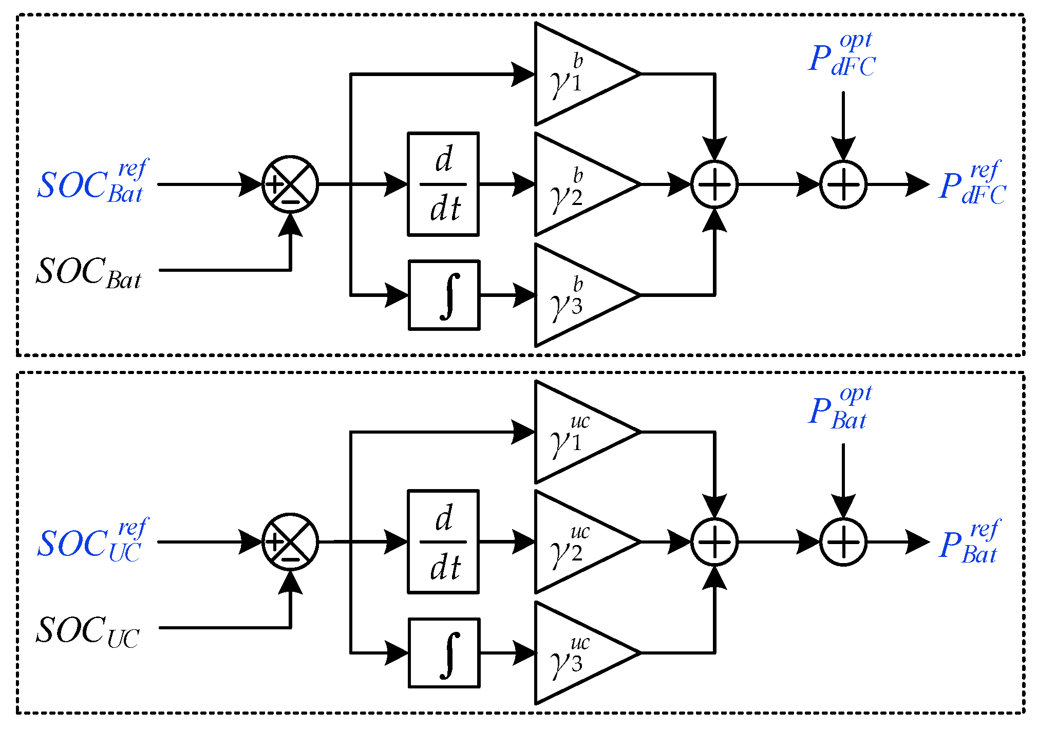
3.2. Correction Reference Power for SOC Regulation
3.3. Middle Layer: Map Search Engine
3.4. Lower Layer: Pulse-Width Modulation
3.4.1. Duty Cycle for the Individual PEMFC
3.4.2. PWM for the Battery and DC Bus Voltage Regulation
3.4.3. PWM for the UCs

4. Comparative Simulations and Discussions
- A1: Rule-based EMS for sharing power to each unit and MSM for splitting power to each PEMFC stack.
- A2: Optimization-based EMS with the daisy chain method for distributing commanded power for each PEMFC stack. In this setup, the PEMFC-1 (110-kW) first supplies power to the load until it reaches its maximum value; then, the PEMFC-2 (60-kW) enters the system.
- A3: Same as A2, but the PEMFC-2 (60-kW) supplies power to the load first until it reaches its maximum value; then, the PEMFC-1 (110-kW) enters the system.
- A4: Optimization-based EMS with equal distribution for sharing power to each PEMFC stack. In this setup, the reference power for each PEMFC stack is half that of the optimal power, i.e., .
- A5: Optimization-based EMS with MSM for sharing power to each PEMFC stack without fine-corrected optimal power. In this manner, the reference power of the dual PEMFC and battery are the same as their optimal power.
- A6 (proposed): Optimization-based EMS with MSM for sharing power to each PEMFC stack with fine-corrected optimal power.
5. Conclusions
Author Contributions
Funding
Institutional Review Board Statement
Informed Consent Statement
Data Availability Statement
Conflicts of Interest
References
- Vessel Traffic Services. Available online: https://www.imo.org/en/OurWork/Safety/Pages/VesselTrafficServices.aspx (accessed on 24 June 2024).
- How the Energy Crisis Started, How Global Energy Markets Are Impacting Our Daily Life, and What Governments Are Doing about It. Available online: https://www.iea.org/topics/global-energy-crisis (accessed on 24 June 2024).
- Torreglosa, J.P.; González-Rivera, E.; García-Triviño, P.; Vera, D. Performance Analysis of a Hybrid Electric Ship by Real-Time Verification. Energies 2022, 15, 2116. [Google Scholar] [CrossRef]
- Breucke, S.D.; Peeters, E.; Driesen, J. Possible applications of Plug-in Hybrid Electric Ships. In Proceedings of the 2009 IEEE Electric Ship Technologies Symposium, Baltimore, MD, USA, 20–22 April 2009; pp. 310–317. [Google Scholar] [CrossRef]
- Trinh, H.A.; Truong, H.V.A.; Do, T.C.; Nguyen, M.H.; Phan, V.D.; Ahn, K.K. Optimization-based energy management strategies for hybrid construction machinery: A review. Energy Rep. 2022, 8, 6035–6057. [Google Scholar] [CrossRef]
- Kanerva, S.; Klaus, V.; Krattiger, H. Fuel Cells in Commercial Marine Applications. In Proceedings of the ASNE TSS 2021 Virtual Conference, online, 26–28 January 2021; Available online: https://search.abb.com/library/Download.aspx?DocumentID=9AKK108466A2704&LanguageCode=en&DocumentPartId=&Action=Launch (accessed on 8 July 2024).
- Dall’Armi, C.; Pivetta, D.; Taccani, R. Hybrid PEM Fuel Cell Power Plants Fuelled by Hydrogen for Improving Sustainability in Shipping: State of the Art and Review on Active Projects. Energies 2023, 16, 2022. [Google Scholar] [CrossRef]
- Hu, W.; Shang, Q.; Bian, X.; Zhu, R. Energy management strategy of hybrid energy storage system based on fuzzy control for ships. Int. J. Low-Carbon Technol. 2021, 17, 169–175. [Google Scholar] [CrossRef]
- Vafamand, N.; Boudjadar, J.; Khooban, M.H. Model predictive energy management in hybrid ferry grids. In Proceedings of the 6th International Conference on Power and Energy Systems Engineering (CPESE 2019), Okinawa, Japan, 20–23 September 2019. [Google Scholar]
- Niu, L.; Xiao, L. Optimization of topology and energy management in fuel cell cruise ship hybrid power systems. Intel. Mar. Technol. Syst. 2024, 2, 12. [Google Scholar] [CrossRef]
- Fan, A.; Li, Y.P.; Fang, S.D.; Li, Y.R.; Qiu, H. Energy management strategies and comprehensive evaluation of parallel hybrid ship based on improved fuzzy logic control. IEEE Trans Transp. Electrif. 2023. early access. [Google Scholar] [CrossRef]
- Kim, S.; Kim, J. Optimal Energy Control of Battery Hybrid System for Marine Vessels by Applying Neural Network Based on Equivalent Consumption Minimization Strategy. J. Mar. Sci. Eng. 2021, 9, 1228. [Google Scholar] [CrossRef]
- Ge, Y.Q.; Zhang, J.D.; Zhou, K.X.; Zhu, J.T.; Wang, Y.K. Research on energy management for ship hybrid power system based on adaptive equivalent consumption minimization strategy. J. Mar. Sci. Eng. 2023, 11, 1271. [Google Scholar] [CrossRef]
- Ghorashi Khalil Abadi, S.A.; Habibi, S.I.; Khalili, T.; Bidram, A. A model predictive control strategy for performance improvement of hybrid energy storage systems in DC microgrids. IEEE Access 2022, 10, 25400–25421. [Google Scholar] [CrossRef]
- Jung, W.; Chang, D. Deep Reinforcement Learning-Based Energy Management for Liquid Hydrogen-Fueled Hybrid Electric Ship Propulsion System. J. Mar. Sci. Eng. 2023, 11, 2007. [Google Scholar] [CrossRef]
- Peng, X.; Chen, H.; Guan, C. Energy Management Optimization of Fuel Cell Hybrid Ship Based on Particle Swarm Optimization Algorithm. Energies 2023, 16, 1373. [Google Scholar] [CrossRef]
- Liu, H.Y.; Fan, A.L.; Li, Y.P.; Bucknall, R.; Chen, L. Hierarchical distributed MPC method for hybrid energy management: A case study of ship with variable operating conditions. Renew. Sust. Energy Rev. 2024, 189, 113894. [Google Scholar] [CrossRef]
- Rafiei, M.; Boudjadar, J.; Khooban, M.H. Energy Management of a Zero-Emission Ferry Boat with a Fuel-Cell-Based Hybrid Energy System: Feasibility Assessment. IEEE Trans. Ind. Electron. 2021, 68, 1739–1748. [Google Scholar] [CrossRef]
- Elkafas, A.G.; Rivarolo, M.; Gadducci, E.; Magistri, L.; Massardo, A.F. Fuel Cell Systems for Maritime: A Review of Research Development, Commercial Products, Applications, and Perspectives. Processes 2023, 11, 97. [Google Scholar] [CrossRef]
- At What Power Rate Does a Ship Usually Operate? Available online: https://www.quora.com/At-what-power-rate-does-a-ship-usually-operate?top_ans=348256660 (accessed on 22 July 2024).
- PEM Fuel Cell Carbon Stack-C260-S (120 kW). Available online: https://hyfindr.com/en/shop/products/category/components/fuel-cell-stacks/pem-stacks (accessed on 24 June 2024).
- Zhang, C.; Zeng, T.; Wu, Q.; Deng, C.; Chan, S.H.; Liu, Z. Improved efficiency maximization strategy for vehicular dual-stack fuel cell system considering load state of sub-stacks through predictive soft-loading. Renew. Energy 2021, 179, 929–944. [Google Scholar] [CrossRef]
- Zhou, S.; Fan, L.; Zhang, G.; Gao, J.; Lu, Y.; Zhao, P.; Wen, C.; Shi, L.; Hu, Z. A review on proton exchange membrane multi-stack fuel cell systems: Architecture, performance, and power management. Appl. Energy 2022, 310, 118555. [Google Scholar] [CrossRef]
- Fernandez, A.M.; Kandidayeni, M.; Boulon, L.; Chaoui, H. An Adaptive State Machine Based Energy Management Strategy for a Multi-Stack Fuel Cell Hybrid Electric Vehicle. IEEE Trans. Veh. Technol. 2020, 69, 220–234. [Google Scholar] [CrossRef]
- Wang, T.; Li, Q.; Wang, X.; Chen, W.; Breaz, E.; Gao, F. A Power Allocation Method for Multistack PEMFC System Considering Fuel Cell Performance Consistency. IEEE Trans. Ind. Appl. 2020, 56, 5340–5351. [Google Scholar] [CrossRef]
- Peng, F.; Zhao, Y.; Li, X.; Liu, Z.; Chen, W.; Liu, Y.; Zhou, D. Development of master-slave energy management strategy based on fuzzy logic hysteresis state machine and differential power processing compensation for a PEMFC-LIB-SC hybrid tramway. Appl. Energy 2017, 206, 346–363. [Google Scholar] [CrossRef]
- Yan, Y.; Li, Q.; Chen, W.; Huang, W.; Liu, J. Hierarchical Management Control Based on Equivalent Fitting Circle and Equivalent Energy Consumption Method for Multiple Fuel Cells Hybrid Power System. IEEE Trans. Ind. Electron. 2020, 67, 2786–2797. [Google Scholar] [CrossRef]
- Qiu, Y.; Zeng, T.; Zhang, C.; Wang, G.; Wang, Y.; Hu, Z.; Yan, M.; Wei, Z. Progress and challenges in multi-stack fuel cell system for high power applications: Architecture and energy management. Green Energy Intell. Transp. 2023, 2, 100068. [Google Scholar] [CrossRef]
- Truong, H.V.A.; Trinh, H.A.; Do, T.C.; Nguyen, M.H.; Phan, V.D.; Ahn, K.K. An Enhanced Extremum Seeking-Based Energy Management Strategy with Equivalent State for Hybridized-Electric Tramway-Powered by Fuel Cell–Battery–Supercapacitors. Mathematics 2024, 12, 1849. [Google Scholar] [CrossRef]
- Yan, Y.; Li, Q.; Chen, W.; Huang, W.; Liu, J.; Liu, J. Online Control and Power Coordination Method for Multistack Fuel Cells System Based on Optimal Power Allocation. IEEE Trans. Ind. Electron. 2021, 68, 8158–8168. [Google Scholar] [CrossRef]
- Wang, T.; Li, Q.; Yin, L.; Chen, W.; Breaz, E.; Gao, F. Hierarchical Power Allocation Method Based on Online Extremum Seeking Algorithm for Dual-PEMFC/Battery Hybrid Locomotive. IEEE Trans. Veh. Tech. 2021, 70, 5679–5692. [Google Scholar] [CrossRef]
- Do, T.-C.; Trinh, H.-A.; Ahn, K.-K. Hierarchical Control Strategy with Battery Dynamic Consideration for a Dual Fuel Cell/Battery Tramway. Mathematics 2023, 11, 2269. [Google Scholar] [CrossRef]
- Xie, P.; Asgharian, H.; Guerrero, J.M.; Vasquez, J.C.; Araya, S.S.; Liso, V. A two-layer energy management system for a hybrid electrical passenger ship with multi-PEM fuel cell stack. Int. J. Hydrogen Energy 2024, 50, 1005–1019. [Google Scholar] [CrossRef]
- Bassam, A.M.; Phillips, A.B.; Turnock, S.R.; Wilson, P.A. An improved energy management strategy for a hybrid fuel cell/battery passenger vessel. Int. J. Hydrogen Energy 2016, 41, 22453–22464. [Google Scholar] [CrossRef]
- Odeim, F.; Roes, J.; Heinzel, A. Power Management Optimization of an Experimental Fuel Cell/Battery/Supercapacitor Hybrid System. Energies 2015, 8, 6302–6327. [Google Scholar] [CrossRef]
- Do, T.C.; Truong, H.V.A.; Dao, H.V.; Ho, C.M.; To, X.D.; Dang, T.D.; Ahn, K.K. Energy Management Strategy of a PEM Fuel Cell Excavator with a Supercapacitor/Battery Hybrid Power Source. Energies 2019, 12, 4362. [Google Scholar] [CrossRef]
- Truong, H.V.A.; Dao, H.V.; Do, T.C.; Ho, C.M.; To, X.D.; Dang, T.D.; Ahn, K.K. Mapping Fuzzy Energy Management Strategy for PEM Fuel Cell–Battery–Supercapacitor Hybrid Excavator. Energies 2020, 13, 3387. [Google Scholar] [CrossRef]
- Sankar, K.; Aguan, K.; Jana, A.K. A proton exchange membrane fuel cell with an airflow cooling system: Dynamics, validation and nonlinear control. Energy Convers. Manag. 2019, 183, 230–240. [Google Scholar] [CrossRef]
- Bizon, N.; Thounthong, P. Energy efficiency and fuel economy of a fuel cell/renewable energy sources hybrid power system with the load-following control of the fueling regulators. Mathematics 2020, 8, 151. [Google Scholar] [CrossRef]
- Trinh, H.-A.; Phan, V.-D.; Truong, H.-V.-A.; Ahn, K.K. Energy Management Strategy for PEM Fuel Cell Hybrid Power System Considering DC Bus Voltage Regulation. Electronics 2022, 11, 2722. [Google Scholar] [CrossRef]
- Martyushev, N.V.; Malozyomov, B.V.; Sorokova, S.N.; Efremenkov, E.A.; Qi, M. Mathematical Modeling of the State of the Battery of Cargo Electric Vehicles. Mathematics 2023, 11, 536. [Google Scholar] [CrossRef]
- Wu, J.; Wang, X.; Li, L.; Du, Y. Hierarchical control strategy with battery aging consideration for hybrid electric vehicle re-generative braking control. Energy 2018, 145, 301–312. [Google Scholar] [CrossRef]
- Uzunoglu, M.; Alam, M.S. Dynamic modeling, design and simulation of a PEM fuel cell/ultra-capacitor hybrid system for vehicular applications. Energy Convers. Manag. 2007, 48, 1544–1553. [Google Scholar] [CrossRef]
- Zhang, L.; Hu, X.; Wang, Z.; Sun, F.; Dorrell, D.G. A review of supercapacitor modeling, estimation, and applications: A control/management perspective. Renew. Sustain. Energy Rev. 2018, 81, 1868–1878. [Google Scholar] [CrossRef]
- Zubieta, L.; Bonert, R. Characterization of double-layer capacitors for power electronics applications. IEEE Trans. Ind. Appl. 2000, 36, 199–205. [Google Scholar] [CrossRef]
- Lahyani, A.; Venet, P.; Guermazi, A.; Troudi, A. Battery/Supercapacitors Combination in Uninterruptible Power Supply (UPS). IEEE Trans. Power Electron. 2013, 28, 1509–1522. [Google Scholar] [CrossRef]
- Trinh, H.-A.; Nguyen, D.G.; Phan, V.-D.; Duong, T.-Q.; Truong, H.-V.-A.; Choi, S.-J.; Ahn, K.K. Robust Adaptive Control Strategy for a Bidirectional DC-DC Converter Based on Extremum Seeking and Sliding Mode Control. Sensors 2023, 23, 457. [Google Scholar] [CrossRef]
- Li, H.; Ravey, A.; N’Diaye, A.; Djerdir, A. A novel equivalent consumption minimization strategy for hybrid electric vehicle powered by fuel cell, battery and supercapacitor. J. Power Sources 2018, 395, 262–270. [Google Scholar] [CrossRef]
- Torreglosa, J.P.; Jurado, F.; García, P.; Fernández, L.M. Hybrid fuel cell and battery tramway control based on an equivalent consumption minimization strategy. Control Eng. Pract. 2011, 19, 1182–1194. [Google Scholar] [CrossRef]
















| Parameters | Symbol | Value | Unit | |
|---|---|---|---|---|
| Cells number | PEMFC-1 | 30 | ||
| PEMFC-2 | 18 | |||
| Rated power | PEMFC-1 | 110 | kW | |
| PEMFC-2 | 60 | kW | ||
| Membrane thickness | 178 | μm | ||
| Area | S | 232 | cm2 | |
| Coefficients | ξ1 | −0.948 | - | |
| ξ2 | 0.00286 + 2 × 10−4 ln(S) + 4.3 × 10−5 ln(cH2) | - | ||
| ξ3 | 7.6 × 10−5 | - | ||
| ξ4 | −1.93 × 10−4 | - | ||
| Membrane resistivity parameter | 12.5 | - | ||
| Fuel cell capacitance | Cdl | 0.035 × 232 | F | |
| Cathode | Pressure | PO2 | 3 | atm |
| Flow constant | ka | 0.065 | mol/s/atm | |
| Volume | Va | 0.01 | m3 | |
| Anode | Pressure | PH2 | 3 | atm |
| Flow constant | kc | 0.065 | mol/s/atm | |
| Volume | Vc | 0.005 | m3 | |
| Hydrogen enthalpy of combustion | 285.5 × 103 | kJ/mol | ||
| Thermal resistance | 0.115 | C/W | ||
| Total energy (for 6 h) | 302.522 | kW | ||
| Parameters | Value | Unit |
|---|---|---|
| Capacity | 6.5 | Ah |
| Rated voltage | 1.2 | V |
| Constant voltage | 1.2848 | V |
| Internal resistance | 0.0046 | Ω |
| Number of batteries | 360 | - |
| Exponential zone amplitude | 0.144 | V |
| Exponential zone time constant inverse | 2.3077 | (Ah)−1 |
| Polarization resistance constant | 0.01875 | Ω |
| Parameters | Value | Unit |
|---|---|---|
| Number of UC | 80 | |
| Rated voltage | 2.7 | V |
| Absolute maximum voltage | 2.85 | V |
| Absolute maximum current | 1900 | A |
| Rated capacitance | 3000 | F |
| Capacitance in the main cell | 2100 | F |
| 623 | F | |
| Capacitance in the slow cell | 172 | F |
| Resistance in the main cell | 0.036 × 10−3 | Ω |
| Resistance in the slow cell | 1.92 | Ω |
| EMSs | Average Power (kW) | Average Efficiency | ||||
|---|---|---|---|---|---|---|
| dPEMFC | PEMFC-1 | PEMFC-2 | dPEMFC | PEMFC-1 | PEMFC-2 | |
| A1 | 76.36 | 51.72 | 24.63 | 0.488 | 0.4833 | 0.5004 |
| A2 | 76 | 76 | Off | 0.4947 | 0.4947 | 0.16 |
| A3 | 76 | 16 | 60 | 0.4269 | 0.3835 | 0.4404 |
| A4 | 76 | 38 | 38 | 0.4996 | 0.4953 | 0.5031 |
| A5 | 76 | 51 | 25 | 0.5035 | 0.5067 | 0.5033 |
| A6 | 78.6 | 52.93 | 25.5 | 0.5056 | 0.0587 | 0.05045 |
Disclaimer/Publisher’s Note: The statements, opinions and data contained in all publications are solely those of the individual author(s) and contributor(s) and not of MDPI and/or the editor(s). MDPI and/or the editor(s) disclaim responsibility for any injury to people or property resulting from any ideas, methods, instructions or products referred to in the content. |
© 2024 by the authors. Licensee MDPI, Basel, Switzerland. This article is an open access article distributed under the terms and conditions of the Creative Commons Attribution (CC BY) license (https://creativecommons.org/licenses/by/4.0/).
Share and Cite
Truong, H.V.A.; Do, T.C.; Dang, T.D. Enhancing Efficiency in Hybrid Marine Vessels through a Multi-Layer Optimization Energy Management System. J. Mar. Sci. Eng. 2024, 12, 1295. https://doi.org/10.3390/jmse12081295
Truong HVA, Do TC, Dang TD. Enhancing Efficiency in Hybrid Marine Vessels through a Multi-Layer Optimization Energy Management System. Journal of Marine Science and Engineering. 2024; 12(8):1295. https://doi.org/10.3390/jmse12081295
Chicago/Turabian StyleTruong, Hoai Vu Anh, Tri Cuong Do, and Tri Dung Dang. 2024. "Enhancing Efficiency in Hybrid Marine Vessels through a Multi-Layer Optimization Energy Management System" Journal of Marine Science and Engineering 12, no. 8: 1295. https://doi.org/10.3390/jmse12081295
APA StyleTruong, H. V. A., Do, T. C., & Dang, T. D. (2024). Enhancing Efficiency in Hybrid Marine Vessels through a Multi-Layer Optimization Energy Management System. Journal of Marine Science and Engineering, 12(8), 1295. https://doi.org/10.3390/jmse12081295

