A Review on Underwater Collection and Transportation Equipment of Polymetallic Nodules in Deep-Sea Mining
Abstract
1. Introduction
2. Current Development of Deep-Sea Mining Systems
3. Deep-Sea Mining System Collecting Device
3.1. Properties of Deep-Sea Sediments
3.2. Jet Nozzle Parameter Design
3.3. Flexible Hose and Solid–Liquid Two-Phase Flow Transportation Optimization
4. Deep-Sea Mining System Walking Device
4.1. Optimization of Mining Grouser Parameters
4.1.1. Track and Sediment Model Construction
4.1.2. Optimization of Grouser Structure
4.1.3. Optimization Design of Bionic Grousers
4.2. Geometric Passability of The Walking Device
4.3. Lightweight Design of Vehicle Body Structure
5. Deep-Sea Mining System Lifting Device
5.1. Design Optimization of Lift Pump Structure
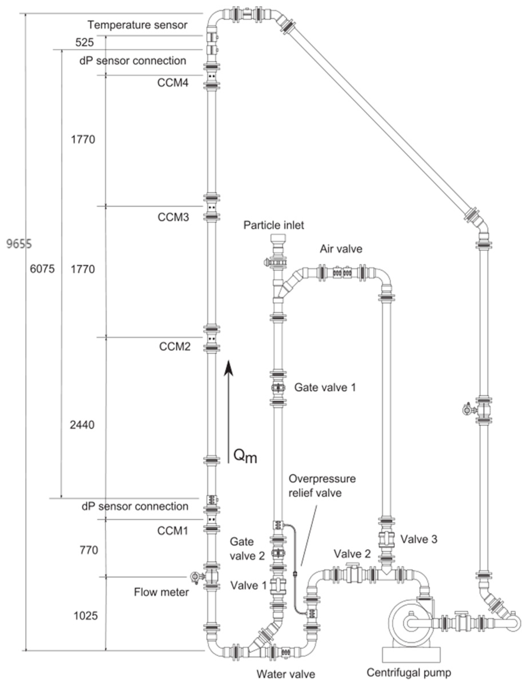
5.2. Riser Structure Design
6. Interconnections between the Components of a Deep-Sea Mining System
6.1. Coupling Analysis between Each Device of the Mining Vehicle
6.2. Coupling Analysis between Riser Lifting Device and Mining Vehicle
7. Conclusions
Author Contributions
Funding
Data Availability Statement
Conflicts of Interest
References
- Amudha, K.; Reshma, K.V.; Ramesh, N.R.; Deepak, C.R.; Ramadass, G.A.; Atmanand, M.A. Estimation of sinkage and breakout forces for tracked vehicle for soft soils. In Proceedings of the OCEANS 2014—TAIPEI, Taipei, Taiwan, 7–10 April 2014. [Google Scholar]
- Leng, D.; Shao, S.; Xie, Y.; Wang, H.; Liu, G. A brief review of recent progress on deep sea mining vehicle. Ocean Eng. 2021, 228, 108565. [Google Scholar] [CrossRef]
- Teague, J.; Allen, M.J.; Scott, T.B. The potential of low-cost ROV for use in deep-sea mineral, ore prospecting and monitoring. Ocean Eng. 2018, 147, 333–339. [Google Scholar] [CrossRef]
- Kang, Y.; Liu, S.; Zou, W.; Zhao, H.; Hu, X. Design and analysis of an innovative deep-sea lifting motor pump. Appl. Ocean Res. 2019, 82, 22–31. [Google Scholar] [CrossRef]
- Wei, D.; Cao, H.; Xia, J. Study on the pressure–sinkage process and constitutive model of Deep-Sea sediment. J. Mar. Sci. Eng. 2022, 10, 883. [Google Scholar] [CrossRef]
- He, G.; Yang, Y.; Wei, Z.; Yang, S.; Liu, Y.; Deng, X.; Yao, H.; Deng, Y.; Gao, J.; Fang, N.; et al. Mineral deposit characteristics of cobalt-rich Fe-Mn crusts in COMRA contract area. West. Pac. Ocean Chin. J. Nonferrous Met. 2021, 31, 2649–2664. [Google Scholar]
- Guo, X.; Fan, N.; Liu, Y.; Liu, X.; Wang, Z.; Xie, X.; Jia, Y. Deep seabed mining: Frontiers in engineering geology and environment. Int. J. Coal Sci. Technol. 2023, 10, 23. [Google Scholar] [CrossRef]
- Hein, J.R.; Mizell, K.; Koschinsky, A.; Conrad, T.A. Deep-ocean mineral deposits as a source of critical metals for high- and green-technology applications: Comparison with land-based resources. Ore Geol. 2013, 51, 1–14. [Google Scholar] [CrossRef]
- Wu, Q.; Yang, J.; Guo, X.; Liu, L.; Lu, W.; Lu, H. Experimental study on dynamic responses of a deep-sea mining system. Ocean Eng. 2022, 248, 110675. [Google Scholar] [CrossRef]
- Sha, F.; Xi, M.; Chen, X.; Liu, X.; Niu, H.; Zuo, Y. A recent review on multi-physics coupling between deep-sea mining equipment and marine sediment. Ocean Eng. 2023, 276, 114229. [Google Scholar] [CrossRef]
- Masuda, Y.; Cruickshank, M.J.; Mero, J.L. Continuous bucket-line dredging at 12,000 feet. In Proceedings of the Annual Offshore Technology Conference, Houston, TX, USA, 19–21 April 1971; pp. 837–841. [Google Scholar]
- Rajesh, S.; Gnanaraj, A.A.; Velmurugan, A.; Ramesh, R.; Muthuvel, P.; Babu, M.K.; Ramesh, N.R.; Deepak, C.R.; Atmanand, M.A. Qualification Tests on Underwater Mining System with Manganese Nodule Collection and Crushing Devices. In Proceedings of the Ninth ISOPE Ocean Mining Symposium, Maui, HI, USA, 19–24 June 2011; pp. 110–115. [Google Scholar]
- Sharma, R. Deep-Sea Mining: Resource Potential, Technical and Environmental Considerations; Springer: Cham, Switzerland, 2017; pp. 310–313. [Google Scholar] [CrossRef]
- Wu, Q.; Yang, J.; Lu, H.; Lu, W.; Liu, L. Effects of heave motion on the dynamic performance of vertical transport system for deep sea mining. Ocean Res. 2020, 101, 102188. [Google Scholar] [CrossRef]
- Kang, Y.; Liu, S. Summary of research on lifting system of Deep Sea mining. J. Mech. Eng. 2021, 57, 232–243. [Google Scholar]
- Qiao, S.; Wu, Y.; Zhu, Z.; Qing, L.; Huang, Z.; Ning, Q. Effects of confining pressure and cutting sequence on the cobalt-rich crust cutting mechanism by using conical picks in ocean environments. Ocean Eng. 2022, 263, 112348. [Google Scholar] [CrossRef]
- Li, J.P.; Rao, Q.H.; Huang, T.B.; Ma, W.B. Discrete element method for adhesion properties evaluation of deep-sea sediment from macro and micro perspectives. J. Cent. South Univ. 2022, 29, 1701–1716. [Google Scholar] [CrossRef]
- Sha, F.; Xi, M.; Wen, Z.; Chen, X.; Zuo, Y.; Xu, J.; Zhang, M.; Niu, H. A review on plumes generation and evolution mechanism during deep-sea polymetallic nodules mining. Ocean Eng. 2024, 298, 117188. [Google Scholar] [CrossRef]
- Spearman, J.; Taylor, J.; Crossouard, N.; Cooper, A.; Turnbull, M.; Manning, A.; Lee, M.; Murton, B. Measurement and modelling of deep sea sediment plumes and implications for deep sea mining. Sci. Rep. 2020, 10, 5075. [Google Scholar] [CrossRef]
- Wang, M. The Development of Deep Seafloor Solid Mineral Resources; Central South University Press: Changsha, China, 2015. [Google Scholar]
- American Bureau of Shipping Guide for Subsea Mining. 2020, pp. 16–17. Available online: https://ww2.eagle.org/en/Products-and-Services/offshore-energy/subsea-mining.html (accessed on 18 February 2024).
- Gollner, S.; Kaiser, S.; Menzel, L.; Jones, D.O.; Brown, A.; Mestre, N.C.; Van Oevelen, D.; Menot, L.; Colaço, A.; Canals, M. Resilience of benthic deep-sea fauna to mining activities. Mar. Environ. Res. 2017, 129, 76–101. [Google Scholar] [CrossRef]
- Nian, T.K.; Jiao, H.B.; Fan, N.; Guo, X.S. Microstructure analysis on the dynamic behavior of marine clay in the South China Sea. Mar. Georesour. Geotechnol. 2019, 38, 349–362. [Google Scholar] [CrossRef]
- Cho, S.G.; Park, S.; Oh, J.; Min, C.; Kim, H.; Hong, S.; Jang, J.; Lee, T.H. Design optimization of deep-seabed pilot miner system with coupled relations between constraints. J. Terramech. 2019, 83, 25–34. [Google Scholar] [CrossRef]
- Khadge, N.H. Geotechnical properties of surface sediments in the INDEX area. Georesour. Geotechnol. 2000, 18, 251–258. [Google Scholar] [CrossRef]
- Rao, Q.; Liu, Z.; Xu, F.; Huang, W.; Ma, W. Research progress on characteristics of Deep-sea soft sediment and walking performance of mining vehicle. Chin. J. Nonferrous Met. 2021, 31, 2795–2816. [Google Scholar]
- Yu, Y.; Duan, L.; Wang, H.; Du, X.; Zhu, K. Preliminary study on physico-mechanical properties of Deep-sea sediments from the western pacific. Min. Metall. Eng. 2016, 36, 1–4. [Google Scholar]
- Wei, D.; Yang, Q.; Xia, J. Factors influencing shear strength of deep sediment and its variation law. Mar. Geol. Front. 2021, 37, 28–33. [Google Scholar]
- Washburn, T.W.; Jones, D.O.B.; Wei, C.-L.; Smith, C.R. Environmental heterogeneity throughout the clarion-clipperton zone and the potential representativity of the APEI network. Front. Mar. Sci. 2021, 8, 661685. [Google Scholar] [CrossRef]
- Ma, W.B.; Rao, Q.H.; Li, P.; Guo, S.C.; Feng, K. Shear creep parameters of simulative soil for deep-sea sediment. J. Cent. South Univ. 2014, 21, 4682–4689. [Google Scholar] [CrossRef]
- Suneel, M.; Park, L.K.; Im, J.C. Compressibility characteristics of Korean marine clay. Mar. Georesour. Geotechnol. 2008, 26, 111–127. [Google Scholar] [CrossRef]
- Li, D.; Fu, Y.; Liu, Q.; Reinfelder, J.R.; Hollings, P.; Sun, X.; Tan, C.; Dong, Y.; Ma, W. High-resolution LA-ICP-MS mapping of deep-sea polymetallic micronodules and its implications on element mobility. Gondwana Res. 2020, 81, 461–474. [Google Scholar] [CrossRef]
- Dai, X.; Shan, R.; Kong, X.; Yang, N.; Sun, S. Preliminary study on physical properties and microstructure of deep-sea sediments from Marianas Trench. Ocean Eng. 2019, 37, 150–156. [Google Scholar]
- Wu, H.; Chen, X.; Gao, Y.; He, J.; Liu, S. In-situ shearing strength and penetration resistance testing of soft seabed sediments in western mining area. J. Cent. South Univ. 2010, 41, 1801–1806. [Google Scholar]
- Choi, J.S.; Hong, S.; Chi, S.B.; Lee, H.B.; Park, C.K.; Kim, H.W.; Yeu, T.K.; Lee, T.H. Probability distribution for the shear strength of seafloor sediment in the KR5 area for the development of manganese nodule miner. Ocean Eng. 2011, 38, 2033–2041. [Google Scholar] [CrossRef]
- Luo, M.; Chen, P.; Chen, Z. Experimental investigation on the suppression of vortex-nduced vibration of two interfering risers by control rods. Ships Offshore Struct. 2017, 12, 1117–1126. [Google Scholar]
- Sung, J.L.; Jong, W.K.; Shin, T.J.; Hong, Y.C.; Sang, H.L. Deep Seawater flow Characteristics Around the Manganese Nodule Collecting Device. Procedia Eng. 2015, 116, 544–551. [Google Scholar] [CrossRef]
- Kartal, V.; Emiroglu, M.E. Effect of nozzle type on local scour in water jets: An experimental study. Ocean Eng. 2023, 277, 114323. [Google Scholar] [CrossRef]
- Wang, P.J.; Li, L.; Wu, J.B. Research on the lightweight structural optimization design of the front collector of the polymetallic nodule miner. Ocean Eng. 2023, 267, 113275. [Google Scholar] [CrossRef]
- Rouse, H. Criteria for Similarity in the Transportation of Sediment; Iowa Institute of Hydroscience & Engineering University of Iowa: Iowa City, IA, USA, 1939; pp. 33–49. [Google Scholar]
- Tastan, K.; Kocak, P.P.; Yildirim, N. Effect of the bed-sediment layer on the scour caused by a jet. Arab. J. Sci. Eng. 2016, 41, 4029–4037. [Google Scholar] [CrossRef]
- Baylar, A.; Emiroglu, M.E. Air entrainment and oxygen transfer in a Venturi. Proc. Inst. Civ. Eng.-Water Marit. Eng. 2003, 156, 249–255. [Google Scholar] [CrossRef]
- Zhang, T.D.; Zhou, H.; Wang, J.; Liu, Z.H.; Xin, J.; Pang, Y.J. Optimum design of a small intelligent ocean exploration underwater vehicle. Ocean Eng. 2019, 184, 40–58. [Google Scholar] [CrossRef]
- Kartal, V.; Emiroglu, M.E. Local scour due to water jet from a nozzle with plates. Acta Geophys. 2021, 69, 95–112. [Google Scholar] [CrossRef]
- Wang, J.J. Numerical Analysis of the Effect of Nozzle on Injector Performance; Northeastern University: Shenyang, China, 2014; pp. 32–59. [Google Scholar]
- Yao, C.; Geng, P.; Yin, Z.-H.; Hu, J.; Yang, Z.-M.; Chen, D.-L. Effect of nozzle structure on spray characteristics. J. Intern. Combust. Engines 2016, 34, 41–47. [Google Scholar]
- Shi, H.H.; Zhang, Y.B.; Yin, Z.H. Numerical simulation of high-pressure pulsed water jet under different nozzle structures. J. Zhejiang Sci-Tech Univ. (Nat. Sci. Ed.) 2021, 45, 343–350. [Google Scholar]
- Asakura, K.; Asari, T.; Nakajima, I. Simulation of Solid-Liquid Flows in Vertical Pipe by a Collision Model. Powder Technol. 1997, 145, 201–209. [Google Scholar] [CrossRef]
- Ye, J.; Xia, J.X. Study on resistance loss of coarse-grained materials in horizontal pipeline hydraulics. Met. Mines 2011, 7, 12–18. [Google Scholar]
- Zhou, M.; Wang, S.; Kuang, S.; Luo, K.; Fan, J.; Yu, A. CFD-DEM modelling of hydraulic conveying of solid particles in a vertical pipe. Powder Technol. 2019, 354, 893–905. [Google Scholar] [CrossRef]
- Zhou, M.; Kuang, S.; Luo, K.; Zou, R.; Wang, S.; Yu, A. Modeling and analysis of flow regimes in hydraulic conveying of coarse particles. Powder Technol. 2020, 373, 543–554. [Google Scholar] [CrossRef]
- Cao, B.; Liu, J.W.; Xia, J.X. Study on the law of hydraulic transport resistance loss of horizontal hose in deep-sea mining system. J. Mar. Technol. 2016, 35, 114–119. [Google Scholar]
- Avi, U.; Avi, L. Flow characteristics of coarse particles in horizontal hydraulic conveying. Powder Technol. 2018, 326, 302–321. [Google Scholar] [CrossRef]
- Miller, K.A.; Thompson, K.F.; Johnston, P.; Santillo, D. An overview of seabed mining including the current state of development, environmental impacts, and knowledge gaps. Front. Mar. Sci. 2018, 4, 312755. [Google Scholar] [CrossRef]
- Cai, Q.; Ma, W.; Rao, Q.; Li, G. Optimization design of bionic grousers for the crawled mineral collector based on the deep-sea sediment. Mar. Georesour. Geotechnol. 2020, 38, 48–56. [Google Scholar] [CrossRef]
- Ma, W.B.; Liu, J.; Cheng, Y.R.; Zhu, W. Study on mesoscopic adhesion characteristics of deep-sea sediment for self-cleaning mechanism of bionic grouser. Appl. Ocean Res. 2023, 131, 103451. [Google Scholar] [CrossRef]
- Bekker, M.G. Introduction to Terrain-Vehicle Systems; University of Michigan Press: Ann Arbor, MI, USA, 1969. [Google Scholar]
- Schulte, E.; Schwarz, W. Simulation of tracked vehicle performance on deep sea soil based on soil mechanical laboratory measurements in bentonite soil. In Proceedings of the Eighth ISOPE Ocean Mining Symposium, Chennai, India, 20–24 September 2009. [Google Scholar]
- Li, L.; Li, S. Imulation and mechanical characteristics of terramechanics of the surface soil on Deep-Sea bed. Eng. Mech. 2010, 27, 213–220. [Google Scholar]
- Wang, J.; Cao, W.; Zhai, Y. Experimental study of interaction between deep-sea sediments and tracks. Rock Soil Mech. 2011, 32, 274–278. [Google Scholar]
- Wang, L.; Chen, X.; Li, Z.; Liu, X.; Liu, X.; Wang, L.; Yang, W. Analysis of traction performance of deep-sea tracked mining vehicles under different grouser pitch-to-height ratios and traveling speeds. Ocean Eng. 2024, 297, 117112. [Google Scholar] [CrossRef]
- Xu, F.; Rao, Q.-h.; Ma, W.-b. Turning traction force of tracked mining vehicle based on rheological property of deep-sea sediment. Trans. Nonferrous Met. Soc. China 2018, 28, 1233–1240. [Google Scholar] [CrossRef]
- Xu, F.; Rao, Q.-H.; Zhang, J.; Ma, W. Compression–shear coupling rheological constitutive model of the deep-sea sediment. Mar. Georesour. Geotechnol. 2018, 36, 288–296. [Google Scholar] [CrossRef]
- Zhang, N.; Ma, N.; Yin, S.; Chen, X.; Zhao, M. Three-dimensional stress path in deep-sea sediment under the driving load of a nodule collector. Ocean Eng. 2022, 253, 111312. [Google Scholar] [CrossRef]
- Hong, S.; Choi, J.S. Experimental Study on Grouser Shape Effects on Trafficability of Extremely Soft Seabed. J. Electroanal. Chem. 2001, 361, 57–63. [Google Scholar]
- Kim, H.W.; Hong, S.; Choi, J.S.; Lee, T.H. An experimental study on tractive performanceof tracked vehicle on cohesive Soft soil. In Proceedings of the Fifth ISOPE Ocean Mining Symposium, Tsukuba, Japan, 15–19 September 2003; pp. 139–143. [Google Scholar]
- Sung-Ha, B.; Gyu-Beom, S.; Choong-Ki, C. Experimental study on the soil thrust of underwater tracked vehicles moving on the clay seafloor. Appl. Ocean Res. 2019, 86, 117–127. [Google Scholar]
- Luan, L.; Chen, X.; Kouretzis, G.; Ding, X. Dynamic seabed stresses due to moving deep-sea mining vehicles. Comput. Geotech. 2023, 157, 105356. [Google Scholar] [CrossRef]
- Xu, Z.; Liu, Y.; Yang, G.; Xia, J.; Dou, Z.; Meng, Q.; Xu, X. Research on contact model of track-soft sediment and traction performance of four-tracked seabed mining vehicle. Ocean Eng. 2022, 259, 111902. [Google Scholar] [CrossRef]
- Yong, R.N.; Youssef, A.F.; El-Mamlouk, H. Soil deformation and slip relative to grouser shape and spacing. J. Terramech. 1978, 15, 129–144. [Google Scholar] [CrossRef]
- Wang, X.L.; Ito, N.; Kito, K. Studies on grouser shoe dimension for optimum tractive performance (Part 2) effect on thrust: Rolling resistance and traction. J. Jpn. Soc. Agric. Mach. 2002, 64, 55–60. [Google Scholar]
- Li, J.; Liu, S.; Dai, Y. Effect of grouser height on tractive performance of tracked mining vehicle. J. Braz. Soc. Mech. Sci. Eng. 2017, 39, 2459–2466. [Google Scholar] [CrossRef]
- Li, Y.; He, D.; Si, Q.; Meng, X. Effect of track shoes structural parameters on traction performance of unmanned underwater tracked bulldozer. Ocean Eng. 2021, 237, 109655. [Google Scholar] [CrossRef]
- Janarthanan, C.; Gopkumar, K.; Sundaramoorthi, V.; Ramesh, N.R.; Ramadass, G.A. Influence of grouser geometrical parameters of Deep-Sea crawler vehicle on soft clays. In Proceedings of the Fourth International Conference in Ocean Engineering (ICOE2018); Springer: Singapore, 2019; pp. 899–912. [Google Scholar]
- Sun, P.; Lu, H.; Yang, J.; Liu, M.; Li, S.; Zhang, B. Numerical study on shear interaction between the track plate of deep-sea mining vehicle and the seafloor sediment based on CEL method. Ocean Eng. 2022, 266, 112785. [Google Scholar] [CrossRef]
- Xu, W.; Ji, C.; Sun, H.; Ding, W.; Bernitsas, M.M. Flow induced vibration of two elastically mounted tandem cylinders in cross-flow at subcritical Reynolds numbers. Ocean Eng. 2019, 173, 375–387. [Google Scholar] [CrossRef]
- Li, J.; Kou, B.; Liu, G.; Fan, W.; Liu, L. Resistance reduction by bionic coupling of the earthworm lubrication function. Sci. China 2010, 53, 2989–2995. [Google Scholar] [CrossRef]
- Ren, L. Progress in the bionic study on anti-adhesion and resistance reduction of terrain machines. Sci. China Ser. E Technol. Sci. 2009, 52, 273–284. [Google Scholar] [CrossRef]
- Dai, Y.; Xue, C.; Su, Q.; Huang, X. Numerical analysis on hydrodynamic characteristics of a deep-sea mining vehicle under three typical motions. Ocean Eng. 2021, 235, 109446. [Google Scholar] [CrossRef]
- Baek, S.H.; Shin, G.B.; Chung, C.K. Assessment of the side thrust for off-road tracked vehicles based on the punching shear theory. J. Terramech. 2018, 79, 59–68. [Google Scholar] [CrossRef]
- Zhang, T.; Dai, Y.; Liu, S.; Chen, J.; Huang, Z. Multi-body dynamic modeling and mobility simulation analysis of deep ocean tracked miner. J. Mech. Eng. 2015, 51, 173–180. [Google Scholar] [CrossRef]
- Dai, Y.; Zhu, X.; Chen, L.S.; Liu, H. A new multi-body dynamic model for seafloor miner and its trafficability evaluation. Int. J. Simulat. Model. 2015, 14, 732–743. [Google Scholar] [CrossRef]
- Dai, Y.; Yin, W.; Ma, F. Nonlinear multi-body dynamic modeling and coordinated motion control simulation of deep-sea mining system. IEEE Access 2019, 7, 86242–86251. [Google Scholar] [CrossRef]
- Ouyang, H.; Wang, S.P. Slip control for deep sea mining vehicle: Sliding mode control approach. In Proceedings of the 2016 35th Chinese Control Conference (CCC), Chengdu, China, 27–29 July 2016; pp. 6233–6238. [Google Scholar] [CrossRef]
- Sumith, S.; Sangam, K.; Kannan, K.; Shankar, K. Prediction of nonlinear viscoelastic behaviour of simulative soil for deep-sea sediment using a thermodynamically compatible model. Inverse Probl. Sci. Eng. 2020, 28, 777–795. [Google Scholar] [CrossRef]
- Kang, J.I.; Jeoung, S.K.; Oh, J.Y.; Choi, H.S.; Kim, Y.H.; Kim, J.Y.; Yu, S.H.; Cho, H.K. An analysis of carbon fiber hull structure of a new underwater glider. Int. J. Mod. Phys. B 2018, 32, 1840065. [Google Scholar] [CrossRef]
- Li, B.; Pang, Y.J.; Zhu, X.M.; Cheng, Y.X. Collaborative optimization and 6 sigma design for composite pressure hull of underwater vehicle based on lamination parameters. J. Mar. Sci. Technol. 2018, 23, 557–566. [Google Scholar] [CrossRef]
- Li, N.; Zhang, D.Q.; Liu, H.T.; Li, T.J. Optimal design and strength reliability analysis of pressure shell with grid sandwich structure. Ocean Eng. 2021, 223, 108657. [Google Scholar] [CrossRef]
- Yang, H.; Liu, S. A new lifting pump for deep-sea mining. J. Mar. Eng. Technol. 2020, 19, 102–108. [Google Scholar] [CrossRef]
- Li, W.; Shi, W.; Jiang, X.; Zhou, L.; Xu, Y.; Jiang, Z. Numerical calculation and experimental study of axial force on multistage centrifugal pump. Trans. Chin. Soc. Agric. Eng. 2012, 28, 52–59. [Google Scholar] [CrossRef]
- Zhou, L.; Shi, W.; Lu, W.; Li, Z.; Li, W. Numerical prediction and experiment of axial force on deep-well centrifugal pump. Trans. Chin. Soc. Agric. Mach. 2012, 43, 100–103. [Google Scholar] [CrossRef]
- Wang, R.; Zhu, Z.; Su, X.; Mianowicz, K.; Jia, H.; Wu, K. Slurry pumps in deep-sea mining: A review of numerical and experimental studies. Ocean Eng. 2022, 251, 111150. [Google Scholar] [CrossRef]
- Wu, N.; Zhang, Q.; Qu, Z.Q. Evaluation on calculation methods of solid particle settling velocity in fluid. Oil Drill. Prod. Technol. 2000, 22, 51–53. [Google Scholar]
- Liu, G.; Li, H.; Qiu, Z.; Leng, D.; Li, Z.; Li, W. A mini review of recent progress on vortex-induced vibrations of marine risers. Ocean Eng. 2020, 195, 106704. [Google Scholar] [CrossRef]
- Talmon, A.M.; Van Rhee, C. Test set-up for irregular vertical hydraulic transport in deep ocean mining. In Proceedings of the ASME 30th International Conference on Ocean, Offshore and Arctic Engineering, Rotterdam, The Netherlands, 19–24 June 2011. [Google Scholar]
- Kang, Y.; Su, Q.; Liu, S. On the axial thrust and hydraulic performance of a multistage lifting pump for deep-sea mining. Ocean Eng. 2022, 265, 112534. [Google Scholar] [CrossRef]
- Xia, B.; Kong, F.; Zhang, H.; Yang, L.; Qian, W. Investigation of axial thrust deviation between the theory and experiment for high-speed mine submersible pump. Adv. Mech. Eng. 2018, 10, 11–12. [Google Scholar] [CrossRef]
- Badr, H.M.; Ahmed, W.H. Axial and radial thrusts in centrifugal pumps. In Pumping Machinery Theory and Practice; John Wiley & Sons, Ltd.: Hoboken, NJ, USA, 2014; pp. 133–158. [Google Scholar] [CrossRef]
- Cao, W.; Dai, X.; Hu, Q. Effect of impeller reflux balance holes on pressure and axial force of centrifugal pump. J. Cent. South Univ. 2015, 22, 1695–1706. [Google Scholar] [CrossRef]
- Elicio, G.; Annese, F. Experimental approach to predict the residual axial thrust in centrifugal pumps. In Proceedings of the ASME-JSME-KSME 2019 8th Joint Fluids Engineering Conference. Volume 3B: Fluid Applications and Systems, San Francisco, CA, USA, 28 July–1 August 2019. [Google Scholar] [CrossRef]
- Mou, J.; Li, S.; Zheng, S.; Jin, J.; Su, M.; Zhao, Y. Influence of interstage leakage on the axial force of the multistage centrifugal pump. Trans. Chin. Soc. Agric. Mach. 2010, 41, 40–44. [Google Scholar] [CrossRef]
- Li, R.; Gao, Y.; Cheng, X.; Han, W.; Guo, W. Numerical calculation for effects of impeller back pump-out vanes on axial thrust in screw centrifugal pump. J. Mech. Eng. 2012, 48, 156–161. [Google Scholar] [CrossRef]
- Babayigit, O.; Ozgoren, M.; Aksoy, M.H.; Kocaaslan, O. The effect of balance holes to centrifugal pump performance. In Proceedings of the International Conference on Numerical Analysis and Applied Mathematics, Rhodes, Greece, 19–25 September 2016; AIP Conference Proceedings; Simos, T., Tsitouras, C., Eds.; AIP Publishing: Melville, NY, USA, 2017; Volume 1863. [Google Scholar] [CrossRef]
- Zhu, D.; Xiao, R.; Yao, Z.; Yang, W.; Liu, W. Optimization design for reducing the axial force of a vaned mixed-flow pump. Eng. Appl. Comput. Fluid Mech. 2020, 14, 882–896. [Google Scholar] [CrossRef]
- Evans, J.; Shook, C.A. Dispersion and slip effects in hydraulic hoisting of solids. Can. J. Chem. Eng. 1991, 69, 166–1173. [Google Scholar] [CrossRef]
- Van Wijk, J.M.; Van Rhee, C.; Talmon, A.M. Axial dispersion of suspended sediments in vertical upward pipe flow. Ocean Eng. 2014, 92, 20–30. [Google Scholar] [CrossRef]
- Chen, W.L.; Zhang, Q.; Li, H.; Hu, H. An experimental investigation on vortex induced vibration of a flexible inclined cable under a shear flow. J. Fluids Struct. 2015, 54, 297–311. [Google Scholar] [CrossRef]
- Brika, D.; Laneville, A. Vortex-induced vibrations of a long flexible circular cylinder. J. Fluid Mech. 1993, 250, 481–508. [Google Scholar] [CrossRef]
- Chen, W.L.; Ji, C.; Xu, W.; Liu, S.; Campbell, J. Response and wake patterns of two side-by-side elastically supported circular cylinders in uniform laminar cross-flow. J. Fluids Struct. 2015, 55, 218–236. [Google Scholar] [CrossRef]
- Yin, D.; Passano, E.; Lie, H.; Grytøyr, G.; Aronsen, K.; Tognarelli, M.; Kebadze, E.B. Experimental and numerical study of a top tensioned riser subjected to vessel motion. Ocean Eng. 2019, 171, 565–574. [Google Scholar] [CrossRef]
- Wang, J.; Xiang, S.; Fu, S.; Cao, P.; Yang, J.; He, J. Experimental investigation on the dynamic responses of a free-hanging water intake riser under vessel motion. Mar. Struct. 2016, 50, 1–19. [Google Scholar] [CrossRef]
- Wang, E.; Xu, W.; Yu, Y.; Zhou, L.; Incecik, A. Flow-induced vibrations of three and four long flexible cylinders in tandem arrangement: An experimental study. Ocean Eng. 2019, 178, 170–184. [Google Scholar] [CrossRef]
- Kuiper, G.L.; Brugmans, J.; Metrikine, A.V. Destabilization of deep-water risers by a heaving platform. J. Sound Vib. 2008, 310, 541–557. [Google Scholar] [CrossRef]
- Meng, S.; Song, S.; Che, C.; Zhang, W. Internal flow effect on the parametric instability of deepwater drilling risers. Ocean Eng. 2018, 149, 305–312. [Google Scholar] [CrossRef]
- Montoya-Hernández, D.J.; Vázquez-Hernández, A.O.; Cuamatzi, R.; Hernandez, M.A. Natural frequency analysis of a marine riser considering multiphase internal flow behavior. Ocean Eng. 2014, 92, 103–113. [Google Scholar] [CrossRef]
- Thorsen, M.J.; Challabotla, N.R.; Sævik, S.; Nydal, O.J. A numerical study on vortex-induced vibrations and the effect of slurry density variations on fatigue of ocean mining risers. Ocean Eng. 2019, 174, 1–13. [Google Scholar] [CrossRef]
- Gao, Y.; Fu, S.; Wang, J.; Song, L.; Chen, Y. Experimental study of the effects of surface roughness on the vortex-induced vibration response of a flexible cylinder. Ocean Eng. 2015, 103, 40–54. [Google Scholar] [CrossRef]
- Xue, H.; Tang, W.; Qu, X. Prediction and analysis of fatigue damage due to cross- flow and in-line VIV for marine risers in non-uniform current. Ocean Eng. 2014, 83, 52–62. [Google Scholar] [CrossRef]
- Meng, S.; Chen, Y.; Che, C. Slug flow’s intermittent feature affects VIV responses of flexible marine risers. Ocean Eng. 2020, 205, 106883. [Google Scholar] [CrossRef]
- Wu, H.; Sun, D.P.; Lu, L.; Teng, B.; Tang, G.Q.; Song, J.N. Influence of attack angle on VIV suppression by multiple control rods for long flexible riser model. In Proceedings of the 21st International Offshore and Polar Engineering Conference, Maui, HI, USA, 19–24 June 2011; pp. 1276–1283. [Google Scholar]
- Wu, H.; Sun, D.P.; Lu, L.; Teng, B.; Tang, G.Q.; Song, J.N. Experimental investigation on the suppression of vortex-induced vibration of long flexible riser by multiple control rods. J. Fluid Struct. 2012, 30, 115–132. [Google Scholar] [CrossRef]
- Zhu, H.; Gao, Y. Effect of gap on the vortex-induced vibration suppression of a circular cylinder using two rotating rods. Ships Offshore Struct. 2018, 13, 119–131. [Google Scholar] [CrossRef]
- Xu, F.; Rao, Q.; Ma, W. Track Shoe Structure Optimization of Deep-Sea Mining Vehicle Based on New Rheological Calculation Formulae of Sediment. Mech. Based Des. Struct. Mach. 2019, 47, 479–496. [Google Scholar] [CrossRef]
- Lu, Y.; Liao, Y.; Xu, W. An investigation into the fatigue damage of a long flexible cylinder with multiple control rods in crossflow. Ocean Eng. 2020, 202, 107175. [Google Scholar] [CrossRef]
- Do, K.D. Boundary control of transverse motion of flexible marine risers under stochastic loads. Ocean Eng. 2018, 155, 156–172. [Google Scholar] [CrossRef]
- Lee, M.; Cho, S.; Choi, J.S.; Kim, H.W.; Hong, S.; Lee, T.H. Metamodel-based multidisciplinary design optimization of a deep-sea manganese nodules test miner. J. Appl. Math. 2012, 2012, 326954. [Google Scholar] [CrossRef]
- Cho, S.G.; Park, S.; Oh, J.; Min, C.; Kim, S.; Kim, H.W.; Yeu, K.T.; Jung, J.Y.; Bae, J.; Hong, S. Risk-based design of on-board facility for lifting system field test of deep-sea mining system. J. Ocean Eng. Technol. 2016, 30, 526–534. [Google Scholar] [CrossRef][Green Version]
- Zhu, W.; Pan, J.; Ma, W.; Deng, S.; Zhou, W.; Liu, W.; Long, S.; Yang, C.; You, L. Dynamic response of the heterogeneous deep-sea sediment with nonlinear gradient modulus to mining machine loading. Mar. Georesour. Geotechnol. 2022, 40, 255–266. [Google Scholar] [CrossRef]
- Zhu, W.; Ma, X.; Shi, X.; Ma, W. Dynamic coupled thermo-hydro-mechanical problem for heterogeneous deep-sea sediments under vibration of mining vehicle. Appl. Math. Mech. 2023, 44, 603–622. [Google Scholar] [CrossRef]
- Zou, T.; Angeles, J.; Hassani, F. Dynamic modeling and trajectory tracking control of unmanned tracked vehicles. Robot. Auton. Syst. 2018, 110, 102–111. [Google Scholar] [CrossRef]
- Chen, Z.S.; Kim, W.J. Effect of bidirectional internal flow on fluid–structure interaction dynamics of conveying marine riser model subjectto shear current. Int. J. Nav. Archit. Ocean Eng. 2012, 4, 57–70. [Google Scholar]
- Adamiec-Wójcik, I.; Brzozowska, L.; Drąg, Ł. An analysis of dynamics of risers during vessel motion by means of the rigid finite element method. Ocean Eng. 2015, 106, 102–114. [Google Scholar] [CrossRef]
- Cheng, Y.; Ji, C.; Zhai, G.; Oleg, G. Nonlinear analysis for ship-generated waves interaction with mooring line/riser systems. Mar. Struct. 2018, 59, 1–24. [Google Scholar] [CrossRef]
- Chung, J.S. Deep-ocean mining technology III: Developments. In Proceedings of the Eighth ISOPE Ocean Mining Symposium, Chennai, India, 20–24 September 2009; The International Society of Offshore and Polar Engineers: Mountain View, CA, USA, 2009. [Google Scholar]
- Chen, W.; Xu, H.L.; Peng, N.; Yang, F.Q.; Lin, P. Linkage characteristics of deep-sea mining lifting system. Ocean Eng. 2021, 233, 109074. [Google Scholar] [CrossRef]
- Liu, J.; Zeng, L.; Guo, X.; Wang, P.; Dai, L. Multi-field coupling nonlinear vibration characteristics of hydraulic lifting pipe in deep-ocean mining. Appl. Ocean Res. 2022, 120, 103074. [Google Scholar] [CrossRef]






























Disclaimer/Publisher’s Note: The statements, opinions and data contained in all publications are solely those of the individual author(s) and contributor(s) and not of MDPI and/or the editor(s). MDPI and/or the editor(s) disclaim responsibility for any injury to people or property resulting from any ideas, methods, instructions or products referred to in the content. |
© 2024 by the authors. Licensee MDPI, Basel, Switzerland. This article is an open access article distributed under the terms and conditions of the Creative Commons Attribution (CC BY) license (https://creativecommons.org/licenses/by/4.0/).
Share and Cite
Zhang, X.; Zuo, Y.; Wei, J.; Sha, F.; Yuan, Z.; Liu, X.; Xi, M.; Xu, J. A Review on Underwater Collection and Transportation Equipment of Polymetallic Nodules in Deep-Sea Mining. J. Mar. Sci. Eng. 2024, 12, 788. https://doi.org/10.3390/jmse12050788
Zhang X, Zuo Y, Wei J, Sha F, Yuan Z, Liu X, Xi M, Xu J. A Review on Underwater Collection and Transportation Equipment of Polymetallic Nodules in Deep-Sea Mining. Journal of Marine Science and Engineering. 2024; 12(5):788. https://doi.org/10.3390/jmse12050788
Chicago/Turabian StyleZhang, Xiuzhan, Yuhang Zuo, Jiakang Wei, Fei Sha, Zhenqin Yuan, Xuelin Liu, Mingshuai Xi, and Jingze Xu. 2024. "A Review on Underwater Collection and Transportation Equipment of Polymetallic Nodules in Deep-Sea Mining" Journal of Marine Science and Engineering 12, no. 5: 788. https://doi.org/10.3390/jmse12050788
APA StyleZhang, X., Zuo, Y., Wei, J., Sha, F., Yuan, Z., Liu, X., Xi, M., & Xu, J. (2024). A Review on Underwater Collection and Transportation Equipment of Polymetallic Nodules in Deep-Sea Mining. Journal of Marine Science and Engineering, 12(5), 788. https://doi.org/10.3390/jmse12050788

