Influence of Emitter Structure on Its Hydraulic Performance Based on the Vortex
Abstract
1. Introduction
2. Materials and Methods
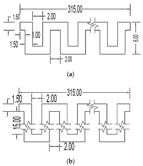
2.1. Emitter Structure and Parameters
2.2. Control Equations and Calculation Model
2.3. Boundary Conditions and Mesh
3. Results and Discussion
3.1. Analysis of the Accuracy of the Simulated Results
3.2. Flow Rate-Pressure Curve of the Emitter
3.3. Analysis of Flow Field in Emitter Channels
3.4. Flow Velocity Distribution in the Emitter
4. Conclusions
- Adding internal teeth to vortex-free areas in the lateral channel of different units of rectangular labyrinth emitters can improve hydraulic performance, and doing so to vortex areas not only fails to improve the hydraulic performance but can reduce it.
- Adding internal teeth is not the reason for the improvement in the emitter’s hydraulic performance. The increase in the number, distribution, and intensity of vortex in the flow field is the internal reason for the improvement in the emitter’s hydraulic performance.
- In the case of increasing the same energy loss, the method of lengthening the vertical flow channel has less of an effect on the improvement in the emitter’s hydraulic performance than adding internal teeth to increase the vortex characteristics.
- The change in the flow channel structure promotes the formation of a larger velocity gradient in the flow field, and the increase in the velocity gradient exacerbates the generation of the vortex in the flow field.
- Changing the flow channel structure to improve the emitter’s hydraulic performance can promote an increase in the number and intensity of vortexes in the emitter and avoid damage to the original vortex structure in the flow field.
Author Contributions
Funding
Institutional Review Board Statement
Informed Consent Statement
Data Availability Statement
Acknowledgments
Conflicts of Interest
References
- Zhang, J.; Zhao, W.; Lu, B. Rapid prediction of hydraulic performance for emitters with labyrinth channels. J. Irrig. Drain. Eng. 2013, 139, 414–418. [Google Scholar] [CrossRef]
- Yunkai, L.; Ji, F. Progress in measurement of hydrodynamic characteristics in drip irrigation emitters. J. Drain. Irrig. Mach. Eng. 2014, 32, 86–92, (In Chinese with English Abstract). [Google Scholar]
- Xiaohong, W. Structural Design and Experimental Study on Hydraulic Performance of Emitters with Labyrinth Channel. Master’s Thesis, Xi’an University of Technology, Xi’an, China, 2006. [Google Scholar]
- Keller, J.; Karmeli, D. Trickle irrigation design parameters. Trans. ASAE 1974, 17, 0678–0684. [Google Scholar] [CrossRef]
- Mattar, M.A.; Alamoud, A.I.; Al-Othman, A.A.; Elansary, H.O.; Farah, A.-H.H. Hydraulic performance of labyrinth-channel emitters: Experimental study, ann, and gep modeling. Irrig. Sci. 2020, 38, 1–16. [Google Scholar] [CrossRef]
- Liming, Y. Relations between the hydraulic performance and the structural parameters of emitter. J. Chang. Univ. Sci. Technol. 2011, 08, 30–35, (In Chinese with English Abstract). [Google Scholar]
- Qiaoli, X.; Wenquan, N.; Lianzhong, L. Effect of tooth angle and pitch of labyrinth channel on performance of emitter. J. Drain. Irrig. Mach. Eng. 2013, 31, 449–455, (In Chinese with English Abstract). [Google Scholar]
- Ye, T.; Minjie, W.; Ming, L.; Guojun, D. The effect of drip irrigation emitter channel structure parameters of triangular type on its hydraulic performances. Model. Simul. 2018, 7, 55–62, (In Chinese with English Abstract). [Google Scholar]
- Jiyang, T.; Dan, B.; Changjiang, R.; Wang, X. Analysis on hydraulic performance of bidirectional flow channel of drip irrigation emitter. Trans. CSAE 2013, 89–94, (In Chinese with English Abstract). [Google Scholar]
- Chunjing, L.; Dunbing, T.; Hua, H.; Xingqiang, C. Hydraulic performance robustness analysis for drip irrigation triangle labyrinth channel of emitter. Trans. CSAM 2013, 44, 67–72, (In Chinese with English Abstract). [Google Scholar]
- Souza, W.d.J.; Rodrigues Sinobas, L.; Sanchez, R.; Botrel, T.A.; Coelho, R.D. Prototype emitter for use in subsurface drip irrigation: Manufacturing, hydraulic evaluation and experimental analyses. Biosyst. Eng. 2014, 128, 41–51. [Google Scholar] [CrossRef]
- Yan, D.; Yang, P.; Ren, S.; Li, Y.; Xu, T. Numerical study on flow property in dentate path of drip emitters. N. Z. J. Agric. Res. 2007, 50, 705–712. [Google Scholar]
- Xing, S.; Wang, Z.; Zhang, J.; Liu, N.; Zhou, B. Simulation and verification of hydraulic performance and energy dissipation mechanism of perforated drip irrigation emitters. Water 2021, 13, 171. [Google Scholar] [CrossRef]
- Camp, C.R. Subsurface drip irrigation: A review. Trans. ASAE 1998, 41, 1353–1367. [Google Scholar] [CrossRef]
- Yunkai, L.; Peiling, Y.; Shumei, R. General review on several fundamental points of design theory about flow path in drip irrigation emitters. Trans. CSAM 2006, 37, 145–149, (In Chinese with English Abstract). [Google Scholar]
- Adin, A.; Sacks, M. Dripper-clogging factors in wastewater irrigation. J. Irrig. Drain. Eng. 1991, 117, 813–826. [Google Scholar] [CrossRef]
- Nakayama, F.S.; Bucks, D.A. Water quality in drip/trickle irrigation: A review. Irrig. Sci. 1991, 12, 187–192. [Google Scholar] [CrossRef]
- Chen, X.; Wu, P.; Fan, X.; Niu, W. Numerical simulation of structural parameters using CFD and anti-clogging design analyse on drip emitter. J. Irrig. Drain. 2008, 27, 35–38, (In Chinese with English Abstract). [Google Scholar]
- Chang, Y.; Niu, W.; Wang, W. Numerical simulation and flow analysis of labyrinth path of drip irrigation emitters. J. Northwest A&F Univ. 2009, 37, 203–208, (In Chinese with English Abstract). [Google Scholar]
- Xu, T.; Zhang, L. Influence and analysis of structure design and optimization on the performance of a pit drip irrigation emitter*. Irrig. Drain. 2020, 69, 633–645. [Google Scholar] [CrossRef]
- Miaoye, K. Influence of Double Internal Tooth Parameters on Hydraulic Performance of Labyrinth Irrigation Device. Master’s Thesis, Taiyuan University of Technology, Taiyuan, China, 2018. [Google Scholar]
- Fujun, W. Computational Fluid Dynamics Analysis-CFD Software Principle and Application; Tsinghua University Press: Beijing, China, 2004; Volume 1, pp. 7–12. [Google Scholar]
- Yongxin, L.; Guangyong, L.; Xiangyu, Q.; Wang, J. Modeling of hydraulic characteristics through labyrinth emitter in drip irrigation using computational fluid dynamics. Trans. CSAE 2005, 21, 12–16, (In Chinese with English Abstract). [Google Scholar]
- Wei, Q.; Shi, Y.; Dong, W.; Gang, L.; Huang, S. Study on hydraulic performance of drip emitters by computational fluid dynamics. Agric. Water Manag. 2006, 84, 130–136. [Google Scholar] [CrossRef]
- Zhichang, Z. Hydraulics, 2nd ed.; China Water & Power Press: Beijing, China, 2016; Volume 7, pp. 272–277. [Google Scholar]
- Feng, J.; Li, Y.; Wang, W.; Xue, S. Effect of optimization forms of flow path on emitter hydraulic and anti-clogging performance in drip irrigation system. Irrig. Sci. 2017, 36, 37–47. [Google Scholar] [CrossRef]












| Type | Internal Teeth Position | Schematic | Tooth Numbers |
|---|---|---|---|
| A | / | ![]() | 0 |
| B1 | vortex-free area | ![]() | 15 |
| B2 | vortex-free area | ![]() | 30 |
| B3 | vortex-free area | ![]() | 45 |
| C1 | vortex area | ![]() | 15 |
| C2 | vortex area | ![]() | 30 |
| C3 | vortex area | ![]() | 45 |
| D | / | ![]() | 0 |
| Method | Pressure Head (m) | ||||||||
|---|---|---|---|---|---|---|---|---|---|
| 5 | 7.5 | 10 | 12.5 | 15 | 17.5 | 20 | 22.5 | 25 | |
| Simulation results (L/h) | 1.99 | 2.42 | 2.76 | 3.06 | 3.32 | 3.58 | 3.80 | 4.08 | 4.21 |
| Experimental results (L/h) | 1.97 | 2.37 | 2.71 | 3.00 | 3.27 | 3.51 | 3.73 | 3.94 | 4.13 |
| Relative error | 1.02% | 2.11% | 1.85% | 2.00% | 1.53% | 1.99% | 1.88% | 2.03% | 1.94% |
| Type | k | x |
|---|---|---|
| A | 2.019 | 0.549 |
| B1 | 1.903 | 0.523 |
| B2 | 1.770 | 0.515 |
| B3 | 1.670 | 0.508 |
| C1 | 1.995 | 0.556 |
| C2 | 1.958 | 0.563 |
| C3 | 1.935 | 0.568 |
| D | 1.576 | 0.603 |
| Pressure Head/m | C3 | C2 | C1 | A | D | B1 | B2 | B3 |
|---|---|---|---|---|---|---|---|---|
| 6 | 0.507 | 0.504 | 0.501 | 0.494 | 0.466 | 0.424 | 0.382 | 0.351 |
| 8 | 0.447 | 0.445 | 0.441 | 0.434 | 0.416 | 0.370 | 0.332 | 0.305 |
| 10 | 0.406 | 0.404 | 0.400 | 0.392 | 0.381 | 0.332 | 0.298 | 0.273 |
| 12 | 0.375 | 0.373 | 0.369 | 0.361 | 0.354 | 0.305 | 0.273 | 0.250 |
| 14 | 0.351 | 0.348 | 0.344 | 0.337 | 0.333 | 0.283 | 0.253 | 0.231 |
| Type | Vortex Numbers | Total Vortex Area/mm2 | Total Vortex Intensity |
|---|---|---|---|
| A | 2 | 1.480 | 1.689 |
| B1 | 5 | 4.970 | 4.790 |
| B2 | 8 | 9.498 | 6.787 |
| B3 | 8 | 9.536 | 7.125 |
| C1 | 5 | 0.720 | 1.020 |
| D | 2 | 1.790 | 1.815 |
Publisher’s Note: MDPI stays neutral with regard to jurisdictional claims in published maps and institutional affiliations. |
© 2021 by the authors. Licensee MDPI, Basel, Switzerland. This article is an open access article distributed under the terms and conditions of the Creative Commons Attribution (CC BY) license (https://creativecommons.org/licenses/by/4.0/).
Share and Cite
Wang, C.; Li, Z.; Ma, J. Influence of Emitter Structure on Its Hydraulic Performance Based on the Vortex. Agriculture 2021, 11, 508. https://doi.org/10.3390/agriculture11060508
Wang C, Li Z, Ma J. Influence of Emitter Structure on Its Hydraulic Performance Based on the Vortex. Agriculture. 2021; 11(6):508. https://doi.org/10.3390/agriculture11060508
Chicago/Turabian StyleWang, Cuncai, Zhiqin Li, and Juanjuan Ma. 2021. "Influence of Emitter Structure on Its Hydraulic Performance Based on the Vortex" Agriculture 11, no. 6: 508. https://doi.org/10.3390/agriculture11060508
APA StyleWang, C., Li, Z., & Ma, J. (2021). Influence of Emitter Structure on Its Hydraulic Performance Based on the Vortex. Agriculture, 11(6), 508. https://doi.org/10.3390/agriculture11060508








