A Snake-Like Robot with Envelope Wheels and Obstacle-Aided Gaits
Abstract
1. Introduction
2. Methods
2.1. Passive Wheels and DOF Setting
2.1.1. Envelope Wheels
2.1.2. DOF Setting of Joints
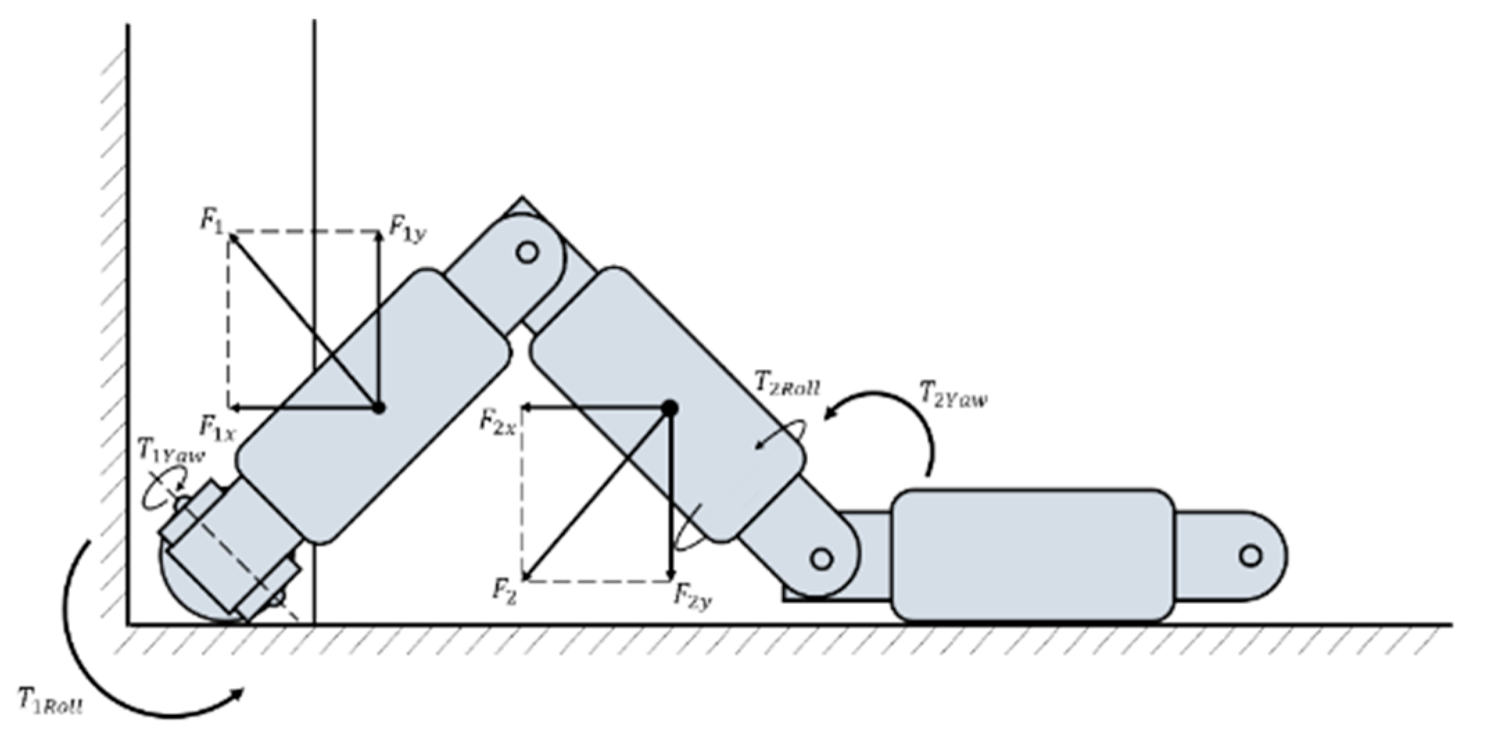
2.1.3. Advantages of Design
- Each module has three degrees of freedom of yawing, rolling, and telescoping, improving the movement ability greatly, which is conducive to the development of complex gaits and the cooperation and switching of multiple gaits.
- The envelope wheels enable the robot to keep at least one wheel contacting the terrain, which makes it possible to continue the movement relying on the frictions from obstacles when the robot cannot keep close to the ground. This enormously improves the terrain adaptability.
- The combination of rolling–yawing joints allows the robot to cope with abnormal conditions such as rollover flexibly. This DOF setting shows favorable fit with the envelope wheels.
2.2. Modular Design of Robot
2.2.1. Joint Mechanism
2.2.2. Electrical System
2.2.3. Articulation Module and Prototype
2.3. Control System
2.3.1. Control Command Code
2.3.2. Gaits Design
Obstacle-Aided Concertina Gait
Obstacle-Aided Gaits through Narrow Corner
Recovery from Rollover
3. Experiments and Results
3.1. Obstacle-Aided Gaits
3.2. Recovery from Rollover
3.3. Verification of Gaits
4. Conclusions and Discussion
Supplementary Materials
Author Contributions
Funding
Conflicts of Interest
References
- Neumann, M.; Predki, T.; Heckes, L.; Labenda, P. Snake-like, tracked, mobile robot with active flippers for urban search-and-rescue tasks. Ind. Robot Int. J. 2013, 40, 246–250. [Google Scholar] [CrossRef]
- Liljebäck, P.; Pettersen, K.Y.; Stavdahl, Ø.; Gravdahl, J.T. A review on modelling, implementation, and control of snake robots. Robot. Auton. Syst. 2012, 60, 29–40. [Google Scholar] [CrossRef]
- Takaoka, S.; Yamada, H.; Hirose, S. Snake-like active wheel robot ACM-R4. 1 with joint torque sensor and limiter. In Proceedings of the 2011 IEEE/RSJ International Conference on Intelligent Robots and Systems, San Francisco, CA, USA, 25–30 September 2011; pp. 1081–1086. [Google Scholar]
- Ohashi, T.; Yamada, H.; Hirose, S. Loop forming snake-like robot ACM-R7 and its serpenoid oval control. In Proceedings of the 2010 IEEE/RSJ International Conference on Intelligent Robots and Systems, Taipei, Taiwan, 18–22 October 2010; pp. 413–418. [Google Scholar]
- Mori, M.; Hirose, S. Three-dimensional serpentine motion and lateral rolling by active cord mechanism ACM-R3. In Proceedings of the IEEE/RSJ International Conference on Intelligent Robots and Systems, Lausanne, Switzerland, 30 September–4 October 2002; pp. 829–834. [Google Scholar]
- Hirose, S. Biologically Inspired Robots: Snake-Like Locomotors and Manipulators; Oxford University Press: Oxford, UK, 1993; Volume 1093. [Google Scholar]
- Hirose, S.; Yamada, H. Snake-like robots [tutorial]. IEEE Robot. Autom. Mag. 2009, 16, 88–98. [Google Scholar] [CrossRef]
- Komura, H.; Yamada, H.; Hirose, S. Development of snake-like robot ACM-R8 with large and mono-tread wheel. Adv. Robot. 2015, 29, 1081–1094. [Google Scholar] [CrossRef]
- Yu, S.; Ma, S.; Li, B.; Wang, Y. An amphibious snake-like robot with terrestrial and aquatic gaits. In Proceedings of the 2011 IEEE International Conference on Robotics and Automation, Shanghai, China, 9–13 May 2011; pp. 2960–2961. [Google Scholar]
- Wu, X.; Ma, S. Development of a sensor-driven snake-like robot SR-I. In Proceedings of the 2011 IEEE International Conference on Information and Automation, Shenzhen, China, 6–8 June 2011; pp. 157–162. [Google Scholar]
- Wang, K.; Ma, S. Kinematic analysis of snake-like robot using sliding joints. In Proceedings of the 2010 IEEE International Conference on Robotics and Biomimetics, Tianjin, China, 14–18 December 2010; pp. 1484–1489. [Google Scholar]
- Tian, Y.; Matsuno, T.; Ma, S. Development of remote robot control system for snake-like robot based on SSH protocol and iOS system. In Proceedings of the 2016 IEEE International Conference on Robotics and Biomimetics (ROBIO), Qingdao, China, 3–7 December 2016; pp. 100–105. [Google Scholar]
- Tian, Y.; Gomez, V.; Ma, S. Influence of two SLAM algorithms using serpentine locomotion in a featureless environment. In Proceedings of the 2015 IEEE International Conference on Robotics and Biomimetics (ROBIO), Zhuhai, China, 6–9 December 2015; pp. 182–187. [Google Scholar]
- Tang, W.; Reyes, F.; Ma, S. Study on rectilinear locomotion based on a snake robot with passive anchor. In Proceedings of the 2015 IEEE/RSJ International Conference on Intelligent Robots and Systems (IROS), Hamburg, Germany, 28 September–2 October 2015; pp. 950–955. [Google Scholar]
- Tang, W.; Ma, S. Analysis of rectilinear motion of a three-segment snake robot under action of dry friction. In Proceedings of the 2015 IEEE International Conference on Robotics and Automation (ICRA), Seattle, WA, USA, 26–30 May 2015; pp. 3723–3728. [Google Scholar]
- Reyes, F.; Ma, S. Studying slippage on pushing applications with snake robots. Robot. Biomim. 2017, 4, 9. [Google Scholar] [CrossRef] [PubMed]
- Wright, C.; Johnson, A.; Peck, A.; McCord, Z.; Naaktgeboren, A.; Gianfortoni, P.; Gonzalez-Rivero, M.; Hatton, R.; Choset, H. Design of a modular snake robot. In Proceedings of the 2007 IEEERSJ International Conference on Intelligent Robots and Systems, San Diego, CA, USA, 29 Octocber–2 November 2007; pp. 2609–2614. [Google Scholar]
- Ariizumi, R.; Matsuno, F. Dynamic analysis of three snake robot gaits. IEEE Trans. Robot. 2017, 33, 1075–1087. [Google Scholar] [CrossRef]
- Hu, Y.; Zhang, L.; Li, W.; Yang, G.-Z. Design and Fabrication of a 3-D Printed Metallic Flexible Joint for Snake-Like Surgical Robot. IEEE Robot. Autom. Lett. 2019, 4, 1557–1563. [Google Scholar] [CrossRef]
- Chen, G.; Bing, Z.; Roehrbein, F.; Conradt, J.; Huang, K.; Cheng, L.; Jiang, Z.; Knoll, A. Efficient brain-inspired learning with the neuromorphic snake-like robot and the neurorobotic platform. IEEE Trans. Cogn. Dev. Syst. 2017, 11, 1–12. [Google Scholar] [CrossRef]
- Fracczak, L.; Bryl-Nagórska, B.; Żak, P. A simulation of snake-like robot module bending by transverse artificial muscles. In Proceedings of the 2018 18th International Conference on Mechatronics-Mechatronika (ME), Brno, Czech Republic, 5–7 December 2018; pp. 1–5. [Google Scholar]
- Kelasidi, E.; Liljebäck, P.; Pettersen, K.Y.; Gravdahl, J.T. Integral line-of-sight guidance for path following control of underwater snake robots: Theory and experiments. IEEE Trans. Robot. 2017, 33, 610–628. [Google Scholar] [CrossRef]
- Nansai, S.; Suzuki, Y.; Iwase, M.; Izutsu, M.; Hatakeyama, S. Development of snake-like robot with rotational elastic actuators. In Proceedings of the 2011 11th International Conference on Control, Automation and Systems, KINTEX, Korea, 26–29 October 2011; pp. 19–24. [Google Scholar]
- Bayraktaroglu, Z.Y. Snake-like locomotion: Experimentations with a biologically inspired wheel-less snake robot. Mech. Mach. Theory 2009, 44, 591–602. [Google Scholar] [CrossRef]
- Takemori, T.; Tanaka, M.; Matsuno, F. Gait design for a snake robot by connecting curve segments and experimental demonstration. IEEE Trans. Robot. 2018, 34, 1384–1391. [Google Scholar] [CrossRef]
- Transeth, A.A.; Leine, R.I.; Glocker, C.; Pettersen, K.Y.; Liljebäck, P. Snake robot obstacle-aided locomotion: Modeling, simulations, and experiments. IEEE Trans. Robot. 2008, 24, 88–104. [Google Scholar] [CrossRef]
- Omisore, O.M.; Han, S.; Ren, L.; Zhao, Z.; Al-Handarish, Y.; Igbe, T.; Wang, L. A teleoperated snake-like robot for minimally invasive radiosurgery of gastrointestinal tumors. In Proceedings of the 2018 IEEE International Conference on Autonomous Robot Systems and Competitions (ICARSC), Torres Vedras, Portugal, 25–27 April 2018; pp. 123–129. [Google Scholar]
- Guo, X.; Zhu, W.; Fang, Y. Guided Motion Planning for Snake-like Robots Based on Geometry Mechanics and HJB Equation. IEEE Trans. Ind. Electron. 2018, 66, 7120–7130. [Google Scholar] [CrossRef]
- Luo, M.; Yan, R.; Wan, Z.; Qin, Y.; Santoso, J.; Skorina, E.H.; Onal, C.D. OriSnake: Design, fabrication, and experimental analysis of a 3-D origami snake robot. IEEE Robot. Autom. Lett. 2018, 3, 1993–1999. [Google Scholar] [CrossRef]
- Rollinson, D.; Bilgen, Y.; Brown, B.; Enner, F.; Ford, S.; Layton, C.; Rembisz, J.; Schwerin, M.; Willig, A.; Velagapudi, P.; et al. Design and architecture of a series elastic snake robot. In Proceedings of the 2014 IEEERSJ International Conference on Intelligent Robots and Systems (IROS 2014), Chicago, IL, USA, 14–18 September 2014; pp. 4630–4636. [Google Scholar]
- Shunsuke, N.; Iwase, M.; Itoh, H. Generalized Singularity Analysis of Snake-Like Robot. Appl. Sci. 2018, 8, 1873. [Google Scholar]
- Wang, K.; Gao, W.; Ma, S. Snake-like robot with fusion gait for high environmental adaptability: Design, modeling, and experiment. Appl. Sci. 2017, 7, 1133. [Google Scholar] [CrossRef]





















| Labels | Part Name | Properties |
|---|---|---|
| 1 | Supporting mount | PLA & SLA |
| 2 | Guide bars | Chromed steel |
| 3 | Envelope wheels | SLA |
| 4 | Support bearings | Stainless steel |
| 5 | Length of a module (mm) | 290 |
| 6 | Length of telescopic joint (mm) | 30 |
| 7 | Diameter with wheels (mm) | 140 |
| 8 | Diameter without wheels (mm) | 110 |
| 9 | Single module quality (g) | 950 |
| Motors | Range | Torque | Velocity |
|---|---|---|---|
| Yawing motor | ±90° Servo | 5 rad/s | |
| Rolling motor | ±140° Servo | 5 rad/s | |
| Telescoping motor | 360° Servo | 5 r/min |
© 2019 by the authors. Licensee MDPI, Basel, Switzerland. This article is an open access article distributed under the terms and conditions of the Creative Commons Attribution (CC BY) license (http://creativecommons.org/licenses/by/4.0/).
Share and Cite
Wang, K.; Ma, Y.; Shan, H.; Ma, S. A Snake-Like Robot with Envelope Wheels and Obstacle-Aided Gaits. Appl. Sci. 2019, 9, 3749. https://doi.org/10.3390/app9183749
Wang K, Ma Y, Shan H, Ma S. A Snake-Like Robot with Envelope Wheels and Obstacle-Aided Gaits. Applied Sciences. 2019; 9(18):3749. https://doi.org/10.3390/app9183749
Chicago/Turabian StyleWang, Kundong, Youwei Ma, Haoxuan Shan, and Shugen Ma. 2019. "A Snake-Like Robot with Envelope Wheels and Obstacle-Aided Gaits" Applied Sciences 9, no. 18: 3749. https://doi.org/10.3390/app9183749
APA StyleWang, K., Ma, Y., Shan, H., & Ma, S. (2019). A Snake-Like Robot with Envelope Wheels and Obstacle-Aided Gaits. Applied Sciences, 9(18), 3749. https://doi.org/10.3390/app9183749

