A New Maximum Power Point Estimator Control Strategy to Maximize Output Power of the Double Stator Permanent Magnet Generator
Abstract
:1. Introduction
2. System on Power Generation using Double-Stator Generator
2.1. Power Mapping of Double-Stator Permanent Magnet Generator
2.2. Extraction of the Best Curve Fit and the Methodology in Designing the Estimator for the Controller
2.3. Conversion of Power Mapping to v-i (voltage-current), v-p (voltage-power) Characteristics
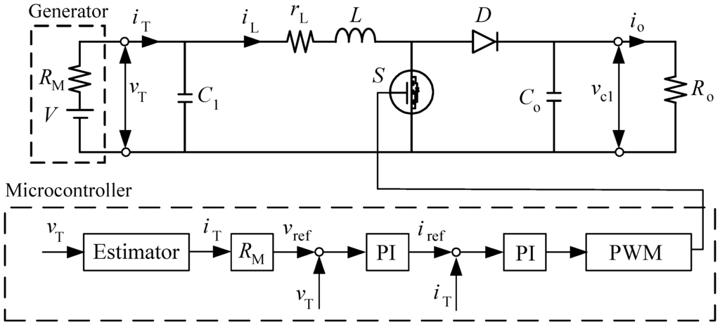
3. Maximum Power Point Estimator
3.1. Modeling of Power Generation Unit
3.2. Evaluation of the Estimator Characteristics for the Double-Stator Generator
4. Experimental Evaluation of the New Estimator
5. Conclusions
Acknowledgments
Author Contributions
Conflicts of Interest
References
- Hill, C.I.; Zanchetta, P.; Bozhko, S.V. Accelerated Electromechanical Modeling of a Distributed Internal Combustion Engine Generator Unit. Energies 2012, 5, 2232–2247. [Google Scholar] [CrossRef]
- Wang, M.-H.; Huang, M.-L.; Jiang, W.-J. Maximum Power Point Tracking and Harmonic Reducing Control Method for Generator-Based Exercise Equipment. Energies 2016, 9, 103. [Google Scholar] [CrossRef]
- Zhang, J.; Moreau, L.; Machmoum, M. Optimal control strategies of a double stator permanent magnet generator applied in tidal current energy extracting. In Proceedings of the Symposium De Génie Électrique (SGE’14): EF-EPF-MGE 2014, Cachan, France, 8–9 July 2014.
- Dubensky, A.A.; Kovalev, K.L.; Larionoff, A.E.; Modestov, K.A.; Penkin, V.T.; Poltavets, V.N. An Outlook of the Use of Cryogenic Electric Machines Onboard Aircraft. IEEE Appl. Trans. Supercond. 2016, 26, 1–4. [Google Scholar] [CrossRef]
- Chen, L.; Hopkinson, D.; Wang, J.; Cockburn, A.; Sparkes, M.; O’Neill, W. Reduced Dysprosium Permanent Magnets and Their Applications in Electric Vehicle Traction Motors. IEEE Trans. Magn. 2015, 51, 1–4. [Google Scholar]
- Norhisam, M.; Nazifah, A.; Aris, I.; Wakiwaka, H.; Nirei, M. Effect of magnet size on torque characteristic of three phase permanent magnet brushless DC motor. In Proceedings of the 2010 IEEE Student Conference on Research and Development—Engineering: Innovation and Beyond (SCOReD), Putrajaya, Malaysia, 13–14 December 2010; pp. 293–296.
- Aravind, C.V.; Norhisam, M.; Aris, I.; Marhaban, M.H.; Ahmad, D.; Nirei, M. Double-Rotor Switched Reluctance Machine (DRSRM): Fundamentals and magnetic circuit analysis. In Proceedings of the 2011 IEEE Student Conference on Research and Development (SCOReD), Cyberjaya, Malaysia, 19–20 December 2011; pp. 294–299.
- Norhisam, M.; Alias, K.; Firdaus, R.N.; Mahmod, S.; Mariun, N.; Razak, J.A. Comparison on thrust characteristic of linear oscillatory actuators. In Proceedings of the IEEE International Power and Energy Conference, Putra Jaya, Malaysia, 28–29 November 2006; pp. 470–475.
- Norhisam, M.; Wong, K.C.; Mariun, N.; Wakiwaka, H. Double side interior permanent magnet linear synchronous motor and drive system. In Proceedings of the International Conference on Power Electronics and Drive Systems, Honolulu, HI, USA, 12–15 December 2005; pp. 1370–1373.
- Yu, C.; Niu, S.; Ho, S.L.; Fu, W.N. Design and Analysis of a Magnetless Double-Rotor Flux Switching Motor for Low Cost Application. IEEE Trans. Magn. 2014, 50, 1–4. [Google Scholar] [CrossRef]
- Djebarri, S.; Charpentier, J.F.; Scuiller, F.; Benbouzid, M. Design and Performance Analysis of Double Stator Axial Flux PM Generator for Rim Driven Marine Current Turbines. IEEE J. Ocean. Eng. 2016, 41, 50–66. [Google Scholar]
- Vaithilingam, C.A.; Misron, N.; Zare, M.R.; Aris, I.; Marhaban, M.H. Computation of Electromagnetic Torque in a Double Rotor Switched Reluctance Motor Using Flux Tube Methods. Energies 2012, 5, 4008–4026. [Google Scholar] [CrossRef]
- Nordin, N.I.A.A.; Ariffin, H.; Andou, Y.; Hassan, M.A.; Shirai, Y.; Nishida, H.; Yunus, W.M.Z.W.; Karuppuchamy, S.; Ibrahim, N.A. Modification of Oil Palm Mesocarp Fiber Characteristics Using Superheated Steam Treatment. Molecules 2013, 18, 9132–9146. [Google Scholar] [CrossRef] [PubMed]
- Aravind, C.V.; Norhisam, M.; Suresh, K.M.; Ramesh, G.P. Assessment on the Harnessing of the Energy from the Back Pressure Chamber of Palm Oil Mill. J. Sci. Technol. 2015, 10, 46–56. [Google Scholar]
- Misron, N.B.; Rizuan, S.; Firdaus, R.N.; Vaithilingam, C.A.; Wakiwaka, H.; Nirei, M. Comparative evaluation on power-speed density of portable permanent magnet generators for agricultural application. Prog. Electromagn. Res. 2012, 129, 345–363. [Google Scholar]
- Aravind, C.V.; Grace, I.; Rozita, T.; Rajparthiban, R.; Rajprasad, R.; Wong, Y.V. Universal computer aided design for electrical machines. In Proceedings of the 2012 IEEE 8th International Colloquium on Signal Processing and Its Applications (CSPA), Melaka, Malaysia, 23–25 March 2012; pp. 99–104.
- Ou, T.C.; Hong, C.M. Dynamic operation and control of microgrid hybrid power systems. Energy 2014, 66, 1314–1323. [Google Scholar] [CrossRef]
- Yamada, H.; Kimura, K.; Hanamoto, T. A Novel MPPT Control Method of Thermoelectric Power Generation with Single Sensor. Appl. Sci. 2013, 3, 545–558. [Google Scholar] [CrossRef]
- Hong, C.M.; Ou, T.C.; Lu, K.H. Development of intelligent MPPT (maximum power point tracking) control for a grid-connected hybrid power generation system. Energy 2013, 50, 270–279. [Google Scholar] [CrossRef]
- Ou, T.C.; Chuang, S.J.; Hong, C.M.; Wu, R.C.; Tsao, T.P.; Chen, C.Y. Self-regulation Ground Faults Model for Microgrid Distribution. ICIC Express Lett. Part B Appl. 2015, 6, 3225–3230. [Google Scholar]
- Ou, T.C. A novel unsymmetrical faults analysis for microgrid distribution systems. Int. J. Electr. Power Energy Syst. 2012, 43, 1017–1024. [Google Scholar] [CrossRef]
- Ou, T.C. Ground fault current analysis with a direct building algorithm for microgrid distribution. Int. J. Electr. Power Energy Syst. 2013, 53, 867–875. [Google Scholar] [CrossRef]
- Chen, J.-H.; Yau, H.-T.; Lu, J.-H. Implementation of FPGA-Based Charge Control for a Self-Sufficient Solar Tracking Power Supply System. Appl. Sci. 2016, 6, 41. [Google Scholar] [CrossRef]
- Valencia, P.A.O.; Ramos-Paja, C.A. Sliding-Mode Controller for Maximum Power Point Tracking in Grid-Connected Photovoltaic Systems. Energies 2015, 8, 12363–12387. [Google Scholar] [CrossRef]
- Phan, D.-C.; Yamamoto, S. Maximum Energy Output of a DFIG Wind Turbine Using an Improved MPPT-Curve Method. Energies 2015, 8, 11718–11736. [Google Scholar] [CrossRef]
- Zhu, Y.; Cheng, M.; Hua, W.; Wang, W. A Novel Maximum Power Point Tracking Control for Permanent Magnet Direct Drive Wind Energy Conversion Systems. Energies 2012, 5, 1398–1412. [Google Scholar] [CrossRef]
- Arango, E.; Ramos-Paja, C.A.; Calvente, J.; Giral, R.; Serna, S. Asymmetrical Interleaved DC/DC Switching Converters for Photovoltaic and Fuel Cell Applications—Part 1: Circuit Generation, Analysis and Design. Energies 2012, 5, 4590–4623. [Google Scholar] [CrossRef]
- Lin, W.M.; Hong, C.M.; Ou, C.; Chiu, T.M. Hybrid Intelligent Control of PMSG wind Generation System Using Pitch Angle Control with RBFN. Energy Convers. Manag. 2011, 52, 1244–1251. [Google Scholar] [CrossRef]
- Tseng, S.-Y.; Wang, H.-Y. A Photovoltaic Power System Using a High Step-up Converter for DC Load Applications. Energies 2013, 6, 1068–1100. [Google Scholar] [CrossRef]
- Duong, T.P.; Lee, J.-W. A Dynamically Adaptable Impedance-Matching System for Midrange Wireless Power Transfer with Misalignment. Energies 2015, 8, 7593–7617. [Google Scholar] [CrossRef]











| Item | Symbol | Unit | Value |
|---|---|---|---|
| DC capacitor | CRec | (μF) | 4700 |
| DC filter inductor | L1 | (mH) | 1 |
| DC output capacitor | CA | (μF) | 470 |
| DC resistor | RDC | (Ω) | 30 |
| Boost inductor | L2, L3 | (mH) | 1 |
| DC capacitor | CB | (μF) | 10 |
| DC capacitor | CC | (μF) | 1000 |
| AC filter inductor | Lf | (mH) | 1 |
| AC filter capacitor | Cf | (μF) | 10 |
| AC resistor | RAC | (Ω) | 384 |
© 2016 by the authors; licensee MDPI, Basel, Switzerland. This article is an open access article distributed under the terms and conditions of the Creative Commons Attribution (CC-BY) license (http://creativecommons.org/licenses/by/4.0/).
Share and Cite
Misron, N.; Aravind Vaithilingam, C.; Mailah, N.F.; Masaya, K.; Hanamoto, T. A New Maximum Power Point Estimator Control Strategy to Maximize Output Power of the Double Stator Permanent Magnet Generator. Appl. Sci. 2016, 6, 218. https://doi.org/10.3390/app6080218
Misron N, Aravind Vaithilingam C, Mailah NF, Masaya K, Hanamoto T. A New Maximum Power Point Estimator Control Strategy to Maximize Output Power of the Double Stator Permanent Magnet Generator. Applied Sciences. 2016; 6(8):218. https://doi.org/10.3390/app6080218
Chicago/Turabian StyleMisron, Norhisam, Chockalingam Aravind Vaithilingam, Nashiren Farzilah Mailah, Kudo Masaya, and Tsuyoshi Hanamoto. 2016. "A New Maximum Power Point Estimator Control Strategy to Maximize Output Power of the Double Stator Permanent Magnet Generator" Applied Sciences 6, no. 8: 218. https://doi.org/10.3390/app6080218
APA StyleMisron, N., Aravind Vaithilingam, C., Mailah, N. F., Masaya, K., & Hanamoto, T. (2016). A New Maximum Power Point Estimator Control Strategy to Maximize Output Power of the Double Stator Permanent Magnet Generator. Applied Sciences, 6(8), 218. https://doi.org/10.3390/app6080218

