Influence of Selected Parameters of Medium-Voltage Network on the Value of Voltage Asymmetry Factors
Abstract
1. Introduction
- Unbalanced loading on individual phases of a three-phase circuit, which is more often the case on low-voltage networks;
- Unbalanced generation from single-phase sources, especially small wind and photovoltaic power plants in low-voltage networks;
- The asymmetrical construction of power lines, consisting mainly of asymmetrical earth capacities, particularly in the case of medium-voltage overhead lines;
- The method and parameters for earthing the neutral point of the medium-voltage grid.
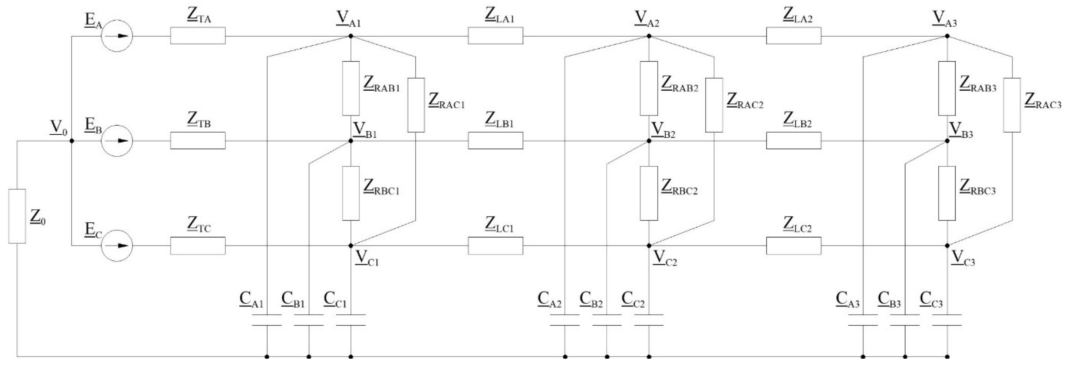
2. Materials and Methods
3. Results and Discussion
4. Conclusions
Author Contributions
Funding
Institutional Review Board Statement
Informed Consent Statement
Data Availability Statement
Conflicts of Interest
References
- Rafał, K.; Biskupski, J.; Bykuć, S.; Chaja, P. Dynamic Voltage Regulation and Unbalance Compensation in a Low-Voltage Distribution Network Using Energy Storage System. Appl. Sci. 2022, 12, 11678. [Google Scholar] [CrossRef]
- Larina, Y.; Galchynska, J.; Kucheruk, P.; Zghurska, O.; Ortina, G.; Al-Nadzhar, F.; Marusei, T.; Kubon, M.; Dzieniszewski, G. Estimation of the Domestic Agricultural Sector Potential for the Growth of Energy Cultures for Bioenergy Fuel Production. Agric. Eng. 2021, 25, 73–82. [Google Scholar] [CrossRef]
- Zajkowski, K.; Duer, S.; Paś, J.; Pokorádi, L. Cooperation of a Non-Linear Receiver with a Three-Phase Power Grid. Energies 2023, 16, 1418. [Google Scholar] [CrossRef]
- Zajkowski, K.; Duer, S. Decomposition of the Voltages in a Three-Phase Asymmetrical Circuit with a Non-Sinusoidal Voltage Source. Energies 2023, 16, 7616. [Google Scholar] [CrossRef]
- Olczykowski, Z. Electric Arc Furnaces as a Cause of Current and Voltage Asymmetry. Energies 2021, 14, 5058. [Google Scholar] [CrossRef]
- Möller, F.; Meyer, J. Survey of voltage unbalance and unbalanced power in German public LV networks. In Proceedings of the 2022 20th International Conference on Harmonics & Quality of Power (ICHQP), Naples, Italy, 29 May–1 June 2022. [Google Scholar] [CrossRef]
- Hołdyński, G.; Skibko, Z.; Firlit, A.; Walendziuk, W. Analysis of the Impact of a Photovoltaic Farm on Selected Parameters of Power Quality in a Medium-Voltage Power Grid. Energies 2024, 17, 623. [Google Scholar] [CrossRef]
- Al-Shetwi, A.Q.; Hannan, M.A.; Jern, K.P.; Alkahtani, A.A.; PG Abas, A.E. Power Quality Assessment of Grid-Connected PV System in Compliance with the Recent Integration Requirements. Electronics 2020, 9, 366. [Google Scholar] [CrossRef]
- Skibko, Z.; Tymińska, M.; Romaniuk, W.; Borusiewicz, A. Impact of the Wind Turbine on the Parameters of the Electricity Supply to an Agricultural Farm. Sustainability 2021, 13, 7279. [Google Scholar] [CrossRef]
- Hołdyński, G.; Skibko, Z.; Borusiewicz, A. Analysis of the Influence of Load on the Value of Zero-Voltage Asymmetry in Medium-Voltage Networks Operating with Renewable Energy Sources. Energies 2023, 16, 580. [Google Scholar] [CrossRef]
- Roy, R.B.; Alahakoon, A.; Arachchillage, S.J. Grid impacts of uncoordinated fast charging of electric ferry. Batteries 2021, 7, 13. [Google Scholar] [CrossRef]
- Rodríguez-Pajarón, P.; Hernández, A.; Jovica, V.; Milanović, J.V. Probabilistic assessment of the impact of electric vehicles and nonlinear loads on power quality in residential networks. Int. J. Electron. Power Energy Syst. 2021, 129, 106807. [Google Scholar] [CrossRef]
- Bozalakov, D.; Mnati, M.J.; Laveyne, J.; Desmet, J.; Vandevelde, L. Battery storage integration in voltage unbalance and overvoltage mitigation control strategies and its impact on the power quality. Energies 2019, 12, 1501. [Google Scholar] [CrossRef]
- Ghosh, S.; Rahman, S.; Pipattanasomporn, M. Distribution Voltage Regulation Through Active Power Curtailment With PV Inverters and Solar Generation Forecasts. IEEE Trans. Sustain. Energy 2017, 8, 13–22. [Google Scholar] [CrossRef]
- Nejabatkhah, F.; Li, Y.W. Flexible Unbalanced Compensation of Three-Phase Distribution System Using Single-Phase Distributed Generation Inverters. IEEE Trans. Smart Grid 2017, 10, 1845–1857. [Google Scholar] [CrossRef]
- Kaur, M.; Ghosh, S. Effective Loss Minimization and Allocation of Unbalanced Distribution Network. Energies 2017, 10, 1931. [Google Scholar] [CrossRef]
- Prístavka, M.; Findura, P.; Beloev, I.; Kuboń, M.; Hrdá, V.; Kovalyshyn, S.; Shchur, T. Verification of the Measurement System in a Production Organization. Agric. Eng. 2022, 26, 81–90. [Google Scholar] [CrossRef]
- Shigenobu, R.; Nakadomari, A.; Hong, Y.-Y.; Mandal, P.; Takahashi, H.; Senjyu, T. Optimization of Voltage Unbalance Compensation by Smart Inverter. Energies 2020, 13, 4623. [Google Scholar] [CrossRef]
- Weckx, S.; Driesen, J. Load balancing with EV chargers and PV inverters in unbalanced distribution grids. IEEE Trans. Sustain. Energy 2015, 6, 635–643. [Google Scholar] [CrossRef]
- Ciontea, C.I.; Iov, F. A Study of Load Imbalance Influence on Power Quality Assessment for Distribution Networks. Electricity 2021, 2, 77–90. [Google Scholar] [CrossRef]
- Kahingala, T.D.; Perera, S.; Agalgaonkar, A.P.; Jayatunga, U. Determining the Impact of Line Asymmetries on Network Voltage Unbalance based on Balanced Load Flow Studies. In Proceedings of the 2018 Australasian Universities Power Engineering Conference (AUPEC), Auckland, New Zealand, 27–30 November 2018. [Google Scholar] [CrossRef]
- Kuliński, K.; Heyduk, A. Ground Fault in Medium-Voltage Power Networks with an Isolated Neutral Point: Spectral and Wavelet Analysis of Selected Cases in an Example Industrial Network Modeled in the ATP-EMTP Package. Energies 2024, 17, 1532. [Google Scholar] [CrossRef]
- Sołjan, Z.; Hołdyński, G.; Zajkowski, M. CPC-Based Minimizing of Balancing Compensators in Four-Wire Nonsinusoidal Asymmetrical Systems. Energies 2021, 14, 1815. [Google Scholar] [CrossRef]
- Lin, X.; Chen, H.; Xu, K.; Xu, J. Time Estimation Algorithm of Single-Phase-to-Ground Fault Based on Two-Step Dimensionality Reduction. Energies 2023, 16, 4921. [Google Scholar] [CrossRef]
- Hołdyński, G.; Skibko, Z. Influence of neutral point work on the voltage asymmetry in MV power network. Przegląd Elektrotechniczny 2013, 9, 190–192. (In Polish) [Google Scholar]
- Toader, D.; Greconici, M.; Vesa, D.; Vintan, M.; Solea, C.; Maghet, A.; Tatai, I. The Influence of the Characteristics of the Medium Voltage Network on the Single Line-to-Ground Fault Current in the Resistor Grounded Neutral Networks. Designs 2021, 5, 53. [Google Scholar] [CrossRef]
- Şolea, C.; Toader, D.; Vintan, M.; Greconici, M.; Vesa, D.; Tatai, I. The influence of insulation active power losses on the single line-to-ground fault in medium voltage electrical networks with resonant grounding. In Proceedings of the 10th International Conference on Modern Power Systems (MPS), Cluj-Napoca, Romania, 21–23 June 2023. [Google Scholar]
- Yang, D.; Lu, B.; Lu, H. High-Resistance Grounding Fault Detection and Line Selection in Resonant Grounding Distribution Network. Electronics 2023, 12, 4066. [Google Scholar] [CrossRef]
- EN 50160; Voltage Characteristics of Electricity Supplied by Public Electricity Networks. CENELEC: Brussels, Belgium, 2022.
- Lorenc, J.; Staszak, B.; Handke, J. Modified method of the automated earth fault compensation in mv network with earth fault asymmetry. Zesz. Nauk. Wydziału Elektrotechniki Autom. PG 2017, 53, 65–69. [Google Scholar]
- Zhang, F.; Xue, Y.; Li, G.; Xu, B. A Method for Measuring and Adjusting the Detuning of Resonant Grounding Systems With Transient Information After Arc Extinction. IEEE Trans. Power Deliv. 2023, 38, 496–504. [Google Scholar] [CrossRef]
- Sadeh, J.; Bakhshizadeh, E.; Kazemzadeh, R. A new fault location algorithm for radial distribution systems using modal analysis. Int. J. Electr. Power Energy Syst. 2013, 45, 271–278. [Google Scholar] [CrossRef]
- Guo, Z.; Yao, J.; Yang, S.; Zhang, H.; Mao, T.; Dong, T. A new method for non-unit protection of power transmission lines based on fault resistance and fault angle reduction. Int. J. Electr. Power Energy Syst. 2014, 55, 760–769. [Google Scholar] [CrossRef]
- Hołdyński, G.; Skibko, Z.; Walendziuk, W. Power and Energy Losses in Medi-um-Voltage Power Grids as a Function of Current Asymmetry—An Example from Po-land. Energies 2024, 17, 3706. [Google Scholar] [CrossRef]
- Marciniak, L. Asymmetry parameters for zero sequence component in medium voltage networks. Prz. Elektrotechniczny 2020, 96, 25. [Google Scholar] [CrossRef]
- Raunig, C.; Schmautzer, E.; Fickert, L.; Achleitner, G.; Obkircher, C. Displacement voltages in resonant grounded grids caused by capacitive coupling. In Proceedings of the CIRED 2009—20th International Conference and Exhibition on Electricity Distribution—Part 1, Prague, Czech Republic, 8–11 June 2009; pp. 1–4. [Google Scholar] [CrossRef]
- Raunig, C.; Obkircher, C.; Achleitner, G.; Schmautzer, E.; Fickert, L. Calculation of neutral to earth voltage levels in compensated high voltage networks influenced by cross coupling. In Proceedings of the 2008 Power Quality and Supply Reliability Conference, Parnu, Estonia, 27–29 August 2008; pp. 151–156. [Google Scholar] [CrossRef]
- Lorenc, J.; Staszak, B.; Handke, J. Ground Fault Compensation Effectiveness Conditions in MV Grids with Significant To-Ground Unbalance. Acta Energetica 2018, 37, 81–87. [Google Scholar]
- Andruszkiewicz, J.; Lorenc, J.; Olejnik, B.; Weychan, A.; Staszak, B. Method of Reducing the Effects of Repeated Ignition during Earth Faults in Compensated Medium Voltage Networks. Energies 2024, 17, 93. [Google Scholar] [CrossRef]





















| Parameter | Value | Unit |
|---|---|---|
| Impedance ZTA | 0.0848 + j1.7829 | Ω |
| Impedance ZTB | 0.0848 + j1.7829 | Ω |
| Impedance ZTC | 0.0848 + j1.7829 | Ω |
| Parameter | Value | Unit | ||
|---|---|---|---|---|
| Cross-section | 35 | 50 | 70 | mm2 |
| Impedance ZLA | 0.9005 + j0.7895 | 0.6545 + j0.7788 | 0.4886 + j0.7688 | Ω/km |
| Impedance ZLB | 0.9005 + j0.7895 | 0.6545 + j0.7788 | 0.4886 + j0.7688 | Ω/km |
| Impedance ZLC | 0.9005 + j0.7895 | 0.6545 + j0.7788 | 0.4886 + j0.7688 | Ω/km |
| Capacitance CLA | −j0.007315 | −j0.007494 | −j0.007671 | μF/km |
| Capacitance CLB | −j0.007597 | −j0.007796 | −j0.007993 | μF/km |
| Capacitance CLC | −j0.007315 | −j0.007494 | −j0.007671 | μF/km |
| Parameter | Value | Unit |
|---|---|---|
| Voltage EA | 8660 ej0⁰ | V |
| Voltage EB | 8660 e−j120⁰ | V |
| Voltage EC | 8660 ej120⁰ | V |
Disclaimer/Publisher’s Note: The statements, opinions and data contained in all publications are solely those of the individual author(s) and contributor(s) and not of MDPI and/or the editor(s). MDPI and/or the editor(s) disclaim responsibility for any injury to people or property resulting from any ideas, methods, instructions or products referred to in the content. |
© 2025 by the authors. Licensee MDPI, Basel, Switzerland. This article is an open access article distributed under the terms and conditions of the Creative Commons Attribution (CC BY) license (https://creativecommons.org/licenses/by/4.0/).
Share and Cite
Hołdyński, G.; Skibko, Z. Influence of Selected Parameters of Medium-Voltage Network on the Value of Voltage Asymmetry Factors. Appl. Sci. 2025, 15, 1560. https://doi.org/10.3390/app15031560
Hołdyński G, Skibko Z. Influence of Selected Parameters of Medium-Voltage Network on the Value of Voltage Asymmetry Factors. Applied Sciences. 2025; 15(3):1560. https://doi.org/10.3390/app15031560
Chicago/Turabian StyleHołdyński, Grzegorz, and Zbigniew Skibko. 2025. "Influence of Selected Parameters of Medium-Voltage Network on the Value of Voltage Asymmetry Factors" Applied Sciences 15, no. 3: 1560. https://doi.org/10.3390/app15031560
APA StyleHołdyński, G., & Skibko, Z. (2025). Influence of Selected Parameters of Medium-Voltage Network on the Value of Voltage Asymmetry Factors. Applied Sciences, 15(3), 1560. https://doi.org/10.3390/app15031560

