Next Article in Journal
Extreme Wind Speed Prediction Based on a Typhoon Straight-Line Path Model and the Monte Carlo Simulation Method: A Case for Guangzhou
Previous Article in Journal
Cost Analysis and Optimization of Modern Power System Operations
 
 
Font Type:
Arial Georgia Verdana
Font Size:
Aa Aa Aa
Line Spacing:
Column Width:
Background:
Article

Evaluating the Efficacy of the More Young HIFU Device for Facial Skin Improvement: A Comparative Study with 7D Ultrasound

1
College of Life Science and Bio-Engineering, Beijing University of Technology, Beijing 100124, China
2
Institute of Microelectronics, Chinese Academy of Sciences, Beijing 100029, China
*
Author to whom correspondence should be addressed.
Appl. Sci. 2025, 15(15), 8485; https://doi.org/10.3390/app15158485
Submission received: 27 May 2025 / Revised: 9 July 2025 / Accepted: 18 July 2025 / Published: 31 July 2025
(This article belongs to the Section Biomedical Engineering)

Abstract

High-Intensity Focused Ultrasound (HIFU) is a non-invasive technology widely used in aesthetic dermatology for skin tightening and facial rejuvenation. This study aimed to evaluate the safety and efficacy of a modified HIFU device, More Young, compared to the standard 7D HIFU system through a randomized, single-blinded clinical trial. The More Young device features enhanced focal depth precision and energy delivery algorithms, including nine pre-programmed stabilization checkpoints to minimize treatment risks. A total of 100 participants with facial wrinkles and skin laxity were randomly assigned to receive either More Young or 7D HIFU treatment. Skin improvements were assessed at baseline and one to six months post-treatment using the VISIA® Skin Analysis System (7th Generation), focusing on eight key parameters. Patient satisfaction was evaluated through the Global Aesthetic Improvement Scale (GAIS). Data were analyzed using paired and independent t-tests, with effect sizes measured via Cohen’s d. Both groups showed significant post-treatment improvements; however, the More Young group demonstrated superior outcomes in wrinkle reduction, skin tightening, and texture enhancement, along with higher satisfaction and fewer adverse effects. No significant differences were observed in five of the eight skin parameters. Limitations include the absence of a placebo group, limited sample diversity, and short follow-up duration. Further studies are needed to validate long-term outcomes and assess performance across varied demographics and skin types.

1. Introduction

Skin is the body’s largest protective organ, covering the entire external surface and acting as a barrier between the external environment and internal body systems [1]. It serves several essential functions, including regulating body temperature, preventing dehydration, and providing protection against ultraviolet (UV) light, pathogens, trauma, microorganisms, and physical injuries [2,3]. Structurally, it consists of three main layers: the epidermis, dermis, and hypodermis (see Figure 1).
Skin aging is a complex biological process influenced by intrinsic and extrinsic factors. With aging, the three layers of the skin (epidermis, dermis, and subcutaneous tissue) undergo degenerative changes, with the most noticeable alterations occurring in the dermis. Collagen, the primary structural component of the dermis and the most abundant protein in the body, plays a critical role in providing strength and support to the skin [4,5]. Over time, these structural proteins and key components deteriorate, resulting in visible signs of aging [6,7].
In contrast to young skin, which contains abundant, tightly packed, and well-organized collagen fibrils, aging skin exhibits dermal and epidermal atrophy, disorganization, and a significant loss of collagen fibers. Additionally, the reticular ridges flatten as the skin ages [8,9].
Figure 2 illustrates a comparison between young and aging skin, highlighting the primary differences in the distribution and organization of collagen fibrils.
As individuals seek effective solutions to combat the visible signs of aging, non-invasive treatments have gained increasing popularity, with an increasing emphasis on maintaining a youthful skin appearance. This shift has intensified the focus on skin collagen regeneration, and, as a result, numerous skin rejuvenation treatments—both invasive and non-invasive—have been developed to address this issue [10].
Among these, High-Intensity Focused Ultrasound (HIFU) has emerged as a revolutionary technology in aesthetic dermatology. HIFU utilizes focused ultrasound energy to penetrate deep into the skin layers, stimulating collagen synthesis and tissue remodeling without damaging the surface. This process enhances skin tightening, reduces wrinkles, and improves overall skin texture, making HIFU a preferred alternative to surgical facelifts and other invasive procedures.
Invasive skin procedures penetrate the deeper layers of the skin to enhance its appearance through techniques such as surgical facelifts, deep chemical peels, and dermabrasion. In contrast, non-invasive methods use energy-based technologies as alternatives to traditional invasive treatments, aiming to minimize potential complications and reduce healing time. These techniques include radiofrequency, intense pulsed light (IPL), and fractional lasers [11,12].
Recently, High-Intensity Focused Ultrasound (HIFU) has emerged as a non-invasive therapeutic and cosmetic option for treating skin laxity and facial wrinkles, providing a safer alternative to traditional invasive treatments [13,14]. According to White et al., the Food and Drug Administration approved HIFU for dermatologic aesthetic use in 2008 and for brow lifting in 2009 [15,16].
Currently, HIFU is used for facial rejuvenation, tightening, lifting, and body contouring [17,18,19]. Multiple studies have also evaluated the effectiveness and safety of HIFU on the neck, face, and other body areas [20,21,22]. HIFU devices work by delivering targeted transdermal heat to the deeper layers of the dermis and subcutaneous tissue, resulting in precise microcoagulation within the deeper dermis and the superficial musculoaponeurotic system (SMAS) while sparing the epidermis from damage [23] (see Figure 3). Figure 3 illustrates the mechanism by which ultrasound energy is focused to form thermal injury zones (TIZs). The control panel on the handpiece includes buttons labeled A (amplitude control) and T (treatment mode selection) that allow the clinician to adjust energy intensity and mode during treatment.
This controlled micro-damage stimulates a healing response, which gradually thickens and shortens collagen fibers, increasing tissue tension due to collagen’s elastic properties, ultimately leading to skin tightening [24].
The High-Intensity Focused Ultrasound (HIFU) machine incorporates several core features designed to deliver targeted ultrasound waves effectively. The transducer, considered the heart of any ultrasound machine, converts electrical energy into high-frequency sound waves and focuses them with precision. An acoustic lens may be used to further concentrate the waves, while a cooling system, typically water or gel, protects the skin from burns and shields surrounding tissues [25]. Many HIFU machines also offer real-time imaging, enabling clinicians to visualize the sonication area, which is particularly valuable for tasks such as tumor ablation. Key parameters, including ultrasound intensity, frequency, focal depth, and treatment duration, can be adjusted in real time through the control unit and graphical user interface (GUI) [26,27,28]. The handheld applicator, equipped with a transducer, allows clinicians to direct ultrasound energy to specific treatment areas. Powered by a 208-volt supply, the applicator can support multiple cartridges to adjust penetration depth as required. Built-in safety features, such as temperature sensors and automatic shut-offs, enhance patient comfort and ensure safe, non-ablative treatments across various applications [29].
In our previous research and clinical observations, we identified specific limitations in existing HIFU platforms, including insufficient focal control, lack of real-time feedback, and inconsistent energy delivery. Motivated by these findings, we aimed to develop a modified HIFU platform—“More Young”—with integrated improvements in safety and performance. This study builds upon our ongoing work in energy-based dermatologic devices and introduces technical enhancements such as additional safety checkpoints, adaptive energy modulation, and machine-learning-guided precision targeting.
Another significant challenge with HIFU equipment is maintaining accuracy when targeting deep, hard-to-access, or moving tissues. Challenges include difficulty in sustaining a stable focal point, limitations in real-time tracking of tissue movement, and risk of skin burns [30]. Inconsistent energy delivery can lead to uneven treatment, and limited penetration depth may restrict HIFU’s effective range [31]. Additionally, patient discomfort due to prolonged treatment times, noise, and vibration can make anesthesia necessary, particularly for aesthetic procedures.
In this study, we considered the challenges with HIFU technology in skin rejuvenation and aimed to enhance its performance. The objective of this study is to assess the clinical efficacy and safety of the More Young HIFU device—an advanced ultrasound-based therapeutic platform currently under investigation at the Department of Life and Biomedical Sciences, Beijing University of Engineering—in comparison to the widely used 7D HIFU system through a randomized clinical trial. The main aim is to determine whether these enhancements translate into a superior aesthetic outcomes and patient satisfaction.
Key modifications include the integration of additional stabilization checkpoints—referred to as “stuck points”—designed to ensure safer and more controlled energy delivery, reducing the risk of overheating or damage to surrounding tissues. In addition to this safety enhancement, the device has been optimized for improved focal depth control, adaptive energy modulation based on tissue feedback, and real-time thermal monitoring. These refinements aim to increase treatment accuracy, minimize patient discomfort, and improve clinical outcomes in non-invasive facial rejuvenation.
To optimize the device’s capabilities, we integrated high-quality spherically curved transducers that allow electronic steering of the focal point without physically moving the probe. This innovation improves depth and lateral resolution while increasing targeting accuracy. Additionally, machine learning algorithms were utilized to make precise, real-time adjustments to the focal point based on tissue density, target depth, and patient movement. These enhancements ensure consistent accuracy and eliminate the need for continuous manual intervention during treatment.
To assess the clinical efficacy of the improved More Young HIFU device, a comparative randomized clinical trial was conducted to compare its efficacy with 7D HIFU device. Fifty Chinese patients at Beijing Huanxin Medical Center, presenting with skin laxity in the jawline, midface, nasolabial folds, neck, and periorbital areas, were recruited for the study. Each patient underwent a detailed clinical evaluation of 14 skin parameters before and after treatment with both devices. Statistical analysis, performed using R software (version 4.2.3), provided a comprehensive assessment of the results, offering insights into the enhanced performance of the More Young HIFU device.
This trial was not registered in a public registry because it was conducted as an academic, non-commercial investigation. Nevertheless, ethical approval was obtained from the Institutional Review Board, and all participants provided written informed consent before enrollment.
Future improvements may include AI-guided treatment mapping, integration with multimodal imaging for better targeting, and development of personalized treatment algorithms based on individual skin types and elasticity profiles.
The remainder of the paper is structured as follows: Section 2 describes the mechanism of action, model, and schematic design. Section 3 presents methods and statistical analysis. Section 4 discusses the results and outlines study limitations and future directions. The paper concludes in Section 6 with final remarks on clinical relevance and implications.

2. Mechanism of Action

Most High-Intensity Focused Ultrasound (HIFU) machines operate by delivering high energy levels, typically between 100 and 10,000 W/cm2 (ISA), in the form of mechanical vibrations to heat targeted tissue. This process induces coagulative necrosis, leading to skin rejuvenation and tightening effects [32]. The high-density energy rapidly raises the temperature of the targeted tissue to 95–98 °C, causing localized necrosis. Large-aperture transducers, nonlinear wave propagation, and phased array applications help achieve these high intensities. In conventional HIFU systems, frequencies range from 0.8 to 5 MHz, producing ultrasound wavelengths in soft tissue of approximately 2–0.3 mm [33].
HIFU machines are designed with specific components to deliver precise, high-energy ultrasound treatments. At the core is a transducer that converts electrical energy into high-frequency ultrasound waves, focusing them at specific points. Methods such as geometric focusing, where the concave surface of a transducer directs waves to converge at a focal point, are often used. An acoustic lens may also be mounted on the transducer to adjust its shape in a process called “bellying,” further focusing ultrasound beams. Additionally, electronic focusing with phased array transducers composed of multiple piezoelectric elements allows axial or lateral focusing without moving the transducer.
Modern HIFU systems also include essential safety features like temperature sensors, feedback controls, and automatic shut-off mechanisms to protect patients from overheating or unintended damage. Together, these components enable HIFU machines to safely deliver non-invasive treatments for both medical and aesthetic applications.
To prevent skin burns and protect nearby tissues, the More Young HIFU device is equipped with cooling systems that regulate surface temperatures, allowing ultrasound energy to penetrate deeper tissue layers safely. Many HIFU devices are also equipped with real-time imaging to guide treatment and visualize tissue targeting before or during sonication—an essential feature for medical applications requiring high precision. The onboard software control unit manages parameters such as ultrasound intensity, frequency, focal depth, and treatment duration, allowing operators to adjust settings in real time based on their observations.
The machine’s handheld applicator, which houses the transducer, is operated by a clinician to target-specific areas precisely. The power supply generates the electrical energy needed to create ultrasound waves, typically adjusting wattage based on whether the application is aesthetic (lower output) or therapeutic (higher output). Depth and focal size vary according to the targeted tissue layer, with different cartridges used to match the specific treatment type.
Enhancing HIFU machine efficacy involves optimizing precision, efficiency, safety, and usability to achieve optimal clinical outcomes. The More Young HIFU device employs high-quality piezoelectric materials and advanced phased array capabilities in its transducers, improving energy efficiency and allowing precise targeting for a wide range of treatment areas. These advancements facilitate dynamic focal point adjustment, offering high-resolution targeting for both shallow and deep tissue, increasing treatment flexibility while minimizing off-target effects.
Optimized energy delivery algorithms combined with adjustable pulse modulation enhance power distribution and manage heat buildup to ensure efficient coagulation. Cartridges of varying depths and angles provide a comprehensive range of penetration options, enabling uniform energy delivery even in complex treatment areas.
Thermal Control Points (TCPs) are crucial for guiding and tracking the precise application of ultrasound energy in HIFU devices. In the More Young HIFU machine, TCPs define focal point location, energy distribution, and treatment depth, ensuring consistent energy delivery with minimal impact on surrounding tissues. TCPs allow for detailed treatment planning, pulse consistency, and multi-point focus, making it possible to treat large or complex areas efficiently. TCPs play a vital role by heating collagen fibrils to 60–70 °C, forming localized thermal [25,26]. These temperatures are optimal for collagen contraction and denaturation, which initiates an immediate lifting effect. During the second phase of wound healing, new collagen forms, critical for tissue remodeling. Between 48 h and 10 weeks after treatment begins, inflammation stimulates collagen production, fibroblast proliferation, and elastin generation around the TCPs. By day 28, the dermis shows increased elasticity and structural integrity. The phases of TCP-induced collagen remodeling are illustrated in Figure 4.
At ten weeks post-treatment, newly formed collagen replaces existing collagen in the treated area, providing further skin lifting and tightening, with this remodeling effect potentially continuing for up to a year [34,35]. Each treatment line delivers multiple TCP points, with the energy, strength, and size of each point adjustable according to the area being treated.
The machine’s handles incorporate critical safety features to ensure effective treatment, preventing discomfort and injury for patients. Each handle includes temperature control sensors that continuously monitor heat levels, ensuring they stay within safe limits. If temperatures approach unsafe levels, these sensors automatically adjust energy output to prevent burns and maintain patient comfort.
Additionally, the handles feature a stuck-point detection and alert system, designed to prevent hazards from prolonged energy delivery to a single area. Occasionally, a handle may stay in the same position due to user error, mechanical malfunction, or unintentional immobilization, which can lead to concentrated energy exposure in one spot and potentially cause burns or tissue injury.
To mitigate this risk, the handles are equipped with sensors that track movement and monitor positioning, allowing for the detection of any potential stuck points. If a stuck point is identified, the system activates a visual and audible alarm, halts energy delivery, and alerts the clinician to reposition the handle and perform a mechanical check. This feature is crucial, not only to prevent overheating but also to enhance patient safety by protecting surrounding skin tissues. These safety measures ensure that HIFU treatments remain non-invasive, delivering consistent energy distribution for optimal treatment outcomes. A schematic overview of the More Young HIFU machine is shown in Figure 5.
Moreover, the machine’s handles incorporate essential safety measures to ensure effective treatment while preventing discomfort and injury. Each handle is equipped with temperature control sensors that continuously monitor heat levels, keeping them within safe limits. If temperatures reach unsafe levels, these sensors automatically adjust the energy output to protect against burns and discomfort, enhancing patient safety throughout the procedure.
Another critical safety feature is the stuck-point detection and alert system, designed to prevent hazards that may arise from prolonged energy delivery to a specific skin area. Occasionally, the handle may remain in the same position due to user error, mechanical malfunction, or accidental immobilization, causing an excessive concentration of power waves in one area, which can lead to burns and tissue injury.
The system uses sensors to track movement and monitor the handle’s position, allowing it to detect any potential stuck point. If a stuck point is identified, the system activates a visual and audible alarm, halts energy delivery, and alerts the clinician to adjust the handle and perform a mechanical check. This feature is essential not only for preventing overheating but also for enhancing patient safety by protecting the surrounding skin tissues. The safety stuck-point detection system is illustrated in Figure 6. It ensures that HIFU treatment remains non-invasive, with even energy distribution to optimize treatment outcomes.

3. Model

The main principle of More Young can be demonstrated with the computation of a numerical solution for the KZK and BHT equations. The energy density, H, which was lost by the pressure wave and communicated to the medium because of the first process, serves as an input parameter for the BHT equation’s solution, which predicts how temperature varies over time during sonication.

3.1. KZK

The KZK equation can be written as follows:
U U = 1 4 G 2 U d t + C 2 U t 2 + M U U t
It is resolved by simultaneously discretizing U(ρ, σ, t) in space and time. The form of the source condition is as follows:
u = u 0 F r . t         w h e n   z = 0
where u is the output wave pressure. F(r,t) defines the time dependency as a function of radial location, and u0 is the typical source pressure. An initial phase shift that corresponds to a uniform distribution and a spherically convergent wave with a quadratic approximation is the beginning condition for the sound wave pressure at the transducer surface [36,37].
As a Fourier series, the sound pressure is enlarged:
U ρ , σ , t = K = k k u K ^ ( σ , r ) e i k t  
The maximum number of harmonics to be taken into consideration in the expansion, K, is an input parameter, allowing the precision to be modified according to the desired calculation speed, where uk^ is the complex amplitude of the k-th harmonic. A series of linked equations that may be solved numerically result.
u k ^ σ + i c 0 2 2 u k ^ + α k u k ^ = 0
where i is the radial coordinate, and c0 is the sound’s small-signal speed. The transversal Laplacian is  2 = 2 / r 2 + ( 1 / r ) / r . Re(αk) and Im(αk) are the absorption and dispersion coefficients, respectively, and σ is the axial coordinate first presented in Equation (1). When the dimensionless pressure u is enlarged in the Fourier series to calculate the computed solution, the intensity may be expressed as follows:
I r , z = 1 2 ρ 0 c 0 K = 1 k | u k ^ | 2
However, the corresponding density of energy lost is defined as follows:
H r . z = 1 ρ 0 c 0 K = 1 k | u k ^ | 2
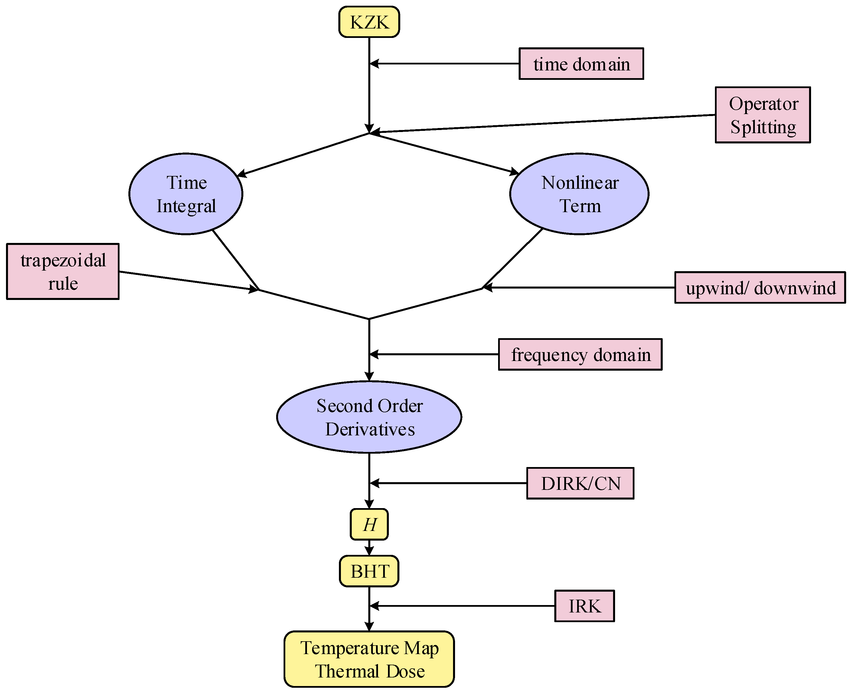
The steps of the actual calculation are schematically shown in Figure 7.
Where:
K Z K : U σ = 1 4 G 2 U d t + A 2 U t 2 + M U U t  
T i m e   I n t e g r a l : U σ = 1 4 G U d t
N o n l i n e a r   T e r m : U σ = U σ = M U U t
S e c o n d O r d e r   D e r i v a t i v e s : P σ = 2 ( 1 4 G U d t )  
B H T : T t = k ρ 0 C p 2 T w ρ 0 T + H ρ 0 C p
To accurately model the acoustic field and its thermal effects, we employed a combined KZK (Khokhlov–Zabolotskaya–Kuznetsov) and BHT (Bio-Heat Transfer) simulation approach. The operator-splitting technique [29] was used to decouple the linear and nonlinear components, allowing each to be solved with the most appropriate numerical method.
The computational grid was defined based on system focal length, transducer radius, and the maximum linear gain G. The number of axial nodes in each layer was determined by the ratio of the layer depth to focal length, scaled by the integration step size. Pressure P at each axial node was expressed in the time domain using the inverse Fast Fourier Transform (IFFT) before looping over radial nodes.
Then, both the integral over time and the nonlinear term are as follows:
U ρ = 1 4 G 2 U d t
U ρ = M U U t    
The time integration in Equation (12) was carried out using the trapezoidal rule, while the Laplacian was computed afterward using the decoupled spatial and temporal components. For the nonlinear term (Equation (13)), amplitude thresholds were introduced to ensure numerical stability when using upwind/downwind schemes.
The nonlinear term can be thought of as an opaque, one-dimensional Burger’s equation in which the partial derivatives of time and space are switched.
v t + v v x = 0 v v t + v x = 0    
The finite difference methods used to solve this equation are based on the idea of writing it in the form.
u t + x v 2 2 = 0
and so the upwind/downwind scheme at the first order can be written as
v j n + 1 = v j n t x 1 2 ( ( v 2 ) j + 1 n ( v 2 ) j n )
v j n + 1 = v j n t x 1 2 ( ( v 2 ) j n ( v 2 ) j 1 n )
and the stability condition is given by
t x v m a x 1
The loop across the radial nodes is now complete, the solution is converted back into the frequency domain, and the calculation at the current axial node may begin. The Laplacian in Equation (7) is computed in two distinct ways for the area close and beyond the transducer surface, according to [29]. The solution is quickly fluctuating in the immediate vicinity due to diffraction effects. The second-order diagonally implicit Runge–Kutta technique (DIRK) [32] is then utilized, allowing for greater integration steps than the conventional backward-Euler methodology. This allows for an acceptable computation speed while maintaining stability. The Crank–Nicolson (CN) approach is employed outside of the near-field. To solve the second-order temporal derivatives in the absorption term, the same two techniques—DIRK and CN—are consistently applied.
In a temporary matrix, the quantity is stored as follows:
k = 0 K R e α k u k ^
where  u k ^ are the Fourier expansion’s coefficients. As a result, for each axial node reached throughout the computation, Equation (18) is proportional to the density of energy loss stated in Equation (6) using the normalization factor 1/ ρ 0c0. The radial and axial nodes are represented by its rows and columns, respectively.
The calculation that takes place at each axial node is described above. The final axial node, or the entire focal length, is reached by repeating this computation. As a result, the water/gel contact is encountered while computing the solution on the axial nodes. As stated in Section 3.1, just the portion of transmitted amplitude must be considered in the calculations that follow. The primary loop, which in this case consists of two layers, is split into two loops that each take into consideration the number of axial nodes exist in the water layer and the number of axial nodes present in the phantom volume.
The determined pressure must be normalized for the value of the pressure at the first axial node, keeping in mind that the KZK equation, for which the solution has just been numerically computed, is dimensionless.
U = u u o
Equation (18), H, and the material-dependent factors 1/ρ0c0 must be multiplied to calculate the density of energy lost. However, according to Equation (19), the extra component  u 0 2 is required.

3.2. BHT

The time evolution of the temperature is modeled by Pennes’ bioheat transfer equation (BHT),
T t = k ρ 0 c p 2 w ρ 0 T + H ρ 0 C p
where k is the thermal conductivity (W m−1 K−1), Cp is the specific heat capacity (J kg−1 K−1), and w is the perfusion ratio (kg m−3 s−1). The source term is then the output of the previous script, H, that is the density of energy lost by the pressure wave.
The sonication protocol specified by the user determines the time step that is employed in the scheme. A single sonication is really made up of several transient pulses separated by short pauses for cooling. After this series of pulses, there is a cooling down period of several seconds. Typically, the imaging equipment used to check the ablation caused by the sonication is used.
The output of this script is then a curve of temperature versus time, a temperature map in the focal region, and the thermal dose in the focal region.

4. Schematic Design

4.1. Power Source Circuit

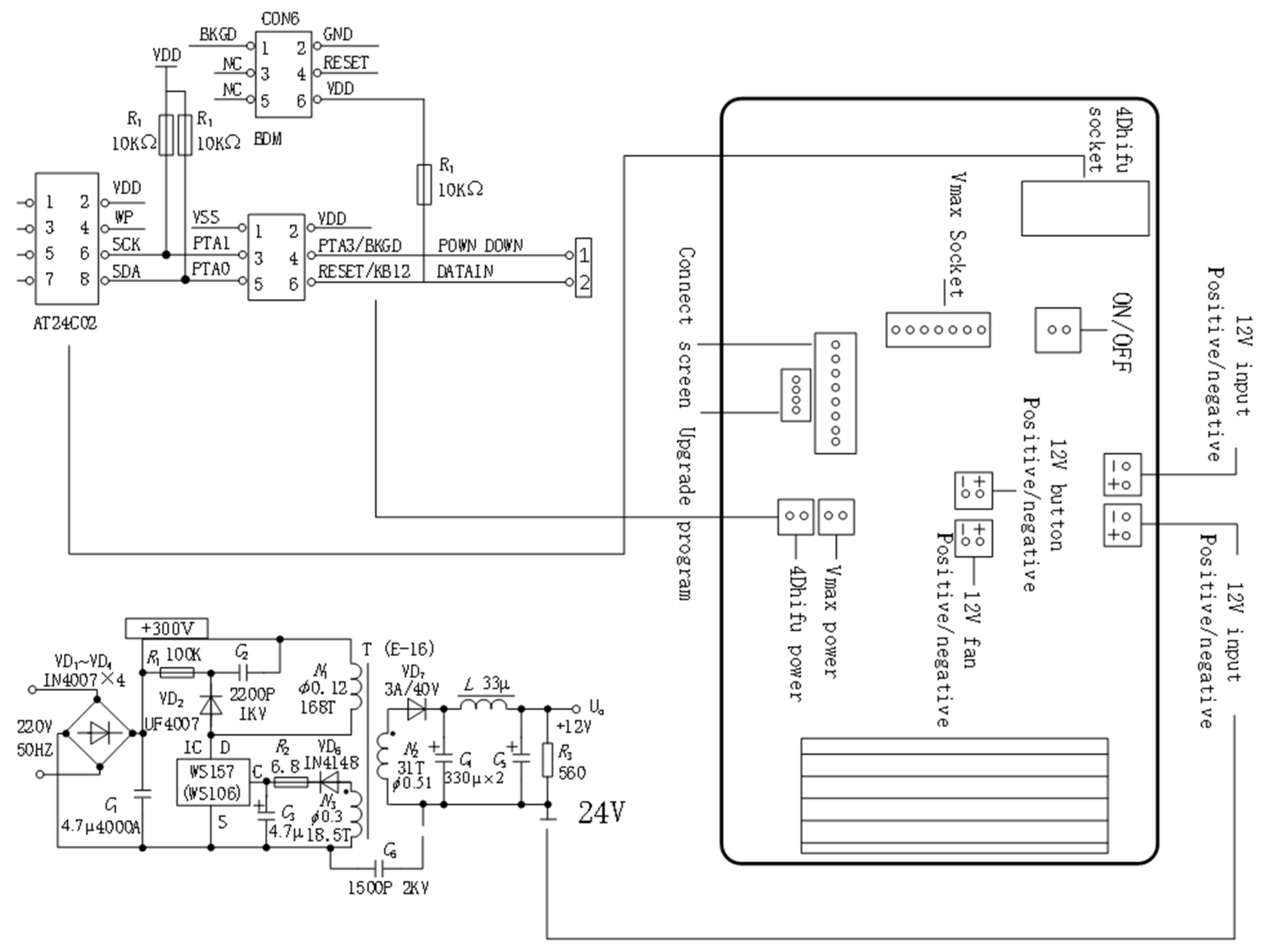
In the given circuit with an input of 220 V 50 Hz AC, the first component encountered is a bridge rectifier, constructed using four diodes. This rectifier is pivotal, transforming the 220 V alternating current into a pulsating direct current, making the current flow in one direction but with variations in voltage levels. Post rectification, the pulsating DC is processed by the WS157 monolithic switching regulator. The role of this component is paramount. It efficiently converts the unstable, high-voltage pulsating DC into a regulated, stable DC voltage by swiftly switching the input voltage on and off and controlling the duty cycle, minimizing energy loss, and ensuring consistency in output. It acts to mitigate any fluctuations and ripples in the voltage, providing a smoother and more reliable power supply. After the stabilization and regulation by WS157, the transformed current is then passed to a transformer, where it is stepped down to the requisite 12 V DC. This lower, stable, and regulated voltage is now suitable and safe for utilization in the connected devices or components, ensuring optimal performance and reliability in the overall system’s operation. This systematic arrangement of components ensures the efficient conversion of high-voltage AC to low-voltage DC, with precise regulation and stability, making the circuit adaptable and reliable for its intended applications. The schematic model of the AC to DC converter is shown in Figure 8.

4.2. Data Configuration Circuit

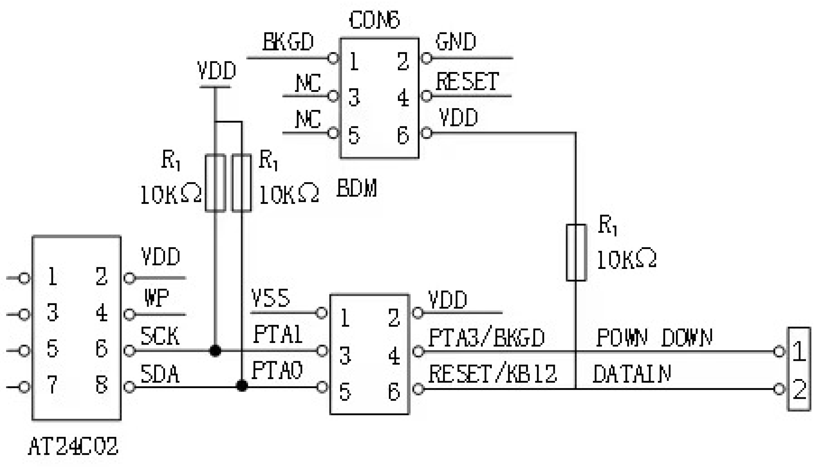
The AT24C02 EEPROM chip (Manufactured by Microchip Technology Inc., Chandler, AZ, USA) is a crucial component in our circuits where retaining small quantities of data is essential, such as in system calibration and device configurations. It utilizes a serial I2C interface, allowing for simple integration and communication with microcontroller and other digital parts, making it a versatile choice for our application. This 2Kbit EEPROM (Manufactured by Microchip Technology Inc., Chandler, AZ, USA) allows for thousands of read/write cycles, offering durability and reliability. Its capability to preserve information without a continuous power supply makes it invaluable in our design where data persistence is crucial, aiding devices in recalling stored information instantly upon power-up, thus ensuring seamless operation and user experience in electronic systems and devices. Its compact form factor and low power consumption further enhance its applicability in a diverse range of electronic solutions. The system calibration schematic model is shown in Figure 9.

4.3. Schematic Representation of Machine Circuitry

A comprehensive circuit diagram illustrating the intricate interconnections and diverse components of the machine’s electronic architecture is provided in the accompanying documentation (see Figure 10). Additionally, detailed views of the hardware circuits are presented in Figure 11, while Figure 12 depicts the graphical user interface (GUI) hardware circuit, offering a complete overview of the system’s design and operational flow.

5. Methods

5.1. Participants and Study Design

This study was conducted as a randomized, single-blinded clinical trial to evaluate the efficacy of the “More Young” treatment compared to the “7D” treatment on various skin parameters. Inclusion criteria included age range between 30 and 70 years, mild to moderate skin laxity and wrinkles, Fitzpatrick skin types I–IV, and ability to provide written informed consent and adhere to study protocol. Participants with visible scars, history of skin disease, usage of dermal laser or fillers, pregnancy, or chronic skin sensitivity were excluded from this study.
Both participants and outcome assessors were blinded to the treatment allocations. Participants were randomly assigned to receive either the “More Young” or “7D” treatment over a three-month period.
While the clinicians administering the treatment were not blinded due to operational differences between devices, all post-treatment evaluations were conducted by independent, blinded assessors using standardized imaging and objective criteria.
Data were collected at baseline (pre-treatment) and post-treatment to assess changes in eight skin parameters: wrinkles, texture, skin elasticity, spots, UV spots, brown spots, pores, red areas, and porphyrins. Skin parameters were quantified using the VISIA® Skin Analysis System 7th Generation, an objective imaging tool providing standardized measurements. The pre- and post-treatment means were computed for both groups, and the changes in skin parameters were analyzed using paired sample t-tests to evaluate within-group changes. Independent sample t-tests were used to compare post-treatment outcomes between the “More Young” and “7D” groups, ensuring a rigorous assessment of treatment efficacy. Baseline characteristics of both groups were compared using independent t-tests to confirm comparability before treatment.
Effect sizes were quantified using Cohen’s d to determine the magnitude of treatment effects. A 95% confidence interval (CI) was computed for each mean difference. Statistical significance was set at a two-tailed p-value < 0.05, with corrections for multiple comparisons where necessary.
No correction for multiple comparisons was applied as the number of comparisons was limited and involved clinically related parameters. Emphasis was placed on effect sizes and confidence intervals to interpret the results. This approach helps avoid the increased risk of Type II errors associated with overly conservative corrections in exploratory clinical studies.
For comparison of degree of improvement in skin parameter (DOI) between the two treatment groups, the mean differences were calculated and analyzed with independent t-tests. Standard errors (SEs) were reported to indicate the precision of the estimated mean differences, and t-values were used to assess the statistical significance of differences between the two treatments.

5.2. Treatment Procedures

A total of 50 participants (25 per group) were enrolled in the study, aged 44 to 70 years (mean age: 50 years). All participants presented with facial wrinkles and skin laxity and provided informed written consent before enrollment.
Both groups underwent the same pre-treatment protocol: cleansing of the skin, application of ultrasound gel, and usage of high-frequency energy devices with follow-up assessments at specific intervals to evaluate changes in key skin parameters.
Baseline evaluations were conducted prior to treatment and included eight main skin parameters using VISIA® Skin Analysis System 7th Generation. Skin parameters evaluated were: wrinkles, texture, skin elasticity, spots, UV spots, brown spots, pores, red areas, and porphyrins.

5.2.1. More Young Treatment Group

A total of 25 participants consisting of 15 females and 10 males aged 47 to 70 years, with an average age of 50. Clinicians blinded all participants presented with facial wrinkles and skin laxity. The More Young system was used for whole-face treatment, excluding the nose, with informed written consent obtained from all participants. The treatment involved fractionated high-intensity, high-frequency ultrasonic pulses. The procedure began with cleansing the skin and applying a layer of gel, followed by the delivery of linear pulses from the device probes.
Three cartridge depths were used during treatment: the 1.5 mm cartridge (10–12 MHz) targeted the epidermis to address surface-level texture and fine wrinkles, the 3.0 mm cartridge (7–8 MHz) stimulated collagen production to enhance skin elasticity, and the 4.5 mm cartridge (4–5 MHz) reached the SMAS layer to induce lifting and tightening effects. Treatment was delivered using two handles—Handle 1 was applied for 30 min and Handle 2 for 15 min. Depending on the treatment area, each face received between 500 and 700 treatment lines. Each pulse line consisted of approximately 17 to 25 thermal coagulation points, with the number tailored to the length of the treatment line and size of the treated area. Sessions were conducted four times over a two- to three-month period.
Post-treatment care involves gently wiping off any excess ultrasound gel, followed by the application of a soothing serum or moisturizer to calm the skin. Patients should be informed that mild redness or swelling may occur, but these effects are generally temporary and resolve within 24 to 48 h. Typically, no downtime is required, allowing patients to return to their normal activities immediately after the procedure.
Clinical evaluations included photographs and skin analysis using the VISIA® Skin Analysis System 7th Generation conducted before treatment and at one to three months post-treatment, as well as assessments of patient’s satisfaction.

5.2.2. 7D Treatment Group

The second group consisted of 25 participants (20 females and 5 males), aged 44 to 67 years, who were treated using the 7D system. The 7D treatment utilized a high-energy system incorporating Comfort Plus Technology, which is designed to enhance patient comfort while delivering radiofrequency-based skin tightening. The procedure involved several steps: cleansing the skin and applying a grid mapping system to guide precise energy delivery, followed by the application of a thin layer of ultrasound gel, and then administering treatment pulses targeting the deep dermal layers to stimulate collagen remodeling. Cartridges depths of 1.5 mm, 3.0 mm, and 4.5 mm are most commonly used for facial rejuvenation.
The 7D system used a single device tip operating at a frequency of 4–7 MHz, depending on the treatment depth, and each session lasted between 45 and 60 min.
Similar to the More Young protocol, each face received between 500 and 700 treatment lines. Same post-treatment care procedures for “More young” treatment cohort were followed.
Before and after the final treatment session, skin quality analysis was performed for both cohorts using the VISIA skin analysis system. This enabled a comprehensive assessment of pre- and post-treatment skin conditions, allowing for a detailed comparison of the effectiveness of the two HIFU systems in promoting skin rejuvenation and enhancing patient satisfaction. The analysis provided in-depth data on various skin parameters before and after treatment, as illustrated in Figure 13.
Clinical evaluations included standardized photographs taken prior to treatment and again at one to two months post-treatment to document visible changes. In addition, patient satisfaction and potential adverse effects were assessed through a structured survey. Participants evaluated their satisfaction with individual facial features and overall treatment outcomes using a 4-point scale: 1 = dissatisfied, 2 = partly satisfied, 3 = satisfied, and 4 = very satisfied. Although patient-reported outcomes are inherently subjective, this method was supported by validated tools and aligned inversely with the Global Aesthetic Improvement Scale (GAIS) to ensure consistency in assessment. This dual approach, combining clinical photography and subjective patient feedback, provided a comprehensive evaluation of treatment efficacy, particularly in reducing facial wrinkles and improving skin laxity, while also capturing patient-perceived benefits.

6. Statistical Analysis

Statistical analysis was performed using R software (version 4.2.3). Skin parameters were expressed as mean ± SD. Baseline skin parameters were compared between the More Young and 7D cohorts using independent t-tests. To assess the therapeutic efficacy of the More Young and 7D cosmetic devices, pre- and post-treatment skin parameters were analyzed using paired t-tests. The difference in skin parameters for each patient between pre- and post-treatment was calculated, and independent samples t-tests were conducted to compare these differences between the two cohorts. To reliably evaluate and interpret changes in skin parameters in the More Young and 7D cosmetic experiments, statistical significance was determined using a hypothesis test with a p-value threshold of less than 0.05, indicating a valid and significant result.

7. Results

An objective evaluation and detailed analysis of eight skin parameters was conducted to assess the efficacy of the More Young cosmetic device before and after treatment compared with the results of using 7D HIFU device. A comprehensive comparison was conducted to conclude the statistical significance of pre and post-treatment results.
These results indicate that the device’s impact was particularly significant on parameters related to sebum production, skin texture, and wrinkle reduction, which are critical factors in overall skin health and appearance. The mean differences, as well as trends in these parameters, are visually depicted in Figure 14, offering a clear representation of the improvements achieved through the treatment. These findings suggest that the More Young device may provide targeted benefits for specific skin conditions, mainly, wrinkles and pores.
The findings illustrate that the “More Young” treatment led to statistically significant improvements across all eight skin parameters, as evidenced by the mean differences, t-values, and p-values (<0.001 *). Notably, wrinkles, textures, pores, and other skin attributes all showed significant changes, with high Cohen’s d values reflecting large effect sizes. Specifically, the parameters “Wrinkles,” “Textures,” and “Pores” demonstrated notable improvements with Cohen’s d values of 5.447, 4.735, and 5.851, respectively, suggesting that the treatment is highly effective in improving these aspects of skin health. These results support the efficacy of “More Young” as an intervention for enhancing skin quality over a three-month treatment period. The improvements are visually summarized in Figure 15, which clusters skin parameters before and after treatment.
In Table 1, the main key parameters for pre and post-treatment, including wrinkles, texture, spots, UV spots, brown spots, pores, red areas, and porphyrins, showed consistent improvement, with mean differences ranging from −2.92 to −7.38. The 95% confidence intervals for all parameters were entirely negative, reinforcing the reliability of these findings.
Also, the effect sizes, represented by Cohen’s d values, further highlight the treatment’s substantial impact, with values ranging from 1.076 to 5.851. This indicates a likely strong effect across all parameters, particularly for wrinkles and pores, where the magnitude of improvement was most pronounced.
In a comparative analysis, Table 2 indicates that participants treated with the “More Young” device exhibited significantly better outcomes in comparison to those treated with the “7D” device across most skin parameters. The “More Young” treatment showed significant improvements in parameters such as wrinkles (t = 6.90, p < 0.001, Cohen’s d = 0.976), textures (t = 19.79, p < 0.001, Cohen’s d = 2.799), pores (t = 7.89, p < 0.001, Cohen’s d = 1.115), and porphyrins (t = 5.87, p < 0.001, Cohen’s d = 0.83).
For the “spots” parameter, although the mean difference favored the More Young treatment, the result did not reach statistical significance (p = 0.057) and should, therefore, be interpreted with caution. Nevertheless, statistically significant differences were observed in other parameters, including UV spots (p = 0.043), brown spots (p = 0.009), and red areas (p = 0.007), indicating a consistent pattern of superior skin health outcomes associated with the More Young treatment.
These findings support the conclusion that the “More Young” device is more effective than the “7D” device in improving overall skin condition, particularly in reducing wrinkles, enhancing texture, and minimizing pore size. These comparative outcomes are illustrated in Figure 16, which presents a clustered boxplot of skin parameters post-treatment for both devices.
Afterwards, we investigated the differences in efficacy between the 7D and More Young Cosmetic devices. Initially, we evaluated whether discrepancies existed in the baseline skin parameters between the 7D and More Young cohorts, and statistical analysis displayed that there were no diversities between the two cohorts in any of the fourteen baseline skin parameters (Table 3). Subsequently, we defined the degree of improvement (DOI) of each skin parameter as the value of the skin parameter post-treatment minus the value of the skin parameter pre-treatment, which can be formulated as DOI = DOI = Value post-treatment − Value pre-treatment. The DOI of each skin parameter for the two cohorts was calculated separately, and independent t-tests were performed to assess the diversities in the DOI of the skin parameters between the two cohorts.
The improvement in wrinkles was significantly greater in the More Young cohort compared to the 7D cohort (ΔMean = 3.04, SE = 0.951, 95% CI [1.15, 4.93], t(49) = 3.197, p = 0.002, Cohen’s d = 0.639), indicating a clear advantage for More Young in reducing wrinkle severity.
In terms of skin texture, the More Young cohort exhibited a greater reduction compared to the 7D cohort (ΔMean = −1.46, SE = 0.776, 95% CI [−3.01, 0.08], t(49) = −1.881, p = 0.063). The p-value for texture is 0.063, which does not reach the conventional threshold for statistical significance (p > 0.05). Therefore, no definitive conclusion regarding superiority between the cohorts can be drawn for texture.
The improvement in pore size was also notably more pronounced in the More Young cohort compared to the 7D cohort (ΔMean = −10.46, SE = 1.225, 95% CI [−12.89, −8.03], t(49) = −8.538, p < 0.001, Cohen’s d = −1.708), indicating a significant effect favoring the More Young treatment. These comparative outcomes are visually represented in Figure 17, which displays the clustered boxplot of the degree of improvement for More Young versus 7D.
For other parameters, such as UV spots, brown spots, red areas, and porphyrins, no statistically significant differences were found between the two groups (p-values > 0.05), suggesting comparable effectiveness of both treatments in these aspects.
Overall, the More Young cohort demonstrated significant improvements in wrinkle reduction and pore size compared to the 7D cohort, highlighting the efficacy of the More Young treatment in these areas.

7.1. Six-Month Post-Treatment Evaluation Results

A follow-up evaluation was conducted six months after the final treatment session to assess the long-term efficacy and durability of the “More Young” and “7D” treatments. This evaluation included objective skin parameter assessments using the VISIA® Skin Analysis System and subjective patient satisfaction surveys.

7.2. Objective Skin Parameter Analysis

At six months post-treatment, both More Young and 7D groups showed sustained improvements, though some differences were observed in the magnitude and persistence of effects.
As shown in Table 4, the More Young treatment exhibited superior long-term improvements in skin parameters compared to the 7D system, with enhanced retention of skin elasticity and pore size reduction at six months post-treatment.
The More Young treatment exhibited greater long-term improvements across all skin parameters compared to the 7D system. Wrinkle reduction, skin elasticity, and pore size improvements remained stable at six months in both groups, with More Young consistently maintaining a higher percentage of improvement. A slight regression (3–6%) in parameters such as wrinkles, texture, and spots was observed in both groups, indicating a gradual decline over time. Notably, the More Young group demonstrated significantly better retention of skin elasticity, with a 68.9% improvement from baseline compared to 63.4% in the 7D group.

7.3. Patient Satisfaction Survey Results

At six months, patients completed a follow-up satisfaction survey, rating their experience on a 1–5 scale (1 = dissatisfied, 5 = very satisfied).
As illustrated in Table 5, patients treated with the More Young device expressed significantly higher satisfaction across all assessed criteria, with particularly strong responses in wrinkle reduction and skin tightening compared to the 7D group.
This table shows that More Young patients reported higher satisfaction levels than 7D users across all evaluated parameters. Wrinkle reduction and skin tightening received the highest satisfaction ratings, especially among More Young users, indicating strong perceived effectiveness in these areas. In contrast, pore size reduction and texture improvements were rated lower by the 7D group, which aligns with the objective VISIA analysis, suggesting that subjective patient satisfaction is consistent with clinical outcomes.

8. Discussion

This study evaluated the comparative efficacy and safety of the More Young and 7D HIFU systems, offering insight into their clinical performance across multiple skin parameters. The findings demonstrate that the More Young system produced superior results in key areas such as wrinkle reduction, skin tightening, and texture enhancement. These improvements were not only statistically significant but also supported by high patient satisfaction ratings and objective measurements via VISIA analysis.
The superior performance of the More Young device may be attributed to its innovative engineering features, such as dynamic Treatment Control Points (TCPs), high-resolution transducers, and advanced cooling and safety systems. These features likely contributed to the more uniform energy delivery and deeper penetration capabilities compared to the 7D system. Previous studies have similarly highlighted the role of precise focal energy delivery in optimizing collagen remodeling and patient outcomes.
When compared with prior research on conventional and 7D HIFU devices, our findings are consistent in terms of efficacy for wrinkle reduction and lifting. However, the degree of improvement observed with the More Young device appears more pronounced, especially in areas involving pore size and elasticity, indicating a technological advancement in HIFU design and delivery.
Despite these promising results, the study does have several limitations. First, while the sample size of 100 participants provided sufficient power for primary outcomes, subgroup analyses based on skin type, age, or lifestyle were not performed. These factors can significantly influence treatment response. Second, the follow-up period of six months, although adequate to assess early efficacy and safety, may not capture long-term maintenance of results. Notably, the absence of a control or placebo group restricts the ability to account for nonspecific effects or natural improvement over time. Including a sham group in future studies could help isolate true device-related outcomes.
A longer follow-up period is needed to understand the durability of the treatment effects. Lastly, the trial was conducted in a single center, which may limit generalizability to broader population.

9. Conclusions

Based on this study, a total of 100 patients at Beijing Huanxin Medical Center were recruited to conduct a comparative randomized clinical trial to evaluate the efficacy of two different HIFU devices, More Young and 7D. More Young is High-Intensity Focused Ultrasound Machine under development at the Chinese Academy of Science.
The More Young HIFU device had exhibited substantial improvements in six key skin parameters, outperforming the 7D HIFU device. However, for eight other skin parameters, there were no significant differences between the two devices. These results highlight the efficacy of the More Young HIFU device in treating facial wrinkles and sagging skin, underscoring its potential as a valuable tool in cosmetic treatment interventions.
This study followed a comprehensive study design to ensure a robust comparison between the More Young and 7D systems, integrating both objective measurements (VISIA analysis) and subjective evaluations (patient satisfaction surveys) to assess the effectiveness of the treatments in addressing facial wrinkles, skin laxity, and other parameters. The combination of clinical evaluations, advanced imaging analysis, and statistical rigor provided a framework for determining treatment efficacy and patient outcome.

Author Contributions

Conceptualization, I.A. and Y.L.; methodology, I.A. and Y.L.; software, I.A.; validation, I.A.; formal analysis, I.A. and Y.L.; data curation, I.A. and Y.L.; writing—original draft preparation, I.A.; writing—review and editing, Y.L.; visualization, I.A.; supervision, Y.L. All authors have read and agreed to the published version of the manuscript.

Funding

National Key Research and Development Program of China (Grant No. 2021YFA1000202); National Natural Science Foundation of China (Grant No. 32271361, 11832003, 12202022, and 12102014).

Institutional Review Board Statement

The study was conducted in accordance with the Declaration of Helsinki and approved by the Institutional Review Board of the College of Life Science and Bio-Engineering, Beijing University of Technology (protocol code IRB-BJUT-2023-045, approved on 20 May 2025).

Informed Consent Statement

All participants provided written informed consent prior to their enrollment in the study.

Data Availability Statement

The data presented in this study are available on request from the corresponding author due to privacy.

Conflicts of Interest

The authors declare no conflicts of interest.

References

  1. Lopez-Otin, C.; Blasco, M.A.; Partridge, L.; Serrano, M.; Kroemer, G. The hallmarks of aging. Cell 2013, 153, 1194–1217. [Google Scholar] [CrossRef]
  2. Kanitakis, J. Anatomy, histology, and immunohistochemistry of normal human skin. Eur. J. Dermatol. 2002, 12, 390–399. [Google Scholar] [PubMed]
  3. Schiebler, T.H.; Korf, H.-W. Anatomie, 10th ed.; Steinkopff Verlag: Heidelberg, Germany, 2007. [Google Scholar]
  4. Zeng, J.P.; Bi, B.; Chen, L.; Yang, P.; Guo, Y.; Zhou, Y.Q.; Liu, T.Y. Repeated exposure of mouse dermal fibroblasts at a sub-cytotoxic dose of UVB leads to premature senescence: A robust model of cellular photoaging. J. Dermatol. Sci. 2014, 73, 49–56. [Google Scholar] [CrossRef] [PubMed]
  5. Varani, J.; Dame, M.K.; Rittie, L.; Fligiel, S.E.; Kang, S.; Fisher, G.J.; Voorhees, J.J. Decreased collagen production in chronologically aged skin: Roles of age—Dependent alteration in fibroblast function and defective mechanical stimulation. Am. J. Pathol. 2006, 168, 1861–1868. [Google Scholar] [CrossRef]
  6. Purohit, T.; He, T.; Qin, Z.; Li, T.; Fisher, G.J.; Yan, Y.; Voorhees, J.J.; Quan, T. Smad3-dependent regulation of type I collagen in human dermal fibroblasts: Impact on human skin connective tissue aging. J. Dermatol. Sci. 2016, 83, 80–83. [Google Scholar] [CrossRef]
  7. Fenske, N.A.; Lober, C.W. Structural and functional changes of normal aging skin. J. Am. Acad. Dermatol. 1986, 15 Pt 1, 571–585. [Google Scholar] [CrossRef]
  8. Fisher, G.J.; Wang, Z.Q.; Datta, S.C.; Varani, J.; Kang, S.; Voorhees, J.J. Pathophysiology of premature skin aging induced by ultraviolet light. N. Engl. J. Med. 1997, 337, 1419–1428. [Google Scholar] [CrossRef] [PubMed]
  9. Quan, T.; Fisher, G.J. Role of age-associated alterations of the dermal extracellular matrix microenvironment in human skin aging: A mini-review. Gerontology 2015, 61, 427–434. [Google Scholar] [CrossRef]
  10. Park, H.; Kim, E.; Kim, J.; Ro, Y.; Ko, J. High-intensity focused ultrasound for the treatment of wrinkles and skin laxity in seven different facial areas. Ann. Dermatol. 2015, 27, 688. [Google Scholar] [CrossRef]
  11. Honigman, R.; Castle, D.J. Aging and cosmetic enhancement. Clin. Interv. Aging 2006, 1, 115–119. [Google Scholar] [CrossRef]
  12. Lee, Y.B.; Eun, Y.S.; Lee, J.H.; Cheon, M.S.; Cho, B.K.; Park, H.J. Effects of multi-polar radiofrequency and pulsed electromagnetic field treatment in Koreans: Case series and survey study. J. Dermatol. Treat. 2012, 25, 310–313. [Google Scholar] [CrossRef]
  13. Shapiro, S.D.; Eros, Y.; Abrahami, Y.; Leviav, A. Evaluation of safety and efficacy of the TriPollar technology for treatment of wrinkles. Lasers Surg. Med. 2012, 44, 453–458. [Google Scholar] [CrossRef]
  14. Yalici-Armagan, B.; Elcin, G. Evaluation of microfocused ultrasound for improving skin laxity in the lower face: A retrospective study. Dermatol. Ther. 2020, 8, e14132. [Google Scholar] [CrossRef]
  15. White, W.M.; Makin, I.R.; Slayton, M.H.; Barthe, P.G.; Gliklich, R. Selective transcutaneous delivery of energy to porcine soft tissues using intense ultrasound (IUS). Lasers Surg. Med. 2008, 40, 67–75. [Google Scholar] [CrossRef]
  16. Kim, K.H.; Geronemus, R.G. Nonablative laser and light therapies for skin rejuvenation. Arch. Facial Plast. Surg. 2004, 6, 398–409. [Google Scholar] [CrossRef]
  17. Herne, K.B.; Zachary, C.B. New facial rejuvenation techniques. Semin. Cutan. Med. Surg. 2000, 19, 221–231. [Google Scholar] [CrossRef]
  18. Alam, M.; White, L.E.; Martin, N.; Witherspoon, J.; Yoo, S.; West, D.P. Ultrasound tightening of facial and neck skin: A rater-blinded prospective cohort study. J. Am. Acad. Dermatol. 2010, 62, 262–269. [Google Scholar] [CrossRef]
  19. Suh, D.H.; Oh, Y.J.; Lee, S.J.; Rho, J.H.; Song, K.Y.; Kim, N.I.; Shin, M.K. Intense-focused ultrasound tightening for the treatment of infraorbital laxity. J. Cosmet. Laser Ther. 2012, 14, 290–295. [Google Scholar] [CrossRef]
  20. Sasaki, G.; Tevez, A. Microfocused ultrasound for nonablative skin and subdermal tightening to the periorbitum and body sites: Preliminary report on eighty-two patients. J. Cosmet. Dermatol. 2012, 2, 108–116. [Google Scholar] [CrossRef]
  21. Minkis, K.; Alam, M. Ultrasound skin tightening. Dermatol. Clin. 2014, 32, 71–77. [Google Scholar] [CrossRef]
  22. Suh, D.H.; Park, H.J.; Lee, S.J.; Song, K.Y.; Shin, M.K. Superficial intense focused ultrasound on periorbital wrinkles. J. Cosmet. Laser Ther. 2019, 21, 412–416. [Google Scholar] [CrossRef]
  23. Chan, N.P.; Shek, S.Y.; Yu, C.S.; Ho, S.G.; Yeung, C.K.; Chan, H.H. Safety study of transcutaneous focused ultrasound for noninvasive skin tightening in Asians. Lasers Surg. Med. 2011, 43, 366–375. [Google Scholar] [CrossRef]
  24. Laubach, H.J.; Makin, I.R.; Barthe, P.G.; Slayton, M.H.; Manstein, D. Intense focused ultrasound: Evaluation of a new treatment modality for precise microcoagulation within the skin. Dermatol. Surg. 2008, 34, 727–734. [Google Scholar] [CrossRef]
  25. Chen, X.; Liu, S.; Zhang, Y. Control systems in high-intensity focused ultrasound: Real-time adjustments of ultrasound parameters. Ultrasound Med. Biol. 2020, 46, 1042–1055. [Google Scholar]
  26. Al-Jumaily, A.M.; Liaquat, H.; Paul, S. Focused Ultrasound (FUS) is Emerging. Focused ultrasound for dermal applications. Ultrasound Med. Biol. 2023, 50, 8–17. [Google Scholar] [CrossRef]
  27. Li, Q.; Zhou, J.; Peng, J.; Wang, D. Advances in real-time imaging techniques for high-intensity focused ultrasound therapy. J. Ther. Ultrasound 2021, 9, 12. [Google Scholar]
  28. White, W.M.; Makin, I.R.; Barthe, P.G.; Slayton, M.H.; Gliklich, R.E. Selective creation of thermal injury zones in the superficial musculoaponeurotic system using intense ultrasound therapy: A new target for non-invasive facial rejuvenation. Arch. Facial Plast. Surg. 2007, 9, 22–29. [Google Scholar] [CrossRef]
  29. Fabi, S.G.; Goldman, M.P. The safety and efficacy of combining intense focused ultrasound for lifting and tightening the face and neck. Dermatol. Surg. 2014, 40, S171–S177. [Google Scholar] [CrossRef]
  30. Hantash, B.M.; Ubeid, A.A.; Chang, H.; Kafi, R.; Renton, B. Bipolar fractional radiofrequency treatment induces neoelastogenesis and neocollagenesis. Lasers Surg. Med. 2009, 41, 1–9. [Google Scholar] [CrossRef]
  31. Kennedy, J.E.; ter Haar, G.R.; Cranston, D. High-intensity focused ultrasound: Surgery of the future? Br. J. Radiol. 2003, 76, 590–599. [Google Scholar] [CrossRef]
  32. Alster, T.S.; Tanzi, E.L. Noninvasive lifting of arm, thigh, and knee skin with focused ultrasound. Dermatol. Surg. 2009, 35, 1045–1052. [Google Scholar]
  33. Wang, J.; Li, X. High-intensity focused ultrasound: Mechanisms and applications. Ultrasound Med. Biol. 2023, 49, 1234–1256. [Google Scholar]
  34. Suh, D.H.; Shin, M.K.; Lee, S.J.; Rho, J.H.; Lee, M.H.; Kim, N.I.; Song, K.Y. Intense focused ultrasound tightening in Asian skin: Clinical and pathologic results. Dermatol. Surg. 2011, 37, 1595–1602. [Google Scholar] [CrossRef]
  35. Zelickson, B.D.; Kist, D.; Bernstein, E.; Brown, D.B.; Ksenzenko, S.; Burns, J.; Kilmer, S.; Mehregan, D.; Pope, K. Histological and ultrastructural evaluation of the effects of a radiofrequency-based nonablative dermal remodeling device: A pilot study. Arch. Dermatol. 2004, 140, 204–209. [Google Scholar] [CrossRef]
  36. Lee, Y.-S.; Hamilton, M.F. Time-domain modeling of pulsed finite-amplitude sound beams. J. Acoust. Soc. Am. 1995, 97, 906–917. [Google Scholar] [CrossRef]
  37. Hamilton, M.F.; Blackstock, D.T. (Eds.) Nonlinear Acoustics: Sound Beams; Academic Press: California, CA, USA, 1995. [Google Scholar]
Figure 1. Human skin layer.
Figure 1. Human skin layer.
Applsci 15 08485 g001
Figure 2. Difference between young and aged skin.
Figure 2. Difference between young and aged skin.
Applsci 15 08485 g002
Figure 3. Delivery of intense ultrasound energy at the (SMAS) layer to create thermal injury zones (TIZs).
Figure 3. Delivery of intense ultrasound energy at the (SMAS) layer to create thermal injury zones (TIZs).
Applsci 15 08485 g003
Figure 4. Phases of TCP-induced collagen remodeling: inflammation, proliferation, maturation, and remodeling.
Figure 4. Phases of TCP-induced collagen remodeling: inflammation, proliferation, maturation, and remodeling.
Applsci 15 08485 g004
Figure 5. More Young HIFU machine.
Figure 5. More Young HIFU machine.
Applsci 15 08485 g005
Figure 6. Safety stuck points.
Figure 6. Safety stuck points.
Applsci 15 08485 g006
Figure 7. Algorithm’s flow chart.
Figure 7. Algorithm’s flow chart.
Applsci 15 08485 g007
Figure 8. AC to DC converter schematic model.
Figure 8. AC to DC converter schematic model.
Applsci 15 08485 g008
Figure 9. System calibration schematic model.
Figure 9. System calibration schematic model.
Applsci 15 08485 g009
Figure 10. HIFU device model.
Figure 10. HIFU device model.
Applsci 15 08485 g010
Figure 11. HIFU hardware circuit.
Figure 11. HIFU hardware circuit.
Applsci 15 08485 g011
Figure 12. GUI hardware circuit.
Figure 12. GUI hardware circuit.
Applsci 15 08485 g012
Figure 13. VISIA screen information.
Figure 13. VISIA screen information.
Applsci 15 08485 g013
Figure 14. Pre and post-treatment with More Young HIFU via VISIA skin analysis.
Figure 14. Pre and post-treatment with More Young HIFU via VISIA skin analysis.
Applsci 15 08485 g014
Figure 15. Clustered of skin parameters before and after treatment (More Young).
Figure 15. Clustered of skin parameters before and after treatment (More Young).
Applsci 15 08485 g015
Figure 16. Clustered boxplot of skin parameters after treatment: More Young vs. 7D.
Figure 16. Clustered boxplot of skin parameters after treatment: More Young vs. 7D.
Applsci 15 08485 g016
Figure 17. Clustered boxplot of degree of improvement (DOI) for More Young vs. 7D.
Figure 17. Clustered boxplot of degree of improvement (DOI) for More Young vs. 7D.
Applsci 15 08485 g017
Table 1. Effectiveness of “More Young” treatment on skin parameters: pre- and post-treatment comparison.
Table 1. Effectiveness of “More Young” treatment on skin parameters: pre- and post-treatment comparison.
ParameterPre-Treatment MeanPost-Treatment MeanMean DifferenceStandard Error (SE)95% Confidence Intervalt-Value (df = 49)Cohen’s d
Wrinkles *52.1459.52−7.380.77(−8.928, −5.832)−9.5815.447
Textures *42.746.16−3.460.67(−4.806, −2.114)−5.1674.735
Spots *52.8855.8−2.920.153(−3.228, −2.612)−19.0311.085
UV Spots *55.3458.32−2.980.182(−3.345, −2.615)−16.3911.286
Brown Spots *52.8255.98−3.160.152(−3.466, −2.854)−20.7681.076
Pores53.8857.14−3.260.827(−4.923, −1.597)−3.945.851
Red Areas *56.9660.6−3.640.193(−4.028, −3.252)−18.8331.367
Porphyrins *50.5654.26−3.70.342(−4.387, −3.013)−10.822.418
Note: Parameters marked with an asterisk (*) indicate statistically significant differences at p < 0.05 after treatment compared to baseline.
Table 2. Comparison of post-treatment skin parameter outcomes between “More Young” and “7D” treatments.
Table 2. Comparison of post-treatment skin parameter outcomes between “More Young” and “7D” treatments.
ParameterMore Young Mean7D MeanMean DiffSE95% CI (Lower, Upper)t-Value (df = 49)p-ValueCohen’s d
Wrinkles *59.5255.384.140.6(2.93, 5.35)6.9<0.001 *0.976
Textures *46.1640.75.460.28(4.91, 6.01)19.79<0.001 *2.799
Spots55.851.784.022.07(−0.13, 8.17)1.950.0570.275
UV Spots *58.3255.642.681.29(0.08, 5.28)2.070.043 *0.293
Brown Spots *55.9851.624.361.6(1.15, 7.58)2.730.009 *0.385
Pores *57.1447.849.31.18(6.93, 11.67)7.89<0.001 *1.115
Red Areas *60.657.543.061.09(0.87, 5.25)2.810.007 *0.398
Porphyrins *54.2650.343.920.67(2.58, 5.26)5.87<0.001 *0.83
Note: Parameters marked with an asterisk (*) indicate statistically significant differences at p < 0.05 after treatment compared to baseline.
Table 3. Comparison of DOI between “More Young” and “7D” treatments.
Table 3. Comparison of DOI between “More Young” and “7D” treatments.
ParameterDOI (More Young)DOI (7D)Mean DifferenceStandard Error (SE)95% CI (Lower)95% CI (Upper)t-Valuep-ValueCohen’s d
Wrinkles *7.383.244.140.9511.157.133.1970.002 *0.639
Textures3.46−2.005.460.7763.017.911.8810.063−0.376
Spots2.92−1.104.021.106−1.319.350.7960.428−0.159
UV Spots2.980.302.680.363−0.425.780.8260.4110.165
Brown Spots3.16−1.204.360.2961.157.570.540.59−0.108
Pores *3.26−6.049.301.2258.0312.898.538<0.001 *−1.708
Red Areas *3.640.583.061.090.875.252.810.007 *0.398
Porphyrins *3.70−0.223.920.672.585.265.87<0.001 *0.83
Note: Parameters marked with an asterisk (*) indicate statistically significant differences at p < 0.05 after treatment compared to baseline.
Table 4. Long-term skin parameter outcomes at baseline, 2 months post-treatment, and 6-month follow-up for More Young and 7D devices.
Table 4. Long-term skin parameter outcomes at baseline, 2 months post-treatment, and 6-month follow-up for More Young and 7D devices.
Skin ParameterBaseline (Mean ± SD)Post-Treatment (2 Months)6-Month Follow-Up% Change (More Young)% Change (7D)
Wrinkles75.2 ± 5.352.4 ± 4.855.7 ± 5.1−25.9%−18.7%
Texture62.1 ± 6.145.8 ± 5.448.2 ± 5.7−22.4%−16.9%
Elasticity58.7 ± 4.970.5 ± 5.268.9 ± 5.5+17.4%+12.8%
Spots48.9 ± 5.736.2 ± 4.938.6 ± 5.1−21.1%−14.5%
UV Spots71.4 ± 6.254.9 ± 5.657.3 ± 5.9−19.7%−13.2%
Brown Spots53.8 ± 5.340.1 ± 4.742.5 ± 5.0−20.1%−14.0%
Pores68.2 ± 5.850.7 ± 5.253.1 ± 5.4−22.1%−15.8%
Red Areas60.5 ± 5.543.6 ± 4.945.9 ± 5.2−24.1%−17.3%
Porphyrins55.3 ± 5.638.9 ± 4.841.2 ± 5.0−25.5%−18.2%
Table 5. Patient satisfaction survey results at six months post-treatment for More Young and 7D devices.
Table 5. Patient satisfaction survey results at six months post-treatment for More Young and 7D devices.
Satisfaction CriteriaMore Young (Mean ± SD)7D (Mean ± SD)
Overall Satisfaction4.3 ± 0.53.8 ± 0.6
Wrinkle Reduction4.4 ± 0.43.9 ± 0.5
Skin Tightening4.5 ± 0.43.7 ± 0.5
Texture Improvement4.2 ± 0.53.6 ± 0.6
Even Skin Tone4.3 ± 0.43.7 ± 0.5
Pore Size Reduction4.1 ± 0.53.5 ± 0.6
Disclaimer/Publisher’s Note: The statements, opinions and data contained in all publications are solely those of the individual author(s) and contributor(s) and not of MDPI and/or the editor(s). MDPI and/or the editor(s) disclaim responsibility for any injury to people or property resulting from any ideas, methods, instructions or products referred to in the content.

Share and Cite

MDPI and ACS Style

Adib, I.; Liu, Y. Evaluating the Efficacy of the More Young HIFU Device for Facial Skin Improvement: A Comparative Study with 7D Ultrasound. Appl. Sci. 2025, 15, 8485. https://doi.org/10.3390/app15158485

AMA Style

Adib I, Liu Y. Evaluating the Efficacy of the More Young HIFU Device for Facial Skin Improvement: A Comparative Study with 7D Ultrasound. Applied Sciences. 2025; 15(15):8485. https://doi.org/10.3390/app15158485

Chicago/Turabian Style

Adib, Ihab, and Youjun Liu. 2025. "Evaluating the Efficacy of the More Young HIFU Device for Facial Skin Improvement: A Comparative Study with 7D Ultrasound" Applied Sciences 15, no. 15: 8485. https://doi.org/10.3390/app15158485

APA Style

Adib, I., & Liu, Y. (2025). Evaluating the Efficacy of the More Young HIFU Device for Facial Skin Improvement: A Comparative Study with 7D Ultrasound. Applied Sciences, 15(15), 8485. https://doi.org/10.3390/app15158485

Note that from the first issue of 2016, this journal uses article numbers instead of page numbers. See further details here.

Article Metrics

Back to TopTop