Next Article in Journal
Research on Oriented Object Detection in Aerial Images Based on Architecture Search with Decoupled Detection Heads
Previous Article in Journal
The Effect of Non-Transferred Plasma Torch Electrodes on Plasma Jet: A Computational Study
 
 
Font Type:
Arial Georgia Verdana
Font Size:
Aa Aa Aa
Line Spacing:
Column Width:
Background:
Article

Validation of the Pull-Back Method for Dynamic Tensile Strength Characterization in Unidirectional Reinforced Concrete

1
School of Automation, Qingdao University, Qingdao 266071, China
2
College of Science and Technology, Ningbo University, Ningbo 315300, China
*
Author to whom correspondence should be addressed.
Appl. Sci. 2025, 15(15), 8369; https://doi.org/10.3390/app15158369
Submission received: 7 June 2025 / Revised: 22 July 2025 / Accepted: 25 July 2025 / Published: 28 July 2025
(This article belongs to the Section Civil Engineering)

Abstract

The pull-back method for determining dynamic tensile strength assumes one-dimensional stress wave propagation and material homogeneity. This study validates these assumptions for unidirectional reinforced concrete (UDRC) through experiments and numerical simulations. Split Hopkinson pressure bar tests were conducted on plain concrete, plain UDRC, and deformed UDRC specimens containing a central 6 mm steel bar. Ultra-high-speed digital image correlation at 500,000 fps enabled precise local strain rate measurements (3 s−1 to 55 s−1) at fracture locations. Finite element simulations revealed that while reinforcement induces localized multi-axial stresses near the steel–concrete interface, the bulk concrete maintains predominantly uniaxial stress conditions. Experimental results showed less than 1% variation in pull-back velocity between specimen types. Statistical analysis confirmed a unified strain rate-strength relationship: σ spall = 4.1 + 4.7 log 10 ( ε ˙ ) M Pa , independent of reinforcement configuration (ANCOVA: p = 0.2182 for interaction term). The dynamic tensile strength is governed by concrete matrix properties rather than reinforcement type. These findings are the first to experimentally and numerically validate the pull-back method’s applicability to UDRC systems, establishing that dynamic tensile failure is matrix-dominated and enabling simplified one-dimensional analysis for reinforced concrete under impact.

1. Introduction

Reinforced concrete structures constitute the backbone of modern civil infrastructure, from conventional buildings to critical protective facilities designed to withstand extreme dynamic loads [1,2,3]. Under impact, blast, or seismic loading conditions, these structures experience complex stress states at strain rates several orders of magnitude higher than quasi-static conditions [4,5,6]. The tensile response is particularly critical, as concrete’s inherent brittleness and low tensile strength often govern structural failure modes under dynamic loading [7,8].
Characterizing dynamic tensile behavior presents fundamental challenges due to limitations in conventional testing methodologies. Traditional approaches, including direct tension tests using split Hopkinson bar systems [9] and indirect methods such as Brazilian splitting tests [10,11,12], require quasi-static equilibrium during testing [13,14]. This requirement constrains achievable strain rates to ranges often insufficient for simulating impact and blast scenarios [4,15].
The spalling technique has emerged as a powerful alternative, capable of achieving strain rates exceeding 100 s−1 without equilibrium constraints [16,17,18]. In this method, compressive stress waves reflect as tensile waves from free surfaces, creating superposition that induces tensile failure within specimens [17]. Three primary analysis methods have been established for interpreting spalling test results:
Method A (Stress Field Reconstruction): Reconstructs elastic stress fields based on wave propagation theory and identifies stress levels at observed fracture locations [16,17]. This approach assumes purely elastic behavior until maximum stress and requires accurate fracture localization.
Method B (Fragment Velocity Analysis): Relates spall strength to ejection velocities of spalled fragments [16]. However, determining relevant velocities at failure instants is challenging, particularly with diffuse damage patterns.
Method C (Pull-back Velocity Method): Based on Novikov et al.’s acoustic approximation [19], this method directly correlates spall strength with the “pull-back” velocity observed at the specimen’s free surface [17,20]. The method assumes elastic behavior between the spall plane and free surface, along with material homogeneity. Comparative studies have demonstrated that the pull-back method (Method C) provides the most robust results, particularly for complex fracture patterns [17]. While successfully validated for plain concrete [17,20,21], its application to unidirectional reinforced concrete (UDRC) introduces fundamental challenges that remain unaddressed in the literature.
The theoretical foundation of the pull-back method relies on one-dimensional stress wave propagation and material homogeneity assumptions. However, in UDRC systems: (i) the steel reinforcement creates a significant impedance mismatch ( Z steel / Z concrete 15 ); (ii) multi-axial stress states develop near the steel–concrete interface; and (iii) material homogeneity is inherently violated. Additionally, accurate strain rate quantification—essential for establishing rate-dependent strength relationships—is complicated by the composite nature of UDRC. Traditional global measurement methods may underestimate local strain rates at fracture initiation sites. Furthermore, the influence of reinforcement type (plain versus deformed bars) on spall strength determination remains unexplored.
While the pull-back method is well-validated for plain concrete, its application to UDRC remains a critical knowledge gap. This study, for the first time, systematically investigates the validity of the method’s core assumptions in a composite system by quantifying the influence of reinforcement on internal stress states and macroscopic dynamic response combining experimental testing, numerical validation, and advanced measurement techniques. The research objectives are threefold:
  • Theoretical Validation: Assess the validity of one-dimensional stress assumptions in the pull-back method when applied to UDRC systems through comprehensive finite element analysis, establishing quantitative criteria for method applicability.
  • Parametric Investigation: Systematically evaluate the influence of reinforcement configuration (plain versus deformed bars) on dynamic tensile strength as determined by the pull-back method.
  • Comprehensive Validation: Establish statistical relationships between strain rate (determined using digital image correlation) and spall strength for plain concrete and UDRC configurations, providing validated engineering guidance for the pull-back method’s application to reinforced concrete systems.

2. Theoretical Framework of the Pull-Back Method

The dynamic tensile strength of materials at high strain rates is often investigated using spalling techniques, where tensile fracture is induced by the reflection of a compressive stress wave from a free surface. The pull-back method, based on one-dimensional stress wave theory, is commonly employed to determine the spall strength from the free surface velocity history.
For a homogeneous elastic bar of density ρ and Young’s modulus E, the propagation of a longitudinal stress wave can be described by the one-dimensional wave equation:
2 u t 2 = C 0 2 2 u x 2
where u ( x , t ) is the axial displacement at position x and time t, and C 0 = E / ρ is the longitudinal wave speed. The general solution to this equation, according to d’Alembert, consists of forward and backward traveling waves:
u ( x , t ) = f ( x C 0 t ) + g ( x + C 0 t )
From this, particle velocity v = u / t and axial stress σ = E ( u / x ) can be derived.
The interaction of these waves governs the stress state within the specimen. When an incident compressive wave (C) travels through the specimen and reflects from the free end, it becomes a tensile wave (T). The superposition of the incident compressive wave and the reflected tensile wave leads to a region of high tensile stress within the material, as illustrated in the x–t diagram (Figure 1). If this tensile stress exceeds the material’s dynamic tensile strength, spall fracture occurs.
Spall fracture creates a new free surface within the specimen, generating unloading waves that propagate towards both the impact end and the original free end. The unloading wave reaching the original free surface causes a characteristic deceleration or “pull-back” in the free surface velocity. This pull-back velocity, Δ v p b , is defined as the difference between the peak free surface velocity ( v p e a k ) and the first minimum (rebound velocity, v r e b o u n d ) after the peak, as shown in Figure 2.
Δ v p b = v p e a k v r e b o u n d
Based on an acoustic approximation and assuming elastic behavior between the spall plane and the free surface, Novikov et al. [19] proposed a relationship to calculate the spall strength σ s p a l l directly from Δ v p b :
σ s p a l l = 1 2 ρ C 0 Δ v p b
This formula, often referred to as the pull-back method, is widely used due to its simplicity and direct reliance on the easily measurable free surface velocity. The application of Equation (4) relies on certain ideal conditions, such as one-dimensional wave propagation and material homogeneity. The validity of these conditions for unidirectional reinforced concrete (UDRC) systems is a key focus of this study and will be assessed using numerical and experimental methods.

3. Numerical Simulation of UDRC Spallation

To gain deeper insight into the internal stress wave propagation, the stress state evolution within unidirectional reinforced concrete (UDRC) specimens, and the influence of reinforcement on spallation behavior, finite element simulations were performed using LS-DYNA. These simulations complement the experimental findings by providing data not directly measurable, such as internal stress distributions, and by allowing for a comparative analysis with plain concrete behavior under similar loading conditions.

3.1. Finite Element Model Setup

An axisymmetric finite element model was developed to simulate the one-dimensional stress spallation experiments. The model focused on the specimen itself, which had a length of 1000 mm and a diameter of 74 mm. For UDRC specimens, a 6 mm diameter steel reinforcement bar (either plain or deformed, corresponding to the experimental series) was modeled centrally. Four-node axisymmetric elements with a characteristic size of 1 mm were used; this mesh density was determined to be adequate based on convergence studies (details omitted for brevity but ensured stable and reasonably accurate results for the phenomena of interest). Perfect bonding between the reinforcement and concrete was assumed and implemented via shared nodes at their interface.
The concrete material was represented using the Karagozian and Case Concrete (KCC) model [22], which is well suited for capturing essential dynamic characteristics of concrete, including strain rate dependency and damage evolution. The specific parameters for the KCC model adopted in these simulations are detailed in Table 1. The steel reinforcement was modeled using an elastic material model (*MAT_ELASTIC* in LS-DYNA terminology), with its material properties listed in Table 2. This elastic assumption for steel is justified as stresses in the rebar were anticipated to remain below its yield strength during the primary concrete spallation event.
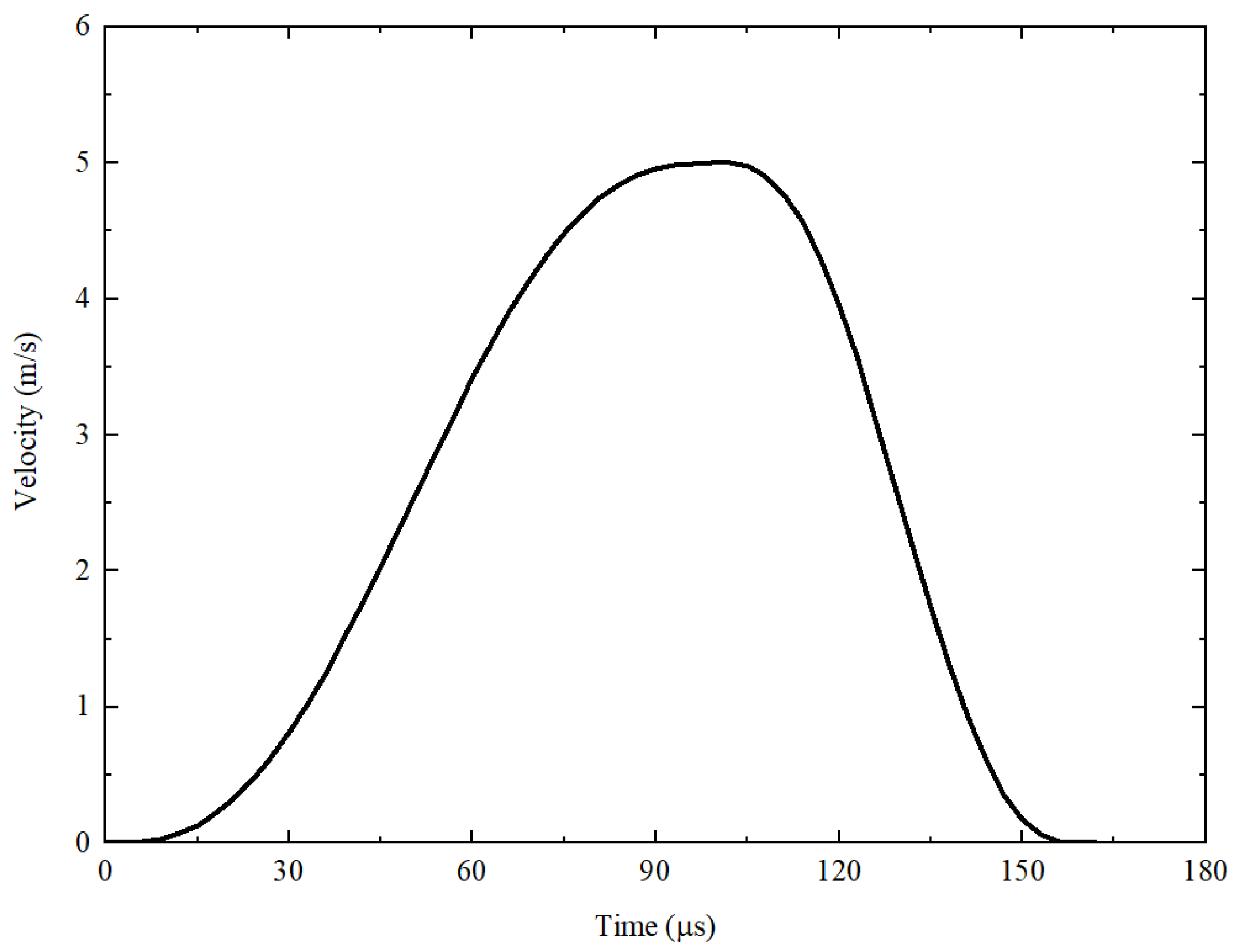
Loading was applied as a velocity boundary condition at the input end (left end) of the specimen model. This velocity history, shown in Figure 3, was derived from experimental strain gauge data recorded by the first strain gauge (strain gauge #1) on the specimen near the bar-specimen interface, and converted to particle velocity using Equation (5) [14]. The other end of the specimen was modeled as a free surface to allow for wave reflection. Standard symmetry boundary conditions were applied along the central axis of the axisymmetric model.
v ( t ) = E / ρ ε g a u g e ( t )

3.2. Stress State Analysis in UDRC and Comparison with Plain Concrete

The internal stress state within UDRC and PC specimens was meticulously investigated to assess the validity of the one-dimensional stress assumption. The analysis focused on radial distributions of stress components and derived stress state parameters at a specific cross-section located 535.5   m m from the impact end. These distributions were captured at the time instant when the axial compressive stress at this section reached its maximum magnitude, assuming an elastic material response throughout this pre-spall phase.
Two key parameters are used to characterize the stress state:
  • Stress Triaxiality ( σ m / σ eq ): The ratio of mean stress to von Mises equivalent stress. For ideal uniaxial compression, this ratio is 1 / 3 .
  • Lode Parameter ( L ): Defined as L = cos ( 3 θ ) , where θ is the Lode angle. For ideal uniaxial compression, L = 1 .
Comparative Radial Distribution of Stress Components: Figure 4 presents the comparison of radial distribution profiles for axial stress ( σ z z ) and secondary stress components (radial σ r r , hoop σ θ θ , and shear τ r z ) between UDRC and PC specimens.
As observed in Figure 4a, the axial compressive stress ( σ z z ) profiles in the concrete matrix region of the UDRC specimen essentially coincide with those in the plain concrete (PC) specimen, maintaining a stable magnitude of approximately −42 MPa throughout the bulk of the concrete. The secondary stress components in the UDRC specimen (series ending in ‘_UDRC’ in Figure 4b–d) are most pronounced near the rebar–concrete interface ( r 3 mm). Even at their peak magnitudes near the interface—approximately −3.1 MPa for radial stress, −2.9 MPa for hoop stress—these are less than 8% of the −42 MPa axial stress. These secondary stresses exhibit a rapid, approximately exponential decay with increasing radial distance, diminishing to about 10% of their respective interface peak values by a radial position approximately 5 m m from the rebar surface. In contrast, for the plain concrete specimen, the corresponding secondary stresses are generally negligible across the radius, typically remaining below 0.1 MPa. Consequently, in the bulk concrete region of UDRC ( r > 8 mm), its secondary stresses are very small and comparable to the already low levels in plain concrete.
Comparative Radial Distribution of Lode Parameter and Stress Triaxiality: Figure 5 illustrates the radial profiles of the Lode parameter (L) and stress triaxiality ( σ m / σ e q ) for both UDRC and PC specimens.
The LODE parameter profiles (Figure 5a) show that for plain concrete, L O D E is consistently very close to −1 across the radius. For UDRC, L O D E is also predominantly around −1 in most of the concrete matrix. A slight deviation occurs near the rebar–concrete interface ( r 3 mm to 8 mm from axis), where L O D E U D R C reaches approximately −0.94, still indicating a state very close to uniaxial compression. Similarly, stress triaxiality profiles (Figure 5b) for plain concrete remain very close to 1 / 3 . For UDRC, the stress triaxiality essentially coincides with the PC profile in the bulk concrete.
The internal stress state within the UDRC and plain concrete (PC) specimens was meticulously investigated to assess the validity of the one-dimensional stress assumption. The analysis first considered the peak compressive phase of the wave. As shown in Figure 4 and Figure 5, while the reinforcement induces localized multi-axiality at the UDRC interface, the stress state in the bulk concrete matrix closely approximates uniaxial compression and is highly comparable to that in plain concrete.
To more directly validate the assumption under the critical loading conditions leading to fracture, the analysis was extended to the tensile phase. Figure 6 presents the radial distribution of stress components at the time and location just prior to spall initiation. This provides the most direct evidence: while the axial stress is tensile, the secondary stress components—radial, shear, and hoop stress—are all negligible and close to zero across the entire concrete cross-section outside the immediate rebar interface. Furthermore, Figure 7 shows that the stress triaxiality and Lode parameter maintain stable and uniform values across the bulk concrete region, closely approaching the theoretical values for pure uniaxial tension.
Taken together, these complementary analyses of both the compressive and tensile phases confirm that the stress state remains predominantly one-dimensional. This robustly validates the application of the pull-back method to the UDRC system, a conclusion further corroborated by the macroscopic dynamic response discussed in Section 3.4.

3.3. Interface Bond Behavior Verification

To address the potential influence of steel–concrete interface behavior on the simulation results, a comprehensive sensitivity analysis was conducted comparing the shared-node (perfect bond) assumption with a cohesive zone modeling approach.
Cohesive elements were implemented at the steel–concrete interface to simulate realistic bond-slip behavior using the *CONTACT_AUTOMATIC_SURFACE_TO_SURFACE_TIEBREAK formulation in LS-DYNA. The interface behavior was governed by a bilinear traction-separation law, with parameters calibrated based on established bond-slip relationships for steel reinforcement in concrete under dynamic loading conditions. The cohesive model was characterized by the following parameters:
  • Maximum normal stress: σ max = 1.5 f c k
  • Maximum shear stress: τ max = 2.5 f c k
  • Critical normal displacement: δ n , c = 0.1 mm
  • Critical shear displacement: δ s , c = 0.15 mm
where f c k represents the characteristic compressive strength of concrete. For the C40 concrete employed in this study ( f c k = 40 MPa), the theoretical maximum bond shear stress was calculated according to established design codes as follows:
τ max = 2.5 40 = 15.4   MPa
This value serves as the critical threshold for interface debonding under the given material conditions.
The finite element simulations revealed that the actual interface shear stress reached a maximum of only 0.8   M Pa , occurring at approximately t = 261 μs (Figure 8). This peak stress is approximately 19 times lower than the theoretical bond failure threshold given in Equation (6), indicating that the interface remains well within the elastic range throughout the entire loading process. This substantial safety margin definitively confirms that bond slip or debonding phenomena are not of concern under the investigated loading conditions.
Figure 9 presents a quantitative comparison of stress triaxiality and Lode parameter distributions between the shared-node and cohesive zone models. Remarkably, the cohesive zone model yields stress states in the bulk concrete region ( r > 8 mm) that demonstrate improved consistency with the ideal uniaxial compression value of 1 / 3 for stress triaxiality. This counterintuitive finding can be attributed to the slight compliance introduced at the interface through the cohesive formulation, which effectively reduces stress concentrations and promotes more uniform stress distribution throughout the concrete matrix. Consequently, the cohesive zone analysis actually reinforces rather than undermines the validity of the one-dimensional stress assumption underlying the pull-back method.
In summary, the sensitivity analysis demonstrates that the influence of cohesive elements on the stress state becomes more pronounced with increasing interface stiffness, with the shared-node constraint condition representing the maximum possible influence on the stress state of concrete in the vicinity of the reinforcement. Therefore, the shared-node modeling approach is adopted throughout this study as it provides the most conservative assessment of the interface effects on the overall structural response while maintaining computational efficiency and ensuring that the method validation encompasses the most restrictive conditions.

3.4. Comparison of Free Surface Velocity and Failure Modes

The simulated free surface velocity histories for plain concrete, plain UDRC, and deformed UDRC specimens are compared in Figure 10. A key observation is the remarkable similarity in the initial rising part of the velocity curve and the peak velocity ( v p e a k ) among all specimen types. Furthermore, the pull-back velocity ( Δ v p b ) derived from these curves shows minimal differences, typically within 1%. This finding is crucial as it suggests that the presence of the central reinforcing bar does not significantly alter the macroscopic free surface response used to calculate the spall strength via Equation (4) (defined in Section 2), strongly supporting the method’s applicability to UDRC.
Failure modes and crack evolution were also compared. Figure 11 shows the typical spallation process in a plain concrete specimen, characterized by the formation of one or more spall layers that tend to separate completely from the main body of the specimen. In contrast, Figure 12 illustrates the behavior of a deformed UDRC specimen. While spall cracks also form in the concrete matrix, the continuous steel reinforcement often prevents the complete separation of spalled fragments. The reinforcement can bridge the cracks and maintain a degree of structural integrity even after concrete failure. However, the interaction between the stress waves and the reinforcement may sometimes lead to more complex crack patterns or secondary damage in UDRC compared to plain concrete, as stress waves can be guided or reflected by the rebar. These simulations help visualize the internal fracture process and the role of reinforcement, which is consistent with experimental observations of differing post-failure behavior.

4. Materials and Experimental Methodology

4.1. Material and Specimen Fabrication

Both plain concrete and unidirectional reinforced concrete (UDRC) specimens were fabricated for this study, as illustrated schematically in Figure 13. The UDRC specimens featured a centrally positioned 6 m m diameter steel bar, which could be either plain round or deformed with a standard rib pattern. This bar was precisely fixed in the mold prior to concrete casting to ensure its central alignment. All specimens were manufactured with a nominal diameter of 74 m m and a length of 1000 m m . With an aspect ratio exceeding 10, the stress state along their longitudinal axis during dynamic loading can be considered approximately uniaxial [14].
The concrete used for all specimens was specified as grade C40. The detailed mix design is presented in Table 3. The maximum size of the coarse aggregate (continuously graded crushed stone) was 10 mm, selected to ensure material homogeneity relative to the specimen diameter.
The specimens were cast in custom-designed steel molds. After casting, they were cured in a saturated lime–water environment for 28 days according to standard protocols. Following curing, the specimens were dried in a forced-air convection oven at a controlled temperature of 60 °C for approximately 48 h until they reached a constant weight, ensuring a consistent moisture state before testing.
Material characterization was performed to determine the quasi-static mechanical properties of the concrete. Compressive strength and Young’s modulus were evaluated from tests on 150 m m cubic concrete specimens using an MTS materials testing system (MTS-180-50), MTS Systems Corporation, Eden Prairie, MN, USA adhering to ASTM C39 and ASTM C469 standards, respectively. The static tensile strength of the concrete was determined through quasi-static Brazilian disk tests conducted on 74 m m diameter by 37 m m thick specimens, as per ASTM C496. The key quasi-static mechanical properties obtained for the C40 concrete are summarized in Table 4. The steel reinforcement (both plain and deformed 6 m m bars) had a nominal yield strength of approximately 335 M Pa and an ultimate tensile strength around 400 M Pa , with a Young’s modulus of 210 G Pa and density of 7800 k g / m 3 .

4.2. Experimental Setup and Procedure

The dynamic spalling experiments were carried out using a large-diameter Split Hopkinson pressure bar (SHPB) system, with bars of 74 m m in diameter. Figure 14 depicts the schematic arrangement of the one-dimensional stress spalling experiment. The projectile, also measuring 74 m m in diameter and 100 m m in length, was launched by a gas gun. A 2 m m thick annealed copper disk was used as a pulse shaper, placed on the impact face of the projectile to tailor the incident stress wave, typically by elongating its rise time and promoting a smoother profile. This helps in achieving a more uniform stress state within the specimen before fracture and satisfying the conditions for one-dimensional wave analysis. The compressive incident wave generated upon impact is directed into the concrete or UDRC specimen, leading to spall fracture near its free end. To ensure good mechanical coupling and wave transmission, a thin layer of Vaseline was applied to the impact interface between the specimen and the end of the incident bar.
A Kirana-05M ultra-high-speed camera system (Specialised Imaging, Tring, UK) was employed to capture the full-field deformation and spalling process of the specimen surface. The camera was typically focused on the region 600 to 900 m m from the impact end of the specimen, where multiple spall fractures were anticipated. This setup provided adequate spatial resolution (approximately 0.334   m m per pixel) for subsequent digital image correlation (DIC) analysis. The imaging system operated at a frame rate of 500,000 frames per second (fps), corresponding to a 2 μs interframe sampling interval.
For complementary strain measurements, two pairs of electrical resistance strain gauges were symmetrically positioned on the specimen’s surface at distances of 300 m m and 600 m m from the impact end. These gauges were used to record the axial strain time history at discrete locations, providing reference data on wave propagation and general strain levels within the specimen.
Furthermore, a HSV-E-100 laser Doppler ((Polytec GmbH, Waldbronn, Germany)) vibrometer was utilized to precisely record the particle velocity history at the center of the specimen’s free (rear) end. This infrared velocity meter has a spot diameter of approximately 2 m m , a velocity measurement range of 0 to 24 m s−1, and a high temporal resolution with a sampling capability of up to 4 data points per microsecond.
Figure 15 shows representative data obtained from a test, including the strain history recorded by the strain gauges and the velocity history of the specimen’s free end recorded by the laser vibrometer. Analysis of such strain histories indicates that the incident stress pulse typically had a duration of approximately 180 μs. Given the concrete’s wave speed, this corresponds to a wavelength of roughly 1 m within the specimen. This relatively long wavelength compared to the bar diameter ( a / λ ( 0.037 m ) / ( 1 m ) 0.037 1 , where a is the bar radius and λ is the wavelength) supports the application of one-dimensional stress wave theory for analyzing these experiments [14].
To ensure the accuracy of the spall strength calculation using Equation (4), the specific material properties for each specimen configuration were carefully determined from the experimental data. For the UDRC specimens, the effective density ( ρ e f f ) was calculated using a rule-of-mixtures based on the respective volume fractions and densities of steel and concrete. For plain concrete specimens, the measured bulk density was used. The longitudinal wave speed ( C 0 ) was not assumed to be a constant value but was determined experimentally for each individual test. This was achieved by measuring the transit time ( Δ t ) of the incident wave front between the strain gauge located at 300 m m from the impact end (i.e., 700 m m from the free end) and the free surface itself. The wave speed for each test was then calculated as C 0 = ( 700   m m ) / Δ t . This data-driven approach ensures that the effective wave speed, which accounts for the influence of the reinforcement, is accurately used in the spall strength calculation, thereby directly addressing the heterogeneity of the UDRC system.

4.3. Digital Image Correlation (DIC) Methodology

Digital image correlation (DIC) was employed as a non-contact, full-field optical technique to measure surface displacements and derive strain fields on the specimens during the dynamic spalling events. Given that the inherent surface texture of concrete typically lacks the necessary unique features for high-precision correlation, an artificial speckle pattern was applied to the region of interest on each specimen. The standard preparation procedure involved first applying a thin, uniform layer of white primer paint. After complete drying of the primer, a fine mist of black paint was sprayed using an airbrush to create a random, isotropic, and high-contrast speckle pattern. The quality of this pattern is crucial for the accuracy of DIC measurements. An example of such a prepared surface is shown in Figure 16.
Based on theoretical analyses and preliminary experiments, spall fractures predominantly occurred within the 700 to 900 m m range from the impact end for the long concrete rods under investigation. Consequently, the high-speed camera’s field of view was set to cover the region from approximately 600 to 900 m m from the impact end, yielding a spatial resolution of about 0.334   m m per pixel.
The sequences of high-speed images captured during each experiment were processed using the commercial DIC software MatchID(2022.2.3). The zero-normalized sum of squared differences (ZNSSD) algorithm was utilized as the correlation criterion. Based on sensitivity analyses to balance spatial resolution and measurement noise, a subset size of 31 × 31 pixels and a step size of 5 pixels were adopted. Full-field displacement data ( u x , u y ) were first obtained from which strain fields were calculated using a finite difference method with appropriate smoothing.
The DIC analysis procedure involved three main steps: (1) identification of fracture locations through discontinuities in displacement fields and strain localizations; (2) definition of virtual strain gauges (VSGs) at these critical locations to extract local strain histories, each VSG was defined over a 5 × 5 grid of adjacent calculation points; and (3) calculation of strain rates from the strain-time data using numerical differentiation with Tikhonov regularization to mitigate noise amplification. The overall methodology for applying DIC to characterize the dynamic behavior and spall strength of concrete has been previously established and validated by the authors [23].

5. Results and Analysis

5.1. Qualitative Failure Process from DIC Analysis

The dynamic fracture process under spalling conditions was characterized using the ultra-high-speed DIC system described in Section 4.3. Figure 17 illustrates the typical temporal evolution of the axial displacement ( u x ) and axial strain ( ε x x ) fields on the surface of a representative Deformed UDRC specimen, Z003-25.
Figure 17a shows the displacement contour maps at four key time instances. At T = 0 µ s , the specimen is in its initial state. By T = 136 µ s , the incident compressive wave is traveling from left to right, indicated by the smoothly varying displacement field. At T = 298 µ s , after wave reflection from the free end, a region of rapidly changing displacement becomes visible. By T = 360 µ s , a clear discontinuity in the displacement field is established near the free end, with the spalled fragment reaching a maximum displacement of approximately 0.4 mm, signifying the opening of a macroscopic spall crack.
The corresponding axial strain field evolution, shown in Figure 17b, provides a clearer view of the fracture initiation process. At T = 136 µ s , the specimen experiences compression from the incident wave. At T = 298 µ s , the superposition of incident and reflected waves creates a distinct band of high tensile strain near the free end. This strain localization intensifies by T = 360 µ s , clearly delineating the primary spall fracture location at approximately X = 165 m m from the free end. The peak tensile strain reaches 0.021, while adjacent regions show compressive strains of approximately 5 × 10−5. This visualization confirms that fracture initiates in regions of highest localized tensile strain, validating the spalling mechanism.
Beyond the strain localization captured by DIC, the final failure modes observed in post-test photographs offered direct experimental validation of the reinforcement’s role. Figure 18 presents a stark visual contrast in the post-fracture behavior between the specimen types. The plain concrete specimen (Figure 18a) shows three distinct, catastrophic fractures, resulting in complete fragment separation. In contrast, while the UDRC specimen (Figure 18b) exhibits at least four visible cracks across the matrix, its structural integrity is maintained by the internal steel reinforcement, which bridges the cracks and prevents fragment detachment. This direct observation strongly corroborates the numerical simulation results and highlights the critical function of reinforcement in providing residual capacity after initial failure.

5.2. Local Strain and Strain Rate Determination at Fracture Locations

Following the qualitative identification of fracture locations, quantitative analysis was performed to determine the local material response at these critical sites using the virtual strain gauge (with a gauge length of 15 pixels (approximately 5 mm) were defined at fracture locations to extract local strain histories.) approach outlined in Section 4.3. Figure 19 presents a representative example for specimen Z001-29.
The black curve shows the local axial strain history, ε ( t ) , measured at the primary spall crack location. The history captures an initial compressive phase from the incident wave, followed by tensile loading as the reflected wave creates tension. Fracture occurs at approximately t = 240 μs, with a peak tensile strain of approximately 980 με.
The red curve shows the corresponding strain rate history, ε ˙ ( t ) , calculated using the numerical differentiation procedure with Tikhonov regularization described in Section 4.3. To determine a single, representative strain rate for correlation analysis, we implemented a quantitative procedure. The representative strain rate was calculated as the average of the strain rate data ( ε ˙ ( t ) ) over the time interval corresponding to the final tensile loading phase, specifically where the local tensile strain ( ε ( t ) ) increased from 0 to its measured peak value. For the example shown in Figure 19, this procedure yields a representative strain rate of approximately 26 s−1. This method provides an objective and reproducible measure of the loading rate immediately preceding fracture and forms the basis for the rate-dependent strength relationships analyzed in the following section.

5.3. Statistical Analysis of Strain Rate-Strength Relationships

A comprehensive statistical analysis was conducted based on the spall strength and corresponding local strain rate determined for each of the 18 experiments. The complete dataset, including calculated dynamic increase factors (DIF), is summarized in Table 5. The objectives of the analysis were to characterize the material’s strain rate sensitivity and to quantitatively assess the influence of the reinforcement configuration.
Figure 20 plots the spall strength as a function of strain rate (on a logarithmic scale) for all three specimen types. A clear positive correlation is evident, and the data for all configurations appear to follow a single common trend. A logarithmic regression on the combined dataset yields the following empirical relationship:
σ s p a l l = 4.1 + 4.7 log ( ε ˙ ) ( MPa )
It should be noted that this empirical relationship is validated for the range of local strain rates investigated in this study, approximately from 3 s−1 to 55 s−1.
To rigorously test whether this relationship is statistically consistent across the three material groups, an analysis of covariance (ANCOVA) was performed. This analysis evaluates the influence of the specimen type while controlling for the effect of the strain rate. The results of the ANCOVA are summarized in Table 6.
The ANCOVA results provide two key insights. First, the interaction term, Specimen Type:Log Strain Rate, yields a p-value of 0.2182. As this value is significantly greater than the significance level of α = 0.05 , it indicates that the slopes of the regression lines for the three groups are not statistically different. This means the rate-dependency of spall strength is consistent across all tested configurations. It is worth noting, however, that with an F-statistic of 1.73, the possibility of a very small interaction effect cannot be entirely ruled out by the current dataset; a larger dataset would be required to definitively confirm the complete absence of any influence of reinforcement type on strain rate sensitivity. Second, the main effect for Specimen Type has a p-value of 0.2701, which confirms that there is no significant difference in the overall magnitude of spall strength between the groups after accounting for the effect of strain rate.
Collectively, these statistical results provide robust evidence for a principal finding of this study: the relationship between dynamic tensile strength and strain rate is governed primarily by the properties of the concrete matrix and is not significantly affected by the presence or type of reinforcement under the tested conditions.
It is also worth noting a subtle trend within the experimental data. Although the ANCOVA confirmed no statistically significant difference between the groups, the results for the deformed UDRC specimens appeared to exhibit slightly more scatter and included the two lowest strength values in the dataset (see Figure 20). A plausible physical interpretation for this observation, which does not contradict the overall matrix-dominated conclusion, relates to the geometry of the deformed bars. The ribs on the deformed rebar likely introduce localized stress concentrations at the steel–concrete interface. While these micro-level stress risers may not be sufficient to alter the average macroscopic spall strength significantly, they could act as random premature initiation sites for microcracks. This would naturally lead to a higher variability in the measured strength and could explain the occasional lower-bound values observed. This suggests that while the bulk dynamic tensile response is governed by the concrete matrix, the local interface geometry of the reinforcement can introduce a secondary source of variability.

6. Discussion

6.1. Validation of the Method’s Theoretical Assumptions for UDRC

A primary objective of this study was to validate the pull-back method’s core assumptions of one-dimensional stress and material homogeneity when applied to a composite system like UDRC. While the Novikov formula has inherent one-dimensional limitations for heterogeneous materials—including the homogenization assumption that treats multi-phase UDRC as an equivalent uniform medium, uniaxial stress assumptions that neglect lateral confinement effects, and simplified interface modeling that cannot capture rebar–concrete bond-slip behavior—our controlled experimental conditions demonstrate its practical reliability for UDRC spall strength measurement.
Our finite element simulations provide compelling evidence for the method’s applicability. The analysis of stress triaxiality shows that regions of significant multi-axial stress are confined to a small area immediately surrounding the rebar, while the bulk of the specimen cross-section, where spalling initiates, remains in a predominantly one-dimensional stress state. Furthermore, despite the high impedance mismatch between steel and concrete, the simulations predicted that the free surface velocity–the key measurement for the pull-back method–would not be significantly altered. This numerical prediction was subsequently confirmed by our experimental results, which demonstrated statistically indistinguishable free surface velocity profiles and spall strengths between plain and reinforced concrete specimens. This convergence of numerical and experimental findings strongly validates the use of the pull-back method for UDRC systems under the tested conditions, proving that despite the theoretical limitations of one-dimensional wave theory, the method provides reliable engineering measurements when experimental parameters are properly designed to approximate the underlying model assumptions.

6.2. Matrix-Dominated Behavior and Engineering Implications

The statistical analysis provided a principal finding of this study: the dynamic tensile strength of UDRC, as measured by the pull-back method, is governed primarily by the properties of the concrete matrix rather than the reinforcement configuration. This matrix-dominated behavior is likely attributable to scale effects, where the spall fracture process occurs at a scale larger than the reinforcement diameter, and the fact that under these rapid, one-dimensional tensile conditions, the reinforcement is less effective at resisting crack initiation. This insight has significant engineering implications. For the design of protective structures against impact or blast, it suggests that plain concrete properties can be used for a conservative and simplified assessment of dynamic tensile capacity in the investigated strain rate regime. Furthermore, the choice between plain and deformed bars may have minimal influence on initial spall strength, allowing other factors like static performance or cost to guide the selection.

6.3. Limitations and Future Research

The conclusions of this study should be interpreted within the context of several important limitations. The experimental investigation was conducted on a single concrete grade using specimens with a single, centrally located reinforcement bar, resulting in a relatively low reinforcement ratio (approx. 0.66%). While this controlled approach was necessary for establishing fundamental principles, it also defines the boundary conditions for our “matrix-dominated” conclusion. At significantly higher reinforcement ratios, for instance, the volume of concrete influenced by the multi-axial stress fields near the steel–concrete interfaces would increase. This could potentially challenge the validity of the one-dimensional stress assumption across a larger portion of the specimen, possibly leading to a scenario where the reinforcement configuration itself begins to influence the measured spall strength. Similarly, different distributions (e.g., multiple, smaller-diameter bars) or larger rebar diameters could introduce more complex wave scattering phenomena or alter bulk wave propagation. Future research should therefore systematically explore this broader parameter space to comprehensively map the boundary between matrix-dominated and reinforcement-influenced dynamic tensile behavior.
The strain rate regime examined in this study spans an intermediate range (approximately 3 s−1 to 55 s−1), which is representative of many practical loading scenarios. However, extending investigations to higher strain rates (>100 s−1) would provide valuable insights into UDRC behavior under more extreme loading conditions, such as those encountered in blast or impact scenarios. Additionally, advanced multiscale modeling approaches that incorporate detailed steel–concrete interface behavior could offer deeper understanding of local damage initiation and progression mechanisms.
Another significant limitation is that all specimens were tested under controlled uniform moisture conditions to isolate the effects of reinforcement from environmental factors. While this approach was essential for validating the fundamental applicability of the Novikov formula to UDRC, it does not reflect the heterogeneous moisture content typical of real operating conditions. Future research should investigate how moisture gradients—common in actual structures due to environmental exposure, differential curing, and seasonal variations—affect UDRC dynamic behavior. This work should include developing correction methodologies and establishing testing protocols that account for realistic service environments, thereby bridging the gap between controlled laboratory validation and practical field applications.

7. Conclusions

This study successfully validated the pull-back method for characterizing dynamic tensile strength in unidirectional reinforced concrete (UDRC) systems. The key findings are as follows:
  • The one-dimensional stress assumption remains valid despite UDRC’s heterogeneity. Finite element analysis showed that spall fractures initiate in regions maintaining stress triaxiality near 1 / 3 and Lode parameters near 1 , confirming uniaxial stress conditions in the bulk concrete.
  • The presence and type of reinforcement had a negligible influence on the measured pull-back velocity and the resulting dynamic tensile (spall) strength, which is governed by the concrete matrix. However, the reinforcement was found to be critical for post-fracture integrity, preventing fragment separation and providing residual capacity.
These findings enable confident application of the pull-back method to reinforced concrete systems and suggest that plain concrete properties provide conservative estimates for spall resistance in protective structure design. The matrix-dominated behavior allows reinforcement selection based on other design considerations. These conclusions are based on a configuration with a single, central reinforcing bar; future work should explore different reinforcement ratios, multiple bar configurations, and higher strain rate regimes to broaden the method’s validated application range.

Author Contributions

Conceptualization, X.Y.; methodology, X.Y.; software, X.Y.; validation, J.Z., J.G.; writing—original draft preparation, X.Y.; writing—review and editing, X.Y.; visualization, J.G.; supervision, X.Y.; project administration, X.Y. All authors have read and agreed to the published version of the manuscript.

Funding

This research was funded by the National Natural Science Foundation of China (no. 11390361).

Institutional Review Board Statement

Not applicable.

Informed Consent Statement

Not applicable.

Data Availability Statement

All the data will be provided upon request.

Conflicts of Interest

The authors declare no conflicts of interest. The funders had no role in the design of the study; in the collection, analyses, or interpretation of data; in the writing of the manuscript; or in the decision to publish the results.

Abbreviations

The following abbreviations are used in this manuscript:
UDRCUnidirectional reinforced concrete
DICDigital image correlation

References

  1. Lu, D.; Wang, G.; Du, X.; Wang, Y. A nonlinear dynamic uniaxial strength criterion that considers the ultimate dynamic strength of concrete. Int. J. Impact Eng. 2017, 103, 124–137. [Google Scholar] [CrossRef]
  2. Sanya, O.T.; Shi, J. Ultra-high-performance fiber reinforced concrete review: Constituents, properties, and applications. Innov. Infrastruct. Solut. 2023, 8, 188. [Google Scholar] [CrossRef]
  3. Esaker, M.; Thermou, G.E.; Neves, L. Impact resistance of concrete and fibre-reinforced concrete: A review. Int. J. Impact Eng. 2023, 180, 104722. [Google Scholar] [CrossRef]
  4. Forquin, P. Brittle materials at high-loading rates: An open area of research. Philos. Trans. R. Soc. A Math. Phys. Eng. Sci. 2017, 375, 20160436. [Google Scholar] [CrossRef]
  5. Zhao, F.; Wen, H. A comment on the maximum dynamic tensile strength of a concrete-like material. Int. J. Impact Eng. 2018, 115, 32–35. [Google Scholar] [CrossRef]
  6. Cheng, J.; Wen, H.; Cui, S.; Zhang, Y. Size effect of reinforced concrete beams under explosive loadings-An experimental and numerical study. Int. J. Impact Eng. 2025, 198, 105207. [Google Scholar] [CrossRef]
  7. Chen, X.; Ge, L.; Yuan, H.; Zhou, J. Effect of Prestatic Loading on Dynamic Tensile Strength of Concrete under High Strain Rates. J. Mater. Civ. Eng. 2016, 28, 06016018. [Google Scholar] [CrossRef]
  8. Yang, L.; Wen, H. An analytical model for the penetration of flat-nosed long rods into semi-infinite concrete targets. Int. J. Impact Eng. 2025, 195, 105100. [Google Scholar] [CrossRef]
  9. Cadoni, E.; Albertini, C.; Solomos, G. Analysis of the concrete behaviour in tension at high strain-rate by a modified Hopkinson bar in support of impact resistant structural design. J. Phys. (Proc.) 2006, 134, 647–652. [Google Scholar] [CrossRef]
  10. Tedesco, J.; Ross, C.; Kuennen, S. Experimental and numerical analysis of high strain-rate splitting tensile tests. ACI Mater. J. 1993, 90, 162–169. [Google Scholar] [CrossRef]
  11. Wang, Q.; Li, W.; Xie, H. Dynamic split tensile test of Flattened Brazilian Disc of rock with SHPB setup. Mech. Mater. 2009, 41, 252–260. [Google Scholar] [CrossRef]
  12. Song, Z.; Frühwirt, T.; Zhao, Y. Unveiling the rotation of the maximum principal strain in concrete discs under Brazilian tensile tests. Constr. Build. Mater. 2025, 463, 140036. [Google Scholar] [CrossRef]
  13. Kolsky, H. An investigation of the mechanical properties of materials at very high rates of loading. Proc. Phys. Soc. Sect. B 1949, 62, 676–700. [Google Scholar] [CrossRef]
  14. Wang, L.-l. CHAPTER 2—Elementary Theory of One-Dimensional Stress Waves in Bars. In Foundations of Stress Waves; Elsevier: Oxford, UK, 2007; pp. 7–55. [Google Scholar] [CrossRef]
  15. Pierron, F.; Forquin, P. Ultra high speed full-field deformation measurements on concrete spalling specimens and stiffness identification with the Virtual Fields Method. Strain 2012, 48, 388–405. [Google Scholar] [CrossRef]
  16. Klepaczko, J.; Brara, A. An experimental method for dynamic tensile testing of concrete by spalling. Int. J. Impact Eng. 2001, 25, 387–409. [Google Scholar] [CrossRef]
  17. Erzar, B.; Forquin, P. An Experimental Method to Determine the Tensile Strength of Concrete at High Rates of Strain. Exp. Mech. 2010, 50, 941–955. [Google Scholar] [CrossRef]
  18. Forquin, P.; Lukić, B. On the processing of spalling experiments. Part I: Identification of the dynamic tensile strength of concrete. J. Dyn. Behav. Mater. 2018, 4, 34–55. [Google Scholar] [CrossRef]
  19. Novikov, S.; Divnov, I.; Ivanov, A. The study of fracture of steel, aluminium and copper under explosive loading. Fiz. Met. Metalloved. 1966, 21, 608–615. [Google Scholar]
  20. Schuler, H.; Mayrhofer, C.; Thoma, K. Spall experiments for the measurement of the tensile strength and fracture energy of concrete at high strain rates. Int. J. Impact Eng. 2006, 32, 1635–1650. [Google Scholar] [CrossRef]
  21. Weerheijm, J.; Van Doormaal, J. Tensile failure of concrete at high loading rates: New test data on strength and fracture energy from instrumented spalling tests. Int. J. Impact Eng. 2007, 34, 609–626. [Google Scholar] [CrossRef]
  22. Livermore Software Technology Corporation. LS-DYNA Keyword User’s Manual Volume II Material Models, R13; ANSYS: Livermore, CA, USA, 2021; Available online: https://www.dynasupport.com/manuals/ls-dyna-manuals/ls-dyna_manual_volume_ii_r13.pdf (accessed on 20 May 2025).
  23. Yu, X.; Fu, Y.; Dong, X.; Zhou, F.; Ning, J.; Xu, J. Full Field Dic Analysis of One-Dimensional Spall Strength for Concrete. Chin. J. Theor. Appl. Mech. 2019, 51, 1064–1072. [Google Scholar] [CrossRef]
Figure 1. Schematic x–t diagram illustrating stress wave propagation and spall phenomenon: (C) incident compressive wave, (T) reflected tensile wave, and the spall event. Unloading waves U L , U R are generated from the spall plane.
Figure 1. Schematic x–t diagram illustrating stress wave propagation and spall phenomenon: (C) incident compressive wave, (T) reflected tensile wave, and the spall event. Unloading waves U L , U R are generated from the spall plane.
Applsci 15 08369 g001
Figure 2. Typical free surface velocity history illustrating the peak velocity ( v p e a k ), rebound velocity ( v r e b o u n d ), and the calculation of the pull-back velocity ( Δ v p b ).
Figure 2. Typical free surface velocity history illustrating the peak velocity ( v p e a k ), rebound velocity ( v r e b o u n d ), and the calculation of the pull-back velocity ( Δ v p b ).
Applsci 15 08369 g002
Figure 3. Prescribed velocity history applied as the input boundary condition at the left end of the FEM specimen model.
Figure 3. Prescribed velocity history applied as the input boundary condition at the left end of the FEM specimen model.
Applsci 15 08369 g003
Figure 4. Comparison of radial distribution of stress components between UDRC and plain concrete (PC) specimens at the cross-section 535.5 mm from the impact end (at time of peak axial compression): (a) axial stress, (b) radial stress, (c) hoop stress, and (d) shear stress τ r z .
Figure 4. Comparison of radial distribution of stress components between UDRC and plain concrete (PC) specimens at the cross-section 535.5 mm from the impact end (at time of peak axial compression): (a) axial stress, (b) radial stress, (c) hoop stress, and (d) shear stress τ r z .
Applsci 15 08369 g004
Figure 5. Comparison of radial distribution of (a) Lode parameter and (b) stress triaxiality between UDRC and plain concrete (PC) specimens at the cross-section 535.5 mm from the impact end (at time of peak axial compression).
Figure 5. Comparison of radial distribution of (a) Lode parameter and (b) stress triaxiality between UDRC and plain concrete (PC) specimens at the cross-section 535.5 mm from the impact end (at time of peak axial compression).
Applsci 15 08369 g005
Figure 6. Radial distribution of stress components in a UDRC specimen at the time and location just prior to the initiation of tensile spall fracture.
Figure 6. Radial distribution of stress components in a UDRC specimen at the time and location just prior to the initiation of tensile spall fracture.
Applsci 15 08369 g006
Figure 7. Radial distribution of the stress triaxiality and Lode parameter in a UDRC specimen at the time and location just prior to the initiation of tensile spall fracture.
Figure 7. Radial distribution of the stress triaxiality and Lode parameter in a UDRC specimen at the time and location just prior to the initiation of tensile spall fracture.
Applsci 15 08369 g007
Figure 8. Temporal evolution of interface shear stress at the steel–concrete interface. The peak stress of 0.8 MPa remains significantly below the theoretical bond failure threshold of 15.4 MPa.
Figure 8. Temporal evolution of interface shear stress at the steel–concrete interface. The peak stress of 0.8 MPa remains significantly below the theoretical bond failure threshold of 15.4 MPa.
Applsci 15 08369 g008
Figure 9. Comparison of (a) stress triaxiality and (b) Lode parameter distributions between shared-node and cohesive zone models at the cross-section 535.5 mm from the impact end, demonstrating improved uniaxial stress conditions with cohesive modeling.
Figure 9. Comparison of (a) stress triaxiality and (b) Lode parameter distributions between shared-node and cohesive zone models at the cross-section 535.5 mm from the impact end, demonstrating improved uniaxial stress conditions with cohesive modeling.
Applsci 15 08369 g009
Figure 10. Comparison of simulated free surface velocity histories for plain concrete and UDRC specimens (plain and deformed reinforcement) subjected to identical input loading.
Figure 10. Comparison of simulated free surface velocity histories for plain concrete and UDRC specimens (plain and deformed reinforcement) subjected to identical input loading.
Applsci 15 08369 g010
Figure 11. Simulated strain field evolution and spall fracture process in a plain concrete specimen.
Figure 11. Simulated strain field evolution and spall fracture process in a plain concrete specimen.
Applsci 15 08369 g011
Figure 12. Simulated strain field evolution and spall fracture process in a deformed UDRC specimen, showing the influence of reinforcement.
Figure 12. Simulated strain field evolution and spall fracture process in a deformed UDRC specimen, showing the influence of reinforcement.
Applsci 15 08369 g012
Figure 13. Schematic diagram of the specimen types: (Top) Plain Concrete (PC), (Middle) Plain UDRC with a smooth steel bar, and (Bottom) Deformed UDRC with a ribbed steel bar.
Figure 13. Schematic diagram of the specimen types: (Top) Plain Concrete (PC), (Middle) Plain UDRC with a smooth steel bar, and (Bottom) Deformed UDRC with a ribbed steel bar.
Applsci 15 08369 g013
Figure 14. Schematic of the SHPB experimental setup configured for one-dimensional spalling tests on concrete and UDRC specimens.
Figure 14. Schematic of the SHPB experimental setup configured for one-dimensional spalling tests on concrete and UDRC specimens.
Applsci 15 08369 g014
Figure 15. Typical axial strain histories recorded by strain gauges on the specimen surface and the corresponding free-end surface velocity history measured by the laser vibrometer.
Figure 15. Typical axial strain histories recorded by strain gauges on the specimen surface and the corresponding free-end surface velocity history measured by the laser vibrometer.
Applsci 15 08369 g015
Figure 16. Example of the artificial speckle pattern applied to the concrete specimen surface for DIC analysis.
Figure 16. Example of the artificial speckle pattern applied to the concrete specimen surface for DIC analysis.
Applsci 15 08369 g016
Figure 17. DIC analysis for specimen Z003-25 showing the temporal evolution of (a) the axial displacement field and (b) the axial strain field. The images capture the wave propagation and subsequent strain localization leading to spall fracture near the free end.
Figure 17. DIC analysis for specimen Z003-25 showing the temporal evolution of (a) the axial displacement field and (b) the axial strain field. The images capture the wave propagation and subsequent strain localization leading to spall fracture near the free end.
Applsci 15 08369 g017
Figure 18. Experimental comparison of post-spall failure modes from post-test photographs. (a) Three large, localized fractures in a plain concrete specimen, indicating imminent and complete separation. (b) Multiple (at least four) cracks in a deformed UDRC specimen which is held together by the central reinforcement, demonstrating the crack-bridging effect and maintenance of structural integrity.
Figure 18. Experimental comparison of post-spall failure modes from post-test photographs. (a) Three large, localized fractures in a plain concrete specimen, indicating imminent and complete separation. (b) Multiple (at least four) cracks in a deformed UDRC specimen which is held together by the central reinforcement, demonstrating the crack-bridging effect and maintenance of structural integrity.
Applsci 15 08369 g018
Figure 19. Example of local axial strain history ( ε ( t ) ) and calculated strain rate history ( ε ˙ ( t ) ) at the primary spall crack location for specimen Z001-29.
Figure 19. Example of local axial strain history ( ε ( t ) ) and calculated strain rate history ( ε ˙ ( t ) ) at the primary spall crack location for specimen Z001-29.
Applsci 15 08369 g019
Figure 20. Spall strength as a function of strain rate for all specimen types. The solid line represents the logarithmic fit to the combined dataset, with its equation and R-squared value shown.
Figure 20. Spall strength as a function of strain rate for all specimen types. The solid line represents the logarithmic fit to the combined dataset, with its equation and R-squared value shown.
Applsci 15 08369 g020
Table 1. Material parameters for the concrete model.
Table 1. Material parameters for the concrete model.
Density (kg/m3)Poisson’s RatioTensile Strength/MPa B 1 B 2 B 3 Ω
23790.24.61.65.51.150.5
A 0 A 1 A 2 A 0 Y A 1 Y A 2 Y A 1 F A 2 F
22.380.463 1.067 × 10 3 16.900.625 3.402 × 10 3 0.4417 1.563 × 10 3
λ 1 λ 2 λ 3 λ 4 λ 5 λ 6 λ 7 λ 8
0 8 × 10 6 2.4 × 10 5 4 × 10 5 5.6 × 10 5 7.2 × 10 5 8.8 × 10 5 3.2 × 10 4
λ 9 λ 10 λ 11 λ 12 λ 13 μ 1 μ 2 μ 3
5.2 × 10 4 5.7 × 10 4 11010000.850.97
μ 4 μ 5 μ 6 μ 7 μ 8 μ 9 μ 10 μ 11
0.9910.990.970.50.100
μ 12 μ 13
00
Table 2. Material parameters for the steel.
Table 2. Material parameters for the steel.
Elastic Modulus (GPa)Poisson’s RatioDensity (kg/m3)
2100.37800
Table 3. Mix design of the C40 grade concrete.
Table 3. Mix design of the C40 grade concrete.
ComponentSpecification/Type
CementHaichang P.O 52.5 Portland cement
AdmixtureCL-19 polycarboxylate superplasticizer
Supplementary MaterialClass F Grade II fly ash
Fine AggregateZone II medium sand
Coarse AggregateContinuously graded crushed stone (10 mm max. size)
Water-to-Cement Ratio0.5
Table 4. Quasi-static mechanical properties of the C40 concrete *.
Table 4. Quasi-static mechanical properties of the C40 concrete *.
Density (kg/m3)Young’s Modulus (GPa)Poisson’s RatioCompressive Strength (MPa)Tensile Strength (MPa)
237932.00.2060.04.6
* Properties were determined as the average of three replicate specimens for each test type.
Table 5. Comprehensive experimental results from spalling tests, including local strain rates from DIC and calculated spall strengths and DIFs.
Table 5. Comprehensive experimental results from spalling tests, including local strain rates from DIC and calculated spall strengths and DIFs.
Test No.Specimen TypeTest IDStrain Rate (s−1)Spall Strength (Mpa)DIF
1Plain ConcreteZ001-217.169.051.97
2Plain ConcreteZ001-1311.8010.722.33
3Plain ConcreteZ001-1421.9010.822.35
4Plain ConcreteZ001-2925.009.742.12
5Plain ConcreteZ001-4040.1010.722.33
6Plain ConcreteZ001-3054.7012.112.63
7Plain UDRCZ002-578.729.252.01
8Plain UDRCZ002-1013.008.711.89
9Plain UDRCZ002-2714.007.411.61
10Plain UDRCZ002-0515.1010.352.25
11Plain UDRCZ002-4827.5010.592.30
12Plain UDRCZ002-0634.4013.592.95
13Deformed UDRCZ003-492.966.701.46
14Deformed UDRCZ003-155.746.401.39
15Deformed UDRCZ003-289.028.221.79
16Deformed UDRCZ003-2014.409.642.10
17Deformed UDRCZ003-2522.607.301.59
18Deformed UDRCZ003-3830.009.472.06
Table 6. Results of the analysis of covariance (ANCOVA) for spall strength.
Table 6. Results of the analysis of covariance (ANCOVA) for spall strength.
SourceSum Sq.d.f.Mean Sq.FProb > F
Specimen Type4.066122.03311.460.2701
Log Strain Rate20.3741120.374114.660.0024
Specimen Type:Log Strain Rate4.817022.40851.730.2182
Error16.6802121.3900
Total59.431217
Disclaimer/Publisher’s Note: The statements, opinions and data contained in all publications are solely those of the individual author(s) and contributor(s) and not of MDPI and/or the editor(s). MDPI and/or the editor(s) disclaim responsibility for any injury to people or property resulting from any ideas, methods, instructions or products referred to in the content.

Share and Cite

MDPI and ACS Style

Yu, X.; Zhang, J.; Gu, J. Validation of the Pull-Back Method for Dynamic Tensile Strength Characterization in Unidirectional Reinforced Concrete. Appl. Sci. 2025, 15, 8369. https://doi.org/10.3390/app15158369

AMA Style

Yu X, Zhang J, Gu J. Validation of the Pull-Back Method for Dynamic Tensile Strength Characterization in Unidirectional Reinforced Concrete. Applied Sciences. 2025; 15(15):8369. https://doi.org/10.3390/app15158369

Chicago/Turabian Style

Yu, Xinlu, Junfeng Zhang, and Junhui Gu. 2025. "Validation of the Pull-Back Method for Dynamic Tensile Strength Characterization in Unidirectional Reinforced Concrete" Applied Sciences 15, no. 15: 8369. https://doi.org/10.3390/app15158369

APA Style

Yu, X., Zhang, J., & Gu, J. (2025). Validation of the Pull-Back Method for Dynamic Tensile Strength Characterization in Unidirectional Reinforced Concrete. Applied Sciences, 15(15), 8369. https://doi.org/10.3390/app15158369

Note that from the first issue of 2016, this journal uses article numbers instead of page numbers. See further details here.

Article Metrics

Back to TopTop