Floating Step-Down Converter with a Novel Lossless Snubber
Abstract
1. Introduction
1.1. Quasi Resonant Converter
1.2. Load Resonant Converter
1.3. Switching Loss Reduction Based on the Snubber
2. Main Power Stage
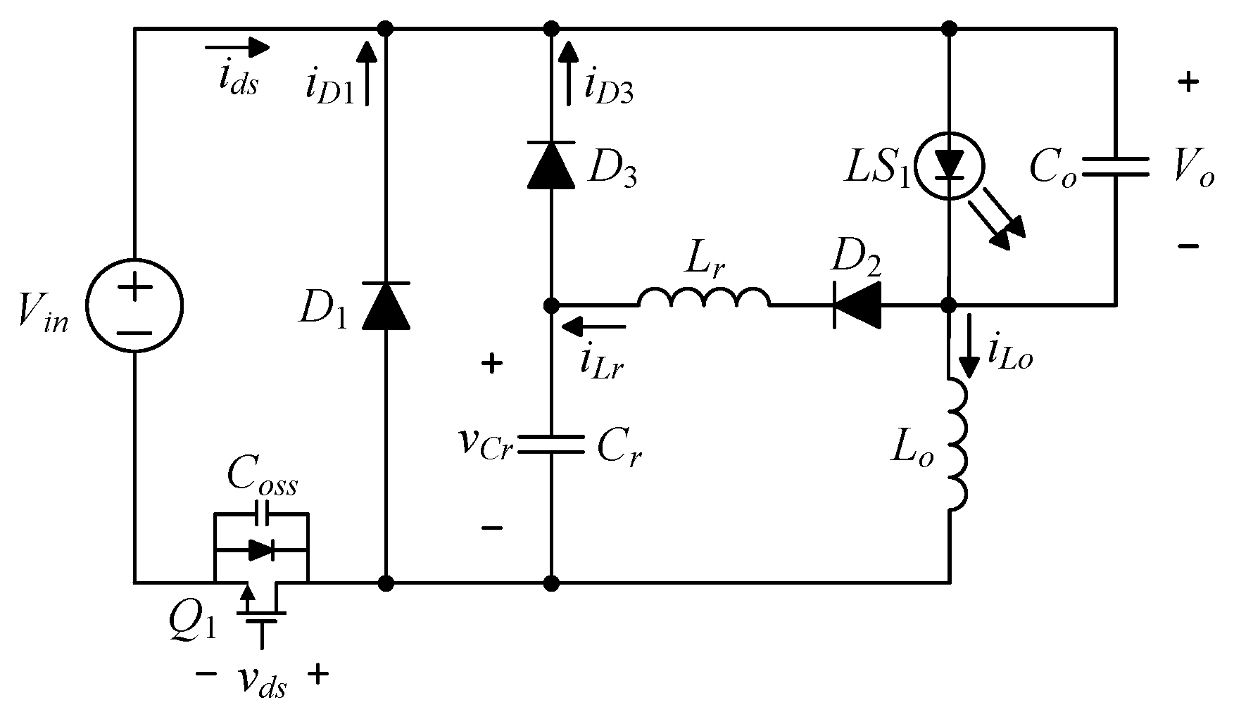
2.1. Circuit Structure and Its Definitions
- (1)
- Vin is the input DC voltage, and the output capacitor Co is large enough, so it is viewed as a voltage source, named Vo.
- (2)
- The main power switch Q1, the main diode D1, the output inductor Lo, and the output capacitor Co.
- (3)
- The load is constructed by some LEDs connected in series, named LS1.
- (4)
- For the main power switch Q1, its parasitic output capacitance Coss is taken into account, and the on-time of Q1 is expressed as DTs, where D is the duty cycle and Ts is the switching period.
- (5)
- The lossless snubber is built up by the resonant inductor Lr, the resonant capacitor Cr, and the diodes D2 and D3.
- (6)
- ids is the current in Q1, iLr is the current in Lr, iLo is the current in Lo, and iD1 and iD3 are the currents in D1 and D3, respectively.
- (7)
- vds is the voltage on Q1, and vCr is the voltage on Cr.
- (8)
- ILrk and VCrk are the initial values of Lr and Cr, respectively, where the value of k can be 0, 1, 2, 3, or 4.
- (9)
- All components are regarded as ideal except the main power switch.
- (10)
- The circuit is operated in the continuous conduction code (CCM). Figure 2 shows the illustrated waveforms of the circuit over one switching period, and there are five operating states to be described as follows.
2.2. Operating Principle
2.3. Voltage Gain
2.4. Boundary Current Condition for Output Inductor Lo
3. Power Component Design
3.1. Design of Output Inductor Lo
3.2. Design of Output Capacitor Co
3.3. Design of Resonant Tank Components Cr and Lr
3.4. Circuit Components Used
4. Experimental Results
5. Efficiency Measurement
6. Literature Comparison
7. Conclusions
- (1)
- (2)
- (3)
- (4)
- The use of soft computing techniques to dynamically optimize the snubber’s parameters in response to load variations [31].
Author Contributions
Funding
Institutional Review Board Statement
Informed Consent Statement
Data Availability Statement
Conflicts of Interest
References
- Ribas, J.; Quintana, P.J.; Calleja, A.J.; Cardesín, J.; Rodríguez, D.; Costa, M.A.D. Low-cost LED driver based on a low-dropout current regulator combined with a quasi-resonant buck preregulator. IEEE Trans. Power Electron. 2023, 38, 14126–14136. [Google Scholar] [CrossRef]
- Kong, I.-B.; Kim, W.-S.; Lee, S.-W. A novel high-voltage-gain quasi-resonant DC-DC converter with active-clamp and switched-capacitor techniques. IEEE Trans. Power Electron. 2023, 38, 7810–7820. [Google Scholar] [CrossRef]
- Kong, J.; Smedley, K.M.; Cheng, H. Full-range regulation method for half-bridge series resonant converter. IEEE Trans. Ind. Electron. 2023, 70, 1905–1915. [Google Scholar] [CrossRef]
- Kim, J.-W.; Barbosa, P. PWM-controlled series resonant converter for universal electric vehicle charger. IEEE Trans. Power Electron. 2021, 36, 13578–13588. [Google Scholar] [CrossRef]
- Vishal Anand, A.G.; Pal, A.; Gurunathan, R.; Basu, K. Exact analysis of parallel resonant DC-DC converter using phase shift modulation. In Proceedings of the IEEE Energy Conversion Congress and Exposition (ECCE), Vancouver, BC, Canada, 10–14 October 2021; pp. 2035–2041. [Google Scholar]
- Rathore, A.K.; Vakacharla, V.R. A simple technique for fundamental harmonic approximation analysis in parallel and series-parallel resonant converters. IEEE Trans. Ind. Electron. 2020, 67, 9963–9968. [Google Scholar] [CrossRef]
- Yu, H.; Xie, X.; Xu, S.; Dong, H. A novel synchronous rectifier driving scheme for LLC converter based on secondary rectification current emulation. IEEE Trans. Power Electron. 2022, 37, 3825–3835. [Google Scholar] [CrossRef]
- Teng, J.-H.; Chen, S.-S.; Chou, Z.-X.; Liu, B.-H. Novel half-bridge LLC resonant converter with variable resonant inductor. IEEE Trans. Ind. Appl. 2023, 59, 6952–6962. [Google Scholar] [CrossRef]
- Tseng, C.-J.; Chen, C.-L. Novel ZVT-PWM converters with active snubbers. IEEE Trans. Power Electron. 1998, 13, 861–869. [Google Scholar] [CrossRef]
- Asghari, A.; Yegane, Z.J. A high step-up DC-DC converter with high voltage gain and zero-voltage transition. IEEE Trans. Ind. Electron. 2024, 71, 6946–6954. [Google Scholar] [CrossRef]
- Yang, X.; Xu, M.; Li, Q.; Wang, Z.; He, M. Analytical method for RC snubber optimization +design to eliminate switching oscillations of SiC MOSFET. IEEE Trans. Power Electron. 2022, 37, 4672–4684. [Google Scholar] [CrossRef]
- Rahardianto, D.A.; Djuriatno, W.; Hasanah, R.N.; Taufik. Design and implementation of a RCD snubber circuit on full-bridge DC-DC converter. In Proceedings of the International Conference on Technology and Policy in Energy and Electric Power (ICT-PEP), Jakarta, Indonesia, 2–3 October 2023; pp. 244–249. [Google Scholar]
- Yau, Y.-T.; Hung, T.-L. A boost converter with lossless passive snubber for powering the 5G small cell station. IEEE Trans. Ind. Appl. 2023, 59, 3530–3542. [Google Scholar] [CrossRef]
- Shamsi, T.; Delshad, M.; Adib, E.; Yazdani, M.R. A new simple-structure passive lossless snubber for DC-DC boost converters. IEEE Trans. Ind. Electron. 2021, 68, 2207–2214. [Google Scholar] [CrossRef]
- Li, R.T.H.; Chung, H.S.-H. A passive lossless snubber cell with minimum stress and wide soft-switching range. IEEE Trans. Power Electron. 2010, 25, 1725–1738. [Google Scholar] [CrossRef]
- Ceccarelli, F.; Acconcia, G.; Gulinatti, A.; Ghioni, M.; Rech, I. 83-ps timing jitter with a red-enhanced spad and a fully integrated front end circuit. IEEE Photonics Technol. Lett. 2018, 30, 1727–1730. [Google Scholar] [CrossRef]
- Yue, B.; Jin, Y.; Wu, S.; Tan, J.; Chen, Y.; Zhong, H.; Chen, G.; Deng, Y. Research on SPAD inversion of rice leaves at a field scale based on machine vision and leaf segmentation techniques. Agriculture 2025, 15, 1270. [Google Scholar] [CrossRef]
- Lu, Y.; Yang, H.Y.; Sun, A.Z. The research of SPAD in rice leaves based on machine learning. In Proceedings of the 2019 Chinese Automation Congress (CAC), Hangzhou, China, 22–24 November 2019; pp. 2163–2167. [Google Scholar]
- Gulbag, A.; Huang, M.; Rong, B.; Sreenan, B.; Zhu, X. A simple circuit for time-resolved luminescence (TRL) measurement instruments: Demonstration through a smartphone-based TRL imager for anticounterfeiting application. IEEE Sens. Lett. 2025, 9, 5500704. [Google Scholar] [CrossRef] [PubMed]
- Kim, U.-J.; Park, S.-J. New cell balancing technique using simo two-switch flyback converter with multi cells. Energies 2022, 15, 4806. [Google Scholar] [CrossRef]
- Fu, Y.; Zhou, Q.; Tang, H. A dual-level intelligent architecture-based method for coupling fault diagnosis of temperature sensors in traction converters. Machines 2025, 13, 590. [Google Scholar] [CrossRef]
- Tanweer, M.; Halonen, K.A.I. Development of wearable hardware platform to measure the ECG and EMG with IMU to detect motion artifact. In Proceedings of the IEEE 22nd International Symposium on Design and Diagnostics of Electronic Circuits & Systems (DDECS), Cluj-Napoca, Romania, 24–26 April 2019; pp. 1–4. [Google Scholar]
- Kang, S.; Kim, H.; Park, C.; Sim, Y.; Lee, S.; Jung, Y. sEMG-based hand gesture recognition using binarized neural network. Sensors 2023, 23, 1436. [Google Scholar] [CrossRef] [PubMed]
- Jeong, J.-W.; Lee, W.; Kim, Y.-J. A real-time wearable physiological monitoring system for home-based healthcare applications. Sensors 2022, 22, 104. [Google Scholar] [CrossRef] [PubMed]
- Dai, S.; Yuan, L.; Zhong, J.; Liu, X.; Liu, Z. Forecasting residential EV charging pile capacity in urban power systems: A cointegration–BiLSTM hybrid approach. Sustainability 2025, 17, 6356. [Google Scholar] [CrossRef]
- Aldhyani, T.H.H.; Alkahtani, H. Attacks to automatous vehicles: A deep learning algorithm for cybersecurity. Sensors 2022, 22, 360. [Google Scholar] [CrossRef] [PubMed]
- Pratticò, D.; Laganà, F.; Oliva, G.; Fiorillo, A.S.; Pullano, S.A.; Calcagno, S. Integration of LSTM and u-net models for monitoring electrical absorption with a system of sensors and electronic circuits. IEEE Trans. Instrum. Meas. 2025, 74, 2533311. [Google Scholar] [CrossRef]
- Jovanović, V.; Janošević, D.; Marinković, D.; Petrović, N.; Nikolić, B. Energy efficiency analysis of hydraulic excavators’ swing drive transmission. Machines 2025, 13, 596. [Google Scholar] [CrossRef]
- Zhou, R.; Lu, J.; Wu, Y.; Zhang, H.; Yan, K. Research on lithium iron phosphate battery balancing strategy for high-power energy storage system. Energies 2025, 18, 3671. [Google Scholar] [CrossRef]
- Pradhan, S.; Nayak, S.K. Windings of a power transformer, its frequency response and FEM analysis. In Proceedings of the 3rd International Conference on Energy, Power and Environment: Towards Clean Energy Technologies (DDECS), Shillong, India, 5–7 March 2021; pp. 1–4. [Google Scholar]
- Freitas, T.; Menegáz, P.; Simonetti, D. A new application of the multi-resonant zero-current switching buck converter: Analysis and simulation in a pmsg based WECS. Energies 2025, 8, 10219–10238. [Google Scholar] [CrossRef]



















| System Operation Mode | CCM |
|---|---|
| Nominal input voltage (Vin) | 300 V |
| Nominal output voltage (Vo) | 135 V |
| Nominal output current (Io,rated) | 2 A |
| Minimum output current (Io,min) | 0.4 A |
| System switching frequency (fs) | 100 kHz |
| Components | Specifications |
|---|---|
| MOSFET switch Q1 | IPA60R380P6 |
| Schottky diodes D1, D2, D3 | C6D0605A |
| Resonant capacitor Cr | Y Cap: 2 nF/400 V |
| Resonant inductor Lr | PQ2020 core: 540 μH |
| Output capacitor Co | Polymer capacitor: 100 μF/450 V |
| Output inductor Lo | PQ3535 core: 1.257 mH |
| Gate driver | TLP250H |
| Ref. No. | [13] | [14] | [15] | Proposed Circuit | |
|---|---|---|---|---|---|
| Items | |||||
| Rated output power (W) | 340 | 220 | 200 | 270 | |
| Rated output voltage (V) | 48.5 | 96 | 24 | 135 | |
| Switching frequency (kHz) | 100 | 100 | 100 | 100 | |
| No. of snubber components (capacitor/inductor/diode) | 1/1/2 | 2/1/2 | 2/2/4 | 1/1/2 | |
| Turn ON/turn OFF | /ZVS | ZCS/ZVS | ZCS/ZVS | /ZVS | |
| Peak efficiency | 96.6% | 96.4% | 94.5% | 97 % | |
| Circuit type | Boost | Boost | Buck | Buck | |
| Snubber components on main power path | No | Yes | Yes | No | |
Disclaimer/Publisher’s Note: The statements, opinions and data contained in all publications are solely those of the individual author(s) and contributor(s) and not of MDPI and/or the editor(s). MDPI and/or the editor(s) disclaim responsibility for any injury to people or property resulting from any ideas, methods, instructions or products referred to in the content. |
© 2025 by the authors. Licensee MDPI, Basel, Switzerland. This article is an open access article distributed under the terms and conditions of the Creative Commons Attribution (CC BY) license (https://creativecommons.org/licenses/by/4.0/).
Share and Cite
Hwu, K.-I.; Lu, Y.-T.; Shieh, J.-J. Floating Step-Down Converter with a Novel Lossless Snubber. Appl. Sci. 2025, 15, 8146. https://doi.org/10.3390/app15158146
Hwu K-I, Lu Y-T, Shieh J-J. Floating Step-Down Converter with a Novel Lossless Snubber. Applied Sciences. 2025; 15(15):8146. https://doi.org/10.3390/app15158146
Chicago/Turabian StyleHwu, Kuo-Ing, Yen-Ting Lu, and Jenn-Jong Shieh. 2025. "Floating Step-Down Converter with a Novel Lossless Snubber" Applied Sciences 15, no. 15: 8146. https://doi.org/10.3390/app15158146
APA StyleHwu, K.-I., Lu, Y.-T., & Shieh, J.-J. (2025). Floating Step-Down Converter with a Novel Lossless Snubber. Applied Sciences, 15(15), 8146. https://doi.org/10.3390/app15158146

