Influence of Connecting Cables on Stator Winding Overvoltage Distribution under High-Frequency Pulse Width Modulation
Abstract
1. Introduction
2. Experimental Research and Analysis
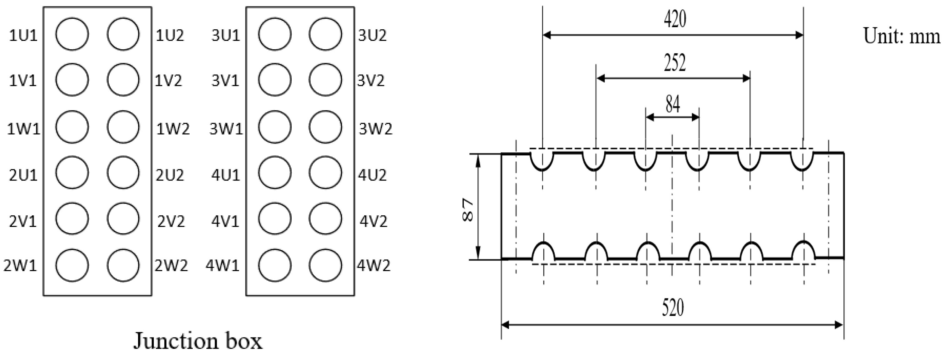
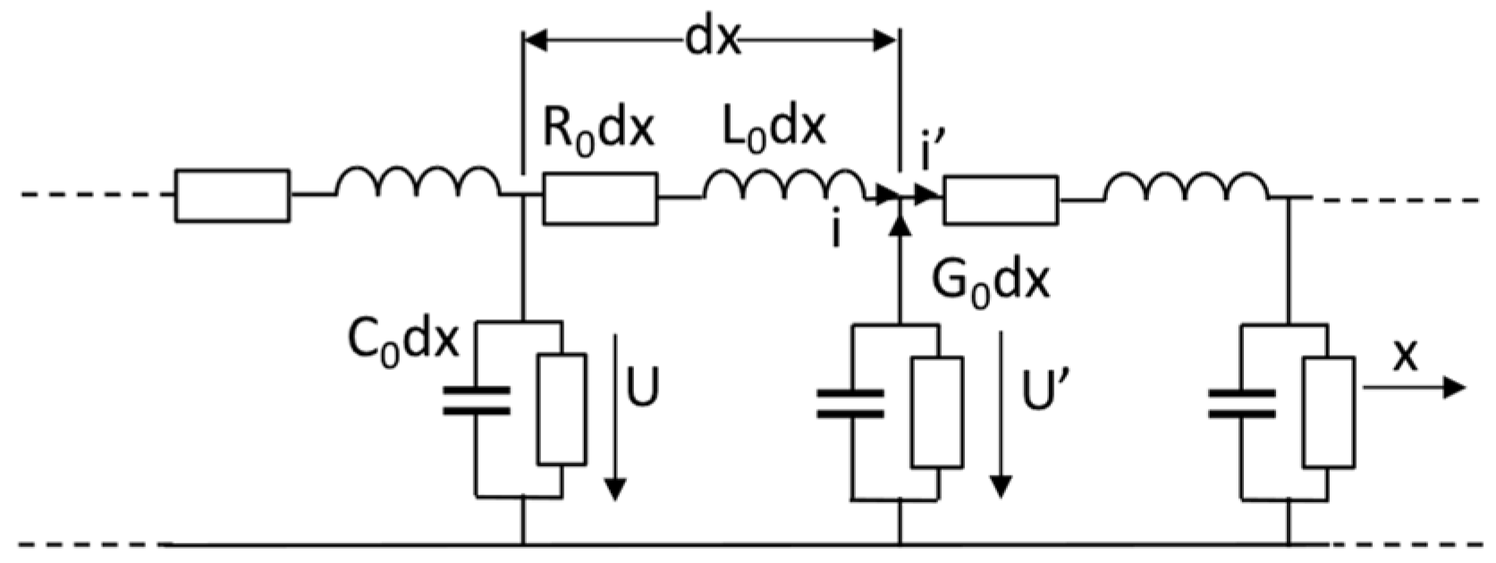
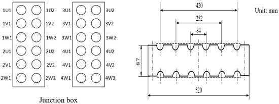
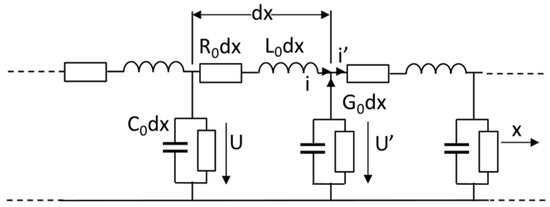
2.1. The Establishment of the End Connection Cable Model
2.2. Finite Element Calculation of Distribution Parameters of Permanent Magnet Motor End Cable
2.3. Distributed Parameters of Stator Winding of Permanent Magnet Machine
3. Influence of PWM Pulse Frequency on Overvoltage Distribution
3.1. The Influence of PWM Frequency on the Voltage Distribution from the End to the Ground
3.2. The Influence of PWM Frequency on the Inter-Turn Voltage Distribution
4. The Influence of Cable Length on the Overvoltage Distribution of Permanent Magnet Motor
4.1. The Influence of Cable Length on the End-to-Ground Voltage Distribution
4.2. The Influence of Cable Length on Inter-Turn Overvoltage Distribution
5. Conclusions
- (1)
- The pulse frequency is small, for example, between 10 kHz and 50 kHz, the second pulse wave’s rising edge before the arrival of the first pulse wave’s falling edge has been completely attenuated, and the change in frequency does not affect the distribution of ground voltage and inter-turn voltage; the maximum ground voltage is located at the end of the stator winding coil, and the maximum inter-turn voltage is concentrated between the 2–3 conductors in the first end coil 1; when the frequency is large, such as 100 kHz, the second pulse wave rising edge overvoltage will be affected by the first pulse wave falling edge overvoltage and thus higher, the highest position of 3.7 kV, 1.32 times the input voltage. The results of this test show that there is a critical frequency, which in the motor used in this paper lies between 50 kHz and 100 kHz. The degree of influence of frequency on voltage is small and the maximum magnitude is only 1.32 times.
- (2)
- There is a critical value corresponding to the length of the cable. Before the critical value, the length of the cable increases, and the voltage at the end of the stator winding will increase. After the critical value, it tends to be stable, and the ground voltage can reach up to 5.4 kV. As the cable length increases, the voltage distribution of the entire winding begins to become uniform, and the maximum ground voltage is concentrated in the middle and rear of the coil. The maximum inter-turn voltage decreases first, then increases, and finally decreases with the increase in cable length, which is concentrated between the 1–2 and 2–3 conductors of the head coil, up to 185 V. The cable length has a large effect on the overvoltage, and the maximum voltage can be close to twice the input voltage at constant frequency.
Author Contributions
Funding
Institutional Review Board Statement
Informed Consent Statement
Data Availability Statement
Conflicts of Interest
References
- Global Wind Report. 2024. Available online: https://gwec.net/global-wind-report-2024/ (accessed on 28 June 2024).
- Wu, Y.-K.; Su, Y.-S.; Su, P.-E.; Wu, T.-Y. Economics- and reliability-based design for an offshore wind farm. In Proceedings of the 2017 IEEE/IAS 53rd Industrial and Commercial Power Systems Technical Conference (I&CPS), Niagara Falls, ON, Canada, 6–11 May 2017; pp. 1–9. [Google Scholar]
- Qiao, W.; Lu, D. A Survey on Wind Turbine Condition Monitoring and Fault Diagnosis—Part I: Components and Subsystems. In Proceedings of the IEEE Transactions on Industrial Electronics, Auckland, New Zealand, 15–17 June 2015; Volume 62, pp. 6536–6545. [Google Scholar]
- Huang, Y.; Luo, Y.; Xiao, F.; Liu, B. Failure Mechanism of Die-Attach Solder Joints in IGBT Modules Under Pulse High-Current Power Cycling. IEEE J. Emerg. Sel. Top. Power Electron. 2018, 7, 99–107. [Google Scholar] [CrossRef]
- von Jouanne, A.; Enjeti, P. Design considerations for an inverter output filter to mitigate the effects of long motor leads in ASD applications. In Proceedings of the Applied Power Electronics Conference, APEC’96, San Jose, CA, USA, 3–7 March 1996; Volume 2, pp. 579–585. [Google Scholar]
- Arnedo, L.; Venkatesan, K. High-frequency modeling of induction motor drives for EMI and overvoltage mitigation studies. In Proceedings of the IEEE International Electric Machines and Drives Conference, IEMDC’03, Madison, WI, USA, 1–4 June 2003; pp. 468–474. [Google Scholar]
- Rendusara, D.A.; Enjeti, P.N. An improved inverter output filter configuration reduces common and differential modes dv/dt at the motor terminals in PWM drive systems. IEEE Trans. Power Electron. 1998, 13, 1135–1143. [Google Scholar] [CrossRef]
- Chen, S.; Lipo, T.A.; Fitzgerald, D. Source of induction motor bearing currents caused by PWM inverters. IEEE Trans. Energy Convers. 1996, 11, 25–32. [Google Scholar] [CrossRef]
- von Jouanne, A.; Enjeti, P.; Gray, W. Application issues for PWM adjustable speed AC motor drives. IEEE Ind. Appl. Mag. 1996, 2, 10–18. [Google Scholar] [CrossRef]
- Ma, H.; Xu, D.; Chen, X.; Jiang, Y. Study of voltage reflection phenomenon when PWM inverter drives asynchronous motor with long wire cable. Chin. J. Electr. Eng. 2001, 21, 110–114. [Google Scholar]
- Ortega, R.; de Rinaldis, A.; Spong, M.W.; Lee, S.; Nam, K. On compensation of wave reflections in transmission lines and applications to the overvoltage problem AC motor drives. IEEE Trans. Autom. Control 2004, 49, 1757–1763. [Google Scholar] [CrossRef]
- Li, L.; Liu, C. Research on the effect of variable frequency power supply on the insulation performance of cables. Insul. Mater. 2009, 42, 36–39+45. [Google Scholar]
- Skibinski, G.; Kerkman, R.; Leggate, D.; Pankau, J.; Schlegel, D. Reflected wave modeling techniques for PWM AC motor drives. In Proceedings of the APEC’98 Thirteenth Annual Applied Power Electronics Conference and Exposition, Anaheim, CA, USA, 15–19 February 1998; Volume 2, pp. 1021–1029. [Google Scholar]
- De Paula, H.; de Andrade, D.A.; Chaves, M.L.R.; Domingos, J.L.; de Freitas, M.A.A. Methodology for Cable Modeling and Simulation for High-Frequency Phenomena Studies in PWM Motor Drives. IEEE Trans. Power Electron. 2008, 23, 744–752. [Google Scholar] [CrossRef]
- Yu, G. A recursive algorithm for calculating motor end voltages of long cables. Electr. Drives 2015, 45, 76–80. [Google Scholar]
- Zhang, C.; Zhang, J.; Huang, X.; Chen, G.; Ni, Z.; Hu, Y. Overvoltage modeling of motor end of a PWM drive system with long cable connection. Micro Motor 2021, 54, 27–30+56. [Google Scholar]
- Suresh, G.; Toliyat, H.A.; Rendussara, D.A.; Enjeti, P.N. Predicting the transient effects of PWM voltage waveform on the stator windings of random wound induction motors. In Proceedings of APEC 97—Applied Power Electronics Conference, Atlanta, GA, USA, 27 February 1997; Volume 1, pp. 135–141. [Google Scholar]
- Tang, Y. Analysis of steep-fronted voltage distribution and turn insulation failure in inverter-fed form-wound AC motor. IEEE Trans. Ind. Appl. 1998, 34, 1088–1096. [Google Scholar] [CrossRef]
- Wu, W.; Jiang, Y.; Liu, Y.; Huang, M.; He, Y.; Chung, S.-H. A new passive filter design method for overvoltage suppression and bearing currents mitigation in a long cable based PWM inverter-fed motor drive system. In Proceedings of the 2016 IEEE 8th International Power Electronics and Motion Control Conference (IPEMC-ECCE Asia), Hefei, China, 22–26 May 2016; pp. 3103–3110. [Google Scholar]
- Liu, Y.; Du, J.; Zhao, X.; Song, Y.; Wang, Y. High-Frequency Harmonic Suppression Strategy and Modified Notch Filter-Based Active Damping for Low-Inductance HPMSM. Appl. Sci. 2023, 13, 11309. [Google Scholar] [CrossRef]
- Shojaee, M.; Azizi, S.M. Decentralized Robust Control of a Network of Inverter-Based Distributed Generation Systems. Appl. Sci. 2023, 13, 9517. [Google Scholar] [CrossRef]
- Mansouri, A.; Ammar, A.; El Magri, A.; Elaadouli, N.; Younes, E.K.; Lajouad, R.; Giri, F. An adaptive control strategy for integration of wind farm using a VSC-HVDC transmission system. Results Eng. 2024, 23, 102359. [Google Scholar] [CrossRef]
- Borodin, M.Y.; Metelkov, V.P.; Fedorova, S.V.; Permyakov, G.A. To the development of a model for the study of overvoltage in an asynchronous electric drive with a PWM frequency converter. In Proceedings of the 2021 XVIII International Scientific Technical Conference Alternating Current Electric Drives (ACED), Ekaterinburg, Russia, 24–27 May 2021; pp. 1–4. [Google Scholar]
- Wheeler, J.C.G. Effects of converter pulses on the electrical insulation in low and medium voltage motors. IEEE Electr. Insul. Mag. 2005, 21, 22–29. [Google Scholar]
- Fabiani, D.; Montanari, G.C.; Cavallini, A.; Mazzanti, G. Relation between space charge accumulation and partial discharge activity in enameled wires under PWM-like voltage waveforms. IEEE Trans. Dielectr. Electr. Insul. 2004, 11, 393–405. [Google Scholar] [CrossRef]














| Capacitor/pF | C1 | C2 | C3 | C4 | C5 |
|---|---|---|---|---|---|
| C1 | 496.3 | 1046.2 | |||
| C2 | 1046.2 | 587.7 | 1013.6 | ||
| C3 | 1013.6 | 620.4 | 978.8 | ||
| C4 | 978.8 | 587.8 | 938.4 | ||
| C5 | 938.4 | 492.2 |
| Inductor/μH | 1st Turn | 2nd Turn | 3rd Turn | 4th Turn | 5th Turn |
|---|---|---|---|---|---|
| 1st turn | 16.0 | 15.4 | 14.9 | 14.3 | 13.8 |
| 2nd turn | 15.4 | 15.9 | 15.4 | 14.8 | 14.3 |
| 3rd turn | 14.9 | 15.4 | 15.9 | 15.4 | 14.8 |
| 4th turn | 14.3 | 14.8 | 15.4 | 15.8 | 15.4 |
| 5th turn | 13.8 | 14.3 | 14.8 | 15.4 | 15.8 |
Disclaimer/Publisher’s Note: The statements, opinions and data contained in all publications are solely those of the individual author(s) and contributor(s) and not of MDPI and/or the editor(s). MDPI and/or the editor(s) disclaim responsibility for any injury to people or property resulting from any ideas, methods, instructions or products referred to in the content. |
© 2024 by the authors. Licensee MDPI, Basel, Switzerland. This article is an open access article distributed under the terms and conditions of the Creative Commons Attribution (CC BY) license (https://creativecommons.org/licenses/by/4.0/).
Share and Cite
Zhang, S.; Tian, F.; Li, S.; Liu, H.; Cheng, D.; Li, Y. Influence of Connecting Cables on Stator Winding Overvoltage Distribution under High-Frequency Pulse Width Modulation. Appl. Sci. 2024, 14, 9220. https://doi.org/10.3390/app14209220
Zhang S, Tian F, Li S, Liu H, Cheng D, Li Y. Influence of Connecting Cables on Stator Winding Overvoltage Distribution under High-Frequency Pulse Width Modulation. Applied Sciences. 2024; 14(20):9220. https://doi.org/10.3390/app14209220
Chicago/Turabian StyleZhang, Shifu, Fuqiang Tian, Shulin Li, Hongqi Liu, Dahu Cheng, and Yudi Li. 2024. "Influence of Connecting Cables on Stator Winding Overvoltage Distribution under High-Frequency Pulse Width Modulation" Applied Sciences 14, no. 20: 9220. https://doi.org/10.3390/app14209220
APA StyleZhang, S., Tian, F., Li, S., Liu, H., Cheng, D., & Li, Y. (2024). Influence of Connecting Cables on Stator Winding Overvoltage Distribution under High-Frequency Pulse Width Modulation. Applied Sciences, 14(20), 9220. https://doi.org/10.3390/app14209220

