Research on Outgoing Moisture Content Prediction Models of Corn Drying Process Based on Sensitive Variables
Abstract
1. Introduction
2. Materials and Methods
2.1. Experimental Design and Data Collection
2.1.1. Experiment Materials
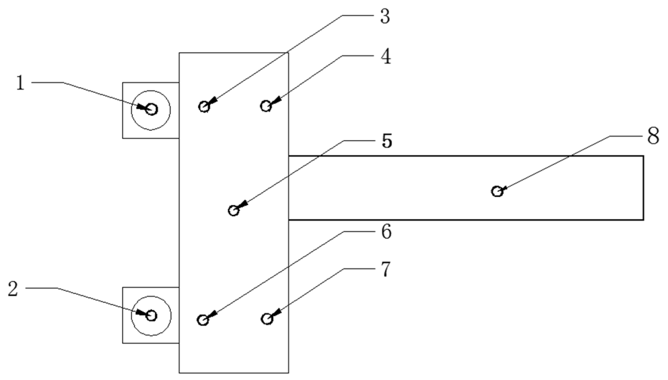
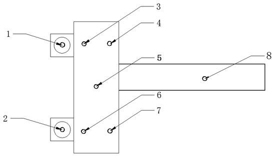
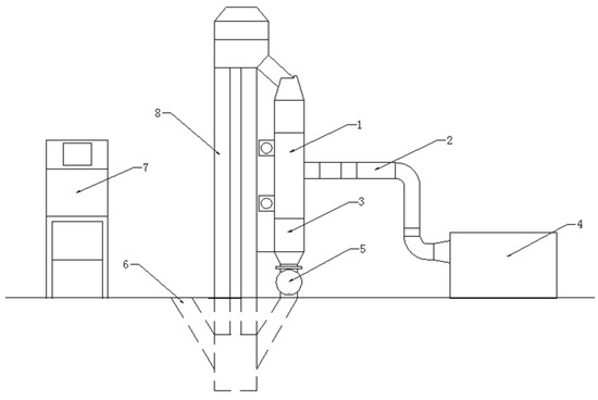
2.1.2. Experiment Equipment
2.1.3. Experiment Design
2.1.4. Data Acquisition
2.1.5. Correlation Test
2.2. Screening for Sensitive Variables
2.3. Construction of Moisture Content Prediction Model
2.3.1. Multiple Linear Regression Model
2.3.2. Extreme Learning Machine Model
2.3.3. Long Short-Term Memory Neural Network Model
2.3.4. Model Evaluation
3. Results
3.1. Data Pre-Processing Results
3.2. Multiple Linear Regression Model Results
3.2.1. MLR Established by Temperature and Humidity Variables
3.2.2. UVE-MLR Established by Sensitive Variables
3.3. Extreme Learning Machine Model results
3.3.1. ELM Established by Temperature and Humidity Variables
3.3.2. UVE-ELM Established by Sensitive Variables
3.4. Long Short-Term Memory Neural Network Model Results
3.4.1. LSTM Established by Temperature and Humidity Variables
3.4.2. UVE-LSTM Established by Sensitive Variables
4. Discussion
5. Conclusions
- (1)
- Based on the Uninformative Variable Elimination method, the sensitive variables for predicting the moisture content of outgoing corn can be effectively screened from 18 to 8, which effectively decreases the redundancy and multicollinearity of the data in the MLR model. The importance of sensitive variables in modeling is emphasized, and the coefficient of determination R2 of the ELM model is improved up to 0.02, while the improvement in the LSTM model is up to 0.05.
- (2)
- The prediction model for outgoing corn moisture content, based on ELM and LSTM methods, achieves a better fitting effect and higher prediction accuracy compared to MLR. The UVE-LSTM model, with a batch size of 30, a learning rate of 0.01, and 100 iterations, achieves a training set R2 of 0.931. When the UVE-ELM model uses sigmoid as the activation function and the number of neurons is set to 14, the model runs at a speed of 0.02 s and achieves the best prediction effect. The R2 of the training and validation set of the UVE-ELM model are 0.943 and 0.946, respectively, with the prediction errors of 0.544% and 0.581%, demonstrating its superior prediction ability. It provides a more scientific method for predicting corn drying moisture content and lays the foundation for using the prediction model to guide actual production.
Author Contributions
Funding
Institutional Review Board Statement
Informed Consent Statement
Data Availability Statement
Conflicts of Interest
Abbreviations
| Classification | Abbreviation | Explanation |
| Technical term | MLR | Multiple Linear Regression |
| ELM | Extreme Learning Machine | |
| LSTM | Long Short-Term Memory | |
| RNN | Recurrent Neural Network | |
| UVE | Uninformative Variable Elimination | |
| Newly defined methods | UVE-MLR | A modelling approach combining UVE and MLR |
| UVE-ELM | A modelling approach combining UVE and ELM | |
| UVE-LSTM | A modelling approach combining UVE and LSTM |
References
- Zhou, M.; Sun, H. Experimental study on corn grain crushing via quasi-static compression method. Trans. Chin. Soc. Agric. Eng. 2024, 40, 289. [Google Scholar]
- Wang, Z.; Wang, T.; Wu, Y.; Jingsheng, L.; Xiuying, X.; Chengbin, Z. Effects of Microwave intermittent Drying on Physicochemical Properties of Starch in Corn Kernels. J. Chin. Inst. Food Sci. Technol. 2024, 24, 179–190. [Google Scholar]
- Han, F.; Wu, W.; Liu, Z. Simulation Experiment System of Grain Continuous Drying Process and Process Control. Sci. Technol. Cereals Oils Foods 2023, 31, 83–89. [Google Scholar]
- Šooš, Ľ.; Urban, F.; Čačková, I.; olláth, Ľ.; Mlynár, P.; Čačko, V.; Bábics, J. Analysis of Thermodynamic Events Taking Place during Vacuum Drying of Corn. Sustainability 2024, 16, 879. [Google Scholar] [CrossRef]
- Adam, E.; William, L.; Greg, D.; Dyck, J. Performance evaluation of a non-equilibrium model for low temperature grain drying and simulation of seasonal dryer operation. Dry. Technol. 2022, 40, 835–851. [Google Scholar]
- Jibril, A.N.; Zhang, X.; Wang, S.; Bello, Z.A.; Henry, I.I.; Chen, K. Far-infrared drying influence on machine learning algorithms in improving corn drying process with graphene irradiation heating plates. J. Food Process Eng. 2024, 47, 14603. [Google Scholar] [CrossRef]
- Subrot, S.P.; Kaushik, L.; Singh, C.B.; Atungulu, G.; Corscadden, K. On-farm grain drying system sustainability: Current energy and carbon footprint assessment with potential reform measures. Sustain. Energy Technol. Assess. 2023, 60, 103430. [Google Scholar]
- Lin, Z.; Wang, D.; Liu, G. Application of Emulsified Fuel Oil Instead of Coal in Corn Dryer System. GRAIN Storage 2023, 52, 50–52. [Google Scholar]
- Amjad, W.; Chen, Z.; Ambrose, K. Design assessment of grain inverters in cross-flow grain dryer via CFD-DEM numerical simulation. Biosyst. Eng. 2024, 239, 147–157. [Google Scholar] [CrossRef]
- Bertotto, M.M.; Gastón, A.; Sánchez Sarmiento, G.; Gove, B. Effect of drying conditions on the quality of IRGA 424 rice. J. Sci. Food Agric. 2019, 99, 1651–1659. [Google Scholar] [CrossRef]
- Xin, L.; Kaimin, Y.; Yuancheng, W.; Du, X. Simulation study on coupled heat and moisture transfer in grain drying process based on discrete element and finite element method. Dry. Technol. 2023, 41, 2027–2041. [Google Scholar]
- Bi, Q. Multi-Field Coupled Hot Air Drying Characteristics of Multilayer Corn Seeds. Master’s Thesis, Northeast Electric Power University, Jilin, China, 2021. [Google Scholar]
- Hernández-Pérez, J.; García-Alvarado, M.; Trystram, G.; Heyd, B. Neural networks for the heat and mass transfer prediction during drying of cassava and mango. Innov. Food Sci. Emerg. Technol. 2003, 5, 57–64. [Google Scholar] [CrossRef]
- Hoon, K.; Seok, T.K.; Gwan, D.S.; Han, J.W. Optimization of Circulation Cross-Flow Dryer by Simulation During Wheat Drying. J. Biosyst. Eng. 2024, 49, 89–99. [Google Scholar]
- Çelik, E.; Koç, M.A.; Parlak, N.; Çay, Y. Prediction of the capacitance of the corn drying process parameter using adaptive- neuro-fuzzy intelligent technique with experimental validation. Dry. Technol. 2024, 42, 90–113. [Google Scholar] [CrossRef]
- Halaly, R.; Tsur, E.E. Continuous adaptive nonlinear model predictive control using spiking neural networks and real-time learning. Neuromorphic Comput. Eng. 2024, 4, 024006. [Google Scholar] [CrossRef]
- Ghosh, R.; Sahu, B.; Dey, A.; Thota, H.K.; Das, K. Artificial neural network-based approach for prediction of nanomechanical properties of anodic coating on additively manufactured Al–10Si–Mg alloy. Model. Simul. Mater. Sci. Eng. 2024, 32, 055006. [Google Scholar] [CrossRef]
- Xu, R.; Liang, X.; Qi, J.; Li, Z.Y.; Zhang, S.S. Advances and Trends in Extreme Learning Machine. Chin. J. Comput. 2019, 42, 1640–1670. [Google Scholar]
- Tongyu, X.; Simin, X.; Fenghua, Y.; Zhonghui, G.; Yadi, L. A BAS-ELM inversion method of japonica rice canopy nitrogen content based on a combination of multiple vegetation indices. J. Shenyang Agric. Univ. 2021, 52, 577–585. [Google Scholar]
- Jin, Y. Grain Drying Process Based on Equivalent Accumulated Temperature. Ph.D. Thesis, Jilin University, Changchun, China, 2019. [Google Scholar]
- Wu, Y.; Fu, D.; Yin, H. Establishment of Mathematical Model of Accumulated Temperature of Corn Based on Multi–Parameter Controllable Thin—Layer Drying Experiment and Its Tool Chart. J. Chin. Cereals Oils Assoc. 2020, 35, 114–120. [Google Scholar]
- Wang, H.; Liu, G.; Lin, L. Predictive control model of corn drying process based on neural network. Cereals Oils 2021, 34, 37–40. [Google Scholar]
- Lei, D.; Fu, Y.; Jin, H. Study on Prediction of Corn Drying Moisture Content Based on BP Neural Network. Grain Process. 2022, 47, 45–48. [Google Scholar]
- Dajbych, O.; Kabutey, A.; Mizera, Č.; Herák, D. Investigation of the Effects of Infrared and Hot Air Oven Drying Methods on Drying Behaviour and Colour Parameters of Red Delicious Apple Slices. Processes 2023, 11, 3027. [Google Scholar] [CrossRef]
- Xing, S.; Gao, X.; Lin, Z. A Model for Predicting the Outgoing Moisture Content of Corn Drying System Based on Extreme Learning Machine. J. Shenyang Agric. Univ. 2023, 54, 619–626. [Google Scholar]
- Kirtika, S.; Surendra, K.; Panwar, N.L.; Patel, M.R. Influences of a novel cylindrical solar dryer on farmer’s income and its impact on environment. Environ. Sci. Pollut. Res. Int. 2022, 29, 78887–78900. [Google Scholar]
- Meng, F. Numerical Simulation and Experimental Study of Moisture Heat Transfer During Corn Drying. Master’s Thesis, Henan University of Technology, Zhengzhou, China, 2022. [Google Scholar]
- Wang, H. Application of Regression Analysis in Modeling Drying Process of Counter and Current Grain Dryer. Mod. Food 2022, 28, 5–8. [Google Scholar]
- Wu, S.; Ren, G.; Zhang, Y. Simulation and experiment of heat and moisture transfer during ventilated drying process in maize grain pile. Trans. Chin. Soc. Agric. Eng. 2024, 4, 1–12. [Google Scholar]
- Jin, Y.; Xie, H.; Yin, J.; Zhang, Z. Research on Intelligent Control Method of Grain Drying Based on LSTM-MPC. Sci. Technol. Cereals Oils Foods 2023, 31, 25–34. [Google Scholar]
- An, N.N.; Sun, W.; Li, D.; Wang, L.J.; Wang, Y. Effect of microwave-assisted hot air drying on drying kinetics, water migration, dielectric properties, and microstructure of corn. Food Chem. 2024, 455, 139913. [Google Scholar] [CrossRef]
- GB 5009.3-2016; National Standard for Food Safety Determination of Moisture in Foods. National Health Commission of the People’s Republic of China: Beijing, China, 2016.
- Zhang, X.; Yu, B. Beijing Urban Haze Control Strategy Based on Pearson Correlation Analysis and BP Neural Network. Syst. Eng. 2023, 41, 26–34. [Google Scholar]
- Domingo, D.; Kareem, A.B.; Okwuosa, C.N.; Custodio, P.M.; Hur, J.W. Transformer Core Fault Diagnosis via Current Signal Analysis with Pearson Correlation Feature Selection. Electronics 2024, 13, 926. [Google Scholar] [CrossRef]
- Lotfi, M.; Chamjangali, M.A.; Mozafari, Z. Ridge regression coupled with a new uninformative variable elimination algorithm as a new descriptor screening method: Application of data reduction in QSAR study of some sulfonated derivatives as c-Met inhibitors. Chemom. Intell. Lab. Syst. 2023, 232, 104714. [Google Scholar] [CrossRef]
- Qu, G.; Chen, Z.; Zhang, Q. Study on germination rate of rice seed based on uninformation variable elimination method. Jiangsu, J. Agric. Sci. 2019, 35, 1015–1020. [Google Scholar]
- Centner, V.; Massart, D.L.; de Noord, O.E.; de Jong, S.; Vandeginste, B.M.; Sterna, C. Elimination of uninformative variables for multivariate calibration. Anal. Chem. 1996, 68, 3851–3858. [Google Scholar] [CrossRef] [PubMed]
- Leng, J.; Gao, X.; Zhu, J. Application of multiple linear regression statistical forecasting models. Stat. Decis. 2016, 7, 82–85. [Google Scholar]
- McIntosh, M.J. Conservative sample size for multiple regression models. Commun. Stat.-Theory Methods 2023, 52, 5527–5533. [Google Scholar] [CrossRef]
- Huang, G.; Zhu, Q.; Chee-Kheong, S. Extreme learning machine: Theory and applications. Neuro-Computing 2006, 70, 489–501. [Google Scholar] [CrossRef]
- Umair, R.U.J.; Pozarlik, A.K.; Gerrit, B. Experimental analysis of spray drying in a process intensified counter flow dryer. Dry. Technol. 2022, 40, 3128–3148. [Google Scholar]
- Zhang, M.; Yuan, M.Z.; Dai, S.S.; Chen, M.L.; Incecik, A. LSTM RNN-based excitation force prediction for the real-time control of wave energy converters. Ocean. Eng. 2024, 306, 118023. [Google Scholar] [CrossRef]
- Hochreiter, S.; Schmidhuber, J. Long short-term memory. Neural Comput. 1997, 9, 1735–1780. [Google Scholar] [CrossRef]
- Wang, D.; Liu, G.; Zhou, G. Current Status of Rice Storage and Drying in Liaoning Province. Mod. Food 2022, 28, 226–228. [Google Scholar]
- Zhao, B. Simulation Experiment System of Grain Continuous Drying Process and Process Control. Master’s Thesis, Jilin University, Changchun, China, 2012. [Google Scholar]
- Lv, W.; Zhang, M.; Wang, Y.; Adhikari, B. Online measurement of moisture content, moisture distribution, and state of water in corn kernels during microwave vacuum drying using novel smart NMR/MRI detection system. Dry. Technol. 2018, 36, 1592–1602. [Google Scholar] [CrossRef]
- Xie, H.; Jin, Y.; Zhang, Z. Prediction and Optimization of Grain Dryer Outlet Moisture Content Based on LSTM. J. Chin. Cereals Oils Assoc. 2023, 38, 196–204. [Google Scholar]
- José, A.M.; Carlos, A.S.; Helmer, M. Nonlinear model of a rice drying process using neural networks. Vitae 2018, 25, 120–127. [Google Scholar]
- Myhan, R.; Jachimczyk, E.; Markowski, M. The Use of Graph Theory for Modeling and Analyzing the Structure of a Complex System, with the Example of an Industrial Grain Drying Line. Processes 2023, 11, 2812. [Google Scholar] [CrossRef]
- Hong, M.; Ai, P.; Yue, Z. Mid—Long term runoff forecasting based on FPA—ELM model in Yalong River Basin. Yangtze River 2022, 53, 119–125. [Google Scholar]
- Li, L. Research on Land Use Cover Classification Optimization Methods for Hyperspectral Remote Sensing Image Based on ELM. Master’s Thesis, Xidian University, Chengdu, China, 2018. [Google Scholar]
- Zhang, X.; Chang, Y. Prediction of external corrosion rate of offshore oil and gas pipelines based on FA-BAS-ELM. China Saf. Sci. J. 2022, 32, 99–106. [Google Scholar]
- Li, Y.; Chang, J.; Wang, Y. MKL-SVM algorithm for pulmonary nodule recognition based on swarm intelligence optimization. Chin. J. Eng. 2021, 43, 1157–1165. [Google Scholar]
- Li, Z. Application of population intelligence optimization algorithms to environmental monitoring problems in maize fields. J. Biotech. Res. 2024, 16, 77–90. [Google Scholar]
- Xi, F.W.; Jiang, W.Q.; Yang, M.A. Using stepwise regression to address multicollinearity is not appropriate. Int. J. Surg. 2024, 110, 3122–3123. [Google Scholar] [CrossRef]
- Maryam, S. Modeling survival response using a parametric approach in the presence of multicollinearity. Commun. Stat. -Simul. Comput. 2024, 53, 1889–1898. [Google Scholar]
- Abasi, S.; Minaei, S. Effect of Drying Temperature on Mechanical Properties of Dried Corn. Dry. Technol. 2014, 32, 774–780. [Google Scholar] [CrossRef]
- Qi, Q.; Cai, T.; Zhou, K.; Hu, Z.; Hao, F.; Wei, Y.; Ge-Zhang, S.; Cui, J. Consumers’ Risk Perception of Triploid Food: Empirical Research Based on Variance Analysis and Structural Equation Modeling. Sustainability 2024, 16, 3872. [Google Scholar] [CrossRef]
- Islam, Q.; Khan, A.F.M.S. Assessing Consumer Behavior in Sustainable Product Markets: A Structural Equation Modeling Approach with Partial Least Squares Analysis. Sustainability 2024, 16, 3400. [Google Scholar] [CrossRef]
- Dai, A. Research on Intelligent Modeling and Control of Grain Drying Process. Ph.D. Thesis, Beijing University of Posts and Telecommunications, Beijing, China, 2019. [Google Scholar]
- Kamruzzaman, M.D.; Uyeh, D.D.; Jang, I.J.; Woo, S.M.; Ha, Y.S. Drying characteristics and milling quality of parboiled Japonica rice under various drying conditions. Eng. Agric. Environ. Food 2017, 10, 292–297. [Google Scholar] [CrossRef]
- Lei, D. Mixed-flow drying tower grain moisture content control model and control system research. Master’s Thesis, Heilongjiang Bayi Agricultural University, Daqing, China, 2023. [Google Scholar]









| Sample Size/Sets | Maximum Value/% | Minimum Value/% | Mean Value/% | SD/% | C.V. |
|---|---|---|---|---|---|
| 207 | 23.01 | 12.41 | 2.962 | 2.691 | 0.153 |
| Names | Ambient | Upper Outlet | Lower Outlet | Drying Section A | Drying Section B | Drying Section C | Drying Section D | Drying Section E | Hot Air Pipe |
|---|---|---|---|---|---|---|---|---|---|
| Pearson correlation coefficient | 0.040 | 0.861 | 0.809 | 0.765 | 0.882 | 0.781 | 0.874 | 0.709 | 0.360 |
| Significance | 0.569 | <0.001 | <0.001 | <0.001 | <0.001 | <0.001 | <0.001 | <0.001 | <0.001 |
| Names | Ambient | Upper Outlet | Lower Outlet | Drying Section A | Drying Section B | Drying Section C | Drying Section D | Drying Section E | Hot Air Pipe |
|---|---|---|---|---|---|---|---|---|---|
| Pearson correlation coefficient | −0.121 | −0.749 | −0.770 | −0.714 | −0.752 | −0.721 | −0.790 | −0.816 | −0.452 |
| Significance | 0.083 | <0.001 | <0.001 | <0.001 | <0.001 | <0.001 | <0.001 | <0.001 | <0.001 |
| Variable Names | Unnormalized Coefficient | Standard Error | Standardization Coefficient | VIF | Significance |
|---|---|---|---|---|---|
| Constant | 22.596 | 1.094 | - | - | <0.001 |
| Upper outlet temperature | 0.139 | 0.085 | 0.575 | 44.91 | 0.105 |
| Lower outlet temperature | 0.029 | 0.093 | 0.117 | 11.320 | 0.756 |
| Drying section A temperature | 0.199 | 0.099 | 0.851 | 36.012 | 0.046 |
| Drying section B temperature | −0.31 | 0.058 | −1.458 | 29.79 | <0.001 |
| Drying section C temperature | −0.381 | 0.119 | −1.56 | 74.06 | 0.002 |
| Drying section D temperature | 0.088 | 0.039 | 0.106 | 3.37 | 0.027 |
| Drying section E temperature | 0.09 | 0.017 | 0.587 | 17.73 | <0.001 |
| Upper outlet humidity | 0.041 | 0.023 | 0.389 | 21.52 | 0.078 |
| Lower outlet humidity | 0.026 | 0.036 | 0.178 | 23.17 | 0.477 |
| Humidity in drying section A | 0.128 | 0.03 | 0.591 | 29.33 | <0.001 |
| Humidity in drying section B | −0.01 | 0.01 | −0.041 | 2.939 | <0.001 |
| Humidity in drying section C | −0.093 | 0.03 | −0.438 | 30.65 | 0.003 |
| Humidity in drying section D | −0.102 | 0.033 | −0.881 | 53.16 | 0.003 |
| Humidity in drying section E | −0.062 | 0.045 | −0.076 | 4.6 | 0.172 |
| Model Evaluation Index | R2 | Adjusted R2 | Root-Mean-Square Error | Significance |
|---|---|---|---|---|
| value | 0.919 | 0.910 | 0.881 | <0.001 |
| Variable Names | Unnormalized Coefficient | Standard Error | Standardization Coefficient | VIF | Significance |
|---|---|---|---|---|---|
| Constant | 22.952 | 0.718 | - | - | <0.001 |
| Upper outlet temperature | 0.143 | 0.069 | 0.592 | 8.800 | 0.041 |
| Lower outlet temperature | 0.114 | 0.010 | 0.740 | 2.060 | <0.001 |
| Drying section B temperature | −0.348 | 0.053 | −1.636 | 11.861 | <0.001 |
| Drying section C temperature | −0.183 | 0.089 | −0.751 | 7.270 | <0.001 |
| Lower outlet humidity | 0.075 | 0.029 | 0.090 | 1.630 | <0.001 |
| Humidity in drying section A | 0.012 | 0.026 | 0.056 | 3.160 | 0.742 |
| Humidity in drying section B | −0.057 | 0.017 | −0.535 | 3.740 | <0.001 |
| Humidity in drying section D | 0.010 | 0.025 | 0.085 | 4.342 | 0.701 |
| Model Evaluation Index | R2 | Adjusted R2 | Root-Mean-Square Error | Significance |
|---|---|---|---|---|
| value | 0.905 | 0.898 | 0.908 | <0.001 |
| Batch Size | Initial Learn Rate | Iterations | RMSE (Training Set)/% | RMSE (Validation Set)/% | Training Duration/s |
|---|---|---|---|---|---|
| 30 | 0.01 | 50 | 0.983 | 1.022 | 2 |
| 100 | 0.865 | 0.876 | 3 | ||
| 500 | 0.883 | 0.861 | 9 | ||
| 1000 | 0.852 | 0.946 | 18 | ||
| 50 | 0.01 | 50 | 1.002 | 0.961 | 1 |
| 100 | 0.875 | 0.896 | 2 | ||
| 500 | 0.892 | 0.905 | 5 | ||
| 1000 | 0.887 | 0.922 | 9 | ||
| 100 | 0.01 | 50 | 1.057 | 1.131 | 1 |
| 100 | 1.201 | 1.242 | 2 | ||
| 500 | 0.892 | 0.935 | 5 | ||
| 1000 | 0.912 | 0.960 | 9 |
| Batch Size | Initial Learn Rate | Iterations | RMSE (Training Set)/% | RMSE (Validation Set)/% | Training Duration/s |
|---|---|---|---|---|---|
| 30 | 0.01 | 50 | 0.774 | 0.749 | 2 |
| 100 | 0.711 | 0.697 | 2 | ||
| 500 | 0.690 | 0.723 | 9 | ||
| 1000 | 0.649 | 0.793 | 17 | ||
| 50 | 0.01 | 50 | 0.997 | 0.833 | 1 |
| 100 | 0.755 | 0.714 | 2 | ||
| 500 | 0.769 | 0.809 | 4 | ||
| 1000 | 0.731 | 0.752 | 9 | ||
| 100 | 0.01 | 50 | 1.057 | 1.233 | 1 |
| 100 | 1.201 | 1.141 | 2 | ||
| 500 | 0.862 | 0.915 | 5 | ||
| 1000 | 0.740 | 0.819 | 9 |
Disclaimer/Publisher’s Note: The statements, opinions and data contained in all publications are solely those of the individual author(s) and contributor(s) and not of MDPI and/or the editor(s). MDPI and/or the editor(s) disclaim responsibility for any injury to people or property resulting from any ideas, methods, instructions or products referred to in the content. |
© 2024 by the authors. Licensee MDPI, Basel, Switzerland. This article is an open access article distributed under the terms and conditions of the Creative Commons Attribution (CC BY) license (https://creativecommons.org/licenses/by/4.0/).
Share and Cite
Xing, S.; Lin, Z.; Gao, X.; Wang, D.; Liu, G.; Cao, Y.; Liu, Y. Research on Outgoing Moisture Content Prediction Models of Corn Drying Process Based on Sensitive Variables. Appl. Sci. 2024, 14, 5680. https://doi.org/10.3390/app14135680
Xing S, Lin Z, Gao X, Wang D, Liu G, Cao Y, Liu Y. Research on Outgoing Moisture Content Prediction Models of Corn Drying Process Based on Sensitive Variables. Applied Sciences. 2024; 14(13):5680. https://doi.org/10.3390/app14135680
Chicago/Turabian StyleXing, Simin, Zimu Lin, Xianglan Gao, Dehua Wang, Guohui Liu, Yi Cao, and Yadi Liu. 2024. "Research on Outgoing Moisture Content Prediction Models of Corn Drying Process Based on Sensitive Variables" Applied Sciences 14, no. 13: 5680. https://doi.org/10.3390/app14135680
APA StyleXing, S., Lin, Z., Gao, X., Wang, D., Liu, G., Cao, Y., & Liu, Y. (2024). Research on Outgoing Moisture Content Prediction Models of Corn Drying Process Based on Sensitive Variables. Applied Sciences, 14(13), 5680. https://doi.org/10.3390/app14135680
