Design and Validation of New Methodology for Hydraulic Passage Integration in Carbon Composite Mechanisms
Abstract
Featured Application
Abstract
1. Introduction
- Conventional manufacturing: Typically, these processes start with the rough machining of metallic blocks to create external shapes and then oil passages are drilled to form internal oil tubes. This process requires considerable labor, resulting in high machining times and costs. The first generation of HYDROïD—V1 with full hydraulic integration was manufactured using conventional technologies, mainly from steel, titanium, and aluminum. This work became more challenging when hybrid (serial + parallel) mechanisms were involved, which added to the complexity of the integration [7]. As shown in Figure 1, a high-pressure tube fed the robot arm at the shoulder, and the drilled tubes fed the arm and forearm joints internally [8]. The process supplied oil to all 36 hydraulically actuated active joints. Once the manufacturing process was complete, post-processing for corrosion protection or hardening was required, which added cost and time to the initial process. Thus, this manufacturing process is lengthy and costly and adds to the complexity of the design;
- Metal additive manufacturing: With advances in manufacturing processes and materials, additive manufacturing has emerged as a new approach to designing portable devices. This technology allows the development of intricate shapes in which hydraulic oil passages can be pre-designed and printed within the structure. In 2016, Boston Dynamics announced that the next generation of ATLAS would incorporate structures manufactured with additive manufacturing [9]. The robot leg housed a hydraulic cylinder barrel and valve emplacements. Following the same logic, a smart integrated actuator was developed at IIT, Italy. It was printed with titanium alloys to permit the complex shapes to be made. The all-in-one actuator included integrated hydraulic paths, wire channels, valve emplacements, and position, force, and temperature sensors [10]. However, this technology requires post-processing of the material for stress relief and porosity elimination, which renders it ineffective in terms of cost and time;
- Three-Dimensional Pre-Printed Random-Carbon-Fiber-Reinforced Plastic—3D-PPRCFRP: Traditionally, lightweight hydraulically actuated components are manufactured with carbon fiber composite material. Several researchers have worked on developing hydraulic cylinders as an example of a load-bearing part. These components must support high forces due to the exerted pressures. Generally, lightweight hydraulic cylinders are manufactured with a fabric of carbon composite fibers, and epoxy resin is placed on them with the help of a vacuum bag. This methodology only applies to parts with regular geometrical shapes, such as cylinders and plates. Adding to that, fiber-reinforced composites for load-bearing parts entail the need to investigate anisotropy. The fibers’ directions in the layers of the carbon fabric define the part’s capacity to withstand force. Higher strengths are achieved in the direction of the fiber, whereas lower ones are shown in the perpendicular direction.In 2018, El Asswad et al. proposed the 3D-PPRCFRP (3D Pre-Printed Random-Carbon-Fiber-Reinforced Plastic) methodology. This method enables the production of integrated hydraulic robotic parts by combining additive manufacturing and carbon composite particles to promote a quasi-isotropic material. The process begins with printing a shell-shaped structural robotic part in plastic with internal passages for oil and electrical wires. The shell-shaped part is then infused with randomly oriented carbon composite particles to increase its ability to withstand high pressures and forces. Figure 2 shows the second generation of HYDROïD’s arm, manufactured using this developed technology, with the printed shell part comprising three layers and a total of 14 internal oil passages. The process led to reducing the weight of the robotic parts by , significantly reducing manufacturing time and cost [11]. The combination of additive manufacturing and composites resulted in a ground-breaking technology that provides a cost-effective way to produce hydraulically integrated components, overcoming the limitations of previous technologies.
2. Existing Problems in Hydraulic Integration
3. Existing Solutions
- Direct threading: Direct threading is generally used for metallic component assembly. Several studies were conducted to study the effect of drilling and tapping parameters on the tools and the resulting force in the assembly of composite materials. Freitas et al. [12] studied the effect of tapping parameters, namely, cutting speed and tap coatings, on thread quality. They evaluated the required thrust force and the tapping and tightening torques to drill and tap parts manufactured with composite materials. It was found that coated taps used at a speed of 15 m/min improved thread quality. They allowed a lower tightening torque and thrust. Coated taps reduced the coefficient of friction during the tapping process and protected the tool from wear. This fact was also illustrated by Tsao et al. [13], who found that the thrust force increased significantly with tool wear during the drilling process, causing delamination of the carbon fiber composite material. A failure to adjust tool parameters led to increased wear of the tool and, hence, an inconsistency in the drill sizes and taps. It was concluded that the tool is highly affected by the number of drills made per tool, which negatively influences the dimensions of the hole. Adding to that, due to the wear of the tools, the thread parameters are inconsistent, which reflects an inconsistency in the allowable forces supported by the assembly. This led to additional research to reduce the tool wear and defects such as burr caused in the drilled material by using hybrid composite material, for example, aramid (C-AFRP) [14]. Other studies are working on applying an Artificial Neural Network to predict the adequate machining parameters such as spindle rotation speed and feed rate [15]. Even though direct threading is commonly used in metallic applications, it still has a major drawback when applied to composite materials. In metallic applications, welding and re-tapping can fix a failure in direct threaded assemblies. However, in composite materials, local reparations are not feasible, which requires a replacement of the whole part;
- Adhesive bonding: Ebnesajjad et al. [16] explored adhesive bonding to assemble parts manufactured with carbon composite materials. This method requires extensive surface preparation and cleaning. It allows for a large stress-bearing area and a uniform distribution of stresses. However, there are drawbacks: (i) Assessing the bond area is impractical since the procedure does not allow for visual examination of the assembled surface; (ii) Extensive surface preparation is required to ensure an adequate bond. In fact, successful bonding is characterized by an adequate choice of adhesive material, the cleanliness of the surface, a good joint design that maximizes the bonding surface without altering the mechanical design, and a curing temperature that should be compatible with the adhesive material; (iii) Long curing times might be needed, with presses to hold the assembly together; otherwise, parts should be placed in autoclaves or ovens to decrease the curing time. These processes are time consuming and costly;
- Metallic inserts: The metallic thread inserts shown in Figure 4 are suitable for non-permanent assembly solutions. They are mainly used for plastic, wood, or aluminum assembly applications. These inserts have external knurls to grip the material of the part they assemble. Replacing these described inserts will eventually result in permanent deformation of the parts, compromising the interchangeability requirement. Additionally, the external knurls cause irregular deformations that compromise the leak tightness requirement in a hydraulically integrated component.
4. Proposed Solution
- High strength capacity: During hydraulic system operation, axial forces can cause the assembled parts to separate;
- Replaceability: The intermediates must not damage the composite material when they are replaced;
- Leakproof capacity: Hydraulic actuation systems require tightness characteristics. The mechanism’s mounting surface must be flat and smooth; T
- Light in weight: Robotic mechanisms usually need multiple fasteners for assembly. This increases the assembly time and compromises the system’s lightweight requirements.
5. Mathematical Modeling of EPATH
5.1. Concept Description
- Material: The elastic property of the composite material plays a significant role in defining its maximum allowable expansion at the interference fit zone;
- Geometric: The model takes into consideration dimensional parameters that include the intermediate’s radii (internal and external ) as well as the composite material (internal and external ). They also include the interference fit contact length l;
- Friction coefficient: The composite material and the intermediate are in full surface-to-surface contact at the interference fit zone. The maximum allowable thrust force is then a function of the friction coefficient between the two materials in contact;
- Composite material fill rate k: One of the main challenges in the composite molding process is the air bubbles. The high viscosity of the mixture traps the bubbles inside, weakening the structure and decreasing the effective working area.
5.2. Mathematical Model
- ⋄
- Concerning the intermediate: At its internal diameter, the radial stress is null, , and ; therefore,At the interference fit radius R, the radial stress is equal to the negative pressure, so .By replacing with its value, we obtain:
- ⋄
- Concerning the composite material: At its outer diameter, no pressure is applied, and ; therefore,At the interference fit radius R, the radial stress is equal to the negative pressure, so .By replacing with its value, we obtain:Therefore,
6. Numerical Validation
7. Experimental Validation—Leakproof Test
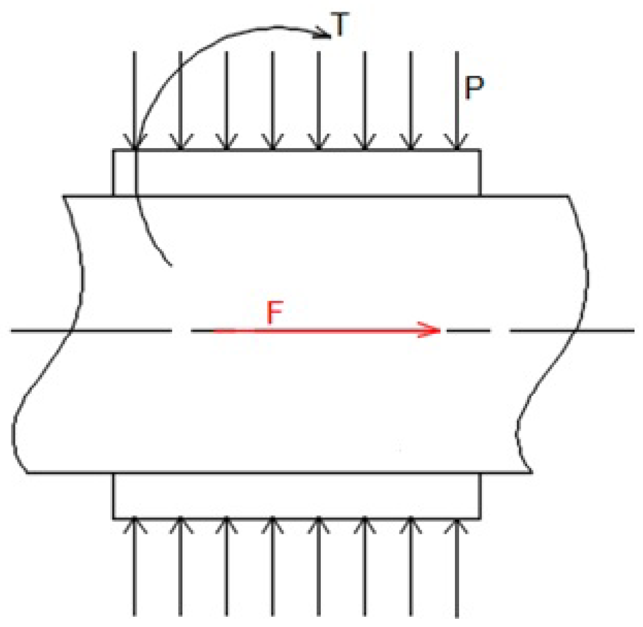
8. Experimental Validation—Evaluation of the Push through Force
8.1. Specimen Preparation
8.2. Test Description
8.3. Test Results
9. Porosity Evaluation and Mathematical Model Enhancement
9.1. Porosity Evaluation in Composite Specimens—Destructive Test
9.1.1. Specimen Preparation and Test
9.1.2. Results Analysis
10. Discussion
11. Conclusions
Author Contributions
Funding
Data Availability Statement
Conflicts of Interest
Abbreviations
| Symbol | Description | Unit |
| Young’s modulus of intermediate’s material | N/m2 | |
| Young’s modulus of particles | N/m2 | |
| Young’s modulus of the matrix | N/m2 | |
| Young’s modulus of the composite material | N/m2 | |
| Hoop strain | m/m | |
| Radial strain | m/m | |
| Hoop stress | N/m2 | |
| Radial stress | N/m2 | |
| P | Exerted pressure at the interference fit area | N/m2 |
| F | Axial force applied on the intermediate | N |
| R | Radius at the interference fit | m |
| d | Interference fit diameter | m |
| Intermediate’s internal radius | m | |
| Intermediate’s external radius | m | |
| Composite tube internal radius | m | |
| Composite tube external radius | m | |
| l | Intermediate’s length | m |
| Friction coefficient between assembled materials | ||
| Particle efficiency parameter | ||
| k | Filling percentage of the composite | |
| Particle volume fraction | ||
| Poisson ratio of the intermediate’s material | ||
| Poisson ratio of the composite material |
References
- Nelson, G.; Saunders, A.; Playter, R. The PETMAN and Atlas Robots at Boston Dynamics. In Humanoid Robotics: A Reference; Springer: Dordrecht, The Netherlands, 2017; pp. 1–18. [Google Scholar] [CrossRef]
- Whitman, E.C. Robust Optimal Walking on the Sarcos Humanoid Robot. Ph.D. Thesis, Carnegie Mellon University, Pittsburgh, PA, USA, 2012. [Google Scholar]
- Abdellatif, A.; Alfayad, S.; Hildebrandt, A.C.; Ouezdou, F.B.; Mechbal, N.; Zweiri, Y. Development of a New Hydraulic Ankle for HYDROïD Humanoid Robot. J. Intell. Robot. Syst. Theory Appl. 2018, 92, 293–308. [Google Scholar] [CrossRef]
- Alfayad, S.; Ouezdou, F.B.; Namoun, F. Humanoid Robot Implementing a Spherical Hinge with Coupled Actuators. U.S. Patent No 8875594, 4 November 2014. [Google Scholar]
- Alfayad, S.; Kardofaki, M.; Sleiman, M.; Arlot, R. Verin a Capteur de Position Integre. Patent WO02023088972A1, 25 May 2023. Available online: https://patents.google.com/patent/WO2023088972A1/en?inventor=samer+alfayad&oq=samer+alfayad&sort=new (accessed on 13 April 2024).
- Alfayad, S.; Kardofaki, M.; Sleiman, M. Actionneur Hydraulique à Compensation de Surpression. Patent WO2020173933A1, 3 September 2020. Available online: https://patents.google.com/patent/WO2020173933A1/en?inventor=samer+alfayad&oq=samer+alfayad&sort=new (accessed on 13 April 2024).
- Alfayad, S.; Ouezdou, F.B.; Namoun, F.; Bruneau, O.; Henaff, P. Three DOF hybrid mechanism for humanoid robotic application: Modeling, design and realization. In Proceedings of the 2009 IEEE/RSJ International Conference on Intelligent Robots and Systems, St. Louis, MO, USA, 10–15 October 2009; pp. 4955–4961. [Google Scholar]
- Alfayad, S.; Tayba, A.M.; Ouezdou, F.B.; Namoun, F. Kinematic synthesis and modeling of a three degrees-of-freedom hybrid mechanism for shoulder and hip modules of humanoid robots. J. Mech. Robot. 2016, 8, 041017. [Google Scholar] [CrossRef]
- Dynamics, B. Boston Dynamics’ Marc Raibert on Next-Gen ATLAS: “A Huge Amount of Work” The founder of Boston Dynamics describes how his team built one of the. IEEE Spectrum, 24 February 2016. [Google Scholar]
- Barasuol, V.; Villarreal-Magaña, O.A.; Sangiah, D.; Frigerio, M.; Baker, M.; Morgan, R.; Medrano-Cerda, G.A.; Caldwell, D.G.; Semini, C. Highly-integrated hydraulic smart actuators and smart manifolds for high-bandwidth force control. Front. Robot. AI 2018, 5, 51. [Google Scholar] [CrossRef] [PubMed]
- El Asswad, M. Nouvelles Méthodologies Pour les Robots Humanoïdes Intégrés Hydrauliques Légers. Ph.D. Thesis, Université Paris-Saclay (ComUE), Paris, France, 2018. [Google Scholar]
- de Freitas, S.A.; Vieira, J.T.; Brandão, L.C. Experimental investigation of tapping in CFRP with analysis of torque-tension resistance. Int. J. Adv. Manuf. Technol. 2019, 104, 757–766. [Google Scholar] [CrossRef]
- Tsao, C.C.; Hocheng, H. Effect of tool wear on delamination in drilling composite materials. Int. J. Mech. Sci. 2007, 49, 983–988. [Google Scholar] [CrossRef]
- Lee, J.H.; Ge, J.C.; Song, J.H. Study on burr formation and tool wear in drilling CFRP and its hybrid composites. Appl. Sci. 2021, 11, 384. [Google Scholar] [CrossRef]
- Yenigun, B.; Kilickap, E. Prediction of the tensile load of drilled CFRP by artificial neural network. Appl. Sci. 2018, 8, 549. [Google Scholar] [CrossRef]
- Ebnesajjad, S.; Landrock, A.H. Adhesives Technology Handbook; Elsevier: New York, NY, USA, 2014. [Google Scholar]
- Sleiman, M. New Actuation Technologies for Humanoid Robotics and Assistive Devices. Ph.D. Thesis, Université Paris-Saclay, Paris, France, 2022. [Google Scholar]
- Vullo, V.; Analysis, S. Circular Cylinders and Pressure Vessels Stress Analysis and Design; Springer Series in Solid and Structural Mechanics 3; Springer: Cham, Switzerland, 2014. [Google Scholar]
- Callister, W. Materials Science and Engineering: An Introduction; John Wiley & Sons, Inc.: New York, NY, USA, 2007. [Google Scholar] [CrossRef]
- Madej, J.; Śliwka, M. Analysis of Interference-Fit Joints. Appl. Sci. 2021, 11, 11428. [Google Scholar] [CrossRef]
- ISO 527-4:2023; Plastics—Determination of Tensile Properties. Part 4: Test Conditions for Isotropic and Orthotropic Fibre-Reinforced Plastic Composites. ISO: Geneva, Switzerland, 2023.
- Easycomposite. IN2 Epoxy Infusion Resin—Easy Composites. Available online: https://www.easycomposites.co.uk/in2-epoxy-infusion-resin (accessed on 13 April 2024).
- Aaboud, B.; Bizet, L.; Saouab, A.; Nawab, Y. Effect of the spatial variation of permeability on air bubble creation and compression. J. Reinf. Plast. Compos. 2020, 39, 285–298. [Google Scholar] [CrossRef]
- Shoukroun, D.; Massimi, L.; Endrizzi, M.; Nesbitt, A.; Bate, D.; Fromme, P.; Olivo, A. Quantification of porosity in composite plates using planar X-ray phase contrast imaging. NDT E Int. 2023, 139, 102935. [Google Scholar] [CrossRef]
- Meola, C.; Toscano, C. Flash thermography to evaluate porosity in carbon fiber reinforced polymer (CFRPs). Materials 2014, 7, 1483–1501. [Google Scholar] [CrossRef] [PubMed]
- Kastner, J.; Plank, B.; Salaberger, D.; Sekelja, J. Defect and porosity determination of fibre reinforced polymers by X-ray computed tomography. In Proceedings of the 2nd International Symposium on NDT in Aerospace, Hamburg, Germany, 22–24 November 2010; pp. 1–12. [Google Scholar]
- Little, J.E.; Yuan, X.; Jones, M.I. Characterisation of voids in fibre reinforced composite materials. NDT E Int. 2012, 46, 122–127. [Google Scholar] [CrossRef]

















| Characteristic | Value | Unit |
|---|---|---|
| 10 | % | |
| Stress at fracture | 28 | MPa |
| Theoretical Young’s modulus | 2.6 | GPa |
| Experimental Young’s modulus | 2.66 | GPa |
| Young’s modulus deviation | 2.3 | % |
| Strain at fracture | 0.6 | % |
| # | Intermediate Material | (mm) | (mm) | (mm) | l (mm) | (N) | (N) | (N) |
|---|---|---|---|---|---|---|---|---|
| Steel | 14 | 5 | 717 | |||||
| Steel | 16 | 5 | 1475 | |||||
| Steel | 24 | 16 | 5 | 1437 | 1469 | |||
| Steel | 24 | 5 | 1482 | |||||
| Steel | 20 | 12 | 5 | 604 | 727 | 723 | ||
| Steel | 20 | 12 | 5 | 593 | 620 | |||
| Steel | 20 | 5 | 1305 | 1542 | ||||
| Brass | 8 | 5 | 1100 | |||||
| Brass | 5 | 1130 | 1211 | |||||
| Aluminum | 5 | 741 | ||||||
| Aluminum | 5 | 1128 | 1313 | |||||
| Steel | 16 | 5 | 911 | |||||
| Steel | 5 | 806 | ||||||
| Steel | 5 | 953 | ||||||
| Steel | 18 | 5 | 416 | 507 |
Disclaimer/Publisher’s Note: The statements, opinions and data contained in all publications are solely those of the individual author(s) and contributor(s) and not of MDPI and/or the editor(s). MDPI and/or the editor(s) disclaim responsibility for any injury to people or property resulting from any ideas, methods, instructions or products referred to in the content. |
© 2024 by the authors. Licensee MDPI, Basel, Switzerland. This article is an open access article distributed under the terms and conditions of the Creative Commons Attribution (CC BY) license (https://creativecommons.org/licenses/by/4.0/).
Share and Cite
Sleiman, M.; Khalil, K.; Olaru, A.; AlFayad, S. Design and Validation of New Methodology for Hydraulic Passage Integration in Carbon Composite Mechanisms. Appl. Sci. 2024, 14, 4378. https://doi.org/10.3390/app14114378
Sleiman M, Khalil K, Olaru A, AlFayad S. Design and Validation of New Methodology for Hydraulic Passage Integration in Carbon Composite Mechanisms. Applied Sciences. 2024; 14(11):4378. https://doi.org/10.3390/app14114378
Chicago/Turabian StyleSleiman, Maya, Khaled Khalil, Adrian Olaru, and Samer AlFayad. 2024. "Design and Validation of New Methodology for Hydraulic Passage Integration in Carbon Composite Mechanisms" Applied Sciences 14, no. 11: 4378. https://doi.org/10.3390/app14114378
APA StyleSleiman, M., Khalil, K., Olaru, A., & AlFayad, S. (2024). Design and Validation of New Methodology for Hydraulic Passage Integration in Carbon Composite Mechanisms. Applied Sciences, 14(11), 4378. https://doi.org/10.3390/app14114378

