Experimental Investigation of the Effect of Compressive Interface Stress on Interfaces in Reinforced Concrete Elements under Cyclic Action
Abstract
1. Introduction
| Paper | Number of Tests | Interface Roughness (1) | Dimen. of the Interface Ac (mm2) | Number of Bars, n | Bar Diameter db (mm) | Reinf. Ratio, ρ (2) (%) | Yield Strength of Steel Reinforcement (MPa) | Type of Anchor. (3)/ Embedment Depth (4) | σN,ext (MPa) |
|---|---|---|---|---|---|---|---|---|---|
| [5] | 36 Mon. | Smooth, disk sander (12) Rough, special hammer (24) | 100 × 170 (24) 100 × 240 (12) | 0 (11) 1 (14) 2 (11) | No bars (11) 8 (25) | 0.00 (11) 0.21 (4) 0.42 (4) 0.30 (10) 0.59 (7) | 568.0 | By bond/12.5 db (25) | 0.5 (3) 1.0 (30) 2.0 (3) |
| [10] | 12 Mon. | Smooth, as-cast | 300 × 300 | 18 | 6 | 0.57 | 250.0 | Closed hoops/Not reported | 0.0 (3) 0.5 (3) 1.0 (3) 1.5 (3) |
| [11] | 10 Mon. | Smooth (1) Shear keys (2) Saw teeth (2) Single Shear Key (5) | 230 × 914.4 | 4 (8) 8 (2) | 12.7 (9) 15.9 (1) | 0.12 (8) 0.24 (1) 0.37 (1) | 453.0 (5) 425.4 (4) 496.4 (1) | By bond/ 18.0 db (1), 22.5 db (9) | 1.7 (5) 0.12 (2) 0.70 (2) 2.1 (1) |
| [12] | 3 Mon. 8 Cyclic | Smooth, as-cast (10) Shear keys (1) | 152 × 1200 | 2 | 12.7 (2) 15.8 (3) 25.4 (6) | 0.14 (2) 0.21 (3) 0.56 (6) | 1861.7 (2) 1082.5 (3) 413.4 (6) | By bond/47.2 db (2), 38.0 db (3), 23.6 db (6) | 2.0 |
| [13] | 1 Mon. 4 Cyclic | Smooth, as-cast | 150 × 1200 | 2 | 12.7 (1) 15.8 (2) 25.4 (1) | 0.14 (1) 0.21 (2) 0.56 (1) | 1861.7 (1) 1082.5 (2) 413.4 (1) | By bond/70.9 db (1), 57.0 db (2), 35.4 db (1) | 2.0 |
| [4] | 2 Mon. 14 Cyclic | Rough, Sandblasting | 101.6 × 812.8 | 0 (4) 3 (8) 6 (4) | No bars (4) 19 (12) | 0.00 (4) 1.03 (8) 2.06 (4) | 413.4 | Adhesive mortar/ 8 db (12) | 0.0 (6) 2.4 (1) 6.9 (8) 10.3 (1) |
| [14] | 8 Cyclic | Very smooth, grease (3) Shear keys (5) | 225 × 860 | 2 | 22 | 0.39 | 380.0 | By bond/29.6 db | 0.0 (3) 7.8 (3) −1.1 (2) |
| [15] | 6 Mon. 2 Cyclic | Steel element, smooth | 254 × 711 | 4 | 19 | 0.31 | 413.4 | Welded- Headed Studs/6.7 db | 0.0 (1) −0.35 (1) |
| [16] | 8 Cyclic | Smooth | 200 × 1700 | 5 | 16 | 0.30 | 401.0 | Adhesive mortar/ 10.0 db | 0.0 (4) 0.62 (2) 1.12 (2) |
| [17] | 2 Mon. 11 Cyclic | Rough, exposed aggregates | 90 × 400 (2) 120 × 400 (11) | 8 | 6 (2) 8 (11) | 0.47 (2) 0.84 (9) 1.12 (2) | 521.0 (2) 546.0 (11) | By bond/ 33.3 db (2), 25.0 db (11) | 4.30 ÷ 10.0 |

2. The Experimental Campaign
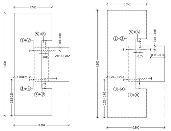
2.1. Specimen Geometry and Test Setup
2.2. Instrumentation and Loading History
3. Experimental Results and Discussion
3.1. Failure Mode

3.2. Hysteretic Behavior and Maximum Shear Resistance
3.3. Crack Openings and Tensile Strains of the Bars Crossing the Interface
4. Calculation of the Interface Resistance
5. Conclusions
- The shear resistance of rough interfaces simulating cold joints (the new concrete is cast against the old concrete) depends on the value of the applied shear slip, as well as on the embedment length of the reinforcement, the increase in which has a positive effect on the mobilized shear resistance. Additionally, the shear resistance is affected by the anchoring mechanism of the reinforcement. Thus, for embedment lengths smaller than the development length, the cast-in bars mobilize smaller resistance than post-installed bars of the same embedment length. Nonetheless, in the presence of an external compressive stress, the effect of the embedment length of the interface reinforcement is reduced. This is due to the reduced activation of the clamping effect of the interface reinforcement. Indeed, in the presence of external compressive stress, the crack width across the interface is limited, and thus, the strains measured on the reinforcing bars are much smaller than for identical specimens tested without any external compression on the interface.
- The application of cyclic shear slips has confirmed the negative effect of this type of loading in terms of ultimate shear resistance and stiffness degradation. Nonetheless, in this case, the presence of external compressive stress reduces the effect of cycling. Furthermore, the maximum resistance of interfaces subjected to external compression is mobilized for smaller shear slip values than the capacity of their counterparts with zero external stress. This is a feature to be accounted for in cases of displacement-based design.
- The equation proposed by the authors to calculate the maximum resistance of interfaces was applied to the experimental results presented in this paper, as well as to relevant results from the literature, obtained from testing interfaces subjected to external compression. It is noted that the equation is based on a global model following the step-by-step development of the shear resisting mechanisms, as well as their interaction. The application of this equation was quite satisfying, as it was able to predict the ultimate shear resistance of interfaces quite accurately.
- Taking into account that the equation proposed by the authors is already checked against a large number of experimental results from the literature, compiled in a database and covering a wide range of values for all influencing parameters, one may consider this equation as a sound basis for the design of interfaces.
Author Contributions
Funding
Institutional Review Board Statement
Informed Consent Statement
Data Availability Statement
Conflicts of Interest
References
- Palieraki, V.; Vintzileou, E.; Silva, J.F. Behavior of RC interfaces subjected to shear: State-of-the Art review. Constr. Build. Mater. 2021, 306, 124855. [Google Scholar] [CrossRef]
- Annamalai, G.; Brown, R.C. Shear-Transfer Behavior of Post-Tensioned Grouted Shear-Key Connections in Precast Concrete-Framed Structures. ACI Struct. J. 1990, 87, 53–59. [Google Scholar]
- Daschner, F. Versuche zur notwendigen Schubbewehrung zwischen Betonfertigteilen und Ortbeton. Dtsch. Ausschuß Für Stahlbeton 1986, 372, 33–89. (In German) [Google Scholar]
- Valluvan, R.; Kreger, M.E.; Jirsa, J.O. Evaluation of ACI 318-95 Shear-Friction Provisions. ACI Struct. J. 1999, 96, 473–481. [Google Scholar]
- Papanicolaou, C.G.; Triantafillou, T.C. Shear transfer capacity along pumice aggregate concrete and high-performance concrete interfaces. Mater. Struct. 2002, 35, 237–245. [Google Scholar] [CrossRef]
- Reinecke, R. Haftverbund und Rissverzahnung in unbewehrten Betonschubfugen. Ph.D. Thesis, Technische Universität München, Munich, Germany, 2004. (In German). [Google Scholar]
- Menkulasi, F.; Roberts-Wollmann, C.L. Behavior of Horizontal Shear Connections for Full-Depth Precast Concrete Bridge Decks on Prestressed I-Girders. PCI J. 2005, 50, 60–73. [Google Scholar] [CrossRef]
- Wallenfelsz, J.A. Horizontal Shear Transfer for Full-Depth Precast Concrete Bridge Deck Panels. Master of Science Thesis, Virginia Polytechnic University, Blacksburg, VA, USA, 2006. [Google Scholar]
- Tassios, T.P.; Vintzeleou, E.N. Concrete-to-concrete friction. J. Struct. Eng. ASCE 1987, 113, 832–849. [Google Scholar] [CrossRef]
- Mazizah, E.M.; Izni, S.I. Interface Shear Strength of Concrete-to-Concrete Bond with and without Projecting Steel Reinforcement. J. Teknol. (Sci. Engrg.) 2015, 75, 169–172. [Google Scholar]
- Williams, C.S.; Massey, J.B.; Bayrak, O.; Jirsa, J.O. Investigation of Interface Shear Transfer Using Push-Through Tests. ACI Struct. J. 2017, 114, 173–185. [Google Scholar] [CrossRef]
- Soudki, K.A.; Rizkalla, S.H.; LeBlanc, B. Horizontal Connections for Precast Concrete Shear Walls Subjected to Cyclic Deformations. Part 1: Mild Steel Connections. PCI J. 1995, 40, 78–96. [Google Scholar] [CrossRef]
- Soudki, K.A.; West, J.S.; Rizkalla, S.H.; Blackett, B. Horizontal Connections for Precast Concrete Shear Walls Panels Under Cyclic Shear Loading. PCI J. 1996, 41, 64–80. [Google Scholar] [CrossRef]
- Nakano, K.; Matsuzaki, Y. Design Method and Compound Effect considering deformation of shear transfer elements in precast concrete connections. In Proceedings of the 13th World Conference on Earthquake Engineering, Vancouver, BC, Canada, 1–6 August 2004. No. 631. [Google Scholar]
- Saari, W.K.; Hajjar, J.F.; Schultz, A.E.; Shield, C.K. Behavior of shear studs in steel frames with reinforced concrete infill walls. J. Constr. Steel Res. 2004, 60, 1453–1480. [Google Scholar] [CrossRef]
- Shirai, Y.; Sakata, H.; Kurosawa, R.; Gao, J.L.; Sugiyama, M.; Matsuzaki, Y. Shear Resistance of Concrete Connections Between Existing RC Frames and Newly-Added PCaPC Frames for Retrofit. In Proceedings of the 15th World Conference on Earthquake Engineering, Lisbon, Portugal, 24–28 September 2012. No. 3886. [Google Scholar]
- Trost, B. Interaction of Sliding, Shear and Flexure in the Seismic Response of Squat Reinforced Concrete Shear Walls. Ph.D. Thesis, Eidgenössische Technische Hochschule Zürich (ETH), Zurich, Switzerland, 2016; 183p. [Google Scholar]
- EN 1992-1:2009; Eurocode 2: Design of Concrete Structures-Part 1-1: General Rules and Rules for Buildings. European Committee for Standardization: Brussels, Belgium, 2009.
- ACI 318 Committee. Building Code Requirements for Structural Concrete and Commentary; American Concrete Institute: Farmington Hills, MI, USA, 2019; 624p. [Google Scholar]
- Vintzeleou, E.N.; Tassios, T.P. Behavior of Dowels under Cyclic Deformations. ACI Struct. J. 1987, 84, 18–30. [Google Scholar]
- Palieraki, V.; Vintzileou, E.; Silva, J.F. Interface Shear Strength under Monotonic and Cyclic Loading. ACI Struct. J. 2022, 119, 17–28. [Google Scholar]
- Palieraki, V.; Vintzileou, E.; Trezos, C. Experimental Behavior of RC Interfaces between Concretes cast at different times Subjected to Cyclic Actions. J. Struct. Engrg. ASCE 2023, 149, 04023067. [Google Scholar] [CrossRef]
- EOTA TR 066; Design and Requirement for Construction Works of Post-Installed Shear Connection for Two Concrete Layers. European Organization for Technical Assessment: Brussels, Belgium, 2020.
- EN 10080; Steel for the Reinforcement of Concrete—Weldable Reinforcing Steel—General. European Committee for Standardization: Brussels, Belgium, 2005.
- ΕLOT 1421-3; Concrete Reinforcing Steels—Weldable Steels—Part 3: Technical Class B500C. Greek Standardization Organization: Athens, Greece, 2008.
- BS EN 1504-6; Products and Systems for the Protection and Repair of Concrete Structures. Definitions, Requirements, Quality Control and Evaluation of Conformity Anchoring of Reinforcing Steel Bar. European Committee for Standardization: Brussels, Belgium, 2006.
- Mousavi, S.S.; Dehestani, M. Influence of mixture composition on the structural behaviour of reinforced concrete beam-column joints: A review. Structures 2022, 42, 29–52. [Google Scholar] [CrossRef]
- Palieraki, V.; Zeris, C.; Vintzileou, E.; Sfikas, I. Experimental Investigation of the Behaviour of Interfaces in RC Elements Subjected to Cyclic Actions. Effect of Compressive Stress Normal to the Interface. In Proceedings of the 15th World Conference on Earthquake Engineering, Lisbon, Portugal, 24–28 September 2012. [Google Scholar]
- Hofbeck, J.A.; Ibrahim, I.O.; Mattock, A.H. Shear Transfer in Reinforced Concrete. ACI J. 1969, 66, 119–128. [Google Scholar]
- Vintzileou, Ε.; Genesio, G.; Oikonomopoulou, E.; Palieraki, V. Alternative Connectors for Seismic Interface Shear Applications. In Proceedings of the 17th World Conference on Earthquake Engineering, Sendai, Japan, 27 September–2 October 2021. [Google Scholar]
- Randl, N. Untersuchungen zur Kraftubertragung zwischen Alt- und Neubeton bei Unterschiedlichen Fugenrauhigkeiten. Ph.D. Thesis, Universitat Innsbruck, Innsbruck, Austria, 1997. (In German). [Google Scholar]
- Palieraki, V.; Vintzileou, E.; Silva, J.F. Modelling Reinforced Interfaces-Cold Joints Subjected to Cyclic Shear. ACI Struct. J. 2022, 119, 225–238. [Google Scholar]














| Specimen Designation (1) | ρ (%), lemb/db | σΝ,ext (N/mm2) | Mean Concrete Compressive Strength (MPa) | su (mm) | wu at su (mm) | τu,exp (N/mm2) | τu,calc (N/mm2) | Failure Mode | |
|---|---|---|---|---|---|---|---|---|---|
| Block A | Block B | ||||||||
| Specimens without external compressive stress | |||||||||
| R-16/B/12/0.2 | 0.302, 12.5 | 0.00 | 36.00 | 15.94 | (1.50) * | (0.97) * | 0.85 | 1.02 | I, OC |
| R-31/B/20/0.1 | 0.302, 20.0 | 0.00 | 31.10 | 34.76 | 0.40 | 0.36 | 2.36 | 2.65 | I |
| Re-26/B/6/0.1 | 0.302, 6.25 | 0.00 | 49.14 | 26.04 | 0.10 | 0.19 | 1.28 | 1.58 | I, P |
| Re-21/B/12/0.1 | 0.302, 12.5 | 0.00 | 25.57 | 21.38 | 0.40 | 0.25 | 2.86 | 2.18 | I, OC |
| R-25/E/6/0.1 | 0.679, 6.25 | 0.00 | 25.06 | 31.10 | 0.35 | 0.35 | 2.27 | 1.76 | I, MOCs |
| R-31/E/20/0.1 | 0.679, 20.0 | 0.00 | 31.10 | 34.76 | 0.80 | 0.44 | 3.53 | 3.91 | I, MOCs |
| Re-21/E/12/0.1 | 0.679, 12.5 | 0.00 | 25.57 | 21.38 | 0.60 | 0.21 | 4.49 | 3.22 | I, MOCs |
| R-16/C/6/0.1 | 1.206, 6.25 | 0.00 | 36.00 | 15.94 | 0.20 | 0.22 | 1.21 | 1.42 | I, MOCs |
| R-21/C/12/0.1 | 1.206, 12.5 | 0.00 | 39.74 | 20.98 | 0.55 | 0.37 | 1.81 | 2.90 | I, OC |
| Specimens with external compressive stress | |||||||||
| NR-25/B/12/0.1 | 0.302, 12.5 | 1.60 | 31.63 | 25.06 | 0.11 | 0.01 | 4.50 | 3.42 | I, OC |
| NR-25/Β/20/0.1 | 0.302, 20.0 | 1.60 | 25.06 | 31.10 | 0.34 | 0.29 | 5.31 | 3.60 | I, OC |
| NRe-27/B/6/0.1 | 0.302, 6.25 | 3.00 | 36.21 | 27.03 | 0.80 | 0.54 | 4.18 | 4.18 | I, OC |
| NRe-21/B/12/0.1 | 0.302, 12.5 | 1.60 | 25.57 | 21.38 | 0.20 | 0.06 | 4.78 | 3.39 | I, OC |
| NR-25/E/6/0.1 | 0.679, 6.25 | 1.60 | 25.06 | 31.10 | 0.40 | (1.29) * | 5.08 | 3.97 | I, OC |
| NR-25/E/20/0.1 | 0.679, 20.0 | 1.60 | 25.06 | 31.10 | 0.14 | 0.08 | 4.31 | 4.61 | I, MOCs |
| NRe-21/E/12/0.1 | 0.679, 12.5 | 0.40 | 25.57 | 21.38 | 0.40 | 0.28 | 5.14 | 4.12 | I, MOCs |
| NR-36/C/6/0.1 | 1.206, 6.25 | 3.00 | 49.14 | 36.21 | 0.20 | 0.002 | 4.46 | 6.40 | I, MOCs |
| NR-38/C/12/0.1 | 1.206, 12.5 | 0.30 | 49.14 | 37.92 | 0.40 | 0.46 | 4.30 | 6.87 | I, OC |
Disclaimer/Publisher’s Note: The statements, opinions and data contained in all publications are solely those of the individual author(s) and contributor(s) and not of MDPI and/or the editor(s). MDPI and/or the editor(s) disclaim responsibility for any injury to people or property resulting from any ideas, methods, instructions or products referred to in the content. |
© 2024 by the authors. Licensee MDPI, Basel, Switzerland. This article is an open access article distributed under the terms and conditions of the Creative Commons Attribution (CC BY) license (https://creativecommons.org/licenses/by/4.0/).
Share and Cite
Palieraki, V.; Zeris, C.; Vintzileou, E. Experimental Investigation of the Effect of Compressive Interface Stress on Interfaces in Reinforced Concrete Elements under Cyclic Action. Appl. Sci. 2024, 14, 4350. https://doi.org/10.3390/app14114350
Palieraki V, Zeris C, Vintzileou E. Experimental Investigation of the Effect of Compressive Interface Stress on Interfaces in Reinforced Concrete Elements under Cyclic Action. Applied Sciences. 2024; 14(11):4350. https://doi.org/10.3390/app14114350
Chicago/Turabian StylePalieraki, Vasiliki, Christos Zeris, and Elizabeth Vintzileou. 2024. "Experimental Investigation of the Effect of Compressive Interface Stress on Interfaces in Reinforced Concrete Elements under Cyclic Action" Applied Sciences 14, no. 11: 4350. https://doi.org/10.3390/app14114350
APA StylePalieraki, V., Zeris, C., & Vintzileou, E. (2024). Experimental Investigation of the Effect of Compressive Interface Stress on Interfaces in Reinforced Concrete Elements under Cyclic Action. Applied Sciences, 14(11), 4350. https://doi.org/10.3390/app14114350

