Sequential-Fault Diagnosis Strategy for High-Speed Train Traction Systems Based on Unreliable Tests
Abstract
1. Introduction
- Applying testability analysis to the testing capability analysis of train traction systems provides new ideas for evaluating the fault coverage and diagnostic capability of train traction system detection equipment, and provides new methods for improving the maintenance efficiency of train traction systems and constructing reasonable diagnostic strategies.
- In the testability modeling, the uncertainty of the test is considered, and the concept of test reliability is proposed, describing the probability that the test can accurately detect the failure of the system.
- The single-fault diagnosis strategy of the traction system is constructed based on information theory, which can more reasonably and efficiently meet the diagnosis requirements in actual scenarios.
2. Problem Statement
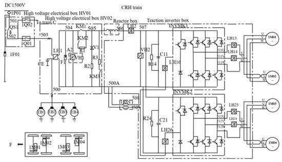
2.1. Traction System
2.2. Test Uncertainty Analysis
3. Methodology
3.1. Evaluation Index of Test Reliability
3.2. Evaluation Method of Test Reliability Based on the Cloud Model
- (1)
- Basic theory of the cloud model
- (2)
- Determination of the evaluation set
- (3)
- Determine expert weights
- (4)
- Construct a floating cloud evaluation matrix
- (5)
- Determine the weight of the evaluation indicators
- (6)
- Quantitative test reliability
3.3. Optimization Objectives of Fault Diagnosis Strategy
- (1)
- Problem componentsThe problem of solving a fault diagnosis tree via system fault reasoning is mainly composed of five factors, including a system fault fuzzy set , fault probability set , test set , diagnosis cost set, and system dependency matrix.
- (1)
- is the fault set of the system, where indicates that the system is in a normal condition without faults.
- (2)
- is a set representing failure probability, which is calculated from the failure rate. , where represents the probability of no faults in the system.
- (3)
- is the available test set.
- (4)
- represents the cost of isolating the fault when the fault occurs, i.e., the cost of fault diagnosis.
- (5)
- is the system fault–test dependency matrix. Considering the reliability of the test, this can be transformed into a fault–test dependency matrix based on reliability.
- (2)
- Optimization objectives
3.4. Fault Diagnosis Reasoning Based on Test Reliability Dependency Matrix
- (1)
- Reasoning theory of fault diagnosis when testing reliability
- (2)
- Reasoning theory for fault diagnosis when a test is unreliable
- (3)
- Construction method of fault diagnosis strategy based on test information
4. Case Study
4.1. Experimental Setup
4.2. Quantitative Evaluation of Traction System Test Reliability
- (1)
- Determination of expert weight
- (2)
- Comprehensive cloud assessment matrix
- (3)
- Determination of index weight
- (4)
- Quantification of test uncertainty
4.3. Construction of Traction System Diagnosis Strategy under Reliability Test and Unreliable Test
4.4. Comparative Analysis
5. Conclusions
Supplementary Materials
Author Contributions
Funding
Institutional Review Board Statement
Informed Consent Statement
Data Availability Statement
Conflicts of Interest
References
- Geng, Y.; Wang, Z.; Jia, L.; Qin, Y.; Chai, Y.; Liu, K.; Tong, L. 3DGraphSeg: A Unified Graph Representation-Based Point Cloud Segmentation Framework for Full-Range Highspeed Railway Environments. IEEE Trans. Ind. Inform. 2023, 1–13. [Google Scholar] [CrossRef]
- Tong, L.; Jia, L.; Geng, Y.; Liu, K.; Qin, Y.; Wang, Z. Anchor-adaptive railway track detection from unmanned aerial vehicle images. Comput.-Aided Civ. Infrastruct. Eng. 2023. [Google Scholar] [CrossRef]
- Aizenberg, I.; Belardi, R.; Bindi, M.; Grasso, F.; Manetti, S.; Luchetta, A.; Piccirilli, M.C. A Neural Network Classifier with Multi-Valued Neurons for Analog Circuit Fault Diagnosis. Electronics 2021, 10, 349. [Google Scholar] [CrossRef]
- Aizenberg, I.; Belardi, R.; Bindi, M.; Grasso, F.; Manetti, S.; Luchetta, A.; Piccirilli, M.C. Failure Prevention and Malfunction Localization in Underground Medium Voltage Cables. Energies 2021, 14, 85. [Google Scholar] [CrossRef]
- Farkas, G.; Sarkany, Z.; Rencz, M. Structural Analysis of Power Devices and Assemblies by Thermal Transient Measurements. Energies 2019, 12, 2696. [Google Scholar] [CrossRef]
- Farkas, G.; Schweitzer, D.; Sarkany, Z.; Rencz, M. On the Reproducibility of Thermal Measurements and of Related Thermal Metrics in Static and Transient Tests of Power Devices. Energies 2020, 13, 557. [Google Scholar] [CrossRef]
- Jiang, S.; Liu, S.; Guo, C.; Fan, X.; Ma, T.; Tiwari, P. Implementation of ARINC 659 Bus Controller for Space-Borne Computers. Electronics 2019, 8, 435. [Google Scholar] [CrossRef]
- Lee, S.; Cho, K.; Kim, J.; Park, J.; Lee, I.; Kang, S. Low-Power Scan Correlation-Aware Scan Cluster Reordering for Wireless Sensor Networks. Sensors 2021, 21, 6111. [Google Scholar] [CrossRef] [PubMed]
- Lim, H.; Cheong, M.; Kang, S. Scan-Chain-Fault Diagnosis Using Regressions in Cryptographic Chips for Wireless Sensor Networks. Sensors 2020, 20, 4771. [Google Scholar] [CrossRef] [PubMed]
- Naeini, M.M.; Dass, S.B.; Ooi, C.Y. The Design and Implementation of a Low-Power Gating Scan Element in 32/28 nm CMOS Technology. J. Low Power Electron. Appl. 2017, 7, 7. [Google Scholar] [CrossRef]
- Wang, W.; Deng, Z.; Wang, J. Enhancing Sensor Network Security with Improved Internal Hardware Design. Sensors 2019, 19, 1752. [Google Scholar] [CrossRef] [PubMed]
- Xiao, Y.; Wei, S.; Chai, Y.; Pan, T.; Hou, Y. Reliability optimization of flexible test system based on pyro-mechanical device products production driven. Reliab. Eng. Syst. Saf. 2023, 230, 108880. [Google Scholar] [CrossRef]
- Huang, X.; Xu, C.; Zhang, L.; Hu, C.; Mo, W. Parallel testing optimization method of digital microfluidic biochip. Measurement 2022, 194, 111018. [Google Scholar] [CrossRef]
- Gupta, N.; Sharma, A.; Pachariya, M.K. Multi-objective test suite optimization for detection and localization of software faults. J. King Saud Univ.–Comput. Inf. Sci. 2022, 34, 2897–2909. [Google Scholar] [CrossRef]
- Wang, Q.; Chen, B.; Xu, G.; Bao, H.; Zeng, J.; Xiang, X. Optimization of test method for bond performance between steel bar and concrete. Structures 2023, 47, 1822–1835. [Google Scholar] [CrossRef]
- Wang, N.; Jia, L.; Zhang, H.; Qin, Y.; Zhao, X.; Wang, Z. Manifold-Contrastive Broad Learning System for Wheelset Bearing Fault Diagnosis. IEEE Trans. Intell. Transp. Syst. 2023, 1–15. [Google Scholar] [CrossRef]
- Wang, Z.; Wang, N.; Zhang, H.; Jia, L.; Qin, Y.; Zuo, Y.; Zhang, Y.; Dong, H. Segmentalized mRMR Features and Cost-Sensitive ELM With Fixed Inputs for Fault Diagnosis of High-Speed Railway Turnouts. IEEE Trans. Intell. Transp. Syst. 2023, 24, 4975–4987. [Google Scholar] [CrossRef]
- Dan, H.; Yue, W.; Xiong, W.; Liu, Y.; Su, M.; Sun, Y. Open-Switch and Current Sensor Fault Diagnosis Strategy for Matrix Converter-Based PMSM Drive System. IEEE Trans. Transp. Electrif. 2022, 8, 875–885. [Google Scholar] [CrossRef]
- Xu, W.; Zhang, Y.; Liu, Y.; Islam, M.R.; Zhang, M.; Luo, D. Improved Slight Fault Diagnosis Strategy for Induction Motor Considering Even and Triple Harmonics. IEEE Trans. Ind. Appl. 2022, 58, 4436–4449. [Google Scholar] [CrossRef]
- Wu, L.J.; He, W.; Liu, B.J.; Han, X.Y.; Tang, L.L. Scenario-Based Software Reliability Testing and Evaluation of Complex Information Systems. In Proceedings of the 18th IEEE International Conference on Software Quality, Reliability and Security Companion (QRS-C), Lisbon, Portugal, 16–20 July 2018; pp. 73–78. [Google Scholar]
- Zhao, J.Y.; Chen, H.J.; Liu, G.J.; Zhang, Y.; Wu, P.H. Reliability testing and reliability analysis of the over-load protective relay. J. Zhejiang Univ.-Sci. A 2007, 8, 475–480. [Google Scholar] [CrossRef]
- Deng, Y.; Shi, J.Y.; Liu, K. An Extended Testability Modeling Method Based on the Enable Relationship Between Faults and Tests. In Proceedings of the Prognostics and System Health Management Conference (Phm), Beijing, China, 21–23 October 2015. [Google Scholar]
- Gao, J.; Shih, M.C.; Society, I.C. A component testability model for verification and measurement. In Proceedings of the 29th Annual International Computer Software and Applications Conference, Edinburgh, UK, 26–28 July 2005; pp. 211–218. [Google Scholar]
- Sui, J.H.; Wang, J.X.; Liu, H.N.; Liu, L.Q. A Baseline-based BIST Design Model for Software Testability. In Proceedings of the International Conference on Industrial Technology and Management Science (ITMS), Tianjin, China, 27–28 March 2015; pp. 1395–1399. [Google Scholar]
- Tan, X.D.; Qiu, J.; Liu, G.J.; Li, Q. Fault Evolution Testability Modeling and Analysis for Centrifugal Pumps. In Proceedings of the Prognostics and System Health Management Conference (PHM-Hunan), Lab Sci & Technol Integrated Logist Support, Zhangjiajie, China, 24–27 August 2014; pp. 469–473. [Google Scholar]
- Yang, C.L.; Gu, X.D.; Zhu, M.; Li, M.Q. Research on Modeling Techniques of Testability Evaluation Based on Modelica. In Proceedings of the 4th International Conference on Instrumentation and Measurement, Computer, Communication and Control (IMCCC), Harbin Inst Technol, Harbin, China, 18–20 September 2014; pp. 590–594. [Google Scholar]
- Lei, J.N.; Wan, F.Y.; Cui, W.M.; Li, W.H. Testability Modeling of Hydraulic System Based on Multi–Signal Flow Model. In Proceedings of the International Conference on Sensing, Diagnostics, Prognostics, and Control (SDPC), Shanghai, China, 16–18 August 2017; pp. 361–366. [Google Scholar]
- Liu, H.S.; Wu, J.C.; Chen, G.J. Application of Multi-signal Modeling Theory to Testability Analysis for Complex Electronic System. In Proceedings of the International Conference on Computer Science and Network Technology (ICCSNT), Harbin Normal University, Harbin, China, 24–26 December 2011; pp. 755–758. [Google Scholar]
- Lyu, C.; Ding, H.; Liu, S.S.; Wang, L.X.; Wang, S.J. An Initial Implementation of Testability Analysis Based on Multi-Signal Flow Graph Model. In Proceedings of the 8th IEEE Conference on Industrial Electronics and Applications (ICIEA), Swinburne University of Technology, Melbourne, Australia, 19–21 June 2013; pp. 1874–1879. [Google Scholar]
- Wu, Y.; Yu, J.S.; Tang, D.Y.; Tian, L.M.; Gao, Z.B.; Dai, J. A hierarchical testability analysis method for reusable liquid rocket engines based on multi-signal flow model. In Proceedings of the 15th IEEE Conference on Industrial Electronics and Applications (ICIEA), Electr Network, Kristiansand, Norway, 9–13 November 2020; pp. 1768–1772. [Google Scholar]
- Yan, P.; Chen, F.; Sun, S.Y.; Li, X. Testability Modeling of Guided Projectile Based on Multi-Signal Flow Graphs. In Proceedings of the IEEE 4th Information Technology and Mechatronics Engineering Conference (ITOEC), Chongqing, China, 14–16 December 2018; pp. 1219–1225. [Google Scholar]






| Evaluation Level | Influence of Test Error | Threshold Setting Rationality Influence | Impact of Environmental Noise | Influence of Sensor Reliability | Influence of Working Condition Disturbance |
|---|---|---|---|---|---|
| 1 | great | great | great | great | great |
| 2 | larger | larger | larger | larger | larger |
| 3 | common | common | common | common | common |
| 4 | less | less | less | less | less |
| 5 | very small | very small | very small | very small | very small |
| n | RI |
|---|---|
| 1 | 0 |
| 2 | 0 |
| 3 | 0.58 |
| 4 | 0.9 |
| 5 | 1.12 |
| 6 | 1.24 |
| 7 | 1.32 |
| 8 | 1.41 |
| 9 | 1.45 |
| Test | Reliability | Test | Reliability | Test | Reliability |
|---|---|---|---|---|---|
| 0.9475 | 0.9529 | 0.9350 | |||
| 0.9436 | 0.9398 | 0.9387 | |||
| 0.9550 | 0.9322 | 0.9502 | |||
| 0.9436 | 0.9528 | 0.9580 | |||
| 0.9523 | 0.9511 | 0.9455 | |||
| 0.9416 | 0.9446 | 0.9549 | |||
| 0.9521 | 0.9588 | 0.9590 | |||
| 0.9513 | 0.9536 | 0.9538 | |||
| 0.9476 | 0.9366 |
| Fault | Steps Required for Isolation | Fault | Steps Required for Isolation |
|---|---|---|---|
| 24 | 19 | ||
| 27 | 21 | ||
| 28 | 20 | ||
| 28 | 20 | ||
| 26 | 19 | ||
| 26 | 21 | ||
| 23 | 7 | ||
| 23 | 8 | ||
| 16 | 10 | ||
| 16 | 9 | ||
| 15 | 12 | ||
| 4 | 11 | ||
| 6 | 13 | ||
| 5 | 14 |
| Fault | Steps Required for Isolation | Fault | Steps Required for Isolation |
|---|---|---|---|
| 25 | 20 | ||
| 26 | 21 | ||
| 28 | 18 | ||
| 28 | 18 | ||
| 27 | 20 | ||
| 24 | 21 | ||
| 23 | 13 | ||
| 24 | 12 | ||
| 16 | 10 | ||
| 16 | 15 | ||
| 14 | 7 | ||
| 17 | 8 | ||
| 6 | 9 | ||
| 5 | 11 |
Disclaimer/Publisher’s Note: The statements, opinions and data contained in all publications are solely those of the individual author(s) and contributor(s) and not of MDPI and/or the editor(s). MDPI and/or the editor(s) disclaim responsibility for any injury to people or property resulting from any ideas, methods, instructions or products referred to in the content. |
© 2023 by the authors. Licensee MDPI, Basel, Switzerland. This article is an open access article distributed under the terms and conditions of the Creative Commons Attribution (CC BY) license (https://creativecommons.org/licenses/by/4.0/).
Share and Cite
Li, M.; Zhou, Y.; Jia, L.; Qin, Y.; Wang, Z. Sequential-Fault Diagnosis Strategy for High-Speed Train Traction Systems Based on Unreliable Tests. Appl. Sci. 2023, 13, 8226. https://doi.org/10.3390/app13148226
Li M, Zhou Y, Jia L, Qin Y, Wang Z. Sequential-Fault Diagnosis Strategy for High-Speed Train Traction Systems Based on Unreliable Tests. Applied Sciences. 2023; 13(14):8226. https://doi.org/10.3390/app13148226
Chicago/Turabian StyleLi, Mengwei, Ying Zhou, Limin Jia, Yong Qin, and Zhipeng Wang. 2023. "Sequential-Fault Diagnosis Strategy for High-Speed Train Traction Systems Based on Unreliable Tests" Applied Sciences 13, no. 14: 8226. https://doi.org/10.3390/app13148226
APA StyleLi, M., Zhou, Y., Jia, L., Qin, Y., & Wang, Z. (2023). Sequential-Fault Diagnosis Strategy for High-Speed Train Traction Systems Based on Unreliable Tests. Applied Sciences, 13(14), 8226. https://doi.org/10.3390/app13148226

