A Comparative Performance Analysis of Four Wind Turbines with Counter-Rotating Electric Generators
Abstract
1. Introduction
- the design and development of novel solutions for wind turbines or their main components and an estimation of their performances;
- increasing the efficiency and/or energy performance of existing WTs;
- functional optimization of existing WT subsystems.
2. Problem Formulation
- Case A: 2-DOF (differential) transmission with three inputs (2-DOF, L = 5, and three WRs);
- Case B: 1-DOF (monomobile) transmission with two inputs (1-DOF, L = 4, and two WRs);
- Case C: 2-DOF transmission with two inputs (2-DOF, L = 4, and two WRs);
- Case D: 1-DOF transmission with one input (1-DOF, L = 3, and one WR).
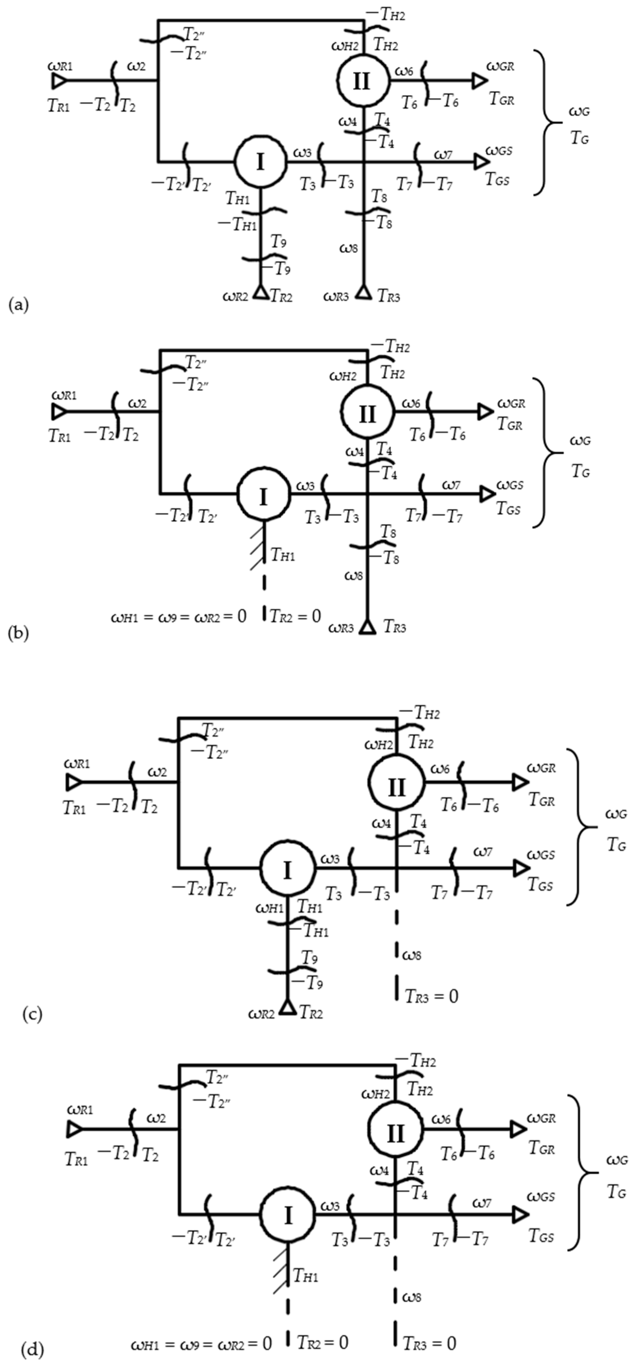
- Case A, Figure 1a: C1 = 0, C2 = C3 = 1, 2-DOF transmission with three inputs and two outputs (L = 5);
- Case B, Figure 1b: C1 = C3 = 1, C2 = 0, 1-DOF transmission with two inputs and two outputs (L = 4); for C1 = 1, the bevel transmission I is a 1-DOF gear set with fixed axes, and, for C2 = 0, the rotor R2 idles and torque , implicitly. In order to facilitate the kinematic modeling, it is considered that the clutch disengaging, afferent to a rotor R, is accompanied by fixing the rotor to the base, i.e., the rotational speed ;
- Case C, Figure 1c: C1 = C3 = 0, C2 = 1, 2-DOF transmission with two inputs and two outputs (L = 4); analogous to Case B, for C3 = 0, the rotor R3 becomes inactive and blocked, i.e., and ;
- Case D, Figure 1d: C1 = 1, C2 = C3 = 0, 1-DOF transmission with one input and two outputs (L = 3); analogous with Cases B and C, the rotors R2 and R3 become inactive and blocked for C2 = C3 = 0, i.e., , and , , respectively.
- –
- homologous gears of the four WSCGs have the same number of teeth zi, i = 1′, 1″, …, 6;
- –
- homologous gear pairs with fixed axes have the same efficiency;
- –
- the three wind rotors have the possibility to modify the pitch angle of their blades to adjust the input powers, the angular speeds and the input torques implicitly while considering a constant wind speed (i.e., a steady-state regime);
- –
- in order to facilitate the kinematic modeling, it is considered that the clutch disengaging for a wind rotor is accompanied by the rotor locking at the base, which means that both the rotor torque and speed become null.
3. Closed-Form Modeling
- Planetary gear set I:where x = ±1, depending on the direction of the power flow transmission through the fixed axis mechanisms associated with the planetary gear set, obtained by reversing the motion with respect to H1 [55]. For Case A (Figure 1a) and Case B (Figure 1b), the sign of x depends on the ratio : for , x = +1, and for , x = −1. For Cases C (Figure 1c) and D (Figure 1d), x = −1.
- Planetary gear set II:where the sign of the exponent w is obtained as follows [55]:where sgn is the signum function.
3.1. Kinematic Modeling
- Case C: C3 = 0 and ; implicitly: and (Figure 2c);
3.2. Torque Modeling in the Steady-State Regime
- Case B: C2 = 0, , and implicitly, and (Figure 2b);
- Case C: C3 = 0, , and implicitly, (Figure 2c);
3.3. Power and Efficiency Modeling in Steady-State Regime
4. Numerical Simulations and Discussions
- -
- Both secondary rotors (R2 and R3) rotate in opposite directions to the primary rotor R1 (by exception, rotor R2 may also have the rotation direction of rotor R1, a situation highlighted in Section 4.1);
- -
- The powers of rotors R1, R2 and R3 are input powers for the transmission, i.e., , and (but there are also exceptions in which rotor R2 becomes the brake, i.e., , as highlighted in Section 4.2);
- -
- The counter-rotating electric generator G is characterized by the operating speed , the torque and by the mechanical power (considered as the transmission output power, i.e., , Figure 2);
- -
- In order to simplify the comparative energy analysis of the selected cases, the mechanical characteristics related to the wind rotors and the generator are disregarded; as a result, the power of the primary rotor R1 will be further considered as the reference power, and the other powers will be expressed by ratios of the type , whatever the x shaft, called reduced powers (at the primary rotor).
4.1. Transmission Input Powers and Efficiency
- (a)
- The ratios and directly influence the operation state of the secondary wind rotors R2 and R3 and the mechanical power flow through the planetary transmission implicitly; thus, for Case A, the variation ranges of these ratios for which the wind system operation makes sense are further analyzed, i.e., the secondary wind rotors R2 and R3 are motor sources (PR2 > 0 and PR3 > 0).
- (b)
- (c)
- (d)
- At normal operations (), rotor R2 works in the motor mode only for , becoming a brake for ; for (i.e., rotor R2 rotates in the same direction as the primary rotor R1), R2 becomes the motor only if (see the line in Figure 3a).
- (e)
- (f)
- (g)
- (h)
4.2. Power Flow
- Case A
- -
- The secondary rotors R2 and R3 influence each other when the pitch angle changes, their powers depending on both ratios (adjustment for R2) and (adjustment for R3).
- -
- Ratio significantly influences both the power values and the directions of the power flows as follows:
- : that is, Case C, in which the energetic contribution of rotor R3 is zero, such as ;
- (red lines, Figure 7a,b): the powers of rotors R1, R2 and R3 flow branched and convergent towards the rotor and stator of the generator;
- (blue lines, Figure 7a,b): in this limit situation (when TR2 = 0 and PR2 = 0, see Table 2 and Table 3), rotor R2 and the planetary gear set I are idling, and the power of rotor R1 flows through gear set II to GR, while the power of the rotor R3 branches into two flows: one directly to GS and another, through gear set II, to GR. It can be noticed that both the mechanical power of the generator and the transmission efficiency are higher compared with the previous situation ();
- (green lines, Figure 7a,b): the power flow of rotor R1 is transmitted entirely through gear set II to GR, while the power of rotor R3 branches into four streams: a first flow directly to GS, a second flow through gear set II to GR, a third flow through gear sets I and II also towards GR and a fourth flow through gear set I towards rotor R2, which passes in the brake mode, with the reversal of the power flow direction through planetary gear set I; although rotor R2 becomes the brake (reverse direction of flow), the power received by the generator increases, while the transmission efficiency decreases (see Table 5).
- -
- The power received by the electric generator increases with the increase of the ratio .
- -
- The power supply to the mobile stator GS increases with the increase of ratio (i.e., from 10% PG for to 13.3% PG for ).
- -
- The amplification ratio does not depend on ratio and increases with the increase of ratio (i.e., from 15 for to 30 for , Table 5).
- Case B
- Case C
- -
- the torque of the rotor R2 is equal, in absolute value, to that of the primary rotor R1; as a result, the power generated by R2 increases with the increase of the ratio;
- -
- the input powers (PR1 and PR2) flow into three branches directly toward the rotor GR and stator GS;
- -
- the transmission efficiency is constant (η = 0.85), regardless of the value of the ratio ;
- -
- the power supply to the stator GS increases with the increase of : from 12.1% PG for to 13.3% PG for .
- Case D
5. Conclusions
- -
- the wind turbine with three wind rotors (Case A) allows the increase of the output powers (towards the electric generator) and of the input one compared to those with two counter-rotating wind rotors (Cases B and C); in turn, the systems in Cases B and C can ensure a better use of the wind potential compared to traditional single-rotor wind turbines (Case D);
- -
- the reduced input powers (corresponding to secondary wind rotors R2 and R3) and the reduced output power, as well as the configuration of the power flows, depend, to a large extent, on the values of ratios and ;
- -
- the transmission efficiency is constant in Cases C and D, because it does not depend on the operating speed nor on the transmitted power; instead, the efficiency in Cases A and B changes with ratio ;
- -
- thanks to the property of “summing up” the speeds, the 2-DOF systems (Cases A and C) can offer higher amplification ratios (ia) than the 1-DOF ones and can implicitly ensure a higher power supply by the stator GS;
- -
- the turbines with two wind rotors (Cases B and C) can have comparable power performances, the 1-DOF system (Case B) being advantaged with superior powers and efficiency in the vicinity of the value . The differential system (Case C) achieves higher amplification ratios, accompanied by relatively high powers, as the ratio increases;
- -
- the maximum input power supply being brought about by rotor R3; the most interesting energy aspects are found in Case A in the vicinity of ratio value for the situation . Practically, this means a 2-DOF system with two rotors, R1 and R3, were obtained from the case with three wind rotors by removing rotor R2 (i.e., Case B); it is also interesting that, in this system (Figure 1a without rotor R2), planetary gear set I idles (it does not participate in the transmission of the torque and of the power implicitly).
Author Contributions
Funding
Institutional Review Board Statement
Informed Consent Statement
Data Availability Statement
Conflicts of Interest
Nomenclature
| Acronyms | |
| DOF | Degree of freedom |
| GR | Generator rotor |
| GS | Generator stator |
| WR | Wind rotor |
| WT | Wind turbine |
| WSCG | Wind system with counter-rotating generator |
| Symbols | |
| C1,2,3 | Clutch no 1, 2, 3 |
| G | Electric generator |
| H1,2 | Satellite carrier no 1, 2 |
| i | Kinematic ratio () |
| i0 | Interior kinematic ratio |
| Interior static ratio | |
| ia | Amplification kinematic ratio () |
| I | Bevel planetary gear set |
| II | Spur planetary gear set |
| kt | Ratio of the input moments () |
| kω | Ratio of the input angular speeds () |
| L | Total number of external links |
| P | Power |
| Pin | Sum on the input (positive) powers |
| R1,2,3 | Wind rotor no 1, 2, 3 |
| T | Torque |
| z | Gear teeth number |
| η | Mechanical efficiency |
| η0 | Internal mechanical efficiency |
| Angular speed | |
References
- Oprina, G.; Chihaia, R.A.; El-Leathey, L.A.; Nicolaie, S.; Babutanu, C.A.; Voina, A. A review on counter-rotating wind turbines development. J. Sustain. Energy 2016, 7, 91–98. [Google Scholar]
- Didane, D.H.; Rosly, N.; Zulkafli, M.F.; Shamsudin, S.S. Performance evaluation of a novel vertical axis wind turbine with coaxial contra-rotating concept. Renew. Energy 2018, 115, 353–361. [Google Scholar] [CrossRef]
- Pacholczyk, M.; Karkosinski, D. Parametric Study on a Performance of a Small Counter-Rotating Wind Turbine. Energies 2020, 13, 3880. [Google Scholar] [CrossRef]
- West, R. Wind Turbine System. U.S. Patent 10,316,820 B2, 11 June 2019. [Google Scholar]
- Neagoe, M.; Saulescu, R.; Jaliu, C. Design and Simulation of a 1 DOF Planetary Speed Increaser for Counter-Rotating Wind Turbines with Counter-Rotating Electric Generators. Energies 2019, 12, 1754. [Google Scholar] [CrossRef]
- Saulescu, R.; Neagoe, M.; Jaliu, C. Conceptual Synthesis of Speed Increasers for Wind Turbine Conversion Systems. Energies 2018, 11, 2257. [Google Scholar] [CrossRef]
- Mirnikjoo, S.; Abbaszadeh, K.; Abdollahi, S.E. Multi-Objective Design Optimization of a Double-Sided Flux Switching Permanent Magnet Generator for Counter-Rotating Wind Turbine Applications. IEEE Trans. Ind. Electron. 2020, 68, 6640–6649. [Google Scholar] [CrossRef]
- Kutt, F.; Blecharz, K.; Karkosinski, D. Axial-Flux Permanent-Magnet Dual-Rotor Generator for a Counter-Rotating Wind Turbine. Energies 2020, 13, 2833. [Google Scholar] [CrossRef]
- Neagoe, M.; Saulescu, R.; Jaliu, C.; Cretescu, N. Novel Speed increaser used in counter-rotating wind turbines. In New Advances in Mechanisms, Mechanical Transmissions and Robotics; Mechanisms and Machine Science Series; Springer: Berlin, Germany, 2017; Volume 46, pp. 143–151. [Google Scholar] [CrossRef]
- Giger, U.; Kleinhansl, S.; Schulte, H. Design Study of Multi-Rotor and Multi-Generator Wind Turbine with Lattice Tower—A Mechatronic Approach. Appl. Sci. 2021, 11, 11043. [Google Scholar] [CrossRef]
- Cho, W.; Lee, K.; Choy, I.; Back, J. Development and experimental verification of counter-rotating dual rotor/dual generator wind turbine: Generating, yawing and furling. Renew. Energy 2017, 114, 644–654. [Google Scholar] [CrossRef]
- Jelaska, D.; Podrug, S.; Perkušic, M. A novel hybrid transmission for variable speed wind turbines. Renew. Energy 2015, 83, 78–84. [Google Scholar] [CrossRef]
- Qiu, J.; Liu, B.; Dong, H.; Wang, D. Type Synthesis of Gear-box in Wind Turbine. Procedia Comput. Sci. 2017, 109, 809–816. [Google Scholar] [CrossRef]
- Saulescu, R.; Jaliu, C.; Munteanu, O.; Climescu, O. Planetary Gear for Counter-Rotating Wind Turbines. Appl. Mech. Mater. 2014, 658, 135–140. [Google Scholar] [CrossRef]
- Saulescu, R.; Jaliu, C.; Climescu, O.; Diaconescu, D. On the use of 2 DOF planetary gears as “speed increaser” in small hydros and wind turbines. In Proceedings of the ASME International Design Engineering Technical Conferences & Computers and Information in Engineering Conference IDETC/CIE 2011, Washington, DC, USA, 25–31 August 2011; pp. 601–610. [Google Scholar] [CrossRef]
- Vasel-Be-Hagh, A.; Archer, C.L. Wind farms with counter-rotating wind turbines. Sustain. Energy Technol. Assess. 2017, 24, 19–30. [Google Scholar] [CrossRef]
- Blanco, J.; Rodriguez, J.D.; Couce, A.; Lamas, M.I. Proposal of a Nature-Inspired Shape for a Vertical Axis Wind Turbine and Comparison of Its Performance with a Semicircular Blade Profile. Appl. Sci. 2021, 11, 6198. [Google Scholar] [CrossRef]
- Pfaffel, S.; Faulstich, S.; Rohrig, K. Performance and Reliability of Wind Turbines: A Review. Energies 2017, 10, 1904. [Google Scholar] [CrossRef]
- Fan, G.-F.; Qing, S.; Wang, H.; Hong, W.-C.; Li, H.-J. Support Vector Regression Model Based on Empirical Mode Decomposition and Auto Regression for Electric Load Forecasting. Energies 2013, 6, 1887–1901. [Google Scholar] [CrossRef]
- Hong, W.C.; Fan, G.F. Hybrid Empirical Mode Decomposition with Support Vector Regression Model for Short Term Load Forecasting. Energies 2019, 12, 1093. [Google Scholar] [CrossRef]
- Zhiqiang, L.; Yunke, W.; Jie, H.; Zhihong, Z.; Wenqi, C. The study on performance and aerodynamics of micro counter-rotating HAWT. Energy 2018, 161, 939–954. [Google Scholar] [CrossRef]
- Lam, H.F.; Peng, H.Y. Measurements of the wake characteristics of co- and counter-rotating twin H-rotor vertical axis wind turbines. Energy 2017, 131, 13–26. [Google Scholar] [CrossRef]
- Lipian, M.; Dobrev, I.; Massouh, F.; Jozwik, K. Small wind turbine augmentation: Numerical investigations of shrouded- and twin-rotor wind turbines. Energy 2020, 201, 117588. [Google Scholar] [CrossRef]
- Bani-Hani, E.; Sedaghat, A.; Saleh, A.; Ghulom, A.; Al-Rahmani, H.; Al-Zamel, S.; Lopez, J. Evaluating Performance of Horizontal Axis Double Rotor Wind Turbines. Energy Eng. 2019, 116, 26–40. [Google Scholar] [CrossRef]
- Erturk, E.; Sivrioglu, S.; Bolat, F. Analysis Model of a Small Scale Counter-Rotating Dual Rotor Wind Turbine with Double Rotational Generator Armature. Int. J. Renew. Energy Res. 2018, 8, 1849–1858. [Google Scholar] [CrossRef]
- Pamuji, D.; Bramantya, M. Numerical Study on the Performance of 2-Bladed and 3-Bladed Counter Rotating Wind Turbines. J. Jpn. Soc. Appl. Electromagn. Mech. 2019, 27, 169–174. [Google Scholar] [CrossRef]
- Neagoe, M.; Jaliu, C.; Saulescu, R.; Simionescu, P. Steady-State Response of a Dual-Rotor Wind Turbine with Counter-Rotating Electric Generator and Planetary Gear Increaser. In Proceedings of the MSR 2020 USCToMM Symposium on Mechanical Systems and Robotics, Rapid City, SD, USA, 14–16 May 2020; pp. 106–115. [Google Scholar] [CrossRef]
- Fan, Z.; Zhu, C.; Li, X.; Liang, C. The transmission characteristic for the improved wind turbine gearbox. Energy Sci. Eng. 2019, 7, 1368–1378. [Google Scholar] [CrossRef]
- Chaichana, T.; Chaitep, S. Performance Evaluation of Co-Axis Counter-Rotation Wind Turbine. Energy Procedia 2015, 79, 149–156. [Google Scholar] [CrossRef][Green Version]
- Didane, D.H.; Kudam, D.; Zulkafli, M.F.; Mohd, S.; Batcha, M.F.M.; Khalid, A. Development and Performance Investigation of a Unique Dual-rotor Savonius-type Counter-rotating Wind Turbine. Int. J. Integr. Eng. 2021, 13, 89–98. [Google Scholar] [CrossRef]
- Didane, D.H.; Rosly, N.; Zulkafli, M.F.; Shamsudin, S.S. Numerical investigation of a novel contra-rotating vertical axis wind turbine. Sustain. Energy Technol. Assess. 2019, 31, 43–53. [Google Scholar] [CrossRef]
- Cao, Y.; Han, Z.; Zhou, D.; Lei, H. Aerodynamic Performance of Counter-Rotating Vertical Axis Wind Turbine. J. Shanghai Jiaotong Univ. Sci. 2021, 55, 141–148. [Google Scholar] [CrossRef]
- Ilmunandar, A.M.; Bramantya, M.A. Experimental Study of Counter Rotating Wind Turbine (Full Scale, R = 1.5 M) with Single Generator Using Gearbox. Int. J. Sci. Technol. Res. 2019, 8, 346–351. [Google Scholar]
- Koehuan, V.; Sugiyono, S.; Kamal, S. Investigation of Counter-Rotating Wind Turbine Performance using Computational Fluid Dynamics Simulation. IOP Conf. Ser. Mater. Sci. Eng. 2017, 267, 12034. [Google Scholar] [CrossRef]
- Li, Q.; Maeda, T.; Kamada, Y.; Murata, J.; Furukawa, K.; Yamamoto, M. Effect of number of blades on aerodynamic forces on a straight-bladed Vertical Axis Wind Turbine. Energy 2015, 90, 784–795. [Google Scholar] [CrossRef]
- Maleki Dastjerdi, S.; Gharali, K.; Al-Haq, A.; Nathwani, J. Application of Simultaneous Symmetric and Cambered Airfoils in Novel Vertical Axis Wind Turbines. Appl. Sci. 2021, 11, 8011. [Google Scholar] [CrossRef]
- Mirnikjoo, S.; Asadi, F.; Abbasazdeh, K.; Abdollahi, S.E. Effect of Rotor Topology on the Performance of Counter-Rotating Double-Sided Flux Switching Permanent Magnet Generator. IEEE Trans. Energy Convers. 2021, 37, 65–74. [Google Scholar] [CrossRef]
- Jaliu, C.; Diaconescu, D.V.; Neagoe, M.; Saulescu, R. Dynamic features of speed increasers from mechatronic wind and hydro systems. Part I: Structure kinematics. In Proceedings of the EUCOMES 2008—The 2nd European Conference on Mechanism Science, Cassino, Italy, 17–20 September 2008; pp. 351–359. [Google Scholar] [CrossRef]
- Saulescu, R.; Neagoe, M.; Munteanu, O.; Cretescu, N. Performance analysis of a novel planetary speed increaser used in single-rotor wind turbines with counter-rotating electric generator. IOP Conf. Ser. Mater. Sci. Eng. 2016, 147, 012090. [Google Scholar] [CrossRef]
- Saulescu, R.; Jaliu, C.; Neagoe, M. Structural and Kinematic Features of a 2 DOF Speed Increaser for Renewable Energy Systems. Appl. Mech. Mater. 2016, 823, 367–372. [Google Scholar] [CrossRef]
- Herzog, R.; Schaffarczyk, A.P.; Wacinski, A.; Zürcher, O. Performance and stability of a counter–rotating windmill using a planetary gearing: Measurements and Simulation. In Proceedings of the European Wind Energy Conference & Exhibition, Warsaw, Poland, 20–23 April 2010; pp. 1–8. [Google Scholar]
- Bharani, R.; Sivaprakasam, A. A Review Analysis on Performance and Classification of Wind Turbine Gearbox Technologies. IETE J. Res. 2020, 66, 1–15. [Google Scholar] [CrossRef]
- Nejad, A.R.; Keller, J.; Guo, Y.; Sheng, S.; Polinder, H.; Watson, S.; Dong, J.; Qin, Z.; Ebrahimi, A.; Schelenz, R.; et al. Wind turbine drivetrains: State-of-the-art technologies and future development trends. Wind. Energy Sci. 2022, 7, 387–411. [Google Scholar] [CrossRef]
- Concli, F.; Pierri, L.; Sbarufatti, C. A Model-Based SHM Strategy for Gears—Development of a Hybrid FEM-Analytical Approach to Investigate the Effects of Surface Fatigue on the Vibrational Spectra of a Back-to-Back Test Rig. Appl. Sci. 2021, 11, 2026. [Google Scholar] [CrossRef]
- Concli, F. Tooth Root Bending Strength of Gears: Dimensional Effect for Small Gears Having a Module below 5 mm. Appl. Sci. 2021, 11, 2416. [Google Scholar] [CrossRef]
- Wu, J.; Zhou, Y.; Jiang, W.; Chen, X. Time-Domain Dynamic Modeling and Analysis of Complex Heavy-Duty Gearbox Considering Floating Effect. Appl. Sci. 2021, 11, 6876. [Google Scholar] [CrossRef]
- Lee, G.H.; Park, Y.J.; Nam, J.S.; Oh, J.Y.; Kim, J.G. Design of a Mechanical Power Circulation Test Rig for a Wind Turbine Gearbox. Appl. Sci. 2020, 10, 3240. [Google Scholar] [CrossRef]
- Lin, A.D.; Hung, T.P.; Kuang, J.H.; Tsai, H.A. Power Flow Analysis on the Dual Input Transmission Mechanism of Small Wind Turbine Systems. Appl. Sci. 2020, 10, 7333. [Google Scholar] [CrossRef]
- Climescu, O.; Jaliu, C.; Saulescu, R. Comparative Analysis of Horizontal Small Scale Wind Turbines for a Specific Application. In Proceedings of the 14th IFToMM World Congress, Taipei, Taiwan, 25–30 October 2015; pp. 545–550. [Google Scholar] [CrossRef]
- Saulescu, R.; Neagoe, M.; Jaliu, C.; Munteanu, O. Comparative Analysis of Two Wind Turbines with Planetary Speed Increaser in Steady-State. Appl. Mech. Mater. 2016, 823, 355–360. [Google Scholar] [CrossRef]
- Saulescu, R.; Neagoe, M.; Cretescu, N. Comparative analysis of two wind turbines with counter-rotating vs. fixed-stator electric generator. IOP Conf. Ser. Mater. Sci. Eng. 2020, 997, 012091. [Google Scholar] [CrossRef]
- Saulescu, R.; Neagoe, M.; Jaliu, C.; Munteanu, O. A Comparative Performance Analysis of Counter-Rotating Dual-Rotor Wind Turbines with Speed-Adding Increasers. Energies 2021, 14, 2594. [Google Scholar] [CrossRef]
- Farahani, E.; Hosseinzadeh, N.; Ektesabi, M. Comparison of fault-ride-through capability of dual and single-rotor wind turbines. Renew. Energy 2012, 48, 473–481. [Google Scholar] [CrossRef]
- Neagoe, M.; Saulescu, R.; Jaliu, C. Reconfigurable Wind System and Adjustment Method. Patent RO135228 (A0), 30 September 2021. in press (In Romanian). [Google Scholar]
- Miloiu, G.; Dudita, F.; Diaconescu, D. Modern Mechanical Transmissions; “Tehnica” Publishing House: Bucharest, Romania, 1980. (In Romanian) [Google Scholar]










| Case A | Case C | Case B | Case D | |
|---|---|---|---|---|
| 0 | 0 | |||
| 0 | 0 | |||
| Case A | Case B | Case C | Case D | |
|---|---|---|---|---|
| 0 | 0 | |||
| 0 | 0 | |||
| Case A | Case B | Case C | Case D | |
|---|---|---|---|---|
| 0 | 0 | |||
| 0 | 0 | |||
| Planetary Gear Set | ||||
|---|---|---|---|---|
| I | −1.5 | 0.8836 (=0.942) | −0.5… 1 | - |
| II | −5 | 0.925 (=0.952) | - | 0… 1.5 |
| Case | DOF | No WRs | |||||||||
|---|---|---|---|---|---|---|---|---|---|---|---|
| A | 2 | 3 | 0.5 | 1 | 30 | 0.500 | 2.000 | 3.500 | 3.143 | 0.898 | 13.3% |
| 1 | 1 | 30 | 0 | 4.000 | 5.000 | 4.587 | 0.917 | 13.3% | |||
| 1 | 0.5 | 22.5 | 0 | 2.750 | 3.750 | 3.440 | 0.917 | 12.2% | |||
| B | 1 | 2 | 0.5 | 0 | 15 | 0 | 0.750 | 1.750 | 1.572 | 0.898 | 10.0% |
| 1 | 0 | 15 | 0 | 1.500 | 2.500 | 2.293 | 0.917 | 10.0% | |||
| C | 2 | 2 | 0 | 0.5 | 22.5 | 0.500 | 0 | 1.500 | 1.275 | 0.850 | 12.2% |
| 0 | 1 | 30 | 1.000 | 0 | 2.000 | 1.700 | 0.850 | 13.3% | |||
| D | 1 | 1 | 0 | 0 | 15 | 0 | 0 | 1.000 | 0.850 | 0.850 | 10.0% |
Publisher’s Note: MDPI stays neutral with regard to jurisdictional claims in published maps and institutional affiliations. |
© 2022 by the authors. Licensee MDPI, Basel, Switzerland. This article is an open access article distributed under the terms and conditions of the Creative Commons Attribution (CC BY) license (https://creativecommons.org/licenses/by/4.0/).
Share and Cite
Neagoe, M.; Saulescu, R.; Jaliu, C.; Munteanu, O.; Cretescu, N. A Comparative Performance Analysis of Four Wind Turbines with Counter-Rotating Electric Generators. Appl. Sci. 2022, 12, 4233. https://doi.org/10.3390/app12094233
Neagoe M, Saulescu R, Jaliu C, Munteanu O, Cretescu N. A Comparative Performance Analysis of Four Wind Turbines with Counter-Rotating Electric Generators. Applied Sciences. 2022; 12(9):4233. https://doi.org/10.3390/app12094233
Chicago/Turabian StyleNeagoe, Mircea, Radu Saulescu, Codruta Jaliu, Olimpiu Munteanu, and Nadia Cretescu. 2022. "A Comparative Performance Analysis of Four Wind Turbines with Counter-Rotating Electric Generators" Applied Sciences 12, no. 9: 4233. https://doi.org/10.3390/app12094233
APA StyleNeagoe, M., Saulescu, R., Jaliu, C., Munteanu, O., & Cretescu, N. (2022). A Comparative Performance Analysis of Four Wind Turbines with Counter-Rotating Electric Generators. Applied Sciences, 12(9), 4233. https://doi.org/10.3390/app12094233

