Delay Analysis and the Control of Electro-Hydrostatic Actuators
Abstract
:1. Introduction
2. Materials and Methods
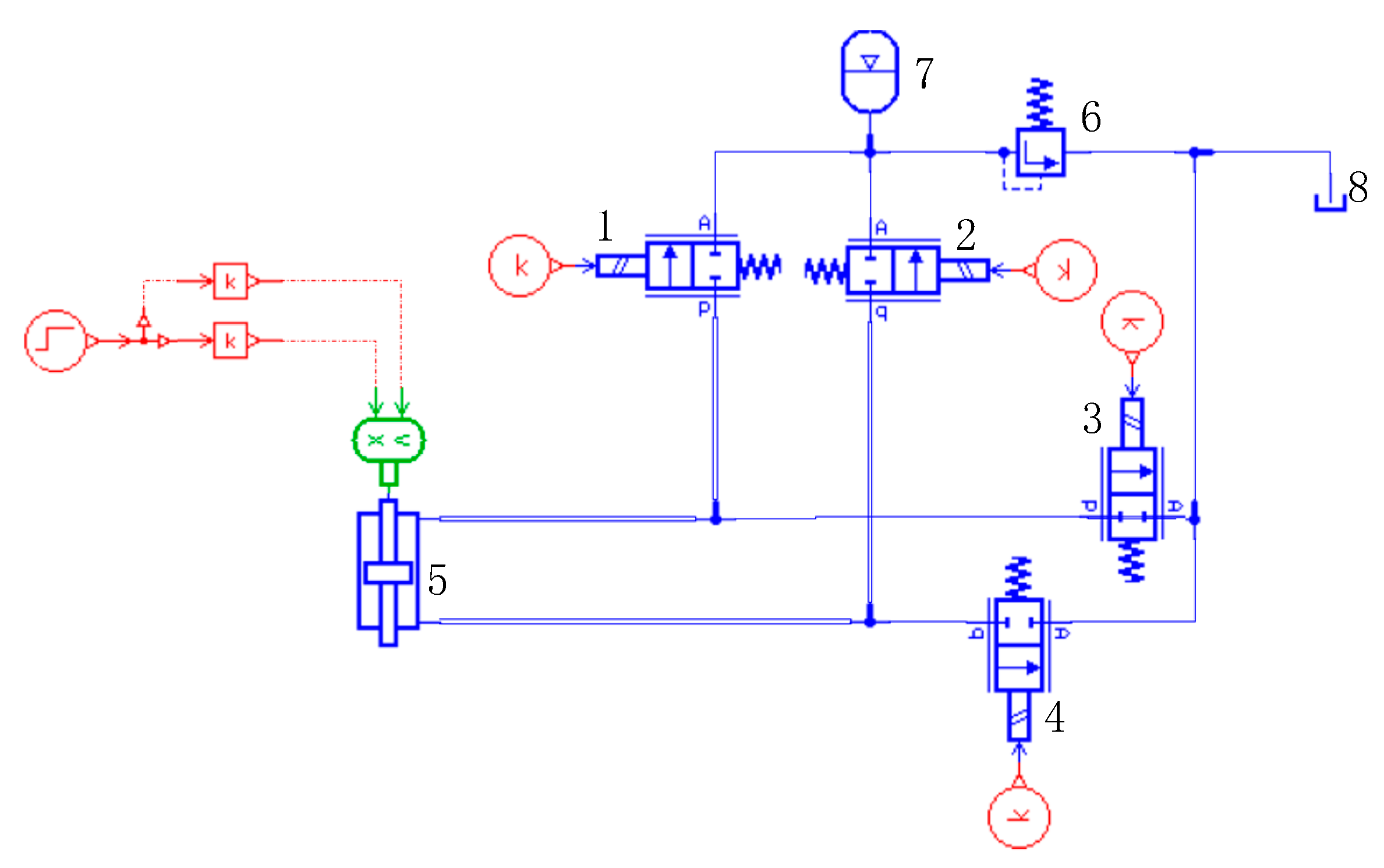
2.1. Model of the Motor System
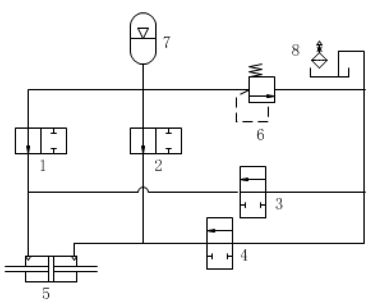
2.2. Model of Hydraulic System
2.3. Experiment Facility
3. Analysis of the Stability and the Delay
3.1. Analysis of Stability
3.2. Analysis of the Delay
4. Delay Compensation Control
5. Conclusions
- The delay of the BHL-EHA is demonstrated and analyzed. The delay is related to the fluid flow Q, the fluid capacitance , the hydraulic lock’s crack pressure and the load . More generally, the factors affecting the delay are explained by the proposed Equations (32) and (33);
- The stability of a closed-loop control using the PI controller is investigated. It proves that the system is stable only if . However, if the proportional coefficient is too large, the system has apparent oscillation due to the characteristic of the PI controller;
- A delay compensation control method is proposed to minimize the delay caused by the hydraulic lock. The results show that the delay compensation control method can minimize the delay of the BHL-EHA position output. In the simulation, the amplitude error was within 3% and the phase lag was 0°. Compared with the normal PID controller, this method reduces the amplitude error by 46.3% and it corrects the phase lag of 15°. In the experiment, the delay compensation control method could strengthen the tracking performance, the amplitude of the position output was even 3% higher than the amplitude of command, but there was a phase lag of 10°, which may have been caused by the dead zone of the actual experimental facility.
Author Contributions
Funding
Institutional Review Board Statement
Informed Consent Statement
Acknowledgments
Conflicts of Interest
References
- Rosero, J.A.; Ortega, J.A.; Aldabas, E.; Romeral, L. Moving Towards a more Electric Aircraft. IEEE Aerosp. Electron. Syst. Mag. 2007, 22, 3–10. [Google Scholar] [CrossRef] [Green Version]
- Croke, S.; Herrneschmidt, J. More electric initiative-power-by-wire actuation alternatives. In Proceedings of the National Aerospace and Electrics Conference (NAECON’94), Dayton, OH, USA, 23–27 May 1994; pp. 1338–1346. [Google Scholar]
- Naayagi, R.T. A review of more electric aircraft technology. In Proceedings of the 2013 International Conference on Energy Efficient Technologies for Sustainability(ICEETS), Nagercoil, India, 10–12 April 2013; pp. 750–753. [Google Scholar]
- Emadi, K.; Ehani, M. Aircraft power systems: Technology, state of the art, and future trends. IEEE Aerosp. Electron. Syst. Mag. 2000, 15, 28–32. [Google Scholar] [CrossRef]
- Botten, S.L.; Whitley, C.R.; King, A.D. Flight control actuation technology for next-generation all-electric aircraft. Technol. Rev. J. 2000, 8, 55–68. [Google Scholar]
- Huang, X.; Gerada, C.; Goodman, A.; Bradley, K.; Zhang, H.; Fang, Y. A brushless DC motor design for an aircraft electro-hydraulic actuation system. In Proceedings of the 2011 IEEE International Electric Machines & Drives Conference(IEMDC), Niagara Falls, ON, Canada, 15–18 May 2011; pp. 1153–1159. [Google Scholar]
- Wheeler, P.W.; Clare, J.C.; Trentin, A.; Bozhko, S. An overview of the more electrical aircraft. Proc. Inst. Mech. Eng. Part G J. Aerosp. Eng. 2012, 227, 578–1163. [Google Scholar] [CrossRef]
- AbdElhafez, A.A.; Forsyth, A.J. A review of more-electric aircraft. In Proceedings of the 13th International Conference on Aerospace Sciences and Aviation Technology (ASAT-13), Cairo, Egypt, 26–28 May 2009; pp. 1–13. [Google Scholar]
- Habibi, S.; Goldenberg, A. Design of a new high-performance electro-hydraulic actuator. In Proceedings of the 1999 IEEE/ASME International Conference on Advanced Intelligent Mechatronics (Cat. No.99TH8399), Atlanta, GA, USA, 19–23 September 1999; pp. 158–164. [Google Scholar]
- Manring, N.D.; Luecke, G.R. Modeling and designing a hydrostatic transmission with a fixed-displacement motor. J. Dyn. Syst. 1998, 120, 45–50. [Google Scholar] [CrossRef] [Green Version]
- Boldea, I.; Nasar, S.A. Linear Electric Actuators and Generators. IEEE Trans. Energy Convers. 1999, 14, 712–717. [Google Scholar] [CrossRef]
- Karpenko, M.; Sepehri, N. Hardware-in-the-loop simulator for research on fault tolerant control of electrohydraulic actuators in a flight control application. Mechatronics 2009, 19, 1067–1077. [Google Scholar] [CrossRef]
- Navarro, R. Performance of an Electro-Hydrostatic Actuator on the F-18 Systems Research Aircraft; National Aeronautics and Space Administration, Dryden Flight Research Center: Edwards, CA, USA, 1997; Volume 206224, pp. 1–37.
- Gao, B.; Fu, Y.; Zhongcai, P. Research of the servo pump’s electrically driven variable displacement mechanism. In Proceedings of the IEEE International Conference on Mechatronics and Automation, Niagara Falls, ON, Canada, 29 July–1 August 2005; pp. 2130–2133. [Google Scholar]
- Nawaz, M.H.; Yu, L.; Liu, H.; Rehman, W.U. Analytical method for fault detection & isolation in electro-hydrostatic actuator using bond graph modeling. In Proceedings of the 14th International Bhurban Conference on Applied Sciences and Technology (IBCAST), Islamabad, Pakistan, 10–14 January 2017; pp. 312–317. [Google Scholar]
- Rongjie, K.; Zongxia, J.; Shaoping, W.; Lisha, C. Design and Simulation of Electro-hydrostatic Actuator with a Built-in Power Regulator. Chin. J. Aeronaut. 2009, 22, 700–706. [Google Scholar] [CrossRef] [Green Version]
- Kopp, J.D.; Neal, T.P. Tandem Electro Hydrostatic Actuator. U.S. Patent 20040163386 A1, 16 November 2004. [Google Scholar]
- Sweeney, T.; Kubinski, P.T.; Anderson, D.J. Electro-Hydraulic Actuator Mounting. U.S. Patent 8161742 B2, 24 April 2012. [Google Scholar]
- Olson, M.; Prazak, J. Electro-Hydraulic Actuator. U.S. Patent 20110289912 A1, 1 December 2011. [Google Scholar]
- Altare, G.; Vacca, A. A design solution for efficient and compact electro-hydraulic actuators. In Proceedings of the 2nd International Conference on Dynamics and Vibroacoustics of Machines (DVM2014), Samara, Russia, 15–17 September 2014; Volume 106, pp. 8–16. [Google Scholar]
- Ho, T.H.; Ahn, K.K. Modeling and simulation of hydrostatic transmission system with energy regeneration using hydraulic accumulator. J. Mech. Sci. Technol. 2010, 24, 1163–1175. [Google Scholar] [CrossRef]
- Hoai, A.T.; Hoai, V.A.T.; Kyoung, K.A. Fault estimation and fault-tolerant control for the pump-controlled electrohydraulic system. Actuator 2020, 9, 132. [Google Scholar]
- Schmidt, L.; Ketelsen, S.; Padovani, D.; Mortensen, K.A. Improving the Efficiency and Dynamic Properties of a Flow Control Unit in a Self-Locking Compact Electro-Hydraulic Cylinder Drive. Fluid Power Systems Technology. Am. Soc. Mech. Eng. 2019, 59339, V001T01A034. [Google Scholar]
- Hagen, D.; Padovani, D.; Ebbesen, M.K. Study of a self-contained electro-hydraulic cylinder drive. In Proceedings of the 2018 Global Fluid Power Society PhD Symposium (GFPS), Samara, Russia, 18–20 July 2018; pp. 1–7. [Google Scholar]
- Padovani, D.; Ketelsen, S.; Hagen, D.; Schmidt, L. A self-contained electro-hydraulic cylinder with passive load-holding capability. Energies 2019, 12, 292. [Google Scholar] [CrossRef] [Green Version]
- Ketelsen, S.; Andersen, T.O.; Ebbesen, M.K.; Schmidt, L. A Self-Contained Cylinder Drive with Indirectly Controlled Hydraulic Lock. Model. Identif. Control 2020, 41, 185–205. [Google Scholar] [CrossRef]
- Cai, Y.; Ren, G.; Song, J.; Sepehri, N. High precision position control of electro-hydrostatic actuators in the presence of parametric uncertainties and uncertain nonlinearities. Mechatronics 2020, 68, 102363. [Google Scholar] [CrossRef]
- Sakaino, S.; Sakuma, T.; Tsuji, T. A Control Strategy for Electro-hydrostatic Actuator Considering Static Friction, Resonance, and Oil Leakage. IEEJ J. Ind. Appl. 2019, 8, 279–286. [Google Scholar] [CrossRef] [Green Version]
- Habibi, S.R.; Pastrakujic, V.; Goldenberg, A.A. Model Identification and Analysis of a High Performance Hydrostatic Actuation System; SAE Technical Paper; Society of Automotive Engineers (SAE): Warrendale, PA, USA, 2000. [Google Scholar]
- Crowder, R.; Maxwell, C. Simulation of a prototype electrically powered integrated actuator for civil aircraft. Proc. Inst. Mech. Eng. Part G J. Aerosp. Eng. 1997, 211, 381–394. [Google Scholar] [CrossRef]
- Pachter, M.; Houpis, C.H.; Kang, K. Modelling and control of an electro-hydrostatic actuator. Int. J. Robust Nonlinear Control 1997, 7, 591–608. [Google Scholar] [CrossRef]
- Ning, L.; Yongling, F.; Xinxue, S. Digital modeling of double press axial piston pump and its thermal analysis basing on AMEsim. J. Beijing Univ. Aeronaut. Astronaut. 2006, 32, 1055–2141. [Google Scholar]
- Ji, T.-L.; Qi, H.-T.; Teng, Y.-T. Analysis of sliding-mode control for EHA based on AMESim and MATLAB co-simulation. Chin. Hydraul. Pneum. 2016, 3, 19. [Google Scholar]
- LMS Imagine. AMESim Manual; LMS Imagine Lab: Roanne, France, 2013. [Google Scholar]
- Ezzat, M.; Glumineau, A.; Plestan, F. Sensorless speed control of a permanent magnet synchronous motor: High order sliding mode controller and sliding mode observer. IFAC Proc. Vol. 2010, 43, 1290–1295. [Google Scholar] [CrossRef]
- Yu, Y.; Zhang, J.M.; Zhang, T.H.; Zhao, Y.; Huang, X.H. Dynamic and Static Bidirectional Hydraulic Loading Divece Based on Accumulator. Patent CN206668637U, 24 November 2017. [Google Scholar]
- Bennett, S. Development of the PID controller. IEEE Control Syst. Mag. 1993, 13, 58–62. [Google Scholar]





























| Parameter | Quantity/Unit |
|---|---|
| Stator resistance | 0.045 Ω |
| Moment coefficient | 0.363 N·m/A |
| Rotor flux | 0.0605 V·S |
| Nominal voltage | 300 V |
| Lss inductance | 3.9 mH |
| Moment of inertia | 0.672 × 10−4 kg·m2 |
| Number of poles | 2 |
| Friction coefficient | 0 |
| Rated speed | 500 RPM |
| Parameter Name | Quantity/Unit |
|---|---|
| Pump delivery | 4 mL/rev |
| Characteristic flow rate of orifice (leakage simulation) | 0.036 L/min |
| The corresponding pressure drop of the orifice | 4 bar |
| Check valve cracking pressure | 0.1 bar |
| Pressure relief valve creaking pressure | 30 bar |
| Pressure relief valve flow rate pressure gradient | 30 L/min/bar |
| The spring rate of the hydraulic lock | 3 N/mm |
| Spool diameter of the hydraulic lock | 7.1 mm |
| Hole diameter of the hydraulic lock | 5 mm |
| Spring preload of the hydraulic lock | 8 N |
| Mass of the spool | 0.2 kg |
| Piston diameter of hydraulic lock | 9 mm |
| Rod diameter of hydraulic lock | 5 mm |
| Piston mass of hydraulic lock | 0.2 kg |
| Piston diameter of Piston-Cylinder | 32 mm |
| Piston-Cylinder’s length of stroke | 80 mm |
| Adiabatic index of air/gas | 1.4 |
| Rated speed of the pump | 1500 rev/min |
| Rod diameter of Piston-Cylinder | 25 mm |
| Mass of load | 0.5 kg |
| Coulomb friction force of piston-cylinder | 25 N |
| Stiction force of piston-cylinder | 25 N |
| Diameter of pipe | 15 mm |
| Length of pipe (Aluminum) | 200 mm |
| Length of pipe (hose) | 430 mm |
| Wall thickness of pipe | 5 mm |
| Proportional Coefficients | Cut-Off Frequency |
|---|---|
| 5 | 0.15 Hz |
| 10 | 0.25 Hz |
| 15 | 0.46 Hz |
| 20 | 0.63 Hz |
| 25 | 0.69 Hz |
| 30 | 0.76 Hz |
| 35 | 0.80 Hz |
| 40 | 0.83 Hz |
| Pump Speed (RPM) | Opening Time of Hydraulic Lock (s) | The Rising Time of Pressure Difference (s) | The Delay of the Position Output (s) | Speed of Piston-Cylinder(mm/s) | Product of Speed and Delay |
|---|---|---|---|---|---|
| 20 | 2.90/2.92 | 1.12/1.25 | 4.02/4.17 | 1.48/1.30 | 80.4/83.4 |
| 40 | 1.28/1.39 | 0.46/0.35 | 1.80/1.74 | 3.64/5.19 | 72/69.6 |
| 60 | 0.90/0.93 | 0.19/0.21 | 1.10/1.14 | 11.03/9.22 | 66/68.4 |
| 100 | 0.48/0.58 | 0.09/0.12 | 0.64/0.70 | 18.13/17.36 | 64/70 |
| 160 | 0.30/0.34 | 0.05/0.06 | 0.36/0.40 | 32.01/29.20 | 57.6/64 |
| 200 | 0.22/0.31 | 0.06/0.05 | 0.28/0.36 | 41.31/38.83 | 56/72 |
| 500 | 0.10/0.13 | 0.04/0.03 | 0.13/0.16 | 88.17/85.06 | 65/80 |
Publisher’s Note: MDPI stays neutral with regard to jurisdictional claims in published maps and institutional affiliations. |
© 2022 by the authors. Licensee MDPI, Basel, Switzerland. This article is an open access article distributed under the terms and conditions of the Creative Commons Attribution (CC BY) license (https://creativecommons.org/licenses/by/4.0/).
Share and Cite
Zhang, J.; Li, L.; Zhang, X.; Zhang, T.; Yuan, Y. Delay Analysis and the Control of Electro-Hydrostatic Actuators. Appl. Sci. 2022, 12, 3089. https://doi.org/10.3390/app12063089
Zhang J, Li L, Zhang X, Zhang T, Yuan Y. Delay Analysis and the Control of Electro-Hydrostatic Actuators. Applied Sciences. 2022; 12(6):3089. https://doi.org/10.3390/app12063089
Chicago/Turabian StyleZhang, Jiaming, Lingwei Li, Xinglong Zhang, Tianhong Zhang, and Yuan Yuan. 2022. "Delay Analysis and the Control of Electro-Hydrostatic Actuators" Applied Sciences 12, no. 6: 3089. https://doi.org/10.3390/app12063089
APA StyleZhang, J., Li, L., Zhang, X., Zhang, T., & Yuan, Y. (2022). Delay Analysis and the Control of Electro-Hydrostatic Actuators. Applied Sciences, 12(6), 3089. https://doi.org/10.3390/app12063089

