Design of Novel HG-SIQBC-Fed Multilevel Inverter for Standalone Microgrid Applications
Abstract
:1. Introduction
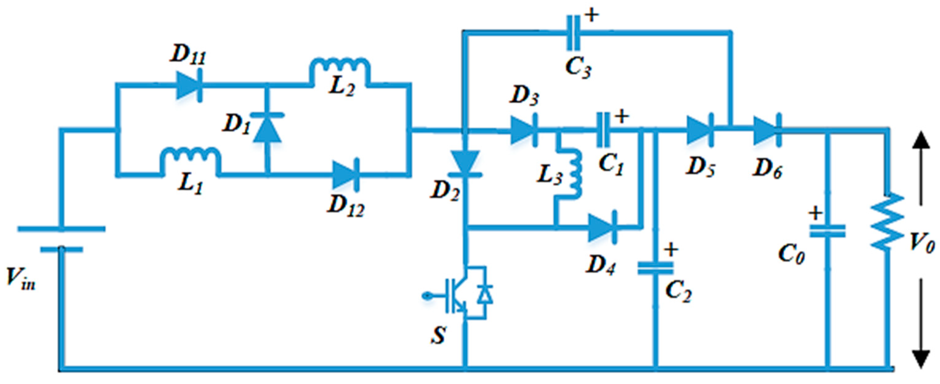
2. Proposed Converter—I: Novel Non-Isolated High-Gain Switched Inductor Quadratic Boost Converter with High Voltage Conversion Ratio (HG-SIQBC)
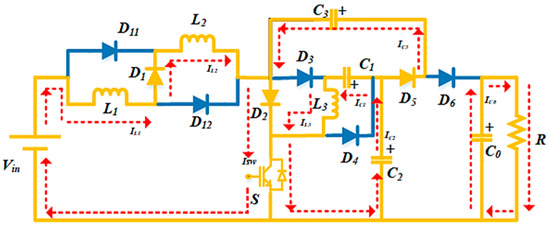
2.1. HG-SIQC—Mode I: Switch ‘S’ in ON State
2.2. HG-SIQC—Mode II: Switch ’S’ in OFF State
2.3. Voltage Stress of Switches and Diodes for HG-SIQBC
2.4. Current Stress of Switches and Diodes for HG-SIQBC
2.5. Design Consideration of HG-SIQBC Configuration
2.5.1. Current Ripple of Inductors for HG-SIQBC
2.5.2. Voltage Ripple of Capacitors for HG-SIQBC
2.6. Efficiency Analysis of HG-SIQBC Configuration
2.7. Simulation Results of Proposed HG-SIQBC
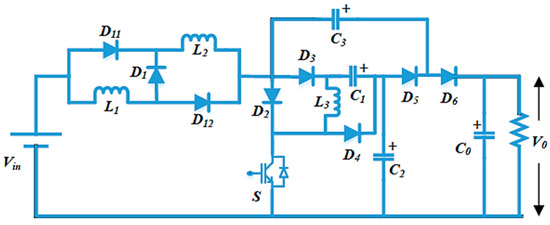
3. Modified Multilevel Inverter
Modes of Operation
4. Hardware Results of Five-Level Modified Multilevel Inverter
5. Conclusions
Author Contributions
Funding
Institutional Review Board Statement
Informed Consent Statement
Conflicts of Interest
References
- Hartono, B.S.; Budiyanto, Y.; Setiabudy, R. Review of microgrid technology. In Proceedings of the 2013 International Conference on Quality in Research, QiR 2013—In Conjunction with ICCS 2013: The 2nd International Conference on Civic Space, Yogyakarta, Indonesia, 25–28 June 2013; pp. 127–132. [Google Scholar]
- Anand, S.; Fernandes, B.G. Optimal voltage level for DC microgrids. In Proceedings of the IECON Proceedings (Industrial Electronics Conference), Glendale, AZ, USA, 7–10 November 2010; pp. 3034–3039. [Google Scholar]
- Iskender, I.; Genc, N. Power Electronic Converters in DC Microgrid. In Microgrid Architectures, Control and Protection Methods; Springer: Cham, Switzerland, 2020; pp. 115–137. [Google Scholar]
- Bose, S.; Liu, Y.; Bahei-Eldin, K.; de Bedout, J.; Adamiak, M. Tieline controls in microgrid applications. In Proceedings of the 2007 iREP Symposium-Bulk Power System Dynamics and Control—VII, Revitalizing Operational Reliability, Charleston, SC, USA, 19–24 August 2007. [Google Scholar]
- Hamed, H.; Mohammad, M. An integrated interleaved dual-mode time-sharing inverter for single-phase grid-tied applications. IEEE Trans. Ind. Electron. 2019, 66, 286–296. [Google Scholar]
- Liu, L.; Li, H.; Xue, Y.; Liu, W. Decoupled Active and Reactive Power Control for Large-Scale Grid-Connected Photovoltaic Systems Using Cascaded Modular Multilevel Converters. IEEE Trans. Power Electron. 2015, 30, 176–187. [Google Scholar] [CrossRef]
- Sunddararaj, S.P.; Srinivasarangan Rangarajan, S. An Extensive Review of Multilevel Inverters Based on Their Multifaceted Structural Configuration, Triggering Methods and Applications. Electronics 2020, 9, 433. [Google Scholar] [CrossRef]
- Vijeh, M.; Rezanejad, M.; Samadaei, E.; Bertilsson, K. A General Review of Multilevel Inverters Based on Main Submodules: Structural Point of View. IEEE Trans. Power Electron. 2019, 34, 9479–9502. [Google Scholar] [CrossRef]
- Lai, J.S.; Peng, F.Z. Multilevel converters—A new breed of power converters. IEEE Trans. Ind. Appl. 1996, 32, 509–517. [Google Scholar]
- Tolbert, L.; Peng, F. Multilevel converters for large electric drives. IEEE Trans. Ind. Appl. 1999, 35, 36–44. [Google Scholar] [CrossRef]
- Kouro, S.; Malinowski, M.; Gopakumar, K.; Pou, J.; Franquelo, L.G.; Wu, B.; Rodriguez, J.; Perez, M.A.; Leon, J.I. Recent Advances and Industrial Applications of Multilevel Converters. IEEE Trans. Ind. Electron. 2010, 57, 2553–2580. [Google Scholar] [CrossRef]
- Erickson, R.W.; Maksimovic, D. Fundamentals of Power Electronics, 3rd ed.; Springer: New York, NY, USA, 2014. [Google Scholar]
- Gorji, S.A.; Mostaan, A.; Tran My, H.; Ektesabi, M. Non-isolated buck–boost dc–dc converter with quadratic voltage gain ratio. IET Power Electron. 2019, 12, 1425–1433. [Google Scholar] [CrossRef]
- Leyva-Ramos, J.; Ortiz-Lopez, M.G.; Diaz-Saldierna, L.H.; Morales-Saldana, J.A. Switching regulator using a quadratic boost converter for wide DC conversion ratios. IET Power Electron. 2009, 2, 605–613. [Google Scholar] [CrossRef]
- Saravanan, S.; Babu, N.R. Design and Development of Single Switch High Step-Up DC–DC Converter. IEEE J. Emerg. Sel. Top. Power Electron. 2018, 6, 855–863. [Google Scholar] [CrossRef]
- Wu, G.; Ruan, X.; Ye, Z. Nonisolated High Step-Up DC–DC Converters Adopting Switched-Capacitor Cell. IEEE Trans. Ind. Electron. 2015, 62, 383–393. [Google Scholar] [CrossRef]
- Banaei, M.R.; Ghabeli Sani, S. Analysis and Implementation of a New SEPIC-Based Single-Switch Buck–Boost DC–DC Converter with Continuous Input Current. IEEE Trans. Power Electron. 2018, 33, 10317–10325. [Google Scholar] [CrossRef]
- Qin, L.; Zhou, L.; Hassan, W.; Soon, J.L.; Tian, M.; Shen, J. A Family of Transformer-Less Single-Switch Dual-Inductor High Voltage Gain Boost Converters with Reduced Voltage and Current Stresses. IEEE Trans. Power Electron. 2021, 36, 5674–5685. [Google Scholar] [CrossRef]
- Zhang, N.; Zhang, G.; See, K.W.; Zhang, B. A Single-Switch Quadratic Buck–Boost Converter with Continuous Input Port Current and Continuous Output Port Current. IEEE Trans. Power Electron. 2018, 33, 4157–4166. [Google Scholar] [CrossRef]
- Maroti, P.K.; Padmanaban, S.; Holm-Nielsen, J.B.; Bhaskar, M.S.; Meraj, M.; Iqbal, A. A New Structure of High Voltage Gain SEPIC Converter for Renewable Energy Applications. IEEE Access 2019, 7, 89857–89868. [Google Scholar] [CrossRef]
- Nguyen, M.H.; Kwak, S. Enhance Reliability of Semiconductor Devices in Power Converters. Electronics 2020, 9, 2068. [Google Scholar] [CrossRef]























| Topology | No. of Switches | No. of Diodes | No. of Inductors | No. of Capacitors | Voltage Gain (G) | Voltage Stress |
|---|---|---|---|---|---|---|
| [13] | 1 | 3 | 2 | 2 | ||
| [14] | 1 | 3 | 2 | 2 | ||
| [15] | 1 | 4 | 2 | 4 | ||
| [16] | 1 | 3 | 1 | 3 | ||
| [17] | 1 | 3 | 4 | 6 | ||
| [18] | 1 | 2 | 2 | 3 | ||
| [19] | 1 | 3 | 2 | 3 | ||
| [20] | 1 | 3 | 3 | 3 | ||
| Proposed HG-SIQBC | 1 | 8 | 3 | 4 |
| Vin = 75 V | Vref = 400 V | ||||
|---|---|---|---|---|---|
| R (Ω) | Rise Time (s) | Setting Time (s) | Overshoot (%) | Regulation (%) | Measured Output (V) |
| 160 | 0.035 | 0.15 | 10 | 0.05 | 399.8 |
| 180 | 0.035 | 0.15 | 10.5 | 0 | 400 |
| 200 | 0.035 | 0.155 | 10.875 | 0.025 | 399.9 |
| 220 | 0.035 | 0.16 | 11.125 | 0.25 | 399 |
| 240 | 0.034 | 0.17 | 11.45 | 0.25 | 399 |
| 260 | 0.032 | 0.175 | 11.625 | 0 | 401.3 |
| 280 | 0.032 | 0.175 | 11.95 | 0.175 | 399.3 |
| 300 | 0.032 | 0.178 | 12.075 | 0 | 401.6 |
| 320 | 0.033 | 0.178 | 12.2 | 0.05 | 399.8 |
| 80 | 0.04 | 0.13 | 5.5 | 0.1 | 399.6 |
| Vin = 150 V | Vref = 400 V | ||||
|---|---|---|---|---|---|
| R (Ω) | Rise Time (s) | Setting Time (s) | Overshoot (%) | Regulation (%) | Measured Output (V) |
| 80 | 0.004 | 0.03 | 1.375 | 0.075 | 399.7 |
| 160 | 0.00346 | 0.05 | 3.4 | 0.05 | 399.8 |
| 180 | 0.00346 | 0.0535 | 3.5 | 0 | 400 |
| 200 | 0.00346 | 0.006 | 3.575 | 0.025 | 399.9 |
| 220 | 0.00335 | 0.066 | 3.75 | 0.05 | 399.8 |
| 240 | 0.00334 | 0.0662 | 4.2 | 0.05 | 399.8 |
| 260 | 0.00335 | 0.07 | 4.375 | 0.05 | 399.8 |
| 280 | 0.0034 | 0.08 | 4.55 | 0.05 | 399.8 |
| 300 | 0.0035 | 0.085 | 4.55 | 0.05 | 399.8 |
| 320 | 0.0033 | 0.085 | 4.75 | 0 | 400 |
| Vin = 250 V | Vref = 400 V | ||||
|---|---|---|---|---|---|
| R (Ω) | Rise Time (s) | Setting Time (s) | Overshoot (%) | Regulation (%) | Measured Output (V) |
| 160 | 0.0012 | 0.008 | 6.25 | 0.275 | 398.9 |
| 180 | 0.00119 | 0.009 | 6.35 | 0.2 | 399.2 |
| 200 | 0.0011 | 0.016 | 6.4375 | 0 | 400 |
| 220 | 0.00116 | 0.018 | 6.5 | 0.075 | 399.7 |
| 240 | 0.00112 | 0.12 | 6.56 | 0.175 | 399.3 |
| 260 | 0.00115 | 0.12 | 6.56 | 0.175 | 399.3 |
| 280 | 0.00119 | 0.125 | 6.625 | 0.175 | 399.3 |
| 300 | 0.00119 | 0.125 | 6.6875 | 0.2 | 399.2 |
| 320 | 0.0012 | 0.125 | 6.725 | 0.2 | 399.2 |
| 80 | 0.00115 | 0.1 | 5.35 | 0.2 | 399.2 |
| Voltage Levels | S1 | S2 | S3 | S4 | S5 | S6 | S7 | S8 | S9 |
|---|---|---|---|---|---|---|---|---|---|
| 5 Vdc | 1 | 0 | 1 | 0 | 1 | 1 | 1 | 1 | 1 |
| 4 Vdc | 1 | 0 | 1 | 0 | 1 | 1 | 1 | 1 | 0 |
| 3 Vdc | 1 | 0 | 1 | 0 | 1 | 1 | 1 | 0 | 0 |
| 2 Vdc | 1 | 0 | 1 | 0 | 1 | 1 | 0 | 0 | 0 |
| Vdc | 1 | 0 | 1 | 0 | 1 | 0 | 0 | 0 | 0 |
| 0 | 0 | 1 | 0 | 1 | 0 | 0 | 0 | 0 | 0 |
| −Vdc | 0 | 1 | 0 | 1 | 1 | 0 | 0 | 0 | 0 |
| −2 Vdc | 0 | 1 | 0 | 1 | 1 | 1 | 0 | 0 | 0 |
| −3 Vdc | 0 | 1 | 0 | 1 | 1 | 1 | 1 | 0 | 0 |
| −4 Vdc | 0 | 1 | 0 | 1 | 1 | 1 | 1 | 1 | 0 |
| −5 Vdc | 0 | 1 | 0 | 1 | 1 | 1 | 1 | 1 | 1 |
Publisher’s Note: MDPI stays neutral with regard to jurisdictional claims in published maps and institutional affiliations. |
© 2022 by the authors. Licensee MDPI, Basel, Switzerland. This article is an open access article distributed under the terms and conditions of the Creative Commons Attribution (CC BY) license (https://creativecommons.org/licenses/by/4.0/).
Share and Cite
Sunddararaj, S.P.; Rangarajan, S.S.; Nallusamy, S.; Subramaniam, U.; Collins, E.R.; Senjyu, T. Design of Novel HG-SIQBC-Fed Multilevel Inverter for Standalone Microgrid Applications. Appl. Sci. 2022, 12, 9347. https://doi.org/10.3390/app12189347
Sunddararaj SP, Rangarajan SS, Nallusamy S, Subramaniam U, Collins ER, Senjyu T. Design of Novel HG-SIQBC-Fed Multilevel Inverter for Standalone Microgrid Applications. Applied Sciences. 2022; 12(18):9347. https://doi.org/10.3390/app12189347
Chicago/Turabian StyleSunddararaj, Suvetha Poyyamani, Shriram S. Rangarajan, Subashini Nallusamy, Umashankar Subramaniam, E. Randolph Collins, and Tomonobu Senjyu. 2022. "Design of Novel HG-SIQBC-Fed Multilevel Inverter for Standalone Microgrid Applications" Applied Sciences 12, no. 18: 9347. https://doi.org/10.3390/app12189347
APA StyleSunddararaj, S. P., Rangarajan, S. S., Nallusamy, S., Subramaniam, U., Collins, E. R., & Senjyu, T. (2022). Design of Novel HG-SIQBC-Fed Multilevel Inverter for Standalone Microgrid Applications. Applied Sciences, 12(18), 9347. https://doi.org/10.3390/app12189347

