Highly Efficient Transformerless Inverter with Flying-Capacitor Buck–Boost for Single-Phase Grid-Connected PV Systems
Abstract
:1. Introduction
2. Proposed Topology and Principle of Operation
2.1. Buck–Boost Converter
2.2. Common-Ground Flying Capacitor
2.3. Proposed Inverter Topology
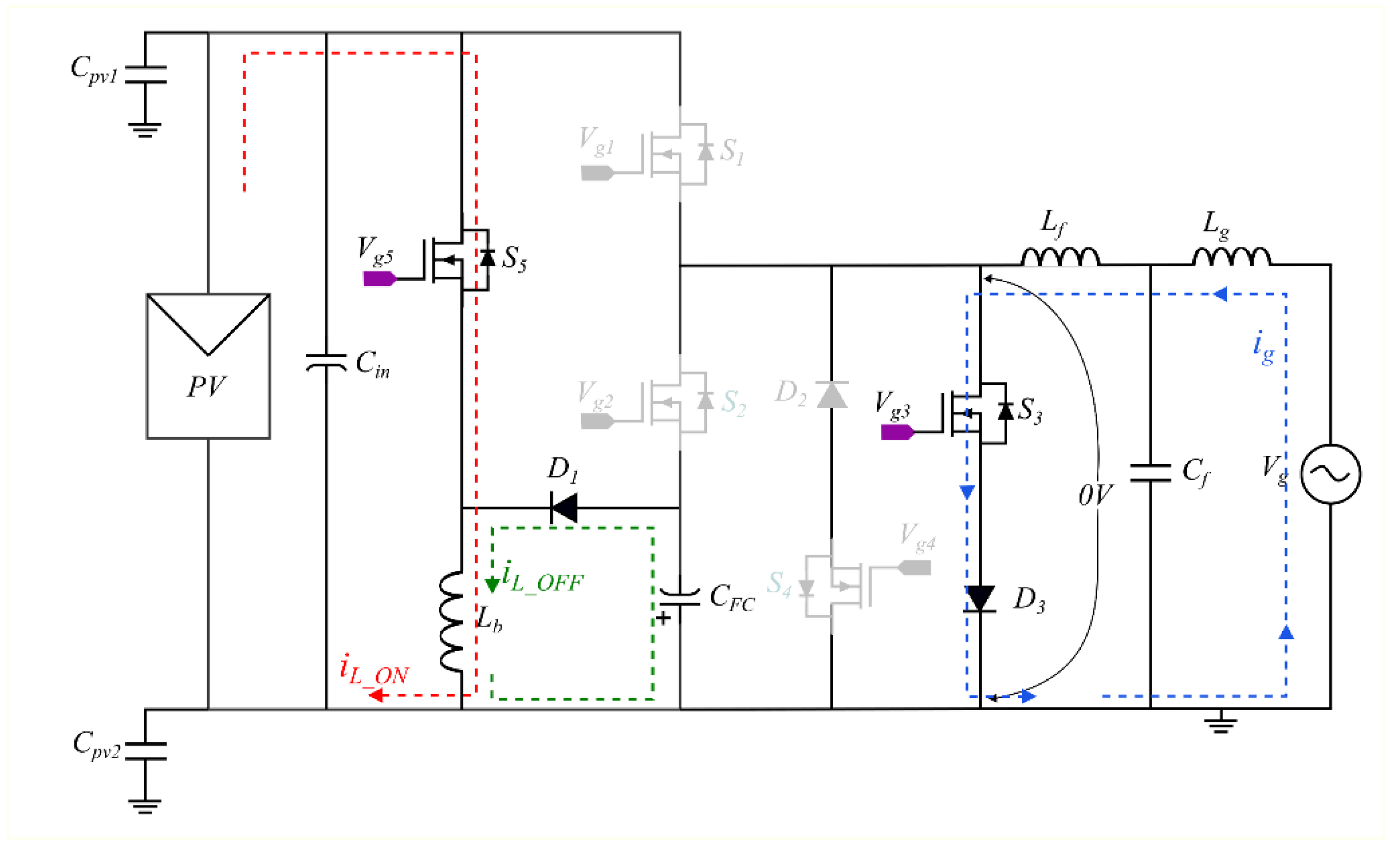
3. Operating Modes of the Proposed Inverter
3.1. Positive Cycle (Active)
3.2. Positive Cycle (Zero State)
3.3. Negative Cycle (Active)
3.4. Negative Cycle (Zero State)
4. Design Guidelines and Loss Analysis
4.1. Buck–Boost Components Selection
4.2. Inverter Compoenents Selection
4.3. Power Loss Analysis
5. Simulation Results and Discussion
6. Conclusions
Author Contributions
Funding
Acknowledgments
Conflicts of Interest
References
- Ahshan, R. Potential and Economic Analysis of Solar-to-Hydrogen Production in the Sultanate of Oman. Sustainability 2021, 13, 9516. [Google Scholar] [CrossRef]
- Wirth, D.H.; Ise, F. Recent Facts about Photovoltaics in Germany; Fraunhofer Institute for Solar Energy Systems ISE: Fraunhofer, Germany, 2015. [Google Scholar]
- Poulek, V.; Libra, M. Distribution Grid Stability—Influence of Inertia Moment of Synchronous Machines. Appl. Sci. 2020, 10, 9075. [Google Scholar]
- International Renewable Energy Agency. REthinking Energy 2017: Accelerating the Global Energy Transformation; International Renewable Energy Agency (IRENA): Abu Dhabi, United Arab Emirates, 2017; ISBN 978-92-95111-05-9. [Google Scholar]
- Khan, M.N.H.; Forouzesh, M.; Siwakoti, Y.P.; Li, L.; Kerekes, T.; Blaabjerg, F. Transformerless Inverter Topologies for Single-Phase Photovoltaic Systems: A Comparative Review. IEEE J. Emerg. Sel. Top. Power Electron. 2020, 8, 805–835. [Google Scholar] [CrossRef]
- Gu, Y.; Li, W.; Zhao, Y.; Yang, B.; Li, C.; He, X. Transformerless Inverter With Virtual DC Bus Concept for Cost-Effective Grid-Connected PV Power Systems. IEEE Trans. Power Electron. 2013, 28, 793–805. [Google Scholar] [CrossRef]
- Albalawi, H.; Zaid, S.A. An H5 Transformerless Inverter for Grid Connected PV Systems with Improved Utilization Factor and a Simple Maximum Power Point Algorithm. Energies 2018, 11, 2912. [Google Scholar] [CrossRef] [Green Version]
- Renewable Energy Devices and Systems with Simulations in MATLAB® and ANSYS®, 1st ed.; Blaabjerg, F.; Ionel, D.M. (Eds.) CRC Press: Boca Raton, FL, USA, 2017; ISBN 978-1-4987-6582-4. [Google Scholar]
- Xiao, H.; Xie, S. Leakage Current Analytical Model and Application in Single-Phase Transformerless Photovoltaic Grid-Connected Inverter. IEEE Trans. Electromagn. Compat. 2010, 52, 902–913. [Google Scholar] [CrossRef]
- Estévez-Bén, A.A.; Alvarez-Diazcomas, A.; Macias-Bobadilla, G.; Rodríguez-Reséndiz, J. Leakage Current Reduction in Single-Phase Grid-Connected Inverters—A Review. Appl. Sci. 2020, 10, 2384. [Google Scholar] [CrossRef] [Green Version]
- Liu, W.; Yang, Y.; Kerekes, T.; Liivik, E.; Vinnikov, D.; Blaabjerg, F. Common-Mode Voltage Analysis and Reduction for the Quasi-Z-Source Inverter with a Split Inductor. Appl. Sci. 2020, 10, 8713. [Google Scholar] [CrossRef]
- Li, W.; Gu, Y.; Luo, H.; Cui, W.; He, X.; Xia, C. Topology Review and Derivation Methodology of Single-Phase Transformerless Photovoltaic Inverters for Leakage Current Suppression. IEEE Trans. Ind. Electron. 2015, 62, 4537–4551. [Google Scholar] [CrossRef]
- Figueredo, R.S.; de Carvalho, K.C.M.; Ama, N.R.N.; Matakas, L. Leakage Current Minimization Techniques for Single-Phase Transformerless Grid-Connected PV Inverters—An Overview. In Proceedings of the 2013 Brazilian Power Electronics Conference, Gramado, Brazil, 27–31 October 2013; pp. 517–524. [Google Scholar]
- Almasoudi, F. Design and Evaluation of High Efficiency Power Converters Using Wide-Bandgap Devices for PV Systems. Master’s Thesis, University of Denver, Denver, CO, USA, 2018. [Google Scholar]
- Zeb, K.; Khan, I.; Uddin, W.; Khan, M.A.; Sathishkumar, P.; Busarello, T.D.C.; Ahmad, I.; Kim, H.J. A Review on Recent Advances and Future Trends of Transformerless Inverter Structures for Single-Phase Grid-Connected Photovoltaic Systems. Energies 2018, 11, 1968. [Google Scholar] [CrossRef] [Green Version]
- Tofigh Azary, M.; Sabahi, M.; Babaei, E.; Abbasi Aghdam Meinagh, F. Modified Single-Phase Single-Stage Grid-Tied Flying Inductor Inverter With MPPT and Suppressed Leakage Current. IEEE Trans. Ind. Electron. 2018, 65, 221–231. [Google Scholar] [CrossRef]
- Jiao, Y.; Lee, F.C. New Modulation Scheme for Three-Level Active Neutral-Point-Clamped Converter With Loss and Stress Reduction. IEEE Trans. Ind. Electron. 2015, 62, 5468–5479. [Google Scholar] [CrossRef]
- Ahmad, Z.; Singh, S.N. Comparative Analysis of Single Phase Transformerless Inverter Topologies for Grid Connected PV System. Sol. Energy 2017, 149, 245–271. [Google Scholar] [CrossRef]
- Dzung, P.Q.; Dat, D.N.; Anh, N.B.; Hiep, L.C.; Lee, H.-H. Design of HERIC Inverter for PV Systems by Using Hardware in the Loop (HIL) Concept. In Proceedings of the 2014 9th IEEE Conference on Industrial Electronics and Applications, Hangzhou, China, 9–11 June 2014; pp. 2035–2040. [Google Scholar]
- Almasoudi, F.; Matin, M. An Improved Proposed Single Phase Transformerless Inverter with Leakage Current Elimination and Reactive Power Capability for PV Systems Application. J. Low Power Electron. Appl. 2018, 8, 29. [Google Scholar] [CrossRef] [Green Version]
- Karschny, D. Flying Inductor Topology. German Patent DE19642522C1, 15 October 1998. [Google Scholar]
- Ardashir, J.F.; Siwakoti, Y.P.; Sabahi, M.; Hosseini, S.H.; Blaabjerg, F. S4 Grid-Connected Single-Phase Transformerless Inverter for PV Application. In Proceedings of the IECON 2016—42nd Annual Conference of the IEEE Industrial Electronics Society, Florence, Italy, 24–27 October 2016; pp. 2384–2389. [Google Scholar]
- Siwakoti, Y.P.; Blaabjerg, F. Common-Ground-Type Transformerless Inverters for Single-Phase Solar Photovoltaic Systems. IEEE Trans. Ind. Electron. 2018, 65, 2100–2111. [Google Scholar] [CrossRef]
- Maniktala, S. The Principles of Switching Power Conversion. In Switching Power Supplies A–Z, 2nd ed.; Newnes: Amsterdam, The Netherlands, 2012; pp. 39–41. ISBN 978-0-12-386533-5. [Google Scholar]
- Erickson, R.W.; Maksimović, D. Principles of Steady-State Converter Analysis. In Fundamentals of Power Electronics; Springer: Gewerbestrasse, Switzerland, 2020; pp. 15–30. ISBN 978-3-030-43879-1. [Google Scholar]
- Ballo, A.; Grasso, A.D.; Palumbo, G. A Review of Charge Pump Topologies for the Power Management of IoT Nodes. Electronics 2019, 8, 480. [Google Scholar] [CrossRef] [Green Version]
- Siwakoti, Y.P.; Blaabjerg, F. A Novel Flying Capacitor Transformerless Inverter for Single-Phase Grid Connected Solar Photovoltaic System. In Proceedings of the 2016 IEEE 7th International Symposium on Power Electronics for Distributed Generation Systems (PEDG), Vancouver, BC, Canada, 27–30 June 2016; pp. 1–6. [Google Scholar]
- Behera, P.K.; Das, S.; Pattnaik, M. Performance Comparison Between Bipolar and Unipolar Switching Scheme for a Single-Phase Inverter Based Stand-Alone Photovoltaic System. In Proceedings of the 2019 IEEE 16th India Council International Conference (INDICON), Rajkot, Gujarat, 13–15 December 2019; pp. 1–4. [Google Scholar]
- Maniktala, S. DC-DC Converter Design and Magnetics. In Switching Power Supplies A–Z; Newnes: Amsterdam, The Netherlands, 2012; pp. 72–76. ISBN 978-0-12-386533-5. [Google Scholar]
- Memon, M. Sizing of Dc-Link Capacitor for a Grid Connected Solar Photovoltaic Inverter. Indian J. Sci. Technol. 2020, 13, 2272–2281. [Google Scholar] [CrossRef]
- 10-KW Bidirectional Three-Phase Three-Level (T-Type) Inverter and PFC Reference Design; Application Note TIDA-01606; Texas Instruments: Dallas, TX, USA, 2018.
- Busarello, T.D.C. LCL Filter Design Procedure. IEEE Dataport. 2019. Available online: https://ieee-dataport.org/documents/lcl-filter-design-procedure (accessed on 8 May 2021).
- Liu, H. Control Design of a Single-Phase DC/AC Inverter for PV Applications. Master’s Thesis, University of Arkansas, Fayetteville, AR, USA, 2016. Available online: http://scholarworks.uark.edu/etd/1618 (accessed on 9 May 2021).
- Barater, D.; Concari, C.; Buticchi, G.; Gurpinar, E.; De, D.; Castellazzi, A. Performance Evaluation of a Three-Level ANPC Photovoltaic Grid-Connected Inverter With 650-V SiC Devices and Optimized PWM. IEEE Trans. Ind. Appl. 2016, 52, 2475–2485. [Google Scholar] [CrossRef] [Green Version]
- Geetha, K.; Sreenivasappa, B.V. Power Loss Calculation for IGBT and SiC MOSFET. 2020. Available online: https://www.researchgate.net/publication/343976798_POWER_LOSS_CALCULATION_FOR_IGBT_and_SiC_MOSFET (accessed on 6 May 2021).




















| Leakage Current (mA) | Fault Discontinuity Time (ms) |
|---|---|
| 30 | 300 |
| 60 | 150 |
| 100 | 40 |
| Inverter Topology in [27] | Inverter Topology in [23] | The Proposed Inverter |
|---|---|---|
| Two switches in series carry the load current during the active states of the positive and negative power cycles. | Only one switch carries the load current during the active states of the positive and negative power cycles. | Only one switch carries the load current during the active states of the positive and negative power cycles. |
| It does not charge the flying capacitor during the active state of the negative power cycle. | It does not charge the flying capacitor during active states. | It charges the flying capacitor during all operating states. |
| No RB-IGBT required. | It required two switches with bipolar voltage-blocking capability, such as RB-IGBT. | No RB-IGBT required. |
| No proposed way to control or reduce the inrush current during the charging of the flying capacitor | The inrush current during the charging of the flying capacitor cannot be fully controlled; it ranges from 2 Iac, max to 5 Iac, max | In the proposed inverter, the flying capacitor charging current can be controlled using the buck–boost inverter because the capacitor charges through the inductor. Based on the nature of the inductor, in that it tries to oppose the current change, the slope of the current can be controlled. where is the output current of the buck–boost inverter, in this case , D the duty cycle, and r the ripple ratio. Hence, the maximum current can be controlled by inductor value because |
| Parameters | Value |
|---|---|
| DC Bus Input Voltage | 400 Vdc |
| Grid Voltage | 220 Vac |
| Grid Frequency | 60 Hz |
| Switching Frequency | 60 kHz |
| PV Array Parasitic Capacitance | 80 nF |
| Rated Power | 2 kW |
| Output Current (peak) | 12.86 A |
| Flying Capacitor | 330 µF |
| Buck–Boost Inductor | 870 µH |
| Inverter Side Filter | 860 µH |
| Grid Side Filter | 280 µH |
| Filter Capacitor | 4.7 µF |
| Switches | C3M0021120K |
| Diodes | C4D20120A |
Publisher’s Note: MDPI stays neutral with regard to jurisdictional claims in published maps and institutional affiliations. |
© 2021 by the authors. Licensee MDPI, Basel, Switzerland. This article is an open access article distributed under the terms and conditions of the Creative Commons Attribution (CC BY) license (https://creativecommons.org/licenses/by/4.0/).
Share and Cite
Salem, A.; Sedraoui, K. Highly Efficient Transformerless Inverter with Flying-Capacitor Buck–Boost for Single-Phase Grid-Connected PV Systems. Appl. Sci. 2021, 11, 10841. https://doi.org/10.3390/app112210841
Salem A, Sedraoui K. Highly Efficient Transformerless Inverter with Flying-Capacitor Buck–Boost for Single-Phase Grid-Connected PV Systems. Applied Sciences. 2021; 11(22):10841. https://doi.org/10.3390/app112210841
Chicago/Turabian StyleSalem, Ali, and Khaled Sedraoui. 2021. "Highly Efficient Transformerless Inverter with Flying-Capacitor Buck–Boost for Single-Phase Grid-Connected PV Systems" Applied Sciences 11, no. 22: 10841. https://doi.org/10.3390/app112210841
APA StyleSalem, A., & Sedraoui, K. (2021). Highly Efficient Transformerless Inverter with Flying-Capacitor Buck–Boost for Single-Phase Grid-Connected PV Systems. Applied Sciences, 11(22), 10841. https://doi.org/10.3390/app112210841

