Central and Periodic Multi-Scale Discrete Radon Transforms
Abstract
Featured Application
Abstract
1. Introduction
1.1. Radon Transform, Use, and Algorithms for Its Computation
1.2. Conventional Discrete Radon Transform
1.3. Founding Idea on Periodic DRT
1.4. Structure of this Paper
2. Conventional 2D Discrete Radon Transform
2.1. Forward Multi-Scale Discrete Radon Transform
Discrete Lines in Conventional DRT
2.2. Full Sinogram Construction
- The black filled circle will be considered our {0, 0} reference point.
- The reference point will be joined by discrete lines, with the empty circles on the opposite extreme; so, those empty circles depict the plurality of the slopes to be considered.
- The reference and the slopes are at the extremes of an axis marked with a coarse black line. This axis is coincident with the discrete line with null displacement and slope.
- For the maximal slope, the reference point will be joined with the red circle. This line of maximal slope is one of the diagonals of the plane and has, as normal, the vectors depicted with dashed arrows. Those can be interpreted as positives or negatives.
- The rest of discrete lines, those corresponding to the ascents from 1 to , have, as a finishing vertex of their normals, the black dots that describe arches close to the axis, where crosses are depicted.
- Those crosses represent the displacements that must be considered.
2.3. Radon Adjoint Transform
2.4. Radon Inverse Transform
3. Central DRT
3.1. Discrete Lines in Central DRT
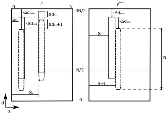
3.2. Memory Footprint at Partial Transforms
3.3. Central DRT Algorithm
- N data in column S, descending from row index , are the result of adding N data in column , descending from row index , and N data in column , descending from row index .
- N data in column , descending from row index , are the result of adding N data in column , descending from row index , and N data in column , descending from row index .
4. Periodic DRT
5. Results and Discussion
5.1. Time Measurements and Quality of Reconstructions
5.2. Comparison of Central and Periodic DRT
5.3. Adjoint Operators of Central and Periodic DRT
5.4. Convergence of Inversion Algorithm
6. Example of Central DRT Application
Implementation on Mobile Devices
7. Example of Periodic DRT Application
8. Conclusions
- A fast inversion algorithm for central DRT.
- The manner to operate on non-square domains.
- An algorithm to simultaneously compute more than one quadrant at a time.
- The efficient implementation of the whole Curvelet pair of transforms on smart-phones.
Supplementary Materials
Author Contributions
Funding
Institutional Review Board Statement
Informed Consent Statement
Data Availability Statement
Conflicts of Interest
Abbreviations
| ARGB | Alpha Red Green Blue |
| CPU | Central Processing Unit |
| DRT | Discrete Radon Transform |
| FFT | Fast Fourier Transform |
| FFTW | Fast Fourier Tranform in the West [31] |
| FMT | Fast Mojette Transform |
| fps | Frames per Second |
| GPU | Graphical Processing Unit |
| SFF | Shape From Focus |
| SIMD | Single Instruction Multiple Data |
| SoC | System on Chip |
| PPFRT | Pseudo-Polar Fourier Radon Transform |
Appendix A
| Algorithm A1 Compute the central DRT of a quadrant |
| Input: Image f(x, y), consisting of data. Output: Central Radon transform of f, (s, d), consisting of data.
|
| Algorithm A2 Compute the periodic DRT of a quadrant |
| Input: Image f(x, y), consisting of data. Output: Periodic Radon transform of f, (s, d), consisting of data.
|
References
- Radon, J. Über die Bestimmung von Funktionen durch ihre Integralwerte längs gewisser Mannigfaltigkeiten. Akad. Wiss. 1917, 69, 262–277. [Google Scholar]
- The Nobel Prize in Physiology or Medicine. Nobel Prize Outreach AB 2021. 1979. Available online: https://www.nobelprize.org/prizes/medicine/1979/summary/ (accessed on 7 November 2021).
- Kak, A.C.; Slaney, M. Principles of Computerized Tomographic Imaging; Society of Industrial and Applied Mathematics: Philadelphia, PA, USA, 2001. [Google Scholar]
- Berenguer, Y.; Payá, L.; Valiente, D.; Peidró, A.; Reinoso, O. Relative Altitude Estimation Using Omnidirectional Imaging and Holistic Descriptors. Remote Sens. 2019, 11, 323. [Google Scholar] [CrossRef]
- Qin, H.; He, X.; Yao, X.; Li, H. Finger-vein verification based on the curvature in Radon space. Expert Syst. Appl. 2017, 82, 151–161. [Google Scholar] [CrossRef]
- Rim, D. Dimensional Splitting of Hyperbolic Partial Differential Equations Using the Radon Transform. SIAM J. Sci. Comput. 2018, 40, A4184–A4207. [Google Scholar] [CrossRef]
- Takezawa, Y.; Hasegawa, M.; Tabbone, S. Camera-captured document image perspective distortion correction using vanishing point detection based on Radon transform. In Proceedings of the 2016 23rd International Conference on Pattern Recognition (ICPR), Cancun, Mexico, 4–8 December 2016; pp. 3968–3974. [Google Scholar] [CrossRef]
- Hansen, P.C.; Saxild-Hansen, M. AIR Tools—A MATLAB package of algebraic iterative reconstruction methods. J. Comput. Appl. Math. 2012, 236, 2167–2178. [Google Scholar] [CrossRef]
- Bracewell, R. The Projection-Slice Theorem. In Fourier Analysis and Imaging; Springer: Boston, MA, USA, 2003; pp. 493–504. [Google Scholar] [CrossRef]
- Averbuch, A.; Coifman, R.R.; Donoho, D.L.; Israeli, M.; Shkolnisky, Y. A Framework for Discrete Integral Transformations I-The Pseudopolar Fourier Transform. SIAM J. Sci. Comput. 2008, 30, 764–784. [Google Scholar] [CrossRef]
- Hough, P.V. Method and Means for Recognizing Complex Patterns. US Patent 3,069,654, 18 December 1962. [Google Scholar]
- Duda, R.O.; Hart, P.E. Use of the Hough Transformation to Detect Lines and Curves in Pictures. Commun. ACM 1972, 15, 11–15. [Google Scholar] [CrossRef]
- Matus, F.; Flusser, J. Image representations via a finite Radon transform. IEEE Trans. Pattern Anal. Mach. Intell. 1993, 15, 996–1006. [Google Scholar] [CrossRef]
- Guedon, J.; Normand, N. Mojette transform: Applications for image analysis and coding. In Proceedings of the Visual Communications and Image Processing, San Jose, CA, USA, 8–14 February 1997. [Google Scholar] [CrossRef]
- Dulio, P.; Pagani, S.M. A rounding theorem for unique binary tomographic reconstruction. Discret. Appl. Math. 2019, 268, 54–69. [Google Scholar] [CrossRef]
- Press, W.H. Discrete Radon transform has an exact, fast inverse and generalizes to operations other than sums along lines. Proc. Natl. Acad. Sci. USA 2006, 103, 19249–19254. [Google Scholar] [CrossRef]
- Götz, W.; Druckmüller, H. A fast digital Radon transform—An efficient means for evaluating the Hough transform. Pattern Recognit. 1996, 29, 711–718. [Google Scholar] [CrossRef]
- Brady, M.L. A fast discrete approximation algorithm for the Radon transform. SIAM J. Comput. 1998, 27, 107–119. [Google Scholar] [CrossRef]
- Brandt, A.; Dym, J. Fast calculation of multiple line integrals. SIAM J. Sci. Comput. 1999, 20, 1417–1429. [Google Scholar] [CrossRef][Green Version]
- Hsung, T.C.; Lun, D.; Siu, W.C. The discrete periodic Radon transform. IEEE Trans. Signal Process. 1996, 44, 2651–2657. [Google Scholar] [CrossRef]
- Averbuch, A.; Coifman, R.R.; Donoho, D.L.; Israeli, M.; Shkolnisky, Y.; Sedelnikov, I. A Framework for Discrete Integral Transformations II-The 2D Discrete Radon Transform. SIAM J. Sci. Comput. 2008, 30, 785–803. [Google Scholar] [CrossRef]
- Averbuch, A.; Coifman, R.; Donoho, D.; Israeli, M.; Waldén, J. Fast slant stack: A notion of Radon transform for data in a Cartesian grid which is rapidly computable, algebraically exact, geometrically faithful and invertible. SIAM Sci. Comput. 2001, 37, 192–206. [Google Scholar]
- Averbuch, A.; Shkolnisky, Y. 3D Fourier based discrete Radon transform. Appl. Comput. Harmon. Anal. 2003, 15, 33–69. [Google Scholar] [CrossRef]
- Kingston, A.; Svalbe, I.; Guédon, J.P. The discrete Radon transform: A more efficient approach to image reconstruction? In Developments in X-ray Tomography VI; Stock, S.R., Ed.; International Society for Optics and Photonics, SPIE: Brussels, Belgium, 2008; Volune 7078, pp. 144–153. [Google Scholar] [CrossRef]
- Marichal-Hernandez, J.G.; Luke, J.P.; Rosa, F.L.; Rodriguez-Ramos, J.M. Fast approximate 4-D/3-D discrete Radon transform for lightfield refocusing. J. Electron. Imaging 2012, 21, 023026-1. [Google Scholar] [CrossRef]
- Press, W.H.; Teukolsky, S.A.; Vetterling, W.T.; Flannery, B.P. Numerical Recipes in C; Cambridge Univ Press: Cambridge, UK, 1982; Volume 2. [Google Scholar]
- Sorensen, H.V.; Burrus, C. Efficient Computation of the DFT with Only a Subset of Input or Output Points. IEEE Trans. Signal Process. 1993, 41, 1184–1200. [Google Scholar] [CrossRef]
- Shkolnisky, Y. Pseudo Polar Fourier Transfom. Last updated on September 2014. Available online: https://sites.google.com/site/yoelshkolnisky/software (accessed on 7 November 2021).
- Chandra, S.S. Finite Transform Library. Last updated on December 2018. Available online: https://github.com/shakes76/finite-transform-library (accessed on 7 November 2021).
- Ragan-Kelley, J.; Adams, A.; Sharlet, D.; Barnes, C.; Paris, S.; Levoy, M.; Amarasinghe, S.; Durand, F. Halide: Decoupling Algorithms from Schedules for High-performance Image Processing. Commun. ACM 2017, 61, 106–115. Available online: http://halide-lang.org/ (accessed on 7 November 2021). [CrossRef]
- Frigo, M. A Fast Fourier Transform Compiler. In Proceedings of the ACM SIGPLAN 1999 Conference on Programming Language Design and Implementation, PLDI ’99, New York, NY, USA, 1–4 May 1999; Association for Computing Machinery: New York, NY, USA, 1999; pp. 169–180. [Google Scholar] [CrossRef]
- Snapdragon 835 Mobile Platform. Available online: https://www.qualcomm.com/products/snapdragon-835-mobile-platform (accessed on 7 November 2021).
- Snapdragon 821 Mobile Platform. Available online: https://www.qualcomm.com/products/snapdragon-821-mobile-platform (accessed on 7 November 2021).
- Snapdragon 845 Mobile Platform. Available online: https://www.qualcomm.com/products/snapdragon-845-mobile-platform (accessed on 7 November 2021).
- Gómez-Cárdenes, Ó.; Rodríguez-Ramos, J.M. Barcode Detection Method. WO Patent 2019219512A1, 21 November 2019. Available online: https://patentscope.wipo.int/search/en/detail.jsf?docId=WO2019219512 (accessed on 7 November 2021).
- Muniz, R.; Junco, L.; Otero, A. A robust software barcode reader using the Hough transform. In Proceedings of the 1999 International Conference on Information Intelligence and Systems (Cat. No.PR00446), Bethesda, MD, USA, 31 October–3 November 1999; pp. 313–319. [Google Scholar] [CrossRef]
- Zamberletti, A.; Gallo, I.; Albertini, S.; Noce, L. Neural 1D Barcode Detection Using the Hough Transform. IPSJ Trans. Comput. Vis. Appl. 2015, 7, 1–9. [Google Scholar] [CrossRef][Green Version]
- Gómez-Cárdenes, Ó.; Marichal-Hernández, J.G.; Trujillo-Sevilla, J.M.; Carmona-Ballester, D.; Rodríguez-Ramos, J.M. Focus measurement in 3D focal stack using direct and inverse discrete radon transform. In Three-Dimensional Imaging, Visualization, and Display 2017; International Society for Optics and Photonics: Brussels, Belgium, 2017; Volume 10219, p. 102190R. [Google Scholar]
- Cython: C-Extensions for Python. 2021. Available online: http://cython.org/ (accessed on 7 November 2021).
- PyWavelets. 2021. Available online: https://github.com/PyWavelets (accessed on 7 November 2021).
- Marichal-Hernández, J.G.; Gómez-Cárdenes, Ó.; González, F.L.R.; Kim, D.H.; Rodríguez-Ramos, J.M. Three-dimensional multiscale discrete Radon and John transforms. Opt. Eng. 2020, 59, 1–23. [Google Scholar] [CrossRef]
- Marichal-Hernández, J.G.; Oliva-García, R.; Gómez-Cárdenes, Ó.; Rodríguez-Méndez, I.; Rodríguez-Ramos, J.M. Inverse Multiscale Discrete Radon Transform by Filtered Backprojection. Appl. Sci. 2021, 11, 22. [Google Scholar] [CrossRef]





















| Central DRT Times Model & SoC | Resolution | Time in ms |
|---|---|---|
| Snapdragon™ 821 (Adreno™ 530) | 41.9 | |
| 14.2 | ||
| Snapdragon™ 835 (Adreno™ 540) | 35.4 | |
| 12.3 | ||
| Snapdragon™ 845 (Adreno™ 630) | 25.4 | |
| 5.9 |
Publisher’s Note: MDPI stays neutral with regard to jurisdictional claims in published maps and institutional affiliations. |
© 2021 by the authors. Licensee MDPI, Basel, Switzerland. This article is an open access article distributed under the terms and conditions of the Creative Commons Attribution (CC BY) license (https://creativecommons.org/licenses/by/4.0/).
Share and Cite
Gómez-Cárdenes, Ó.; Marichal-Hernández, J.G.; Phillip Lüke, J.; Rodríguez-Ramos, J.M. Central and Periodic Multi-Scale Discrete Radon Transforms. Appl. Sci. 2021, 11, 10606. https://doi.org/10.3390/app112210606
Gómez-Cárdenes Ó, Marichal-Hernández JG, Phillip Lüke J, Rodríguez-Ramos JM. Central and Periodic Multi-Scale Discrete Radon Transforms. Applied Sciences. 2021; 11(22):10606. https://doi.org/10.3390/app112210606
Chicago/Turabian StyleGómez-Cárdenes, Óscar, José G. Marichal-Hernández, Jonas Phillip Lüke, and José M. Rodríguez-Ramos. 2021. "Central and Periodic Multi-Scale Discrete Radon Transforms" Applied Sciences 11, no. 22: 10606. https://doi.org/10.3390/app112210606
APA StyleGómez-Cárdenes, Ó., Marichal-Hernández, J. G., Phillip Lüke, J., & Rodríguez-Ramos, J. M. (2021). Central and Periodic Multi-Scale Discrete Radon Transforms. Applied Sciences, 11(22), 10606. https://doi.org/10.3390/app112210606

