Condenser Design for On-Board ORC Recovery System
Abstract
:1. Introduction
2. Cycle Analysis
- 1–2: Expansion in the expander. The heat energy of the working fluid is converted into mechanical energy by an expander; then, an alternator (not represented) converts this mechanical energy into electricity.
- 2–3: Condensation in a condenser. The vapour fluid condenses to the liquid state.
- 3–4: Compression in a pump. A feed pump pressurizes the liquid working fluid.
- 4–1: Vapourization in a boiler. The liquid working fluid absorbs thermal energy and vaporizes to the vapor state.
- Power output: 5 kW.
- The exhaust gas inlet temperature (T = 723 K).
- The exhaust mass flow rate ( = 0.3 kg/s).
- The cooling water inlet temperature (T = 313 K).
The Process Simulator
3. Thermodynamic Model of the Condenser
- The de-superheating, where the fluid’s temperature almost reaches the condensation temperature.
- The condensation phase, where the gaseous working fluid becomes liquid.
- The sub-cooling phase is used to slightly decrease the temperature in order to make sure that all the fluid is liquid.
3.1. LMTD Model
3.2. The Heat Exchanger Method
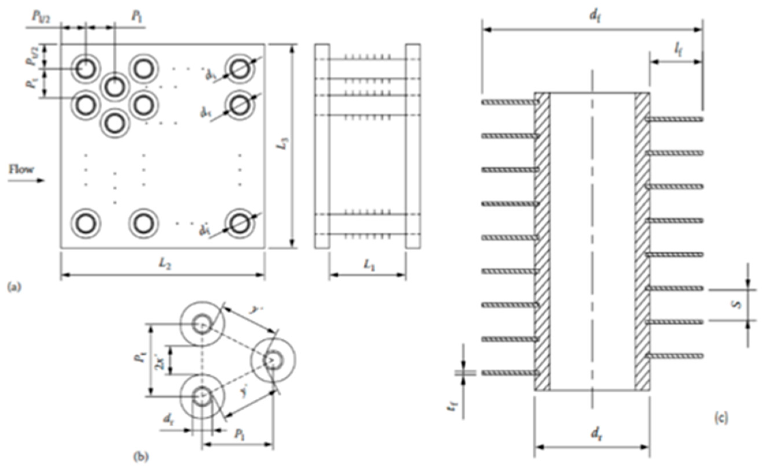
4. Design Procedure
4.1. Monophasic Condensation
- Firstly, the Prandtl number is computed, and secondly, the calculation of the fluid velocity inside the pipes is evaluated, permitting the evaluation of the Reynolds number, which leads to the Nusselt numbers with Equation (13).
- After computing the Nusselt numbers, it is then possible to estimate the hi that is the heat transfer coefficient by Equation (12).
- At this point, it is necessary to introduce the areas. When the numbers of tubes are known, where Ns is the number of pipes where the mass flow condensate, Nr is the numbers of transits of the same bundle of tubes, and the total number Nt, the geometrical properties can be calculated. The inner area of the pipes is:and the minimum free flow area is:
4.2. Biphasic Condensation
- Part one, when the quality x is within 0 ÷ 0.75.
- Part two, when x = 0.75 ÷ 0.5.
- Part three, when x = 0.5 ÷ 0.25.
- Part four, when x = 0.25 ÷ 0.
5. Design Results
6. The On-Board Configuration
7. Conclusions and Future Works
Author Contributions
Funding
Institutional Review Board Statement
Informed Consent Statement
Data Availability Statement
Conflicts of Interest
Nomenclature
| Symbol, Units | Description |
| CAD | Computer-aided design |
| CFD | Computational fluid dynamics |
| EV | Electric vehicle |
| EUDC | European urban drive cycle |
| FCEV | Fuel cell electric vehicle |
| HEV | Hybrid electric vehicle |
| KERS | Kinematic energy recovery sys |
| LPG | Liquefied petroleum gas |
| (kg/s) | Mass flow rate |
| P (kW) | Power |
| T (K) | Temperature |
| W | Work |
| Greek symbol | |
| ε | effectiveness |
| ρ | density |
References
- Pennacchia, E.; Tiberi, M.; Carbonara, E.; Garcia, D.A.; Cumo, F. Reuse and Upcycling of Municipal Waste for ZEB Envelope Design in European Urban Areas. Sustainability 2016, 8, 610. [Google Scholar] [CrossRef] [Green Version]
- Mancini, F.; Romano, S.; Basso, G.L.; Cimaglia, J.; De Santoli, L. How the Italian Residential Sector Could Contribute to Load Flexibility in Demand Response Activities: A Methodology for Residential Clustering and Developing a Flexibility Strategy. Energies 2020, 13, 3359. [Google Scholar] [CrossRef]
- Mancini, F.; Nastasi, B. Solar Energy Data Analytics: PV Deployment and Land Use. Energies 2020, 13, 417. [Google Scholar] [CrossRef] [Green Version]
- Garcia, D.A.; Di Matteo, U.; Cumo, F. Selecting Eco-Friendly Thermal Systems for the “Vittoriale Degli Italiani” Historic Museum Building. Sustainability 2015, 7, 12615–12633. [Google Scholar] [CrossRef] [Green Version]
- Leibowitz, H.; Smith, I.K.; Stosic, N. Cost-Effective Small Scale ORC Systems for Power Recovery from Low-Grade Heat Sources. In Proceedings of the ASME 2006 International Mechanical Engineering Congress and Exposition, Chicago, IL, USA, 5–10 November 2006. [Google Scholar] [CrossRef] [Green Version]
- Tocci, L.; Pal, T.; Pesmazoglou, I.; Franchetti, B. Small Scale Organic Rankine Cycle (ORC): A Techno-Economic Review. Energies 2017, 10, 413. [Google Scholar] [CrossRef]
- Performance and Potential of Small-Scale Orc Systems. Available online: https://energiforsk.se/media/29068/performance-and-potential-of-small-scale-orc-systems-energiforskrapport-2020-717.pdf (accessed on 20 January 2021).
- ORC System. Available online: https://www.turboden.com/products/2463/orc-system (accessed on 20 January 2021).
- Li, L.; Tao, L.; Li, Q.; Hu, Y. Experimentally economic analysis of ORC power plant with low-temperature waste heat recovery. Int. J. Low-Carbon Technol. 2021, 16, 35–44. [Google Scholar] [CrossRef]
- Tartiere, T.; Astolfi, M. A World Overview of the Organic Rankine Cycle Market. Energy Procedia 2017, 129, 2–9. [Google Scholar] [CrossRef]
- Comparative studies and analyses of working fluids for Organic Rankine Cycles—ORC Jamal Nouman. Available online: https://www.diva-portal.org/smash/get/diva2:555314/FULLTEXT01.pdf (accessed on 20 February 2021).
- Jafari, A.; Yang, C.; Chang, C. Optimization of heat exchanger size of a 10 kW organic Rankine cycle system. Energy Procedia 2017, 129, 851–858. [Google Scholar] [CrossRef]
- Unamba, C.K.; White, M.; Sapin, P.; Freeman, J.; Lecompte, S.; Oyewunmia, O.A.; Markidesa, C.N. Experimental Investigation of the Operating Point of a 1-kW ORC System. Energy Procedia 2017, 129, 875–882. [Google Scholar] [CrossRef] [Green Version]
- Landellea, A.; Tauveron, N.; Revellin, R.; Haberschill, P.; Colasson, S. Experimental Investigation of a Transcritical Organic Rankine Cycle with Scroll Expander for Low-Temperature Waste Heat Recovery. Energy Procedia 2017, 129, 810–817. [Google Scholar] [CrossRef]
- Mascuch, J.; Novotny, V.; Vodicka, V.; Zeleny, Z. Towards development of 1–10 kW pilot ORC units operating with hexamethyldisiloxane and using rotary vane expander. Energy Procedia 2017, 129, 826–833. [Google Scholar] [CrossRef]
- Shu, G.; Liu, L.; Tian, H.; Wei, H.; Xia, X. Performance comparison and working fluid analysis and transcritical dual-loop organic Rankine cycle (DORC) used in engine waste heat recovery. Energy Convers. Manag. 2013, 74, 35–43. [Google Scholar] [CrossRef]
- Tchanche, F.; Lambrinos, G.; Frangoudakis, A.; Papadakis, G. Low-grade heat conversion into power using organic Rankine cycles—A review of various applications. Renew. Sustain. Energy Rev. 2011, 15, 3963–3979. [Google Scholar] [CrossRef]
- Capata, R.; Gagliardi, L. Experimental investigation on the Reynolds dependence of theperformance of branched heat exchangers working with organic fluids. Int. J. Heat Mass Transf. 2019, 140, 129–138. [Google Scholar] [CrossRef]
- Kuppan, T. Heat Exchanger Design Handbook, 2nd ed.; CRC Press: New York, NY, USA, 2013. [Google Scholar]
- Capata, R.; Zangrillo, E. Preliminary Design of Compact Condenser in an Organic Rankine Cycle System for the Low-Grade Waste Heat Recovery. Energies 2014, 7, 8008–8035. [Google Scholar] [CrossRef]
- Shah, R.K.; Sekulic, D.P. Fundamentals of Heat Exchanger Design; John Wiley & Sons Inc.: Hoboken, NJ, USA, 2003. [Google Scholar]
- Wanga, Z.; Mathai, V.; Sun, C. Experimental study of the heat transfer properties of self-sustained biphasic thermally driven turbulence. Int. J. Heat Mass Transf. 2020, 152, 119515. [Google Scholar] [CrossRef]
- López-Belchí, A. Assessment of a mini-channel condenser at high ambient temperatures based on experimental measurements working with R134a, R513A and R1234yf. Appl. Therm. Eng. 2019, 155, 341–353. [Google Scholar] [CrossRef]
- López-Belchí, A.; Illán-Gómezb, F. Evaluation of a condenser based on mini-channels technology working with R410A and R32. Experimental data and performance estimate. Appl. Energy 2017, 202, 112–124. [Google Scholar] [CrossRef]











| R245fa Input Data | |
|---|---|
| mass flow rate (kg/s) | 0.5 |
| boiler inlet temperature (K) | 333 |
| boiler outlet temperature (K) | 390 |
| boiler inlet pressure (kPa) | 1250 |
| boiler outlet pressure (kPa) | 1225 |
| condenser inlet temperature (K) | 370 |
| condenser outlet temperature (K) | 341 |
| condenser inlet pressure (kPa) | 610 |
| inlet cooling water temperature (K) | 313 |
| outlet cooling water temperature (K) | 334 |
| power output (kW) | 5 |
| power absorbed by the pump (kW) | 0.233 |
| Stream n° 1 | |
|---|---|
| Temperature (K) | 371 |
| Pressure (kPa) | 610 |
| Stream n° 2 | |
| Temperature (K) | 342 |
| Pressure (kPa) | 606 |
| Stream n° 3 | |
| Temperature (K) | 313 |
| Pressure (kPa) | 101.3 |
| Stream n° 4 | |
| Temperature (K) | 334.3 |
| Pressure (kPa) | 100.3 |
| L1 (m) | 0.3 |
| L2 (m) | 0.3 |
| L3 (m) | 0.2 |
| di (m) | 0.008 |
| dr (m) | 0.01 |
| df (m) | 0.016 |
| Pt (m) | 0.017 |
| Pl (m) | 0.017 |
| S (m) | 0.002 |
| tf (m) | 0.0003 |
| Nr | 17 |
| Ns | 15 |
| Ntot | 17 × 15 = 255 |
| R245fa | ||
|---|---|---|
| Inlet | Outlet | |
| Mass flow rate (kg/s) | 0.5 | 0.5 |
| Temperature (K) | 371.4 | 341 |
| Pressure (kPa) | 615 | 610 |
| Enthalpy | 60.3 | 32.5 |
| Density | 31.33 | 32.78 |
| Steam quality | 1 | 1 |
| Water | ||
| Inlet | Outlet | |
| Mass flow rate (kg/s) | 1 | 1 |
| Temperature (K) | 313 | 334.3 |
| Pressure (kPa) | 101 | 100.97 |
| Enthalpy | −2409.21 | −2403.55 |
| Density | 828.07 | 828.07 |
| Steam quality | 1 | 1 |
| Heat Exchanged | Heat Exchanger Surface | ||
|---|---|---|---|
| de-superheated (kW) | 13.9 | de-superheated (m2) | 0.27 |
| condensing (kW) | 80.9 | condensing (m2) | 1.51 |
| subcooling (kW) | 0.8 | subcooling (m2) | 0.02 |
| total (kW) | 95.6 | total (m2) | 1.8 |
Publisher’s Note: MDPI stays neutral with regard to jurisdictional claims in published maps and institutional affiliations. |
© 2021 by the authors. Licensee MDPI, Basel, Switzerland. This article is an open access article distributed under the terms and conditions of the Creative Commons Attribution (CC BY) license (https://creativecommons.org/licenses/by/4.0/).
Share and Cite
Capata, R.; Piras, G. Condenser Design for On-Board ORC Recovery System. Appl. Sci. 2021, 11, 6356. https://doi.org/10.3390/app11146356
Capata R, Piras G. Condenser Design for On-Board ORC Recovery System. Applied Sciences. 2021; 11(14):6356. https://doi.org/10.3390/app11146356
Chicago/Turabian StyleCapata, Roberto, and Giuseppe Piras. 2021. "Condenser Design for On-Board ORC Recovery System" Applied Sciences 11, no. 14: 6356. https://doi.org/10.3390/app11146356
APA StyleCapata, R., & Piras, G. (2021). Condenser Design for On-Board ORC Recovery System. Applied Sciences, 11(14), 6356. https://doi.org/10.3390/app11146356
