On-Off Control Strategy in a BWRO System under Variable Power and Feedwater Concentration Conditions
Abstract
1. Introduction
2. Methodology
2.1. Feedwater Characterization
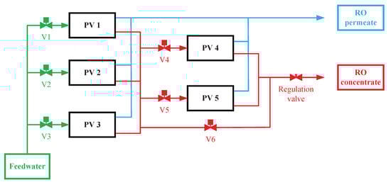
2.2. Bwro Desalination System
2.3. Process Modeling
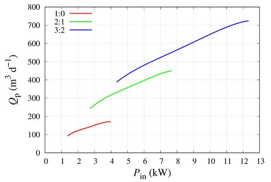
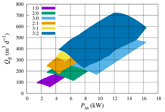
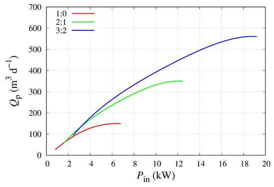
3. Results and Discussion
4. Conclusions
Author Contributions
Funding
Conflicts of Interest
Abbreviations
| Nomenclature | |
| A | Average water permeability coefficient (m d bar cm) |
| B | Average ion permeability coefficient (m d) |
| BWRO | Brackish water reverse osmosis |
| C | Concentration (mg L) |
| Conductivity (S cm) | |
| Flow factor | |
| n | Number of membrane elements in series |
| Input power (kW) | |
| PID | Proportional-integral-derivative |
| PV | Pressure vessel |
| p | Pressure (bar) |
| Q | Flow () |
| R | Flow recovery (%) |
| RO | Reverse osmosis |
| Specific energy consumption () | |
| Silt density index | |
| SOW | Safe operating window |
| SWMM | Spiral wound membrane module |
| T | Temperature |
| Temperature correction factor | |
| Total dissolved solids | |
| Y | Fraction recovery |
| Greek letters | |
| Osmotic pressure (bar) | |
| Subscripts | |
| b | Brine |
| f | Feed |
| i | Membrane element i |
| j | Ion j |
| max | Maximum |
| min | Minimum |
| p | Permeate |
| r | Rejection |
Appendix A. Operating Conditions for Maximizing Qp Considering Three Bwro Configurations and Five Different Feedwater Samples
| Sample 20 | Sample 5 | |||||||
|---|---|---|---|---|---|---|---|---|
| Configuration | (kW) | (bar) | (m3 d−1) | R (%) | (kW) | (bar) | (m3 d−1) | R (%) |
| 1:0 | 1.37 | 7.0 | 172 | 53.32 | 1.13 | 7.0 | 142 | 43.13 |
| 1.46 | 7.5 | 172 | 58.04 | 1.21 | 7.5 | 142 | 47.51 | |
| 1.65 | 8.0 | 182 | 59.26 | 1.38 | 8.0 | 152 | 49.05 | |
| 1.85 | 8.5 | 192 | 60.36 | 1.56 | 8.5 | 162 | 50.41 | |
| 2.06 | 9.0 | 202 | 61.34 | 1.66 | 9.0 | 162 | 54.10 | |
| 2.29 | 9.5 | 212 | 62.22 | 1.86 | 9.5 | 172 | 55.12 | |
| 2.63 | 10.0 | 232 | 60.22 | 2.07 | 10.0 | 182 | 56.05 | |
| 2.89 | 10.5 | 242 | 61.02 | 2.17 | 10.5 | 182 | 59.19 | |
| 3.15 | 11.0 | 252 | 61.76 | 2.40 | 11.0 | 192 | 59.88 | |
| 3.42 | 11.5 | 262 | 62.43 | 2.64 | 11.5 | 202 | 60.51 | |
| 3.84 | 12.0 | 282 | 60.61 | 2.75 | 12.0 | 202 | 63.24 | |
| 3.98 | 12.0 | 292 | 58.27 | 3.01 | 12.5 | 212 | 63.70 | |
| 3.28 | 13.0 | 222 | 64.13 | |||||
| 3.40 | 13.5 | 222 | 66.50 | |||||
| 3.69 | 14.0 | 232 | 66.81 | |||||
| 3.85 | 14.0 | 242 | 64.87 | |||||
| 4.01 | 14.0 | 252 | 62.93 | |||||
| 4.16 | 14.0 | 262 | 61.01 | |||||
| 4.32 | 14.0 | 272 | 59.11 | |||||
| 4.48 | 14.0 | 282 | 57.24 | |||||
| 4.64 | 14.0 | 292 | 55.42 | |||||
| 4.80 | 14.0 | 302 | 53.64 | |||||
| 4.96 | 14.0 | 312 | 51.90 | |||||
| 5.12 | 14.0 | 322 | 50.21 | |||||
| 5.28 | 14.0 | 332 | 48.57 | |||||
| 2:1 | 2.73 | 7.0 | 344 | 69.92 | 2.26 | 7.0 | 284 | 52.28 |
| 2.93 | 7.5 | 344 | 75.69 | 2.42 | 7.5 | 284 | 57.63 | |
| 3.31 | 8.0 | 364 | 77.24 | 2.76 | 8.0 | 304 | 59.60 | |
| 3.71 | 8.5 | 384 | 78.61 | 3.13 | 8.5 | 324 | 61.36 | |
| 4.13 | 9.0 | 404 | 79.83 | 3.31 | 9.0 | 324 | 65.45 | |
| 4.57 | 9.5 | 424 | 80.91 | 3.71 | 9.5 | 344 | 66.78 | |
| 5.27 | 10.0 | 464 | 78.96 | 4.13 | 10.0 | 364 | 67.98 | |
| 5.77 | 10.5 | 484 | 79.97 | 4.34 | 10.5 | 364 | 71.13 | |
| 6.29 | 11.0 | 504 | 80.89 | 4.80 | 11.0 | 384 | 72.06 | |
| 6.84 | 11.5 | 524 | 81.72 | 5.28 | 11.5 | 404 | 72.90 | |
| 7.68 | 12.0 | 564 | 79.76 | 5.50 | 12.0 | 404 | 75.36 | |
| 6.02 | 12.5 | 424 | 76.02 | |||||
| 6.55 | 13.0 | 444 | 76.63 | |||||
| 6.81 | 13.5 | 444 | 78.57 | |||||
| 7.38 | 14.0 | 464 | 79.06 | |||||
| 7.69 | 14.0 | 484 | 77.72 | |||||
| 8.01 | 14.0 | 504 | 76.21 | |||||
| 8.33 | 14.0 | 524 | 74.55 | |||||
| 8.65 | 14.0 | 544 | 72.74 | |||||
| 8.97 | 14.0 | 564 | 70.79 | |||||
| 9.28 | 14.0 | 584 | 68.72 | |||||
| 9.60 | 14.0 | 604 | 66.55 | |||||
| 3:2 | 4.34 | 7.0 | 546 | 71.22 | 3.39 | 7.0 | 426 | 55.68 |
| 4.91 | 7.5 | 576 | 73.38 | 3.63 | 7.5 | 426 | 60.78 | |
| 5.50 | 8.0 | 606 | 75.29 | 4.14 | 8.0 | 456 | 62.79 | |
| 6.14 | 8.5 | 636 | 76.98 | 4.69 | 8.5 | 486 | 64.58 | |
| 7.11 | 9.0 | 696 | 75.28 | 4.97 | 9.0 | 486 | 68.32 | |
| 7.83 | 9.5 | 726 | 76.79 | 5.57 | 9.5 | 516 | 69.67 | |
| 8.58 | 10.0 | 756 | 78.14 | 6.20 | 10.0 | 546 | 70.88 | |
| 9.37 | 10.5 | 786 | 79.36 | 6.87 | 10.5 | 576 | 71.99 | |
| 10.19 | 8.5 | 816 | 80.47 | 7.19 | 11.0 | 576 | 74.60 | |
| 11.05 | 11.5 | 846 | 81.48 | 7.91 | 11.5 | 606 | 75.45 | |
| 11.94 | 12.0 | 876 | 82.39 | 8.67 | 12.0 | 636 | 76.24 | |
| 12.34 | 12.0 | 906 | 79.77 | 9.45 | 12.5 | 666 | 76.97 | |
| 10.27 | 13.0 | 696 | 77.63 | |||||
| 11.13 | 13.5 | 726 | 78.25 | |||||
| 11.54 | 14.0 | 726 | 79.97 | |||||
| 12.02 | 14.0 | 756 | 78.82 | |||||
| 12.49 | 14.0 | 786 | 77.53 | |||||
| 12.97 | 14.0 | 816 | 76.09 | |||||
| 13.45 | 14.0 | 846 | 74.50 | |||||
| 13.92 | 14.0 | 876 | 72.77 | |||||
| 14.40 | 14.0 | 906 | 70.90 | |||||
| 14.88 | 14.0 | 936 | 68.92 | |||||
| 15.36 | 14.0 | 966 | 66.82 | |||||
| Sample 22 | Sample 3 | |||||||
|---|---|---|---|---|---|---|---|---|
| Configuration | (kW) | (bar) | (m3 d−1) | R (%) | (kW) | (bar) | (m3 d−1) | R (%) |
| 1:0 | 1.13 | 7.0 | 142 | 43.34 | 0.89 | 7.0 | 112 | 35.66 |
| 1.21 | 7.5 | 142 | 47.74 | 1.04 | 7.5 | 122 | 37.82 | |
| 1.38 | 8.0 | 152 | 49.28 | 1.20 | 8.0 | 132 | 39.72 | |
| 1.56 | 8.5 | 162 | 50.66 | 1.27 | 8.5 | 132 | 43.60 | |
| 1.66 | 9.0 | 162 | 54.35 | 1.45 | 9.0 | 142 | 45.05 | |
| 1.86 | 9.5 | 172 | 55.39 | 1.53 | 9.5 | 142 | 48.49 | |
| 2.07 | 10.0 | 182 | 56.32 | 1.73 | 10.0 | 152 | 49.60 | |
| 2.17 | 10.5 | 182 | 59.47 | 1.93 | 10.5 | 162 | 50.60 | |
| 2.40 | 11.0 | 192 | 60.17 | 2.02 | 11.0 | 162 | 53.51 | |
| 2.64 | 11.5 | 202 | 60.81 | 2.25 | 11.5 | 172 | 54.28 | |
| 2.75 | 12.0 | 202 | 63.52 | 2.34 | 12.0 | 172 | 56.90 | |
| 3.01 | 12.5 | 212 | 64.00 | 2.58 | 12.5 | 182 | 57.49 | |
| 3.28 | 13.0 | 222 | 64.43 | 2.69 | 13.0 | 182 | 59.85 | |
| 3.40 | 13.5 | 222 | 66.80 | 2.94 | 13.5 | 192 | 60.30 | |
| 3.56 | 13.5 | 232 | 64.83 | 3.05 | 14.0 | 192 | 62.43 | |
| 3.71 | 13.5 | 242 | 62.85 | 3.33 | 14.5 | 202 | 62.77 | |
| 3.86 | 13.5 | 252 | 60.89 | 3.61 | 15.0 | 212 | 63.08 | |
| 4.02 | 13.5 | 262 | 58.95 | 3.73 | 15.5 | 212 | 64.96 | |
| 4.17 | 13.5 | 272 | 57.05 | 3.91 | 15.5 | 222 | 63.36 | |
| 4.32 | 13.5 | 282 | 55.19 | 4.08 | 15.5 | 232 | 61.73 | |
| 4.48 | 13.5 | 292 | 53.38 | 4.26 | 15.5 | 242 | 60.10 | |
| 4.43 | 15.5 | 252 | 58.47 | |||||
| 4.61 | 15.5 | 262 | 56.84 | |||||
| 4.79 | 15.5 | 272 | 55.24 | |||||
| 4.96 | 15.5 | 282 | 53.65 | |||||
| 5.14 | 15.5 | 292 | 52.09 | |||||
| 5.31 | 15.5 | 302 | 50.56 | |||||
| 5.49 | 15.5 | 312 | 49.06 | |||||
| 5.67 | 15.5 | 322 | 47.59 | |||||
| 2:1 | 2.26 | 7.0 | 284 | 52.45 | 1.78 | 7.0 | 224 | 41.58 |
| 2.42 | 7.5 | 284 | 57.79 | 2.08 | 7.5 | 244 | 44.18 | |
| 2.76 | 8.0 | 304 | 59.78 | 2.40 | 8.0 | 264 | 46.51 | |
| 3.13 | 8.5 | 324 | 61.55 | 2.55 | 8.5 | 264 | 51.04 | |
| 3.31 | 9.0 | 324 | 65.62 | 2.90 | 9.0 | 284 | 52.85 | |
| 3.71 | 9.5 | 344 | 66.96 | 3.06 | 9.5 | 284 | 56.66 | |
| 4.13 | 10.0 | 364 | 68.17 | 3.45 | 10.0 | 304 | 58.08 | |
| 4.34 | 10.5 | 364 | 71.29 | 3.86 | 10.5 | 324 | 59.37 | |
| 4.80 | 11.0 | 384 | 72.23 | 4.05 | 11.0 | 324 | 62.40 | |
| 5.54 | 11.5 | 424 | 71.19 | 4.49 | 11.5 | 344 | 63.43 | |
| 6.05 | 12.0 | 444 | 72.03 | 4.69 | 12.0 | 344 | 66.01 | |
| 6.87 | 12.5 | 484 | 70.87 | 5.17 | 12.5 | 364 | 66.84 | |
| 7.44 | 13.0 | 504 | 71.64 | 5.37 | 13.0 | 364 | 69.03 | |
| 8.03 | 13.5 | 524 | 72.35 | 5.89 | 13.5 | 384 | 69.70 | |
| 8.34 | 13.5 | 544 | 70.38 | 6.10 | 14.0 | 384 | 71.58 | |
| 8.65 | 13.5 | 564 | 68.28 | 6.65 | 14.5 | 404 | 72.14 | |
| 8.95 | 13.5 | 584 | 66.08 | 7.22 | 15.0 | 424 | 72.66 | |
| 7.46 | 15.5 | 424 | 74.22 | |||||
| 7.81 | 15.5 | 444 | 73.14 | |||||
| 8.17 | 15.5 | 464 | 71.95 | |||||
| 8.52 | 15.5 | 484 | 70.66 | |||||
| 8.87 | 15.5 | 504 | 69.26 | |||||
| 9.22 | 15.5 | 524 | 67.76 | |||||
| 9.57 | 15.5 | 544 | 66.15 | |||||
| 9.93 | 15.5 | 564 | 64.46 | |||||
| 10.28 | 15.5 | 584 | 62.68 | |||||
| 10.63 | 15.5 | 604 | 60.82 | |||||
| 10.98 | 15.5 | 624 | 58.91 | |||||
| 3:2 | 3.39 | 7.0 | 426 | 55.82 | 2.67 | 7.0 | 336 | 43.99 |
| 3.63 | 7.5 | 426 | 60.91 | 3.12 | 7.5 | 366 | 46.70 | |
| 4.14 | 8.0 | 456 | 62.92 | 3.60 | 8.0 | 396 | 49.12 | |
| 4.69 | 8.5 | 486 | 64.73 | 3.82 | 8.5 | 396 | 53.51 | |
| 4.97 | 9.0 | 486 | 68.44 | 4.35 | 9.0 | 426 | 55.38 | |
| 5.57 | 9.5 | 516 | 69.79 | 4.60 | 9.5 | 426 | 58.99 | |
| 6.20 | 10.0 | 546 | 71.02 | 5.18 | 10.0 | 456 | 60.46 | |
| 6.87 | 10.5 | 576 | 72.13 | 5.79 | 10.5 | 486 | 61.79 | |
| 7.94 | 11.0 | 636 | 71.39 | 6.07 | 11.0 | 486 | 64.60 | |
| 8.70 | 11.5 | 666 | 72.39 | 6.74 | 11.5 | 516 | 65.67 | |
| 9.89 | 12.0 | 726 | 71.51 | 7.03 | 12.0 | 516 | 68.02 | |
| 10.73 | 12.5 | 756 | 72.41 | 7.75 | 12.5 | 546 | 68.89 | |
| 12.04 | 13.0 | 816 | 71.44 | 8.06 | 13.0 | 546 | 70.87 | |
| 12.97 | 13.5 | 846 | 72.26 | 8.83 | 13.5 | 576 | 71.58 | |
| 17.26 | 14.0 | 1086 | 58.11 | 9.16 | 14.0 | 576 | 73.25 | |
| 9.98 | 14.5 | 606 | 73.84 | |||||
| 10.83 | 15.0 | 636 | 74.40 | |||||
| 11.19 | 15.5 | 636 | 75.78 | |||||
| 11.72 | 15.5 | 666 | 74.92 | |||||
| 12.25 | 15.5 | 696 | 73.97 | |||||
| 12.78 | 15.5 | 726 | 72.93 | |||||
| 13.30 | 15.5 | 756 | 71.79 | |||||
| 13.83 | 15.5 | 786 | 70.55 | |||||
| 14.36 | 15.5 | 816 | 69.21 | |||||
| 14.89 | 15.5 | 846 | 67.77 | |||||
| 15.42 | 15.5 | 876 | 66.24 | |||||
| 15.94 | 15.5 | 906 | 64.62 | |||||
| 16.47 | 15.5 | 936 | 62.91 | |||||
| 17.00 | 15.5 | 966 | 61.13 | |||||
| Configuration | (kW) | (bar) | (m3 d−1) | R (%) |
|---|---|---|---|---|
| 1:0 | 0.81 | 7.0 | 102 | 25.64 |
| 0.95 | 7.5 | 112 | 28.21 | |
| 1.02 | 8.0 | 112 | 32.38 | |
| 1.18 | 8.5 | 122 | 34.40 | |
| 1.25 | 9.0 | 122 | 38.10 | |
| 1.42 | 9.5 | 132 | 39.67 | |
| 1.50 | 10.0 | 132 | 42.96 | |
| 1.69 | 10.5 | 142 | 44.19 | |
| 1.77 | 11.0 | 142 | 47.12 | |
| 1.98 | 11.5 | 152 | 48.08 | |
| 2.07 | 12.0 | 152 | 50.71 | |
| 2.30 | 12.5 | 162 | 51.47 | |
| 2.39 | 13.0 | 162 | 53.83 | |
| 2.64 | 13.5 | 172 | 54.42 | |
| 2.73 | 14.0 | 172 | 56.56 | |
| 3.00 | 14.5 | 182 | 57.03 | |
| 3.10 | 15.0 | 182 | 58.97 | |
| 3.38 | 15.5 | 192 | 59.33 | |
| 3.49 | 16.0 | 192 | 61.10 | |
| 3.78 | 16.5 | 202 | 61.38 | |
| 3.90 | 17.0 | 202 | 63.00 | |
| 4.09 | 17.0 | 212 | 61.63 | |
| 4.29 | 17.0 | 222 | 60.24 | |
| 4.48 | 17.0 | 232 | 58.83 | |
| 4.67 | 17.0 | 242 | 57.41 | |
| 4.86 | 17.0 | 252 | 55.99 | |
| 5.06 | 17.0 | 262 | 54.58 | |
| 5.25 | 17.0 | 272 | 53.17 | |
| 5.44 | 17.0 | 282 | 51.78 | |
| 5.64 | 17.0 | 292 | 50.40 | |
| 5.83 | 17.0 | 302 | 49.04 | |
| 6.02 | 17.0 | 312 | 47.70 | |
| 6.22 | 17.0 | 322 | 46.39 | |
| 6.41 | 17.0 | 332 | 45.09 | |
| 6.60 | 17.0 | 342 | 43.83 | |
| 6.79 | 17.0 | 352 | 42.59 | |
| 2:1 | 1.62 | 7.0 | 204 | 29.41 |
| 1.91 | 7.5 | 224 | 32.27 | |
| 2.03 | 8.0 | 224 | 37.17 | |
| 2.35 | 8.5 | 244 | 39.48 | |
| 2.49 | 9.0 | 244 | 43.74 | |
| 2.85 | 9.5 | 264 | 45.59 | |
| 3.00 | 10.0 | 264 | 49.28 | |
| 3.39 | 10.5 | 284 | 50.76 | |
| 3.55 | 11.0 | 284 | 53.93 | |
| 3.97 | 11.5 | 304 | 55.13 | |
| 4.14 | 12.0 | 304 | 57.87 | |
| 4.60 | 12.5 | 324 | 58.85 | |
| 4.78 | 13.0 | 324 | 61.22 | |
| 5.27 | 13.5 | 344 | 62.03 | |
| 5.47 | 14.0 | 344 | 64.09 | |
| 5.99 | 14.5 | 364 | 64.77 | |
| 6.20 | 15.0 | 364 | 66.57 | |
| 6.76 | 15.5 | 384 | 67.15 | |
| 6.98 | 16.0 | 384 | 68.73 | |
| 7.57 | 16.5 | 404 | 69.22 | |
| 7.80 | 17.0 | 404 | 70.61 | |
| 8.18 | 17.0 | 424 | 69.67 | |
| 8.57 | 17.0 | 444 | 68.65 | |
| 8.96 | 17.0 | 464 | 67.54 | |
| 9.34 | 17.0 | 484 | 66.36 | |
| 9.73 | 17.0 | 504 | 65.10 | |
| 10.11 | 17.0 | 524 | 63.77 | |
| 10.50 | 17.0 | 544 | 62.36 | |
| 10.89 | 17.0 | 564 | 60.87 | |
| 11.27 | 17.0 | 584 | 59.32 | |
| 11.66 | 17.0 | 604 | 57.71 | |
| 12.04 | 17.0 | 624 | 56.05 | |
| 12.43 | 17.0 | 644 | 54.34 | |
| 3:2 | 2.43 | 7.0 | 306 | 31.26 |
| 2.86 | 7.5 | 336 | 34.26 | |
| 3.05 | 8.0 | 336 | 39.22 | |
| 3.53 | 8.5 | 366 | 41.63 | |
| 3.74 | 9.0 | 366 | 45.86 | |
| 4.27 | 9.5 | 396 | 47.77 | |
| 4.50 | 10.0 | 396 | 51.36 | |
| 5.08 | 10.5 | 426 | 52.90 | |
| 5.32 | 11.0 | 426 | 55.93 | |
| 5.95 | 11.5 | 456 | 57.18 | |
| 6.21 | 12.0 | 456 | 59.76 | |
| 6.90 | 12.5 | 486 | 60.80 | |
| 7.17 | 13.0 | 486 | 63.02 | |
| 7.91 | 13.5 | 516 | 63.87 | |
| 8.20 | 14.0 | 516 | 65.78 | |
| 8.99 | 14.5 | 546 | 66.50 | |
| 9.30 | 15.0 | 546 | 68.16 | |
| 10.14 | 15.5 | 576 | 68.77 | |
| 10.46 | 16.0 | 576 | 70.22 | |
| 11.35 | 16.5 | 606 | 70.75 | |
| 11.70 | 17.0 | 606 | 72.03 | |
| 12.28 | 17.0 | 636 | 71.24 | |
| 12.86 | 17.0 | 666 | 70.39 | |
| 13.43 | 17.0 | 696 | 69.47 | |
| 14.01 | 17.0 | 726 | 68.49 | |
| 14.59 | 17.0 | 756 | 67.43 | |
| 15.17 | 17.0 | 786 | 66.31 | |
| 15.75 | 17.0 | 816 | 65.11 | |
| 16.33 | 17.0 | 846 | 63.83 | |
| 16.91 | 17.0 | 876 | 62.48 | |
| 17.49 | 17.0 | 906 | 61.07 | |
| 18.07 | 17.0 | 936 | 59.59 | |
| 18.65 | 17.0 | 966 | 58.05 | |
| 19.22 | 17.0 | 996 | 56.44 |
References
- Qasim, M.; Badrelzaman, M.; Darwish, N.N.; Darwish, N.A.; Hilal, N. Reverse osmosis desalination: A state-of-the-art review. Desalination 2019, 459, 59–104. [Google Scholar] [CrossRef]
- Karabelas, A.; Koutsou, C.; Kostoglou, M.; Sioutopoulos, D. Analysis of specific energy consumption in reverse osmosis desalination processes. Desalination 2018, 431, 15–21. [Google Scholar] [CrossRef]
- Nassrullah, H.; Anis, S.F.; Hashaikeh, R.; Hilal, N. Energy for desalination: A state-of-the-art review. Desalination 2020, 491, 114569. [Google Scholar] [CrossRef]
- Kurihara, M.; Takeuchi, H. SWRO-PRO System in “Mega-ton Water System” for Energy Reduction and Low Environmental Impact. Water 2018, 10, 48. [Google Scholar] [CrossRef]
- Voutchkov, N. Energy use for membrane seawater desalination—Current status and trends. Desalination 2018, 431, 2–14. [Google Scholar] [CrossRef]
- Park, H.G.; Kwon, Y.N. Long-Term Stability of Low-Pressure Reverse Osmosis (RO) Membrane Operation—A Pilot Scale Study. Water 2018, 10, 93. [Google Scholar] [CrossRef]
- Zhao, D.L.; Japip, S.; Zhang, Y.; Weber, M.; Maletzko, C.; Chung, T.S. Emerging thin-film nanocomposite (TFN) membranes for reverse osmosis: A review. Water Res. 2020, 173, 115557. [Google Scholar] [CrossRef]
- Saleem, H.; Zaidi, S.J. Nanoparticles in reverse osmosis membranes for desalination: A state of the art review. Desalination 2020, 475, 114171. [Google Scholar] [CrossRef]
- Ruiz-García, A.; Nuez, I. Performance Assessment of SWRO Spiral-Wound Membrane Modules with Different Feed Spacer Dimensions. Processes 2020, 8, 692. [Google Scholar] [CrossRef]
- Okamoto, Y.; Lienhard, J.H. How RO membrane permeability and other performance factors affect process cost and energy use: A review. Desalination 2019, 470, 114064. [Google Scholar] [CrossRef]
- Ruiz-García, A.; de la Nuez Pestana, I. Feed Spacer Geometries and Permeability Coefficients. Effect on the Performance in BWRO Spriral-Wound Membrane Modules. Water 2019, 11, 152. [Google Scholar] [CrossRef]
- Anis, S.F.; Hashaikeh, R.; Hilal, N. Reverse osmosis pretreatment technologies and future trends: A comprehensive review. Desalination 2019, 452, 159–195. [Google Scholar] [CrossRef]
- Li, Y.; Yang, S.; Zhang, K.; Bart Van der Bruggen. Thin film nanocomposite reverse osmosis membrane modified by two dimensional laminar MoS2 with improved desalination performance and fouling-resistant characteristics. Desalination 2019, 454, 48–58. [Google Scholar] [CrossRef]
- Li, S.; Cai, Y.H.; Schäfer, A.I.; Richards, B.S. Renewable energy powered membrane technology: A review of the reliability of photovoltaic-powered membrane system components for brackish water desalination. Appl. Energy 2019, 253, 113524. [Google Scholar] [CrossRef]
- Joseph, A.; Damodaran, V. Dynamic simulation of the reverse osmosis process for seawater using LabVIEW and an analysis of the process performance. Comput. Chem. Eng. 2019, 121, 294–305. [Google Scholar] [CrossRef]
- Rivas-Perez, R.; Sotomayor-Moriano, J.; Pérez-Zuñiga, G.; Soto-Angles, M.E. Real-Time Implementation of an Expert Model Predictive Controller in a Pilot-Scale Reverse Osmosis Plant for Brackish and Seawater Desalination. Appl. Sci. 2019, 9, 2932. [Google Scholar] [CrossRef]
- Alatiqi, I.; Ghabris, A.; Ebrahim, S. System identification and control of reverse osmosis desalination. Desalination 1989, 75, 119–140. [Google Scholar] [CrossRef]
- Robertson, M.; Watters, J.; Desphande, P.; Assef, J.; Alatiqi, I. Model based control for reverse osmosis desalination processes. Desalination 1996, 104, 59–68. [Google Scholar] [CrossRef]
- Assef, J.Z.; Watters, J.C.; Deshpande, P.B.; Alatiqi, I.M. Advanced control of a reverse osmosis desalination unit. J. Process Contr. 1997, 7, 283–289. [Google Scholar] [CrossRef]
- Abbas, A. Model predictive control of a reverse osmosis desalination unit. Desalination 2006, 194, 268–280. [Google Scholar] [CrossRef]
- Gambier, A.; Wellenreuther, A.; Badreddin, E. Control system design of reverse osmosis plants by using advanced optimization techniques. Desalin. Water Treat. 2009, 10, 200–209. [Google Scholar] [CrossRef]
- Bartman, A.R.; Christofides, P.D.; Cohen, Y. Nonlinear Model-Based Control of an Experimental Reverse-Osmosis Water Desalination System. Ind. Eng. Chem. Res. 2009, 48, 6126–6136. [Google Scholar] [CrossRef]
- McFall, C.W.; Christofides, P.D.; Cohen, Y.; Davis, J.F. Fault-tolerant control of a reverse osmosis desalination process. IFAC Proc. Vol. 2007, 40, 161–166. [Google Scholar] [CrossRef]
- Kim, G.; Park, J.; Kim, J.; Lee, H.; Heo, H. PID control of Reverse Osmosis desalination plant using Immune-Genetic Algorithm. In Proceedings of the 2009 ICCAS-SICE, Fukuoka, Japan, 18–21 August 2009; pp. 2977–2981. [Google Scholar]
- Bartman, A.R.; McFall, C.W.; Christofides, P.D.; Cohen, Y. Model-predictive control of feed flow reversal in a reverse osmosis desalination process. J. Process Contr. 2009, 19, 433–442. [Google Scholar] [CrossRef]
- Bartman, A.R.; Zhu, A.; Christofides, P.D.; Cohen, Y. Minimizing energy consumption in reverse osmosis membrane desalination using optimization-based control. J. Process Contr. 2010, 20, 1261–1269. [Google Scholar] [CrossRef]
- Al-haj, M.A.; Ajbar, A.; Ali, E.; Alhumaizi, K. Robust model-based control of a tubular reverse-osmosis desalination unit. Desalination 2010, 255, 129–136. [Google Scholar] [CrossRef]
- Emad, A.; Ajbar, A.; Almutaz, I. Periodic control of a reverse osmosis desalination process. J. Process Contr. 2012, 22, 218–227. [Google Scholar] [CrossRef]
- Gambier, A. Control of a Reverse Osmosis plant by using a robust PID design based on multi-objective optimization. In Proceedings of the 2011 50th IEEE Conference on Decision and Control and European Control Conference, Orlando, FL, USA, 12–15 December 2011; pp. 7045–7050. [Google Scholar]
- AlDhaifallah, M.; Sassi, K.; Mujtaba, I. PID Control of Reverse Osmosis Based Desalination Process. In Computer Aided Chemical Engineering, Proceedings of the 22nd European Symposium on Computer Aided Process Engineering; Bogle, I.D.L., Fairweather, M., Eds.; Elsevier: Amsterdam, The Netherlands, 2012; Volume 30, pp. 812–816. [Google Scholar] [CrossRef]
- Li, D.; Yang, N.; Niu, R.; Qiu, H.; Xi, Y. FPGA based QDMC control for reverse-osmosis water desalination system. Desalination 2012, 285, 83–90. [Google Scholar] [CrossRef]
- Zhao, T.; Niu, R.; Su, M.; Anderson, T. Steady state and dynamic modeling of RO desalination modules and system using EES. In Proceedings of the 2011 IEEE International Conference on Robotics and Automation, Shanghai, China, 9–13 May 2011; pp. 1–4. [Google Scholar]
- Sobana, S.; Panda, R. Modeling and control of reverse osmosis desalination process using centralized and decentralized techniques. Desalination 2014, 344, 243–251. [Google Scholar] [CrossRef]
- Phuc, B.D.H.; You, S.S.; Lim, T.W.; Kim, H.S. Modified PID control with H∞ loop shaping synthesis for RO desalination plants. Desalin. Water Treat. 2016, 57, 25421–25434. [Google Scholar] [CrossRef]
- Phuc, B.D.H.; You, S.S.; Lim, T.W.; Kim, H.S. Dynamical analysis and control synthesis of RO desalination process against water hammering. Desalination 2017, 402, 133–142. [Google Scholar] [CrossRef]
- Feliu-Batlle, V.; Rivas-Perez, R.; Linares-Saez, A. Fractional Order Robust Control of a Reverse Osmosis Seawater Desalination Plant. IFAC-PapersOnLine 2017, 50, 14545–14550. [Google Scholar] [CrossRef]
- Zebbar, M.; Messlem, Y.; Gouichiche, A.; Tadjine, M. Super-twisting sliding mode control and robust loop shaping design of RO desalination process powered by PV generator. Desalination 2019, 458, 122–135. [Google Scholar] [CrossRef]
- Khiari, W.; Turki, M.; Belhadj, J. Power control strategy for PV/Wind reverse osmosis desalination without battery. Control Eng. Pract. 2019, 89, 169–179. [Google Scholar] [CrossRef]
- Ruiz-García, A.; Ruiz-Saavedra, E. 80,000 h operational experience and performance analysis of a brackish water reverse osmosis desalination plant. Assessment of membrane replacement cost. Desalination 2015, 375, 81–88. [Google Scholar] [CrossRef]
- Ruiz-García, A.; Nuez, I. Long-term intermittent operation of a full-scale BWRO desalination plant. Desalination 2020, 489, 114526. [Google Scholar] [CrossRef]
- Hasnain, S.M.; Alajlan, S.A. Coupling of PV-powered RO brackish water desalination plant with solar stills. Desalination 1998, 116, 57–64. [Google Scholar] [CrossRef]
- Gocht, W.; Sommerfeld, A.; Rautenbach, R.; Melin, T.; Eilers, L.; Neskakis, A.; Herold, D.; Horstmann, V.; Kabariti, M.; Muhaidat, A. Decentralized desalination of brackish water by a directly coupled reverse-osmosis-photovoltaic-system—A pilot plant study in Jordan. Renew. Energy 1998, 14, 287–292. [Google Scholar] [CrossRef]
- Schäfer, A.; Remy, C.; Richards, B. Performance of a small solar-powered hybrid membrane system for remote communities under varying feedwater salinities. Water Supply 2004, 4, 233–243. [Google Scholar] [CrossRef]
- Richards, B.; Capão, D.; Schäfer, A. Renewable Energy Powered Membrane Technology. 2. The Effect of Energy Fluctuations on Performance of a Photovoltaic Hybrid Membrane System. Environ. Sci. Technol. 2008, 42, 4563–4569. [Google Scholar] [CrossRef]
- Richards, B.S.; Masson, L.; Schäfer, A.I. Impact of Feedwater Salinity on Energy Requirements of a Small-Scale Membrane Filtration System. In Appropriate Technologies for Environmental Protection in the Developing World: Selected Papers from ERTEP 2007, July 17–19 2007, Ghana, Africa; Yanful, E.K., Ed.; Springer: Dordrecht, The Netherlands, 2009; pp. 123–137. [Google Scholar] [CrossRef]
- Khayet, M.; Essalhi, M.; Armenta-Déu, C.; Cojocaru, C.; Hilal, N. Optimization of solar-powered reverse osmosis desalination pilot plant using response surface methodology. Desalination 2010, 261, 284–292. [Google Scholar] [CrossRef]
- Qiblawey, H.; Banat, F.; Al-Nasser, Q. Performance of reverse osmosis pilot plant powered by Photovoltaic in Jordan. Renew. Energy 2011, 36, 3452–3460. [Google Scholar] [CrossRef]
- Cherif, H.; Belhadj, J. Large-scale time evaluation for energy estimation of stand-alone hybrid photovoltaic–wind system feeding a reverse osmosis desalination unit. Energy 2011, 36, 6058–6067. [Google Scholar] [CrossRef]
- Park, G.L.; Schäfer, A.I.; Richards, B.S. Renewable energy powered membrane technology: The effect of wind speed fluctuations on the performance of a wind-powered membrane system for brackish water desalination. J. Membr. Sci. 2011, 370, 34–44. [Google Scholar] [CrossRef]
- Richards, B.S.; Park, G.L.; Pietzsch, T.; Schäfer, A.I. Renewable energy powered membrane technology: Brackish water desalination system operated using real wind fluctuations and energy buffering. J. Membr. Sci. 2014, 468, 224–232. [Google Scholar] [CrossRef]
- Richards, B.S.; Park, G.L.; Pietzsch, T.; Schäfer, A.I. Renewable energy powered membrane technology: Safe operating window of a brackish water desalination system. J. Membr. Sci. 2014, 468, 400–409. [Google Scholar] [CrossRef]
- Richards, B.S.; Capão, D.P.; Früh, W.G.; Schäfer, A.I. Renewable energy powered membrane technology: Impact of solar irradiance fluctuations on performance of a brackish water reverse osmosis system. Sep. Purif. Technol. 2015, 156, 379–390. [Google Scholar] [CrossRef]
- Ruiz-García, A.; de la Nuez-Pestana, I. A computational tool for designing BWRO systems with spiral wound modules. Desalination 2018, 426, 69–77. [Google Scholar] [CrossRef]
- Ruiz-García, A.; Carrascosa-Chisvert, M.D.; Mena, V.; Souto, R.M.; Santana, J.J.; Nuez, I. Groundwater Quality Assessment in a Volcanic Mountain Range (South of Gran Canaria Island, Spain). Water 2019, 11, 754. [Google Scholar] [CrossRef]
- Ruiz-García, A.; Ruiz-Saavedra, E.; Báez, S.O.P. Evaluation of the first seven years operating data of a RO brackish water desalination plant in Las Palmas, Canary Islands, Spain. Desalin. Water Treat. 2015, 54, 3193–3199. [Google Scholar] [CrossRef]
- Wijmans, J.; Baker, R. The solution-diffusion model: A review. J. Membr. Sci. 1995, 107, 1–21. [Google Scholar] [CrossRef]
- Al-Obaidi, M.; Kara-Zaitri, C.; Mujtaba, I. Scope and limitations of the irreversible thermodynamics and the solution diffusion models for the separation of binary and multi-component systems in reverse osmosis process. Comput. Chem. Eng. 2017, 100, 48–79. [Google Scholar] [CrossRef]
- Kucera, J. Reverse Osmosis: Industrial Processes and Applications; John Wiley & Sons: Hoboken, NJ, USA, 2015. [Google Scholar]
- Ruiz-García, A.; Feo-García, J. Estimation of maximum water recovery in RO desalination for different feedwater inorganic compositions. Desalin. Water Treat. 2017, 70, 34–45. [Google Scholar] [CrossRef]
- Solutions, D.W. Filmtec Reverse Osmosis Membranes Technical Manual; Dupont Water Solutions: Edina, MN, USA, 2020. [Google Scholar]








| Sample | pH | HCO3− | Cl− | SO42− | NO3− | Na | K+ | Ca2+ | Mg2+ | Fe2+ | SiO2 | T | |
|---|---|---|---|---|---|---|---|---|---|---|---|---|---|
| 1 | 7.05 | 175 | 2620 | 165 | 7.9 | 400 | 29 | 474 | 475 | 0.6 | 60.5 | 4407.00 | 25.20 |
| 2 | 6.94 | 155 | 2500 | 180 | 5.3 | 422 | 38 | 532 | 383 | 0.2 | 36 | 4251.50 | 25.60 |
| 3 | 7.37 | 175 | 2650 | 168 | 5.3 | 450 | 30 | 561 | 406 | 0.15 | 55.7 | 4501.15 | 25.00 |
| 4 | 7.48 | 100 | 2420 | 192 | 5.7 | 307 | 30 | 512 | 409 | 0.11 | 53.4 | 4029.21 | 25.10 |
| 5 | 7.24 | 122 | 1715 | 150 | 6.9 | 257 | 28 | 368 | 292 | 0.09 | 52.5 | 2991.49 | 24.90 |
| 6 | 7.27 | 216 | 2230 | 323 | 9.6 | 369 | 30 | 480 | 399 | 0.1 | 65 | 4121.70 | 25.50 |
| 7 | 7.05 | 190 | 3180 | 306 | 3 | 458 | 17 | 783 | 483 | 0.35 | 57 | 5477.35 | 25.30 |
| 8 | 7.05 | 167 | 2418 | 175 | 6 | 451 | 29 | 660 | 264 | 0.5 | 57 | 4227.50 | 25.00 |
| 9 | 7.03 | 92 | 2680 | 166 | 4.3 | 339 | 35 | 605 | 428 | 0.13 | 30 | 4379.43 | 24.80 |
| 10 | 7.46 | 287 | 2684 | 196 | 1 | 720 | 48 | 432 | 370 | 0.09 | 59 | 4797.09 | 25.40 |
| 11 | 7.10 | 304 | 3362 | 180 | 2.2 | 830 | 85 | 566 | 453 | 1 | 32 | 5815.20 | 25.70 |
| 12 | 7.10 | 305 | 3360 | 180 | 2 | 828 | 83 | 570 | 450 | 0.8 | 30 | 5808.80 | 25.00 |
| 13 | 7.40 | 184 | 2420 | 182 | 1.4 | 324 | 32 | 570 | 390 | 0.27 | 56.3 | 4159.97 | 25.20 |
| 14 | 7.10 | 185 | 2872 | 200 | 5 | 383 | 28.9 | 594 | 505 | 0.48 | 55.8 | 4829.18 | 25.10 |
| 15 | 7.80 | 155 | 2610 | 209 | 0.5 | 399 | 38.1 | 645 | 405 | 0.21 | 92.9 | 4554.71 | 25.00 |
| 16 | 7.40 | 152 | 2966 | 273 | 12.9 | 469 | 33.6 | 600 | 504 | 0.19 | 54.5 | 5065.19 | 24.80 |
| 17 | 6.90 | 260 | 3023 | 218 | 5 | 425 | 36.9 | 632 | 552 | 0.08 | 54.7 | 5206.68 | 24.60 |
| 18 | 7.70 | 173 | 2930 | 253 | 6.8 | 410 | 17 | 620 | 504 | 0.14 | 46 | 4959.94 | 25.70 |
| 19 | 7.00 | 170 | 2758 | 232 | 7.2 | 363 | 38.2 | 669 | 546 | 0.15 | 50.8 | 4834.35 | 25.50 |
| 20 | 7.60 | 215 | 484 | 85.6 | 13.6 | 208 | 11.7 | 76.8 | 78.1 | 0.094 | 45.9 | 1218.79 | 25.00 |
| 21 | 8.04 | 193 | 1831 | 150 | 8.36 | 468 | 22.5 | 395 | 323 | 0.17 | 52.1 | 3443.13 | 25.50 |
| 22 | 8.19 | 197 | 1715 | 148 | 8.1 | 622 | 28.6 | 423 | 308 | 0.11 | 34.2 | 3484.01 | 25.20 |
| 23 | 7.72 | 227 | 654 | 108 | 6.73 | 214 | 15.6 | 120 | 88.5 | 1.21 | 66.6 | 1501.64 | 25.10 |
| 24 | 7.58 | 196 | 2259 | 152 | 74.8 | 354 | 35.1 | 465 | 418 | 1.22 | 62.3 | 4017.42 | 25.00 |
| (g L−1) | |||||
|---|---|---|---|---|---|
| Configuration | 1.2 | 2.99 | 3.48 | 4.5 | 5.82 |
| 1.37–2.89 | 1.13–2.4 | 1.13–2.4 | 0.89–1.93 | 0.81–2.07 | |
| 2.73–4.57 | 2.26–3.71 | 2.26–3.71 | 1.78–2.90 | 1.91–3.39 | |
| 4.34–12.34 | 3.39–15.36 | 3.39–17.26 | 2.67–17 | 3.05–19.22 | |
| (g L−1) | |||||
|---|---|---|---|---|---|
| Configuration | 1.2 | 2.99 | 3.48 | 4.5 | 5.82 |
| 53.32–61.02 | 43.13–59.88 | 43.34–60.17 | 35.66–50.60 | 25.64–50.71 | |
| 69.92–80.91 | 52.28–66.78 | 52.45–66.96 | 41.58–52.85 | 32.27–50.76 | |
| 71.22–79.77 | 55.68–66.82 | 55.82–58.11 | 43.99–61.13 | 39.22–56.44 | |
© 2020 by the authors. Licensee MDPI, Basel, Switzerland. This article is an open access article distributed under the terms and conditions of the Creative Commons Attribution (CC BY) license (http://creativecommons.org/licenses/by/4.0/).
Share and Cite
Ruiz-García, A.; Nuez, I. On-Off Control Strategy in a BWRO System under Variable Power and Feedwater Concentration Conditions. Appl. Sci. 2020, 10, 4748. https://doi.org/10.3390/app10144748
Ruiz-García A, Nuez I. On-Off Control Strategy in a BWRO System under Variable Power and Feedwater Concentration Conditions. Applied Sciences. 2020; 10(14):4748. https://doi.org/10.3390/app10144748
Chicago/Turabian StyleRuiz-García, A., and I. Nuez. 2020. "On-Off Control Strategy in a BWRO System under Variable Power and Feedwater Concentration Conditions" Applied Sciences 10, no. 14: 4748. https://doi.org/10.3390/app10144748
APA StyleRuiz-García, A., & Nuez, I. (2020). On-Off Control Strategy in a BWRO System under Variable Power and Feedwater Concentration Conditions. Applied Sciences, 10(14), 4748. https://doi.org/10.3390/app10144748

