Research on Coordinated Control Strategy of DHT Mode Switching Based on Multiple Power Sources
Abstract
1. Introduction
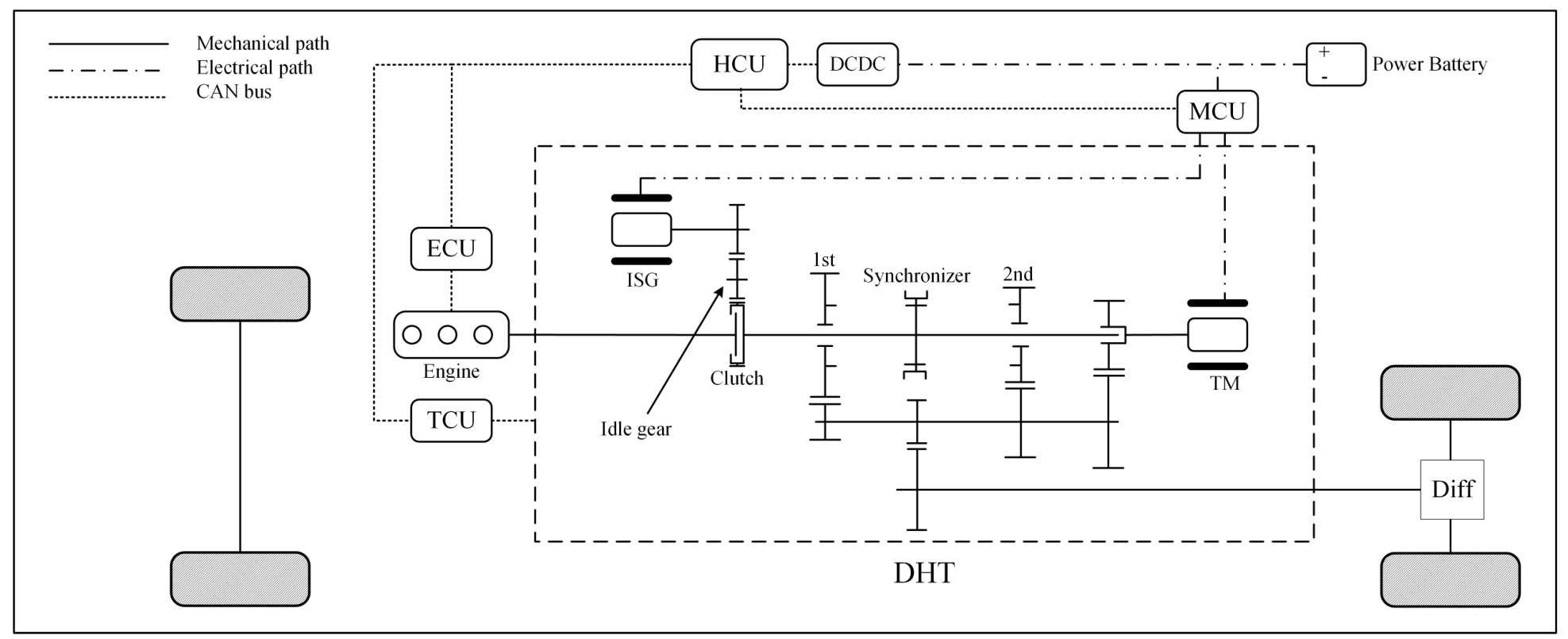
2. DHT Transmission System Structure
3. DHT Mode Switching Coordination Control Policy
3.1. Engine Automatic Speed Control
3.2. ISG Motor Assisted Speed Control
3.3. TM Motor Direct Torque Control and Clutch Engagement Oil Pressure Control
3.4. Simulation Verification
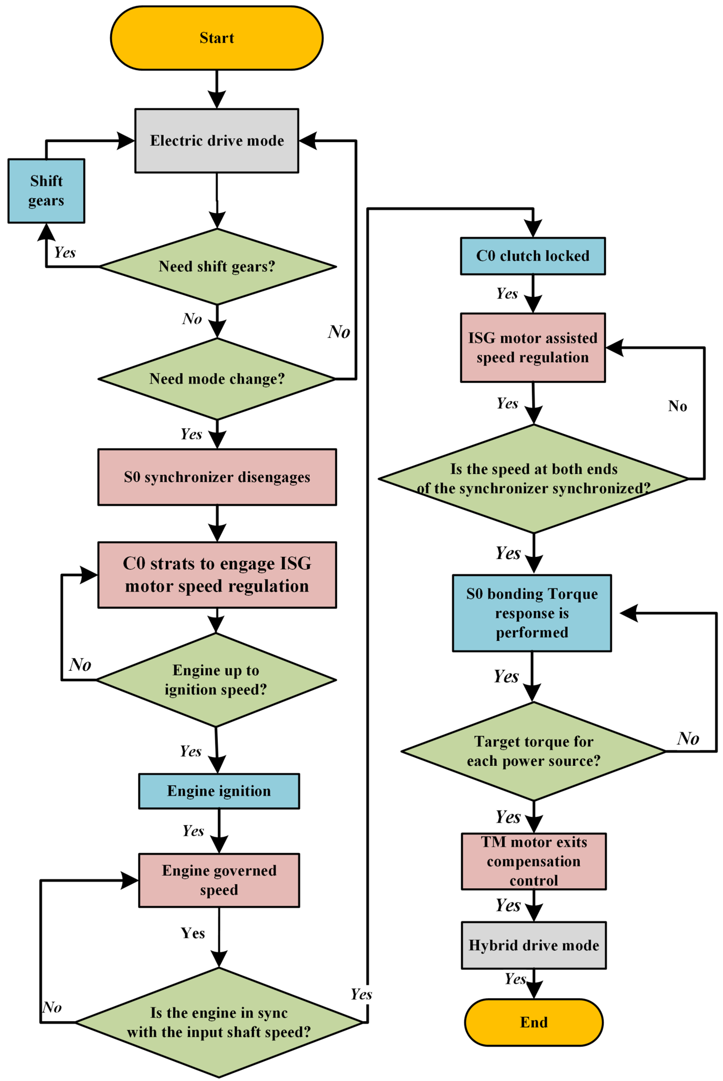
- In phase 1, the hybrid electric vehicle was in pure electric drive mode. At this time, the clutch was separated, the synchronizer was in gear, and the ISG motor and TM motor drove the wheel together.
- When the speed reached about 20 km/h, the mode switched into the second stage. At this time, the synchronizer was placed in neutral, the clutch entered the slippery state, and the torque distributed by the engine and ISG motor was gradually replaced by the TM motor.
- In phase 3, when the engine speed reached 750 r/min through the sliding of the clutch , the engine started its ignition and carried out automatic speed regulation, assisted by the ISG motor. Other components were in the same state as in phase 2.
- At the fourth stage, when the speed difference between the two sides of the clutch was less than 20 r/min, the clutch would be locked, the ISG motor would speed up, and the synchronizer would start to enter a gear.
- When the synchronizer was placed in gear, the speed of each power source was synchronized, but the output torque was still in a state of delayed response.
- When each power source increased gradually to meet the demand torque, torque redistribution was complete, and the hybrid electric vehicle entered hybrid drive mode. Here, stage 6 ends.
3.5. Experimental Verification
4. Conclusions
Author Contributions
Funding
Institutional Review Board Statement
Informed Consent Statement
Data Availability Statement
Conflicts of Interest
Nomenclature
| Abbreviation | Explanation |
| MPC | Model predictive control |
| DHT | Dedicated hybrid transmission |
| ADRC | Active disturbance rejection control |
| PI | Proportion-integration |
| ISG | Integrated starter and generator |
| AMT | Automatic mechanical transmission |
| TM | Traction motor |
| ISO | International Standards Organization |
| ESO | Extended state observation |
| TD | Tracker differential |
| NLSEF | Nonlinear state error feedback |
| WLTC | World Light Vehicle Test Cycle |
References
- Lisowski, S.; Berger, M.; Caspers, J.; Mayr-Rauch, K.; Bäuml, G.; Finkbeiner, M. Criteria-based approach to select relevant environmental SDG indicators for the automobile industry. Sustainability 2020, 12, 8811. [Google Scholar] [CrossRef]
- Ganesan, A.; Gros, S.; Murgovski, N. Numerical strategies for mixed-integer optimization of power-split and gear selection in hybrid electric vehicles. IEEE Trans. Intell. Transp. Syst. 2022, 24, 3194–3210. [Google Scholar] [CrossRef]
- Li, C.; Xu, X.; Zhu, H.; Gan, J.; Chen, Z.; Tang, X. Research on car-following control and energy management strategy of hybrid electric vehicles in connected scene. Energy 2024, 293, 130586. [Google Scholar] [CrossRef]
- Bo, L.; Han, L.; Xiang, C.; Liu, H.; Ma, T. A real-time energy management strategy for off-road hybrid electric vehicles based on the expected SARSA. Proc. Inst. Mech. Eng. Part D J. Automob. Eng. 2023, 237, 362–380. [Google Scholar] [CrossRef]
- Tang, X.; Yang, K.; Wang, H.; Yu, W.; Yang, X.; Liu, T.; Li, J. Driving environment uncertainty-aware motion planning for autonomous vehicles. Chin. J. Mech. Eng. 2022, 35, 120. [Google Scholar] [CrossRef]
- Yang, K.; Tang, X.; Qin, Y.; Huang, Y.; Wang, H.; Pu, H. Comparative study of trajectory tracking control for automated vehicles via model predictive control and robust H-infinity state feedback control. Chin. J. Mech. Eng. 2021, 34, 74. [Google Scholar] [CrossRef]
- Rajan, R.S.; Yu, Y.; Richert, F. Impact of cost-optimized dedicated hybrid transmission (DHT) constraints on powertrain optimal control. Proc. Inst. Mech. Eng. Part D J. Automob. Eng. 2022, 236, 987–1006. [Google Scholar] [CrossRef]
- Kim, H.; Kim, J.; Lee, H. Mode transition control using disturbance compensation for a parallel hybrid electric vehicle. Proc. Inst. Mech. Eng. Part D J. Automob. Eng. 2011, 225, 150–166. [Google Scholar] [CrossRef]
- Chen, H.; Li, L.; Küçükay, F. Study of series-parallel and power-split DHT for hybrid powertrains. Automot. Innov. 2021, 4, 23–33. [Google Scholar] [CrossRef]
- Tran, D.D.; Vafaeipour, M.; El Baghdadi, M.; Barrero, R.; Van Mierlo, J.; Hegazy, O. Thorough state-of-the-art analysis of electric and hybrid vehicle powertrains: Topologies and integrated energy management strategies. Renew. Sustain. Energy Rev. 2020, 119, 109596. [Google Scholar] [CrossRef]
- Zhuang, W.; Li, S.; Zhang, X.; Kum, D.; Song, Z.; Yin, G.; Ju, F. A survey of powertrain configuration studies on hybrid electric vehicles. Appl. Energy 2020, 262, 114553. [Google Scholar] [CrossRef]
- Wang, J.; Cai, Y.; Chen, L.; Shi, D.; Wang, R.; Zhu, Z. Review on multi-power sources dynamic coordinated control of hybrid electric vehicle during driving mode transition process. Int. J. Energy Res. 2020, 44, 6128–6148. [Google Scholar] [CrossRef]
- García, A.; Carlucci, P.; Monsalve-Serrano, J.; Valletta, A.; Martínez-Boggio, S. Energy management strategies comparison for a parallel full hybrid electric vehicle using Reactivity Controlled Compression Ignition combustion. Appl. Energy 2020, 272, 115191. [Google Scholar] [CrossRef]
- Lin, Y.; Qin, D.; Liu, Y.; Yang, Y. Control strategy for all the mode-switches of hybrid electric vehicle. Adv. Mech. Eng. 2016, 8, 1687814016681233. [Google Scholar] [CrossRef]
- Wang, S.; Xia, B.; He, C.; Zhang, S.; Shi, D. Mode transition control for single-shaft parallel hybrid electric vehicle using model predictive control approach. Adv. Mech. Eng. 2018, 10, 1687814018775883. [Google Scholar] [CrossRef]
- Xu, X.; Liang, Y.; Jordan, M.; Tenberge, P.; Dong, P. Optimized control of engine start assisted by the disconnect clutch in a P2 hybrid automatic transmission. Mech. Syst. Signal Process. 2019, 124, 313–329. [Google Scholar] [CrossRef]
- Zhao, C.; Zu, B.; Xu, Y.; Wang, Z.; Zhou, J.; Liu, L. Design and analysis of an engine-start control strategy for a single-shaft parallel hybrid electric vehicle. Energy 2020, 202, 117621. [Google Scholar] [CrossRef]
- Dong, P.; Wu, S.; Guo, W.; Xu, X.; Wang, S.; Liu, Y. Coordinated clutch slip control for the engine start of vehicles with P2-hybrid automatic transmissions. Mech. Mach. Theory 2020, 153, 103899. [Google Scholar] [CrossRef]
- Li, G.; Görges, D. Optimal integrated energy management and shift control in parallel hybrid electric vehicles with dual-clutch transmission. Proc. Inst. Mech. Eng. Part D J. Automob. Eng. 2020, 234, 599–609. [Google Scholar] [CrossRef]
- Kim, S.; Choi, S.B. Cooperative control of drive motor and clutch for gear shift of hybrid electric vehicles with dual-clutch transmission. IEEE/ASME Trans. Mechatron. 2020, 25, 1578–1588. [Google Scholar] [CrossRef]
- Fu, J.; Fu, Z.; Song, S. Model predictive control-based control strategy to reduce driving-mode switching times for parallel hybrid electric vehicle. Trans. Inst. Meas. Control 2021, 43, 167–177. [Google Scholar] [CrossRef]
- Yakhshilikova, G.; Ruzimov, S.; Ezemobi, E.; Tonoli, A.; Amati, N. Development of optimization based control strategy for P2 hybrid electric vehicle including transient characteristics of engine. Appl. Sci. 2022, 12, 2852. [Google Scholar] [CrossRef]
- Kong, W.; Wang, J.; Kong, D.; Cong, Y.; Feng, S. Motor shifting and torque distribution control of a multi-motor driving system in electric construction vehicles. Adv. Mech. Eng. 2021, 13, 16878140211028446. [Google Scholar] [CrossRef]
- Vu, T.M.; Moezzi, R.; Cyrus, J.; Hlava, J.; Petru, M. Automatic clutch engagement control for parallel hybrid electric vehicle. Energies 2021, 14, 7256. [Google Scholar] [CrossRef]
- Zhou, S.; Walker, P.; Tian, Y.; Zhang, N. Mode switching analysis and control for a parallel hydraulic hybrid vehicle. Veh. Syst. Dyn. 2021, 59, 928–948. [Google Scholar] [CrossRef]
- Li, C.; Zhou, C.; Xiong, J.; Li, X.; Zhou, Y. Engine Start-Up Torque Coordinated Control for Multimode Hybrid Electric Vehicle Equipped with a Two-Speed Dedicated Hybrid Transmission. Shock Vib. 2024, 2024, 1741934. [Google Scholar] [CrossRef]
- Huang, C.; Du, C.; Li, L.; Gongye, X.; Zhao, Y. Torsional vibration suppression during mode transition process in a parallel hybrid electric vehicle based on multiple model predictive control. IEEE Access 2024, 12, 197400–197411. [Google Scholar] [CrossRef]
- Robuschi, N.; Salazar, M.; Viscera, N.; Braghin, F.; Onder, C.H. Minimum-fuel energy management of a hybrid electric vehicle via iterative linear programming. IEEE Trans. Veh. Technol. 2020, 69, 14575–14587. [Google Scholar] [CrossRef]
- Yang, K.; Tang, X.; Qiu, S.; Jin, S.; Wei, Z.; Wang, H. Towards robust decision-making for autonomous driving on highway. IEEE Trans. Veh. Technol. 2023, 72, 11251–11263. [Google Scholar] [CrossRef]
- Tang, X.; Yang, Y.; Liu, T.; Lin, X.; Yang, K.; Li, S. Path planning and tracking control for parking via soft actor-critic under non-ideal scenarios. IEEE/CAA J. Autom. Sin. 2023, 11, 181–195. [Google Scholar] [CrossRef]
- Geng, C.; Ning, D.; Guo, L.; Xue, Q.; Mei, S. Simulation research on regenerative braking control strategy of hybrid electric vehicle. Energies 2021, 14, 2202. [Google Scholar] [CrossRef]
- Zhang, Y.; Wang, W.; Xiang, C.; Yang, C.; Peng, H.; Wei, C. A swarm intelligence-based predictive regenerative braking control strategy for hybrid electric vehicle. Veh. Syst. Dyn. 2022, 60, 973–997. [Google Scholar] [CrossRef]
- Tang, X.; Zhong, G.; Li, S.; Yang, K.; Shu, K.; Cao, D.; Lin, X. Uncertainty-aware decision-making for autonomous driving at uncontrolled intersections. IEEE Trans. Intell. Transp. Syst. 2023, 24, 9725–9735. [Google Scholar] [CrossRef]
- Chen, Y.; Li, S.; Tang, X.; Yang, K.; Cao, D.; Lin, X. Interaction-Aware Decision-Making for Autonomous Vehicles. IEEE Trans. Transp. Electrif. 2023, 9, 4704–4715. [Google Scholar] [CrossRef]
- Tang, X.; Chen, J.; Yang, K.; Toyoda, M.; Liu, T.; Hu, X. Visual detection and deep reinforcement learning-based car following and energy management for hybrid electric vehicles. IEEE Trans. Transp. Electrif. 2022, 8, 2501–2515. [Google Scholar] [CrossRef]
- Zhu, Z.; Tang, X.; Qin, Y.; Huang, Y.; Hashemi, E. A survey of lateral stability criterion and control application for autonomous vehicles. IEEE Trans. Intell. Transp. Syst. 2023, 24, 10382–10399. [Google Scholar] [CrossRef]
- Barlybayev, A.; Turginbayeva, A. Development and Implementation of an Advanced Fuzzy Expert System for the Assessment of Information Security Risks. J. Comput. Cogn. Eng. 2025, 4, 570–580. [Google Scholar] [CrossRef]
- Dalal, S.; Rani, U.; Lilhore, U.K.; Dahiya, N.; Batra, R.; Nuristani, N.; Le, D.N. Optimized xgboost model with whale optimization algorithm for detecting anomalies in manufacturing. J. Comput. Cogn. Eng. 2025, 4, 413–423. [Google Scholar] [CrossRef]
- Lopes, W.A.C.; Rusteiko, A.C.; Mendes, C.R.; Honório, N.V.C.; Okano, M.T. Optimization of new project validation protocols in the automotive industry: A simulated environment for efficiency and effectiveness. J. Comput. Cogn. Eng. 2025, 4, 343–354. [Google Scholar] [CrossRef]

















| Item | ||
|---|---|---|
| ENG | Max. torque () | 210 N·m |
| ISG | Max. torque () | 150 N·m |
| Rated speed () | 12,000 r/min | |
| Gear ratio () | 1.644 | |
| TM | Max. torque () | 225 N·m |
| Rated speed () | 12,000 r/min | |
| Gear ratio () | 2.024 | |
| AMT | Gear ratios () | 1.553/0.873 |
| Item | Parameter |
|---|---|
| Total mass (m) | 1889 kg |
| Wheel rolling radius (r) | 371 mm |
| Coefficient of air resistance () | 0.395 |
| Windward area (A) | 2.705 m2 |
| Coefficient of rolling resistance (f) | 0.014 |
| Main reducer transmission ratio () | 3.941 |
| Item | Result |
|---|---|
| Switching coordination time | 1.26 s |
| Slipping friction work of clutch | 1.54 kJ |
| Maximum acceleration of vehicle | 2.59 m/s2 |
| Maximum jerk of vehicle | 7.54 m/s3 |
Disclaimer/Publisher’s Note: The statements, opinions and data contained in all publications are solely those of the individual author(s) and contributor(s) and not of MDPI and/or the editor(s). MDPI and/or the editor(s) disclaim responsibility for any injury to people or property resulting from any ideas, methods, instructions or products referred to in the content. |
© 2026 by the authors. Licensee MDPI, Basel, Switzerland. This article is an open access article distributed under the terms and conditions of the Creative Commons Attribution (CC BY) license.
Share and Cite
Zhang, Z.; Yang, H.; Wang, X.; Chen, Z.; Qing, H.; Tang, X. Research on Coordinated Control Strategy of DHT Mode Switching Based on Multiple Power Sources. Actuators 2026, 15, 217. https://doi.org/10.3390/act15040217
Zhang Z, Yang H, Wang X, Chen Z, Qing H, Tang X. Research on Coordinated Control Strategy of DHT Mode Switching Based on Multiple Power Sources. Actuators. 2026; 15(4):217. https://doi.org/10.3390/act15040217
Chicago/Turabian StyleZhang, Zhigang, Hao Yang, Xiaosong Wang, Zhige Chen, Hai Qing, and Xiaolin Tang. 2026. "Research on Coordinated Control Strategy of DHT Mode Switching Based on Multiple Power Sources" Actuators 15, no. 4: 217. https://doi.org/10.3390/act15040217
APA StyleZhang, Z., Yang, H., Wang, X., Chen, Z., Qing, H., & Tang, X. (2026). Research on Coordinated Control Strategy of DHT Mode Switching Based on Multiple Power Sources. Actuators, 15(4), 217. https://doi.org/10.3390/act15040217

