Next Article in Journal
The Potential of Shape Memory Alloys in Riveting Applications
Previous Article in Journal
Displaying Tactile Sensation by SMA-Driven Vibration and Controlled Temperature for Cutaneous Sensation Assessment
 
 
Font Type:
Arial Georgia Verdana
Font Size:
Aa Aa Aa
Line Spacing:
Column Width:
Background:
Article

A Novel Chaotic Particle Swarm Optimized Backpropagation Neural Network PID Controller for Four-Switch Buck–Boost Converters

by
Luoyao Ren
,
Dazhi Wang
*,
Xin Yan
,
Yupeng Zhang
and
Jiaxing Wang
College of Information Science and Engineering, Northeastern University, Shenyang 110819, China
*
Author to whom correspondence should be addressed.
Actuators 2024, 13(11), 464; https://doi.org/10.3390/act13110464
Submission received: 15 October 2024 / Revised: 11 November 2024 / Accepted: 16 November 2024 / Published: 19 November 2024
(This article belongs to the Section Control Systems)

Abstract

The emergence of intelligent control strategies has made optimization techniques essential for the precise control of DC converters. This study aims to enhance the performance of the Four-Switch Buck–Boost (FSBB) converter through control system optimization. Backpropagation neural networks (BPNNs) have been widely used for optimizing proportional–integral–derivative (PID) controllers. To further improve the FSBB control system, particle swarm optimization (PSO) is employed to optimize the BPNN, reducing dynamic response time and enhancing robustness. Despite these advantages, the PSO method still suffers from limitations, such as slow convergence and poor stability. To address these challenges, chaotic optimization algorithms are integrated with BPNN. The chaotic particle swarm optimization (CPSO) algorithm enhances the global search capability, enabling a faster system response and minimizing overvoltage. This hybrid CPSO-BPNN approach refines the optimization process, leading to more precise control of the FSBB converter. The simulation results show that the CPSO-BPNN-PID controller reaches a steady state more quickly and exhibits superior performance compared to traditional PID controllers.

1. Introduction

The Four-Switch Buck–Boost (FSBB) converter represents a highly versatile DC-DC converter topology, capable of efficiently handling a wide range of input and output voltage levels [1,2]. In recent years, the FSBB converter has gained significant attention due to its versatility and ability to operate in both buck and boost modes. Numerous studies have explored various aspects of FSBB converters, including their design, control strategies, and applications. As a result, the converter is considered a crucial component in various power electronics applications. For example, ref. [3] provides an extensive analysis of FSBB converter topologies and their advantages in applications such as renewable energy systems and electric vehicles, where a wide input voltage range is required. In [4], The article presents an improved control strategy for the Four-Switch Buck–Boost (FSBB) converter, focusing on enhancing efficiency across a wide conversion ratio. The advantages include improved efficiency through Zero Voltage Switching (ZVS) for all switches, seamless mode transitions, and the elimination of dead zones, which enhances output voltage regulation and stability. The flexible strategy is implemented in a real-time digital controller without needing pre-calculated lookup tables. However, it also involves complex implementation, requiring precise control of the duty cycle and phase shift, and necessitates high-speed components, increasing costs. Despite a constant switching frequency, the wide range of operating conditions may still present challenges in electromagnetic compatibility (EMC) design. Overall, the strategy significantly boosts performance but introduces complexity and design challenges. Additionally, ref. [5] discusses a sliding-mode control (SMC) method for stabilizing a boost converter under constant power loading (CPL) conditions. The main advantages of this approach include robust performance, fast response, and independence from the converter parameters. SMC effectively combines unstable ON and OFF state trajectories to achieve a stable converter dynamics, offering a good trade-off between response speed and inrush current. However, challenges include potential complexity in implementation and the requirement for precise tuning of the control parameters to ensure stability and optimal performance.
Attaining precise and stable control of the FSBB converter presents a significant challenge, primarily due to its highly nonlinear dynamics, variable operating conditions, and the necessity for rapid transient response. While traditional proportional–integral–derivative (PID) controllers have been widely employed to regulate FSBB converters, they frequently prove inadequate in terms of adaptability and robustness, particularly when subjected to varying load and input conditions. To address these limitations, backpropagation neural networks (BPNNs) have emerged as a powerful tool for optimizing PID controllers [6]. BPNNs are capable of learning and adapting to the dynamic characteristics of the FSBB converter, thereby enhancing the performance of the control system. Nevertheless, while BPNNs offer considerable potential, they can be prone to issues such as slow convergence and local minima, which may result in suboptimal control performance.
To overcome these challenges, particle swarm optimization (PSO), a population-based optimization technique inspired by the social behavior of birds, has been integrated with BPNN with the objective of enhancing its ability to find optimal control parameters [7]. The incorporation of PSO into BPNN-based controllers has resulted in enhanced performance, particularly in terms of convergence speed and accuracy. However, PSO algorithms may still demonstrate premature convergence and restricted global search capabilities, particularly in intricate, high-dimensional search spaces.
In this context, the introduction of chaos theory into PSO algorithms represents a promising avenue for further research. Chaotic particle swarm optimization (CPSO) employs the intrinsic randomness and unpredictability of chaotic systems to augment the global search capacity of the PSO algorithm, thus circumventing premature convergence and enhancing stability. Chaotic systems possess intrinsic properties such as sensitivity to initial conditions, topological mixing, and periodic orbital densities, which can be skillfully exploited to traverse the search space chaotically, increasing the probability of reaching the global optimum or better approximating a given cost function [8]. Chaotic logistic maps are used not only to replace the two random parameters that influence the convergence behavior but also for chaotic local searches of the global optimum, thus easily avoiding premature convergence of the particles throughout the search space. Although these phenomena may appear as arbitrary patterns, they are, in fact, conditionally deterministic and recurrently traversed throughout the search space. These properties have attracted considerable interest from the scientific community, with researchers and practitioners worldwide employing chaos theory to investigate the challenges of control, synchronization, prediction, and optimization of nonlinear dynamical systems. The conjunction of chaos theory and heuristics in optimization has given rise to a significant body of research, with numerous studies conducted in recent years on chaotic optimization heuristics. For example, one study proposes a methodology for improving the search capability of particle swarms by integrating chaotic logic and adaptive inertia weighting factors into PSO [9]. To address the issue of power load forecasting, the article employs the chaotic PSO algorithm in the context of vector regression model selection [10]. Another study proposes an enhanced PSO algorithm with intergroup interactive learning strategies, inspired by the interactive learning behaviors observed between different groups in human society [11].
In summary, the performance of optimization algorithms can be drastically improved with chaotic mapping, where evolutionary variables are closely associated with chaotic attractors and bumps. The general idea is to map the relevant variables or sets in the problem from the chaotic space to the search space and then use chaotic traversal orbits to search for optimal values instead of using random orbits. Several optimization algorithms, including Genetic Algorithms (GAs), Reconciliation Algorithms, PSO, Artificial Bee Colony (ABC), Firefly Algorithms (FA), Ant Colony Optimization (ACO), and Bacterial Foraging Optimization Algorithms (BFOA), can be enhanced through the introduction of chaotic algorithms [12,13,14,15,16].
The objective of the proposed CPSO-BPNN-PID controller is to achieve precise, robust, and rapid control of the FSBB converter by integrating CPSO with BPNN-based PID controllers. This novel approach not only accelerates the convergence process but also enhances the overall stability and dynamic response of the control system. This paper examines the deployment of the CPSO-BPNN-PID controller in the context of the FSBB converter, with a particular focus on the efficacy of this approach as demonstrated through comprehensive simulations. The results demonstrate that the proposed controller achieves a faster and more stable steady-state response compared to classical PID controllers, thereby validating the effectiveness of the CPSO-BPNN approach in optimizing the performance of FSBB converters.
In this paper, a neural network is used to dynamically adjust the PID controller parameters in real time according to the current system state. The innovative use of the CPSO algorithm for optimizing the weights of the BPNN ensures that the network can effectively generalize and adapt to different operating conditions. The following sections of the paper are organized as follows: Section 2 presents an analysis of the operating modes and mathematical modeling of the FSBB converter. Section 3 discusses the BPNN-based PID controller. Section 4 details the use of CPSO to optimize the controller. The results of the simulation and experimental studies on closed-loop control are presented in Section 5. Section 6 provides a summary of the findings of the study.

2. Establishment of FSBB Converter Model

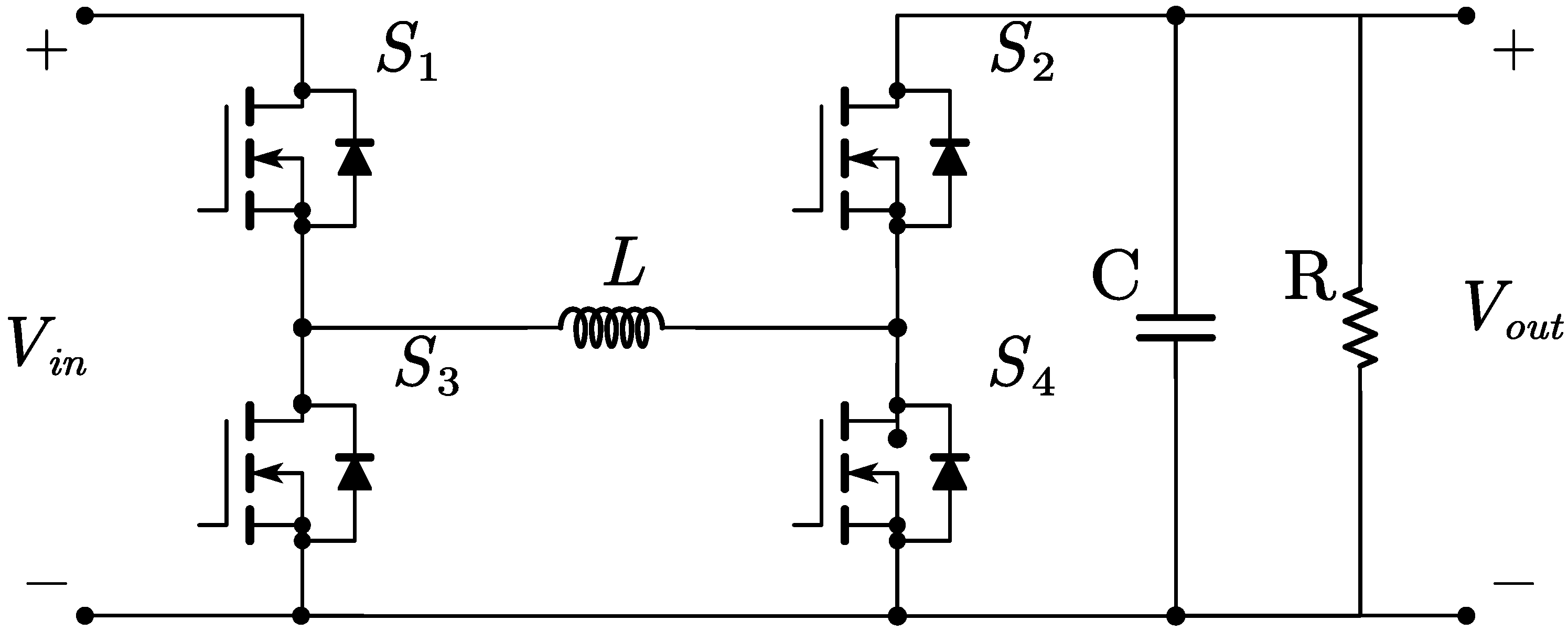
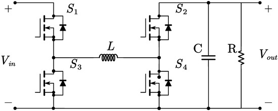
The FSBB converter is a highly versatile power electronic device, capable of operating in multiple modes to achieve both step-up (boost) and step-down (buck) voltage conversion, as well as a combination of both. The FSBB converter circuit is shown in Figure 1. The versatility of the FSBB converter makes it an optimal choice for applications that necessitate a wide range of input and output voltage levels, including renewable energy systems, battery management systems, and electric vehicles. A comprehensive understanding of the converter’s operational modes and associated control strategies is essential for achieving optimal performance.

2.1. Review of FSBB Converter Operation Modes

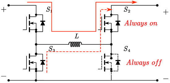
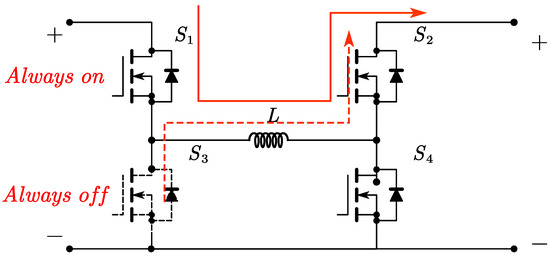
In the Buck mode, as shown in Figure 2, the FSBB converter operates to reduce the input voltage to a lower output voltage. This mode is selected when the desired output voltage is less than the input voltage. During this operational phase, the converter functions similarly to a conventional buck converter, but with the added flexibility afforded by the four-switch topology.
Switches S1 and S3 are primarily used to control the voltage conversion. S1 is turned on to allow current to flow through the inductor L, storing energy while increasing the inductor current. When S1 is turned off, S3 is turned on, allowing the inductor to release its stored energy to the load through the output capacitor C. The duty cycle of S1 is adjusted based on the desired output voltage. A PID controller is typically employed to maintain output voltage regulation by adjusting the duty cycle in response to alterations in load or input voltage.
In Boost mode, as shown in Figure 3, the FSBB converter increases the input voltage to a higher output voltage. This mode is used when the output voltage requirement exceeds the input voltage level.
Switches S2 and S4 are primarily involved in this mode. S2 is turned on to allow current to flow through the inductor L, storing energy. When S2 is turned off, S4 is turned on, and the energy stored in the inductor is released to the output, boosting the voltage across the load. The duty cycle of S2 is adjusted to control the output voltage. As with the Buck mode, a PID controller may be employed to regulate the output voltage by modulating the duty cycle in accordance with the feedback received from the output voltage.
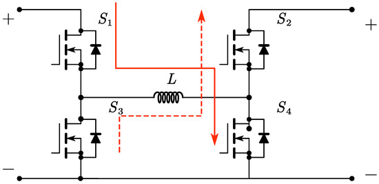
The Buck–Boost mode is a distinctive feature of the FSBB converter, as shown in Figure 4, enabling both step-up and step-down voltage conversion contingent on the specific duty cycle applied. This mode is particularly advantageous in scenarios where the input voltage is close to the desired output voltage or when the input voltage exhibits considerable variability.
The FSBB converter combines the Buck and Boost operations by alternately switching between S1, S2, S3 and S4. Initially, S1 and S4 are turned on to store energy in the inductor, similar to Buck mode. Subsequently, S2 and S3 are turned on, allowing the stored energy to be released to the output, boosting the voltage if necessary. The control in Buck–Boost mode is more complex due to the dual nature of the operation. To achieve optimal control, advanced techniques such as a backpropagation neural network (BPNN) optimized with particle swarm optimization (PSO) are often employed to dynamically adjust the duty cycles of the switches. The control strategy must balance the two modes to attain the desired output voltage while minimizing losses and ensuring stability.

2.2. Mathematical Modeling of FSBB Converter

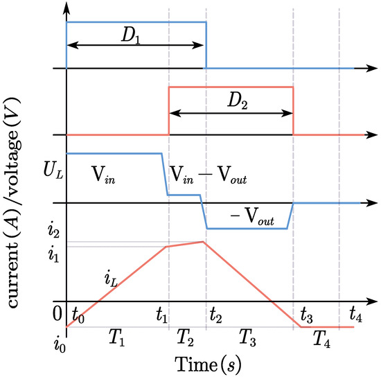
In a DC converter system, it is essential to ensure that the output voltage remains stable when the input voltage or load size changes. To achieve this, a closed-loop feedback mechanism must be incorporated to facilitate the adjustment of the converter’s duty cycle. The FSBB converter is capable of operating in three distinct modes over a broad input range. To achieve closed-loop control of the system over this entire input range, it is necessary to construct a small-signal model for each of the three modes and design the controller. Once the controller parameters have been designed, the static and dynamic characteristics of the system can be tested through closed-loop simulation to ascertain the reasonableness of the controller design. D1 is the input duty cycle and D2 is the output duty cycle.
Figure 5 illustrates the principal waveforms of the FSBB converter. The subsequent equations can be derived through an analysis of the operational modes:
i L = A 11 × i g + A 12 × v o + B 11 × v i n v ˙ o = A 12 × i g + A 22 × v o + B 21 × v i n i L = i g
By analyzing the key waveforms of the converter, the parameters in Equation (1) are obtained and presented in Table 1. The table lists the values in Matrix A and Matrix B for the four time periods in a cycle (T1, T2, T3, T4), where A = [A11 A12; A21 A22] and B = [B11; B21].
The averaged model is obtained by integrating the duty cycles (D1, D2) over the specified period and subsequently averaging the resulting equations:
i L = d 2 1 L × v o + d 1 L × v i n v ˙ o = 1 d 2 C i L + 1 R C × v o
The introduction of a minor signal disturbance is proposed as a means of:
v o = V o + v o s i L = I L + i L s v i = V i + v i s d 1 = D 1 + d 1 s d 2 = D 2 + d 2 s
It can be assumed that the steady-state DC component is significantly larger than the AC perturbation.
V o v o s I L i L s V i v i s D 1 d 1 s D 2 d 2 s
The conversion of Equation (2) to the s-domain via Laplace transformation, collapsing and simplifying, and the neglect of higher-order AC terms yield the following result:
s × i L s = D 2 1 × v o s + V o × d 2 s L V o + v o s + D 1 × v i s + V i × d 1 s L s × v o s = d 2 s × I L + 1 D 2 × i L s C v o s R C
The FSBB converter control-output transfer function G v d ( s ) can be derived from Equation (5).
G v d s = v o s d 1 s = V i 1 D 2 D 2 2 1 L s + L R C s 2

3. Controller Design and Optimization

3.1. Proportional–Integral–Derivative Controller

The proportional–integral–derivative (PID) controller is one of the most prevalent control strategies in industrial applications, largely due to its simplicity and effectiveness. Figure 6 provides a visual illustration of the PID controller’s structure.
In the context of the FSBB converter, the PID controller is responsible for regulating the output voltage by adjusting the duty cycle of the converter’s switches in response to deviations from the desired voltage set-point. The PID controller operates based on three fundamental components [17] as set out in the following three paragraphs.
Proportional (P): This provides an output that is proportional to the current error e t = V r e f V o ( t ) , where V r e f is the reference voltage and V o ( t ) is the output voltage. The proportional gain K p determines the responsiveness of the controller.
Integration (I): The integration of the error over time provides a corrective action based on the accumulated error. The integral gain K i is instrumental in the elimination of steady-state error.
Derivative (D): This provides a prediction of future error based on its rate of change, helping to dampen the system’s response and reduce overshoot. The derivative gain K d controls the damping effect.
The output of the PID controller u ( t ) is given by:
u t = K p e t + K i 0 t e ( τ ) d τ + K d d e ( t ) d t
Although the PID controller is effective for many applications, it has limitations when applied to nonlinear systems such as the FSBB converter. These limitations include sensitivity to parameter variations and external disturbances, difficulty in tuning the PID parameters for optimal performance, and an inability to handle significant changes in operating conditions without requiring retuning [18,19]. These limitations provide the impetus for the development of more sophisticated control strategies, such as the PID controller based on backpropagation neural networks, which will be discussed in the following section.

3.2. PID Controller Based on BPNN

The backpropagation neural network (BPNN) is a specific type of artificial neural network that employs supervised learning to modify its weights based on the discrepancy between the predicted output and the actual output. In the context of FSBB converters, BPNNs can be employed to dynamically adjust the PID controller parameters, thereby enhancing the controller’s adaptability and performance [20,21]. The BPNN−PID controller structure is shown in Figure 7.
The main objective of the training process was to map the system’s error signal (i.e., the difference between the reference output voltage and the actual output voltage) to the appropriate PID parameters (Kp, Ki, and Kd). These parameters were optimized to minimize the error and improve dynamic response, overshoot, and settling time.
The BPNN used in the PID controller has the following configuration.
Input Layer: The input to the BPNN consists of the error signal e(t) (the difference between the reference voltage and the actual output voltage) and the change in error Δe(t) over time.
Hidden Layers: The neural network has one hidden layers, each consisting of three neurons. A sigmoid activation function was used for the hidden layers to introduce nonlinearity into the system and enable the network to learn complex mappings between the input error signal and the PID parameters.
Output Layer: The output layer consists of three neurons, representing the proportional gain Kp, the integral gain Ki, and the derivative gain Kd of the PID controller. The output layer uses a linear activation function, as the PID parameters are continuous values.
Training Algorithm: The training of the BPNN was carried out using the Levenberg–Marquardt algorithm, which is an efficient method for training feedforward neural networks. The performance of the network was evaluated using the Mean Squared Error (MSE) as the loss function, and the training process was stopped when the MSE reached a pre-defined threshold or after a maximum number of iterations.
Training Data: The training data were generated using MATLAB/Simulink simulations of the FSBB converter.
The configuration of the neural network used is shown in Table 2.
The BPNN outputs are used to dynamically adjust the PID parameters as follows:
K p t = f p e t , Δ e t K i t = f i e t , Δ e t K d t = f d e t , Δ e t
where fp, fi, and fd are the functions learned by the BPNN.
The block diagram of the BPNN-PID algorithm is presented in Figure 8.

4. CSPO-Improved Backpropagation Neural Networks for PID Controller

4.1. BPNN-PID for PSO Optimization

Particle swarm optimization (PSO) is a population-based stochastic optimization algorithm inspired by the social behavior of flocking birds and schooling fish. PSO optimizes a problem through an iterative process that improves a candidate solution based on a given quality measure, expressed through an objective function. The algorithm works by initializing a swarm of particles, where each particle represents a potential solution within the search space.
The velocity of each particle serves to determine both the direction and the magnitude of movement within the search space. The particles traverse the search space by modifying their velocities and positions in accordance with their own optimal experience and that of the collective. The velocity and position of each particle are updated according to the following equations:
v i k + 1 = w v i k + c 1 r 1 p i b e s t x i k + c 2 r 2 g b e s t x i k
x i k + 1 = x i k + v i k + 1
where v i k is the velocity of particle i at iteration k; x i k is the position of particle i at iteration k; p i b e s t is the best position found by particle i is so far; g b e s t is the best position found by any particle in the swarm; w is the inertia weight, controlling the influence of the previous velocity; c1 and c2 are cognitive and social coefficients, which determine the relative influence of personal and global best positions, respectively; and r1 and r2 are random numbers uniformly distributed in the range [0, 1].
The PSO process is shown in Figure 9.
In the context of PID controller design, the PSO algorithm is used to optimize three parameters: K p , K i , and K d . The fitness function is designed to evaluate the PID controller’s performance, considering factors like rise time, overshoot, settling time, and steady-state error. The objective is to find the optimal set of PID parameters that minimize the fitness function, ensuring a well-tuned controller.
The fitness function J ( K p , K i , K d ) could be expressed as:
J K p , K i , K d = w 1 O v e r s h o o t + w 2 S e t t l i n g T i m e + w 3 S t e a d y S t a t e E r r o r
where w1, w2, and w3 are weights assigned to each performance criterion, reflecting their relative importance. The application of PSO enables the determination of optimal PID parameters, minimizing the fitness function and thereby enhancing control performance.

4.2. PSO Based on Chaotic Variables

The integration of chaotic variables into PSO gives rise to a novel approach, designated as chaotic particle swarm optimization (CPSO). This approach entails the substitution of random components in the velocity update equation with chaotic sequences, thereby enhancing the diversity and exploration capabilities of the algorithm.
In CPSO, chaotic sequences are used in place of the random numbers and r1 and r2 that are conventionally utilized in the standard PSO velocity update equation. One of the most commonly used chaotic maps is the logistic map, defined by the following equation:
x n 1 = μ x n 1 x n
where xn is the chaotic variable at iteration n and μ is a control parameter, typically set to 4 for the logistic map to exhibit chaotic behavior.
In CPSO, chaotic sequences generated by the logistic map are substituted for the random components in the velocity update equation:
v i k + 1 = w v i k + c 1 c h a o s 1 p i b e s t x i k + c 2 c h a o s 2 g b e s t x i k
where chaos1 and chaos2 are chaotic sequences generated from the logistic map.
The CPSO algorithm follows these steps, as shown in Figure 10.
The number of iterations required to reach the optimal solution was used as the criterion for evaluating the performance of PSO and CPSO. The objective of the tests was to optimize the initial weights of the BPNN-PID controller using PSO and CPSO, respectively. The fitness curves for CPSO are shown in Figure 11, and those for PSO are shown in Figure 12.
Under the same conditions, optimization tests were conducted using two different algorithms, and the number of iterations required to reach the optimal value was recorded. The results of multiple repeated tests are presented in Table 3. CPSO demonstrated a superior convergence rate compared to PSO, reaching the optimal solution in approximately 6.2 iterations, whereas PSO required 26.8 iterations. This improvement can be attributed to the chaotic sequences in CPSO, which facilitated more effective exploration of the search space during the initial stages of the optimization process.
To further validate the superiority of CPSO, an optimization test was chosen for the Rastrigin function, which is given by:
f ( x ) = 10 n + i = 1 n [ x i 2 10 cos ( 2 π x i ) ]
The simulation results are shown in Figure 13. By visualizing the performance of the two algorithms in optimizing the same function, it can be intuitively seen that CPSO outperforms PSO in terms of convergence speed and global search capability.
CPSO converged more quickly than PSO, reducing the number of iterations required to reach the optimal solution. This can be a critical factor in real-time applications where computational efficiency is essential. This section compares the performance of PSO and CPSO in optimizing the weights and biases of the BPNN-PID controller. CPSO outperforms PSO in terms of convergence speed, control accuracy, and robustness. These results demonstrate the potential of CPSO as a powerful optimization tool for control systems, especially in applications where high accuracy and robustness are critical.

4.3. BPNN-PID for CPSO Optimization

The BPNN-PID approach leverages a neural network to dynamically adjust the PID controller parameters in real time, based on the current system state. The CPSO algorithm is used to optimize the weights of the BPNN, ensuring that the network can effectively generalize and adapt to different operating conditions. The improved CPSO-BPNN-PID controller structure is shown in Figure 14.
The CPSO optimization process for BPNN-PID begins with the initialization of the BPNN using random weights and biases, followed by the initialization of the CPSO algorithm with a swarm of particles, each representing different sets of weights and biases. The performance of each particle is then evaluated by applying the corresponding BPNN-PID controller to the system and measuring its control performance using a fitness function. Chaotic sequences are used to update the positions and velocities of the particles, thereby optimizing the weights and biases of the BPNN. Once the optimal weights and biases are identified, the BPNN is trained accordingly. Finally, the trained BPNN-PID controller is implemented in a real-time system, where it dynamically adjusts the PID parameters based on the current error and system state to achieve optimal control.
The flowchart of the CPSO-BPNN-PID algorithm is shown in Figure 15.

5. Test Results and Performance Evaluation

In order to evaluate the performance of the CPSO-BPNN-PID controller in the control of FSBB, a series of tests were conducted on a simulated control system. The performance of the controllers was compared to that of a standard PID controller modulated by conventional methods and to that of a standard BPNN-PID controller. The principal objective of the tests was to evaluate the control accuracy, response time, robustness, and adaptability.
The method is initially validated using the transfer function of the FSBB converter (Equation (6)) in lieu of the circuit system.
The parameters required for the experiment are given in Table 4, and the simulation results of the CPSO-BPNN-PID controller, BPNN-PID controller, and classical PID controller under the same conditions are shown in Figure 16. The CPSO-BPNN-PID controller parameter adaptive curves are given in Figure 17. From Figure 17, it can be seen that the designed controller can stabilize the output of the three parameters of the PID. Figure 17 shows the self-tuning capability of the CPSO-BPNN-PID controller, where the PID parameters dynamically adapt to varying conditions. This adaptability allows the controller to maintain optimal performance in real time, as evidenced by the smooth stabilization of parameters without oscillations.
One of the key performance indicators of a voltage regulation system is the prevention of voltage overshoot during the transient response. In our tests, the CPSO-optimized PID controller effectively minimized overvoltage overshoot, whereas the other controllers exhibited voltage overshoot. Another critical parameter is settling time, which represents the time required for the system to reach and maintain a stable state after a disturbance or change in the reference signal. The CPSO-optimized controller showed a significant improvement in settling time compared to conventional controllers. A comparison with two other controllers revealed a substantial reduction in settling time. This reduction is crucial for applications requiring rapid voltage regulation, as it enhances system responsiveness and overall efficiency.
Figure 18 illustrates the block diagram of the proposed closed-loop control system. The output voltage is collected by the voltage sensor at the output side, and the error is transmitted to the neural network PID controller, which has been designed in accordance with the specifications set out in this paper, in order to generate the control waveform. Subsequently, the control signal for the switch is transmitted to the FSBB controller via pulse width modulation, thereby completing the closed-loop control.
Figure 19 illustrates the switching states of Q1, Q2, Q3, and Q4, respectively. The driving signals for these switching transistors are VS1, VS2, VS3, and VS4, respectively. The inductor current waveform is shown in Figure 20.
Figure 21 illustrates the output voltage plots of the PID controller and the controller proposed in this paper under identical conditions. Specifically, the CPSO-optimized controller demonstrated a 0.33% overcharge, indicating that it effectively constrained the output voltage within the desired range, thus protecting the system’s components. In comparison, other controllers, including the traditional PID and PSO-optimized BPNN-PID, experienced overcharge values of 11.66% and 3.3%, respectively.
The settling time of the CPSO-optimized BPNN-PID controller was 50% shorter than that of the classical PID controller. The CPSO-optimized controller reached steady state in 0.08 s, while the classical PID required 0.16 s to stabilize.
The steady-state error is a critical metric for ensuring the long-term accuracy of the control system. Our tests demonstrated that the steady-state error of the CPSO-optimized BPNN-PID controller was negligible. In comparison, the steady-state error of the classical PID controller was 0.1%, while the BPNN-PID controller exhibited a higher error of 0.3%.
In order to demonstrate the robustness of the designed controller, the input voltage was modified to simulate fluctuations in external factors. The test results are shown in Figure 22. At the same time, the inductor parameters are changed to simulate the parameter deviation problem in real working conditions, and the test results are shown in Figure 23. Figure 22 and Figure 23 demonstrate the robustness of the CPSO-BPNN-PID controller against input voltage fluctuations and inductance changes. The results show that the controller maintains stable operation and outputs the desired voltage, even with significant deviations in input conditions. This clearly illustrates the controller’s ability to handle real-world variations and disturbances, ensuring reliable performance.
Meanwhile, the output voltage setting was changed and the test results are shown in Figure 24.
To further validate the robustness of the proposed CPSO-BPNN-PID controller, additional simulations were conducted with an inductive load, specifically an electric DC machine, connected to the output of the FSBB converter. We set the resistive resistor as 30 Ω, and at the same time connected the permanent magnet synchronous motor in parallel as an inductive load; its load torque was 12 Nm. At 0.5 s, the speed of the control motor changed abruptly from 1200 rpm to 1500 rpm, at which time the constant power load represented by the motor jumped from 1200/9.55 × 12 ≈ 1.51 kW to 1500/9.55 × 12 ≈ 1.88 kW. Within 1–1.05 s, the speed of the control motor was uniformly reduced from 1500 rpm to 900 rpm, at which time the constant power load represented by the motor was reduced from 1500/9.55 × 12 ≈ 1.88 kW to 900/9.55 × 12 ≈ 1.113 kW.
The simulation results, as shown in Figure 25 and Figure 26, demonstrate that the CPSO-BPNN-PID controller is capable of maintaining stable operation and accurately regulating the output voltage and motor RPM. The controller effectively compensates for the inductive load’s influence. Additionally, the output voltage waveform remains stable, indicating that the controller can handle the increased complexity associated with the inductive load. These results further validate the controller’s adaptability and robustness in real-world applications where inductive loads are commonly used.
To provide a comprehensive evaluation of the CPSO-BPNN-PID controller, we compared it with other control strategies in terms of memory usage, software and hardware implementation complexity, mathematical burden, and overall cost. Table 5 summarizes the comparison between the CPSO-BPNN-PID controller, PSO-optimized BPNN-PID controller, and traditional PID controller.

6. Discussion

This paper presents a novel chaotic particle swarm optimized (CPSO) backpropagation neural network (BPNN) PID controller designed to enhance the control performance of Four-Switch Buck–Boost (FSBB) converters. By integrating CPSO with BPNN, the proposed controller successfully overcomes the limitations of traditional PID controllers, especially when applied to nonlinear systems. The simulation results demonstrate that the CPSO-BPNN-PID controller achieves faster dynamic response, higher accuracy, and greater stability compared to traditional PID controllers and PSO-BPNN-PID controllers. The key contribution of this work is the improvement in convergence speed and robustness provided by the CPSO algorithm. By replacing the random components in PSO with chaotic sequences, the CPSO algorithm enhances the global search capability, effectively avoiding premature convergence and improving the overall system performance. The results in Table 3 and Figure 11 and Figure 12 clearly show that the CPSO algorithm requires fewer iterations to reach the optimal solution compared to the standard PSO algorithm, confirming its superiority in optimizing the BPNN-based PID controller.
Moreover, the experimental results (Figure 16, Figure 17, Figure 18, Figure 19, Figure 20, Figure 21, Figure 22 and Figure 23) further validate the effectiveness of the CPSO-BPNN-PID controller in real-time applications. The controller not only minimizes voltage overshoot and reduces settling time but also ensures a negligible steady-state error, which is critical for systems requiring high precision and a rapid response. Additionally, the robustness tests demonstrate that the controller can maintain stable performance even under input voltage fluctuations, proving its adaptability to varying operating conditions.
Table 5 compares the control modes, from which it can be concluded the CPSO-BPNN-PID offers improved optimization capabilities and control performance, it comes with higher memory usage, software implementation complexity, and mathe-matical burden due to the integration of the CPSO and BPNN algorithms. In contrast, the PSO-BPNN-PID strikes a balance with moderate resource requirements and lower overall cost, while the traditional PID controller remains the most straightforward and cost-effective option, albeit with limited optimization potential.

Author Contributions

Conceptualization, L.R. and Y.Z.; methodology, L.R.; software, Y.Z.; validation, L.R., D.W., X.Y. and Y.Z.; formal analysis, L.R. and J.W.; investigation, Y.Z. and J.W.; resources, D.W. and J.W.; data curation, Y.Z.; writing—original draft preparation, L.R.; writing—review and editing, L.R.; visualization, Y.Z.; project administration, D.W. and X.Y.; funding acquisition, D.W. and X.Y. All authors have read and agreed to the published version of the manuscript.

Funding

The research presented in the paper was supported by the Shenyang Major Technical Research Project, China (No. 2022021000014).

Data Availability Statement

Data are contained within the article.

Conflicts of Interest

The authors declare no conflicts of interest.

References

  1. Liu, Q.; Sun, W. An Improved Quadrangle Control Method for Four-Switch Buck-Boost Converter with Reduced Loss and Decoupling Strategy. IEEE Trans. Power Electron. 2021, 36, 10827–10841. [Google Scholar] [CrossRef]
  2. Song, N.; Fang, S.; Zhao, C.; Wang, Y. Design of a PWM/PFM Hybrid Modulation Switching Circuit for a Four-Switch Buck-Boost Converter. J. Phys. 2024, 2740, 012031. [Google Scholar] [CrossRef]
  3. Jaga, O.P.; Gupta, R.; Jena, B.; GhatakChoudhuri, S. Bi-Directional DC/DC Converters Used in Interfacing ESSs for RESs and EVs: A Review. IETE Tech. Rev. 2023, 40, 334–370. [Google Scholar] [CrossRef]
  4. Guo, Z.; Mao, T. Efficiency Optimization and Control Strategy of Four-Switch Buck–Boost Converter for Wide Conversion Ratio. IEEE Trans. Power Electron. 2023, 38, 10702–10715. [Google Scholar] [CrossRef]
  5. Martinez-Treviño, B.A.; El Aroudi, A.; Vidal-Idiarte, E.; Cid-Pastor, A.; Martinez-Salamero, L. Sliding-mode Control of a Boost Converter under Constant Power Loading Conditions. IET Power Electron. 2019, 12, 521–529. [Google Scholar] [CrossRef]
  6. Li, M.; Xu, J.; Wang, Z.; Liu, S. Optimization of the Semi-Active-Suspension Control of BP Neural Network PID Based on the Sparrow Search Algorithm. Sensors 2024, 24, 1757. [Google Scholar] [CrossRef] [PubMed]
  7. Hnon, M. A Two-Dimensional Mapping with a Strange Attractor. In The Theory of Chaotic Attractors; Springer: New York, NY, USA, 2004. [Google Scholar]
  8. Liu, B.; Wang, L.; Jin, Y.-H.; Tang, F.; Huang, D.-X. Improved Particle Swarm Optimization Combined with Chaos. Chaos Solitons Fractals 2005, 25, 1261–1271. [Google Scholar] [CrossRef]
  9. Hong, W.-C. Chaotic Particle Swarm Optimization Algorithm in a Support Vector Regression Electric Load Forecasting Model. Energy Convers. Manag. 2009, 50, 105–117. [Google Scholar] [CrossRef]
  10. Wang, J. Optimal Parameters Estimation and Input Subset for Grey Model Based on Chaotic Particle Swarm Optimization Algorithm. Expert Syst. Appl. 2011, 38, 8151–8158. [Google Scholar] [CrossRef]
  11. Qin, Q.; Cheng, S.; Zhang, Q.; Li, L.; Shi, Y. Particle Swarm Optimization with Interswarm Interactive Learning Strategy. IEEE Trans. Cybern. 2016, 46, 2238–2251. [Google Scholar] [CrossRef] [PubMed]
  12. El-Ashmawi, W.H.; Abd Elminaam, D.S.; Nabil, A.M.; Eldesouky, E. A Chaotic Owl Search Algorithm Based Bilateral Negotiation Model. Ain Shams Eng. J. 2020, 11, 1163–1178. [Google Scholar] [CrossRef]
  13. Shayeghi, H. A Modified Artificial Bee Colony Based on Chaos Theory for Solving Non-Convex Emission/Economic Dispatch. Energy Convers. Manag. 2014, 79, 344–354. [Google Scholar] [CrossRef]
  14. Qin, S.; Liao, S. A Self-Adaptive Algorithm of the Clean Numerical Simulation (CNS) for Chaos. arXiv 2023, arXiv:2302.01284. [Google Scholar]
  15. Santos Coelho, L.D.; De Andrade Bernert, D.L. An Improved Harmony Search Algorithm for Synchronization of Discrete-Time Chaotic Systems. Chaos Solitons Fractals 2009, 41, 2526–2532. [Google Scholar] [CrossRef]
  16. Liao, G.-C.; Tsao, T.-P. Application of a Fuzzy Neural Network Combined with a Chaos Genetic Algorithm and Simulated Annealing to Short-Term Load Forecasting. IEEE Trans. Evol. Comput. 2006, 10, 330–340. [Google Scholar] [CrossRef]
  17. Shah, P. Review of Fractional PID Controller. Mechatronics 2016, 38, 29–41. [Google Scholar] [CrossRef]
  18. Mohannad, N.; Majd, S.; Bou, N.A. Review of Various Metaheuristics Techniques for Tuning Parameters of PID/FOPID Controllers. ITM Web Conf. 2022, 43, 01002. [Google Scholar]
  19. Chao, C.-T.; Sutarna, N.; Chiou, J.-S.; Wang, C.-J. Equivalence between Fuzzy PID Controllers and Conventional PID Controllers. Appl. Sci. 2017, 7, 513. [Google Scholar] [CrossRef]
  20. Zhou, X.; Wang, J.; Zhang, H.; Duan, Q. Application of a Hybrid Improved Sparrow Search Algorithm for the Prediction and Control of Dissolved Oxygen in the Aquaculture Industry. Appl. Intell. 2023, 53, 8482–8502. [Google Scholar] [CrossRef]
  21. Liu, H.; Yu, Q.; Wu, Q. PID Control Model Based on Back Propagation Neural Network Optimized by Adversarial Learning-Based Grey Wolf Optimization. Appl. Sci. 2023, 13, 4767. [Google Scholar] [CrossRef]
Figure 1. The FSBB converter circuit.
Figure 1. The FSBB converter circuit.
Actuators 13 00464 g001
Figure 2. The FSBB converter circuit in the Buck mode.
Figure 2. The FSBB converter circuit in the Buck mode.
Actuators 13 00464 g002
Figure 3. The FSBB converter circuit in the Boost mode.
Figure 3. The FSBB converter circuit in the Boost mode.
Actuators 13 00464 g003
Figure 4. The FSBB converter circuit in Buck–Boost mode.
Figure 4. The FSBB converter circuit in Buck–Boost mode.
Actuators 13 00464 g004
Figure 5. The main waveforms of the FSBB converter.
Figure 5. The main waveforms of the FSBB converter.
Actuators 13 00464 g005
Figure 6. PID controller structure.
Figure 6. PID controller structure.
Actuators 13 00464 g006
Figure 7. BPNN−PID controller structure.
Figure 7. BPNN−PID controller structure.
Actuators 13 00464 g007
Figure 8. Block diagram of the BPNN-PID algorithm.
Figure 8. Block diagram of the BPNN-PID algorithm.
Actuators 13 00464 g008
Figure 9. The PSO process.
Figure 9. The PSO process.
Actuators 13 00464 g009
Figure 10. The CPSO process.
Figure 10. The CPSO process.
Actuators 13 00464 g010
Figure 11. The fitness curves for CPSO.
Figure 11. The fitness curves for CPSO.
Actuators 13 00464 g011
Figure 12. The fitness curves for PSO.
Figure 12. The fitness curves for PSO.
Actuators 13 00464 g012
Figure 13. The results of PSO and CPSO optimization performance.
Figure 13. The results of PSO and CPSO optimization performance.
Actuators 13 00464 g013
Figure 14. Improved CPSO-BPNN-PID controller structure.
Figure 14. Improved CPSO-BPNN-PID controller structure.
Actuators 13 00464 g014
Figure 15. Block diagram of the CPSO−BPNN−PID algorithm.
Figure 15. Block diagram of the CPSO−BPNN−PID algorithm.
Actuators 13 00464 g015
Figure 16. Step response curve.
Figure 16. Step response curve.
Actuators 13 00464 g016
Figure 17. CPSO−BPNN−PID parameter self-tuning curve.
Figure 17. CPSO−BPNN−PID parameter self-tuning curve.
Actuators 13 00464 g017
Figure 18. Block diagram representing the proposed controller.
Figure 18. Block diagram representing the proposed controller.
Actuators 13 00464 g018
Figure 19. The switching states of Q1, Q2, Q3, and Q4, respectively.
Figure 19. The switching states of Q1, Q2, Q3, and Q4, respectively.
Actuators 13 00464 g019
Figure 20. The inductor current waveform.
Figure 20. The inductor current waveform.
Actuators 13 00464 g020
Figure 21. Output voltage comparison diagram.
Figure 21. Output voltage comparison diagram.
Actuators 13 00464 g021
Figure 22. Robustness tests prove the result graph regarding the input voltage.
Figure 22. Robustness tests prove the result graph regarding the input voltage.
Actuators 13 00464 g022
Figure 23. Robustness tests prove the result graph regarding the inductor parameters.
Figure 23. Robustness tests prove the result graph regarding the inductor parameters.
Actuators 13 00464 g023
Figure 24. Robustness tests prove the result graph regarding the output voltage.
Figure 24. Robustness tests prove the result graph regarding the output voltage.
Actuators 13 00464 g024
Figure 25. The results of the output voltage of the loaded motor are plotted.
Figure 25. The results of the output voltage of the loaded motor are plotted.
Actuators 13 00464 g025
Figure 26. Simulated motor revolutions results are plotted for a loaded motor.
Figure 26. Simulated motor revolutions results are plotted for a loaded motor.
Actuators 13 00464 g026
Table 1. List of parameters.
Table 1. List of parameters.
AB
T1[0 0; 0 −1/(C × R)][1/L; 0]
T2[0 −1/L; 1/C −1/(C × R)][1/L; 0]
T3[0 −1/L; 1/C −1/(C × R)][0; 0]
T4[0 0; 0 −1/(C × R)][0; 0]
Table 2. The configuration of the neural network used.
Table 2. The configuration of the neural network used.
ParametersValue
Offline iterative training sessions5000
Learning rate0.5
Momentum factor0.05
Input layer3
Hidden layers3
Output layer3
Table 3. Data from multiple replicate tests.
Table 3. Data from multiple replicate tests.
NUMBERCPSOPSONUMBERCPSOPSO
123062026
24307427
334781430
42149321
561610427
Table 4. List of parameters used in the simulation.
Table 4. List of parameters used in the simulation.
Parameters Value
Filter CapacitorsC300 μF
Phase-shift Switching Frequencyfs20 kHz
Output Duty CycleD0.5
Output VoltageVout300 V
Input VoltageVin350 V
Load ResistanceR30 Ω
InductorsL30 μH
Table 5. Comparison of control strategies based on memory usage, software/hardware implementation, mathematical burden, and total cost.
Table 5. Comparison of control strategies based on memory usage, software/hardware implementation, mathematical burden, and total cost.
FactorCPSO-BPNN-PIDPSO-BPNN-PIDTraditional PID
Memory UsageModerate (due to storage of BPNN weights and CPSO particles)Moderate (BPNN weights and PSO particles)Low (minimal memory for PID parameters)
Software ImplementationMedium (requires integration of CPSO and BPNN algorithms)Medium (requires PSO and BPNN integration)Simple (direct implementation of PID)
Mathematical BurdenHigh (due to CPSO optimization and BPNN training)Medium (PSO optimization with BPNN training)Low (simple PID calculations)
Total CostModerate (additional computation resources and software complexity)Low (less computational demand than CPSO)Low (minimal hardware and software cost)
Disclaimer/Publisher’s Note: The statements, opinions and data contained in all publications are solely those of the individual author(s) and contributor(s) and not of MDPI and/or the editor(s). MDPI and/or the editor(s) disclaim responsibility for any injury to people or property resulting from any ideas, methods, instructions or products referred to in the content.

Share and Cite

MDPI and ACS Style

Ren, L.; Wang, D.; Yan, X.; Zhang, Y.; Wang, J. A Novel Chaotic Particle Swarm Optimized Backpropagation Neural Network PID Controller for Four-Switch Buck–Boost Converters. Actuators 2024, 13, 464. https://doi.org/10.3390/act13110464

AMA Style

Ren L, Wang D, Yan X, Zhang Y, Wang J. A Novel Chaotic Particle Swarm Optimized Backpropagation Neural Network PID Controller for Four-Switch Buck–Boost Converters. Actuators. 2024; 13(11):464. https://doi.org/10.3390/act13110464

Chicago/Turabian Style

Ren, Luoyao, Dazhi Wang, Xin Yan, Yupeng Zhang, and Jiaxing Wang. 2024. "A Novel Chaotic Particle Swarm Optimized Backpropagation Neural Network PID Controller for Four-Switch Buck–Boost Converters" Actuators 13, no. 11: 464. https://doi.org/10.3390/act13110464

APA Style

Ren, L., Wang, D., Yan, X., Zhang, Y., & Wang, J. (2024). A Novel Chaotic Particle Swarm Optimized Backpropagation Neural Network PID Controller for Four-Switch Buck–Boost Converters. Actuators, 13(11), 464. https://doi.org/10.3390/act13110464

Note that from the first issue of 2016, this journal uses article numbers instead of page numbers. See further details here.

Article Metrics

Back to TopTop