Man-Power-Amplifying Exoskeleton with Pneumatic Actuator
Abstract
:1. Introduction
2. Materials and Methods
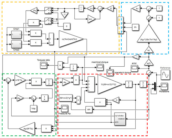
2.1. Modeling
2.2. Device Design and Realization
- a mass M relating to the payload with values equal to 0–10 kg;
- a gain constant Kg that adjusts the control algorithm with values equal to 30–45;
- reference signals of the type:
- ○
- sinusoidal, considering:
- ▪
- an amplitude of oscillation A with values equal to 15–30 degrees;
- ▪
- an average value of the Vm oscillation with values equal to 40 degrees;
- ▪
- an oscillation frequency f with values equal to 0.1–0.2 Hz;
- ○
- random variable (slow): the desired position is updated every 4 s.
3. Results
- Ru decreases by 30.8%, while Rm increases by 4.6%, for tests with sinusoidal reference signal amplitude of 30°;
- Ru decreases by 28.6%, while Rm increases by 4.65% for the tests with a reference sinusoidal signal amplitude of 60° and the random tests.
- Ru decreases by 13.3%, while Rm increases by 2.35%, for tests with sinusoidal reference signal amplitude of 30° and gain constant of 30;
- Ru decreases by 18.2%, while Rm increases by 2.5%, for tests with sinusoidal reference signal amplitude of 30° and gain constant 45;
- Ru decreases by 12.5%, while Rm increases by 2.4%, for tests with gain constant 30 relating to the sinusoidal reference of 60° amplitude and the random signal;
- Ru decreases by 16.7%, while Rm increases by 2.3%, for the tests with gain constant 45 relative to the sinusoidal reference of 60° amplitude and to the random signal.
- Ru decreases by 7.1%, while Rm increases by 1.2% for tests with a load of 30 kg and a gain constant of 30;
- Ru decreases by 10%, while Rm increases by 1.1% for tests with a load of 30 kg and a gain constant of 45;
- Ru decreases by 6.25%, while Rm increases by 2.4%, for the tests without applied load and gain constant 30;
- Ru decreases by 15.4%, while Rm increases by 2.3%, for the tests without applied load and gain constant 45.
- an increase in emax of about 24% by increasing the applied load M from 0 kg to 10 kg;
- a reduction in emax of about 6.3% by increasing the gain constant from 30 to 45;
- an increase in emax of about 76% by increasing the amplitude A from 15° to 30°;
- an increase in emax of about 43.5% by increasing the frequency f from 0.1 Hz to 0.2 Hz.
4. Discussion
- mass relative to the payload M = 0 kg;
- gain constant Kg = 30;
- individual 5;
- amplitude of sinusoidal signal oscillation A = 30° (average value of 40°);
- sinusoidal signal oscillation frequency f = 0.1 Hz.
- mass relative to the payload M = 10 kg;
- gain constant Kg = 45;
- individuals 3;
- random signal.
5. Conclusions
Author Contributions
Funding
Informed Consent Statement
Data Availability Statement
Acknowledgments
Conflicts of Interest
References
- Rosen, J.; Brand, M.; Fuchs, M.; Arcan, M. A myosignal-based powered exoskeleton system. IEEE Trans. Syst. Man Cybern.-Part A Syst. Hum. 2001, 31, 210–222. [Google Scholar] [CrossRef]
- Durante, F.; Raparelli, T.; Beomonte Zobel, P. Two-Dof Upper Limb Rehabilitation Robot Driven by Straight Fibers Pneumatic Muscles. Bioengineering 2022, 9, 377. [Google Scholar] [CrossRef] [PubMed]
- Sacco, K.; Belforte, G.; Eula, G.; Raparelli, T.; Sirolli, S.; Geda, E.; Geminiani, G.C.; Virgilio, R.; Zettin, M. P.I.G.R.O.: An active exoskeleton for robotic neurorehabilitation training driven by an electro-pneumatic control. Mech. Mach. Sci. 2018, 49, 845–853. [Google Scholar] [CrossRef]
- Koceska, N.; Koceski, S.; Durante, F.; Zobel, P.B.; Raparelli, T. Control architecture of a 10 DOF lower limbs exoskeleton for gait Rehabilitation. Int. J. Adv. Robot. Syst. 2013, 10, 68. [Google Scholar] [CrossRef]
- Kawasaki, H.; Ito, S.; Ishigure, Y.; Nishimoto, Y.; Aoki, T.; Mouri, T.; Sakaeda, H.; Abe, M. Development of a Hand Motion Assist Robot for Rehabilitation Therapy by Patient Self-Motion Control. In Proceedings of the IEEE 10th International Conference on Rehabilitation Robotics (ICORR), Noordwijk, The Netherlands, 13–15 June 2007; pp. 234–240. [Google Scholar]
- Mayr, A.; Kofler, M.; Saltuari, L. ARMOR: An electromechanical robot for upper limb training following stroke. A prospective randomised controlled pilot study. Handchir. Mikrochir. Plast. Chir. 2008, 40, 66–73. [Google Scholar] [CrossRef]
- Kiguchi, K.; Iwami, K.; Yasuda, M.; Watanabe, K.; Fukuda, T. An exoskeletal robot for human shoulder joint motion assist. IEEE/ASME Trans. Mechatron. 2003, 8, 125–135. [Google Scholar] [CrossRef]
- Durante, F.; Raparelli, T.; Zobel, P.B. Development of a 4-DoF Active Upper Limb Orthosis. Robotics 2022, 11, 122. [Google Scholar] [CrossRef]
- Cozens, J.A. Robotic assistance of an active upper limb exercise in neurologically impaired patients. IEEE Trans. Rehabil. Eng. 1999, 7, 254–256. [Google Scholar] [CrossRef]
- Ögce, F.; Özyalçin, H. Case study: A myoelectrically controlled shoulder-elbow orthosis for unrecovered brachial plexus injury. Prosthet. Orthot. Int. 2000, 24, 252–255. [Google Scholar] [CrossRef]
- Cordo, P.; Lutsep, H.; Cordo, L.; Wright, W.G.; Cacciatore, T.; Skoss, R. Assisted movement with enhanced sensation (AMES): Coupling motor and sensory to remediatemotor deficits in chronic stroke Patients. Neurorehabilit. Neural Repair 2009, 23, 67–77. [Google Scholar] [CrossRef]
- Durante, F.; Zobel, P.B.; Raparelli, T. Development of an active orthosis for inferior limb with light structure. Mech. Mach. Sci. 2018, 49, 833–841. [Google Scholar] [CrossRef]
- Kazerooni, H.; Guo, J. Human Extenders. J. Dyn. Syst. Meas. Control 1993, 115, 281–290. [Google Scholar] [CrossRef]
- Kazerooni, H.; Mahoney, S.L. Dynamics and control of Robotic Systems Worn by Humans. J. Dyn. Syst. Meas. Control 1991, 113, 379–387. [Google Scholar] [CrossRef] [PubMed]
- Kazerooni, H.; Steger, R. The Berkeley Lower Extremity Exoskeleton. J. Dyn. Syst. Meas. Control 2006, 128, 14–25. [Google Scholar] [CrossRef]
- Amirabdollahian, F.; Loureiro, R.; Gradwell, E.; Collin, C.; Harwin, W.; Johnson, G. Multivariate analysis of the Fugl-Meyer outcome measures assessing the effectiveness of GENTLE/S robot-mediated stroke therapy. J. Neuroeng. Rehabil. 2007, 4, 4. [Google Scholar] [CrossRef] [PubMed]
- Cheng, H.S.; Ju, M.S.; Lin, C.C.K. Improving elbow torque output of stroke patients with assistive torque controlled by EMG signals. J. Biomech. Eng. 2003, 125, 881–886. [Google Scholar] [CrossRef] [PubMed]
- Turner, M.; Gomez, D.; Tremblay, M.; Cutkosky, M. Preliminary tests of an arm-grounded haptic feedback device in telemanipulation. In Proceedings of the ASME Dynamic Systems and Control Division, Anaheim, CA, USA, 15–20 November 1998; Volume 64, pp. 145–149. [Google Scholar]
- Mali, U.; Munih, M. HIFE-haptic interface for finger exercise. Mechatron. IEEE/ASME Trans. 2006, 11, 93–102. [Google Scholar] [CrossRef]
- Hesse, S.; Kuhlmann, H.; Wilk, J.; Tomelleri, C.; Kirker, S.G.B. A new electromechanical trainer for sensorimotor rehabilitation of paralysed fingers: A case series in chronic and acute stroke patients. J. Neuroeng. Rehabil. 2008, 5, 21. [Google Scholar] [CrossRef]
- Burgar, C.G.; Lum, P.S.; Shor, P.C.; Van der Loos, H.F.M. Development of robots for rehabilitation therapy: The Palo Alto VA/Stanford experience. J. Rehabil. Res. Dev. 2000, 37, 663–673. [Google Scholar]
- Perry, J.C.; Rosen, J.; Burns, S. Upper-limb powered exoskeleton design. IEEE/ASME Trans. Mechatron. 2007, 12, 408–417. [Google Scholar] [CrossRef]
- Stienen, A.; Hekman, E.; Prange, G.; Jannink, M.; Aalsma, A.; van der Helm, F.; van der Kooij, H. Dampace. Design of an exoskeleton for force-coordination training in upper-extremity rehabilitation. J. Med. Devices 2009, 3, 10. [Google Scholar] [CrossRef]
- Pylatiuk, C.; Kargov, A.; Gaiser, I.; Werner, T.; Schulz, S.; Bretthauer, G. Design of a flexible fluidic actuation system for a hybrid elbow orthosis. In Proceedings of the IEEE International Conference on Rehabilitation Robotics (ICORR), Kyoto, Japan, 23–26 June 2009; pp. 167–171. [Google Scholar]
- Umemura, A.; Saito, Y.; Fujisaki, K. A study on power-assisted rehabilitation robot arms operated by patient with upper limb disabilities. In Proceedings of the IEEE International Conference on Rehabilitation Robotics (ICORR), Kyoto, Japan, 23–26 June 2009; pp. 451–456. [Google Scholar]
- Stienen, A.H.A.; Hekman, E.E.G.; ter Braak, H.; Aalsma, A.M.M.; van der Helm, F.C.T.; van der Kooij, H. Design of a rotational hydro-elastic actuator for an active upper-extremity rehabilitation exoskeleton. In Proceedings of the 2nd IEEE RAS & EMBS International Conference on Biomedical Robotics and Biomechatronics (BioRob), Scottsdale, AZ, USA, 19–22 October 2008; pp. 881–888. [Google Scholar]
- Durante, F.; Antonelli, M.G.; Zobel, P.B. Development of an active exoskeleton for assisting back movements in lifting weights. Int. J. Mech. Eng. Robot. Res. 2018, 7, 353–360. [Google Scholar] [CrossRef]
- Takahashi, C.D.; Der-Yeghiaian, L.; Le, V.; Motiwala, R.R.; Cramer, S.C. Robot-based handmotor therapy after stroke. Brain 2008, 131 Pt 2, 425–437. [Google Scholar] [CrossRef] [PubMed]
- Sasaki, D.; Noritsugu, T.; Takaiwa, M. Development of Active Support Splint driven by Pneumatic Soft Actuator (ASSIST). In Proceedings of the IEEE International Conference on Robotics and Automation (ICRA), Barcelona, Spain, 18–22 April 2005; pp. 520–525. [Google Scholar]
- Kline, T.; Kamper, D.; Schmit, B. Control system for pneumatically controlled glove to assist in grasp activities. In Proceedings of the 9th International Conference on Rehabilitation Robotics ICORR, Chicago, IL, USA, 28 June–1 July 2005; pp. 78–81. [Google Scholar]
- Klein, J.; Spencer, S.; Allington, J.; Bobrow, J.E.; Reinkensmeyer, D.J. Optimization of a parallel shouldermechanism to achieve a high-force, low-mass, robotic-arm exoskeleton. IEEE Trans. Robot. 2010, 26, 710–715. [Google Scholar] [CrossRef]
- Lucas, L.; Di Cicco, M.; Matsuoka, Y. An EMG-controlled hand exoskeleton for natural pinching. J. Robot. Mechatron. 2004, 16, 482–488. [Google Scholar] [CrossRef]
- Bouzit, M.; Burdea, G.; Popescu, G.; Boian, R. The Rutgers Master II-new design force-feedback glove. IEEE/ASME Trans. Mechatron. 2002, 7, 256–263. [Google Scholar] [CrossRef]
- Koceska, N.; Koceski, S.; Zobel, P.B.; Durante, F. Control architecture for a lower limbs rehabilitation robot system. In Proceedings of the 2008 IEEE International Conference on Robotics and Biomimetics, ROBIO 2008, Bangkok, Thailand, 22–25 February 2009; pp. 971–976. [Google Scholar] [CrossRef]
- Paterna, M.; Magnetti Gisolo, S.; De Benedictis, C.; Muscolo, G.G.; Ferraresi, C. A passive upper-limb exoskeleton for industrial application based on pneumatic artificial muscles. Mech. Sci. 2022, 13, 387–398. [Google Scholar] [CrossRef]
- Ashta, G.; Finco, S.; Battini, D.; Persona, A. Passive Exoskeletons to EnhanceWorkforce Sustainability: Literature Review and Future Research Agenda. Sustainability 2023, 15, 7339. [Google Scholar] [CrossRef]
- Öçal, A.E.; Lekesiz, H.; Çetin, S.T. The Development of an Innovative Occupational Passive Upper Extremity Exoskeleton and an Investigation of Its Effects on Muscles. Appl. Sci. 2023, 13, 6763. [Google Scholar] [CrossRef]
- Bennett, S.T.; Han, W.; Mahmud, D.; Adamczyk, P.G.; Dai, F.; Wehner, M.; Veeramani, D.; Zhu, Z. Usability and Biomechanical Testing of Passive Exoskeletons for ConstructionWorkers: A Field-Based Pilot Study. Buildings 2023, 13, 822. [Google Scholar] [CrossRef]
- Pacheco Quiñones, D.; Paterna, M.; De Benedictis, C.; Maffiodo, D.; Franco, W.; Ferraresi, C. Contact force regulation in physical human-machine interaction based on model predictive control. Robotica 2023, 41, 3409–3425. [Google Scholar] [CrossRef]
- Nadeau, N.A.; Bonev, I.A.; Joubair, A. Impedance Control Self-Calibration of a Collaborative Robot Using Kinematic Coupling. Robotics 2019, 8, 33. [Google Scholar] [CrossRef]
- Kim, H.; Yang, W. Variable Admittance Control Based on Human–Robot Collaboration Observer Using Frequency Analysis for Sensitive and Safe Interaction. Sensors 2021, 21, 1899. [Google Scholar] [CrossRef] [PubMed]
- Ullah, Z.; Chaichaowarat, R.; Wannasuphoprasit, W. Variable Damping Actuator Using an Electromagnetic Brake for Impedance Modulation in Physical Human–Robot Interaction. Robotics 2023, 12, 80. [Google Scholar] [CrossRef]
- Wang, Y.; Yang, Y.; Zhao, B.; Qi, X.; Hu, Y.; Li, B.; Sun, L.; Zhang, L.; Meng, M.Q.-H. Variable Admittance Control Based on Trajectory Prediction of Human Hand Motion for Physical Human-Robot Interaction. Appl. Sci. 2021, 11, 5651. [Google Scholar] [CrossRef]
- Mason, M.T. Compliance and Force Control for Computer Controlled Manipulators. IEEE Trans. Syst. Man Cybern. 1981, 11, 418–432. [Google Scholar] [CrossRef]
- Raibert, M.H.; Craig, J.J. Hybrid Position/Force Control of Manipulators. J. Dyn. Syst. Meas. Control. 1981, 103, 126–133. [Google Scholar] [CrossRef]
- Hogan, N. Impedance Control: An Approach to Manipulation Part I-II-III. J. Dyn. Syst. Meas. Control 1985, 107, 1–24. [Google Scholar] [CrossRef]
- Kazerooni, H.; Houpt, P.; Sheridan, T. The Fundamentals of Robust Compliant Motion for Manipulators. In Proceedings of the IEEE International Conference on Robotics and Automation, San Francisco, CA, USA, 7–10 April 1986. [Google Scholar]
- Lee, S.; Sankai, Y. Power assist control for walking aid with HAL-3 based on EMG and impedance adjustment around knee joint. In Proceedings of the International Conference on Intelligent Robots and Systems, 2002. IEEE/RSJ, Lausanne, Switzerland, 30 September–4 October 2002. [Google Scholar]
- Allotta, B.; Pugi, L.; Bartolini, F. Design and experimental results of an active suspension system for a high-speed pantograph. IEEE/ASME Trans. Mechatron. 2008, 13, 548–557. [Google Scholar] [CrossRef]
- Okiyama, K.; Ichiryu, K. Study of Pneumatic Motion Base Control Characteristics; Tokyo University of Technology: Tokyo, Japan, 2001. [Google Scholar]
- Richardson, R.; Plummer, A.R.; Brown, M. Modelling and Simulation of Pneumatic Cylinders for a Physiotherapy Robot; School of Mechanical Engineering, University of Leeds: Leeds, UK, 2000. [Google Scholar]
- Richardson, R.; Brown, M.; Plummer, A.R. Pneumatic Impedance Control for Physiotherapy; The University of Leeds, School of Mechanical Engineering: Leeds, UK, 2000. [Google Scholar]








| Sinusoidal | Subjects Performing the Tests | ||||||
|---|---|---|---|---|---|---|---|
| Test | Index | 1 | 2 | 3 | 4 | 5 | 6 |
| A = 15° f = 0.1 Hz | emid (°) | 2.254 | 1.803 | 1.487 | 2.105 | 1.296 | 2.008 |
| emax (°) | 8.017 | 5.106 | 5.854 | 4.920 | 4.411 | 8.738 | |
| Ru (%) | 13 | 13 | 13 | 13 | 13 | 13 | |
| Rm (%) | 87 | 87 | 87 | 87 | 87 | 87 | |
| A = 15° f = 0.2 Hz | emid (°) | 2.439 | 2.679 | 2.150 | 2.557 | 1.841 | 2.242 |
| emax (°) | 9.719 | 7.577 | 10.066 | 8.437 | 5.356 | 7.204 | |
| Ru (%) | 13 | 13 | 13 | 13 | 13 | 13 | |
| Rm (%) | 87 | 87 | 87 | 87 | 87 | 87 | |
| A = 30° f = 0.1 Hz | emid (°) | 4.490 | 2.117 | 2.827 | 3.261 | 2.135 | 3.499 |
| emax (°) | 10.899 | 6.213 | 7.771 | 9.297 | 8.687 | 11.899 | |
| Ru (%) | 14 | 14 | 14 | 14 | 14 | 14 | |
| Rm (%) | 86 | 86 | 86 | 86 | 86 | 86 | |
| A = 30° f = 0.2 Hz | emid (°) | 4.802 | 3.238 | 3.886 | 4.968 | 3.195 | 4.098 |
| emax (°) | 15.858 | 15.038 | 13.039 | 15.970 | 14.192 | 13.868 | |
| Ru (%) | 14 | 14 | 14 | 14 | 14 | 14 | |
| Rm (%) | 86 | 86 | 86 | 86 | 86 | 86 | |
| Random | Ierr (°) | 4173.9 | 4125.1 | 3904.3 | 5271.8 | 4540.9 | 4626.0 |
| tmidp (s) | 2.811 | 2.998 | 2.699 | 3.077 | 3.292 | 3.113 | |
| emidp (°) | 0.280 | 0.278 | 0.688 | 1.119 | 0.710 | 0.939 | |
| Ru (%) | 14 | 14 | 14 | 14 | 14 | 14 | |
| Rm (%) | 86 | 86 | 86 | 86 | 86 | 86 | |
| Sinusoidal | Subjects Performing the Tests | ||||||
|---|---|---|---|---|---|---|---|
| Test | Index | 1 | 2 | 3 | 4 | 5 | 6 |
| A = 15° f = 0.1 Hz | emid (°) | 2.328 | 1.528 | 1.337 | 1.222 | 1.616 | 1.543 |
| emax (°) | 6.969 | 5.138 | 5.520 | 4.511 | 6.139 | 3.892 | |
| Ru (%) | 9 | 9 | 9 | 9 | 9 | 9 | |
| Rm (%) | 91 | 91 | 91 | 91 | 91 | 91 | |
| A = 15° f = 0.2 Hz | emid (°) | 2.521 | 2.441 | 2.302 | 2.636 | 1.920 | 2.145 |
| emax (°) | 8.702 | 6.306 | 5.787 | 6.773 | 5.955 | 6.460 | |
| Ru (%) | 9 | 9 | 9 | 9 | 9 | 9 | |
| Rm (%) | 91 | 91 | 91 | 91 | 91 | 91 | |
| A = 30° f = 0.1 Hz | emid (°) | 3.519 | 2.720 | 2.198 | 2.868 | 2.798 | 4.145 |
| emax (°) | 8.006 | 6.290 | 6.048 | 7.385 | 8.631 | 12.979 | |
| Ru (%) | 10 | 10 | 10 | 10 | 10 | 10 | |
| Rm (%) | 90 | 90 | 90 | 90 | 90 | 90 | |
| A = 30° f = 0.2 Hz | emid (°) | 4.533 | 3.992 | 3.662 | 5.727 | 2.418 | 3.870 |
| emax (°) | 15.044 | 22.848 | 11.847 | 18.020 | 7.498 | 11.830 | |
| Ru (%) | 10 | 10 | 10 | 10 | 10 | 10 | |
| Rm (%) | 90 | 90 | 90 | 90 | 90 | 90 | |
| Random | Ierr (°) | 3973.5 | 4247.1 | 3834.1 | 4881.7 | 4364.8 | 5201.0 |
| tmidp (s) | 2.832 | 3.005 | 2.613 | 2.970 | 3.026 | 2.808 | |
| emidp (°) | 0.314 | 0.421 | 0.536 | 1.245 | 0.330 | 0.822 | |
| Ru (%) | 10 | 10 | 10 | 10 | 10 | 10 | |
| Rm (%) | 90 | 90 | 90 | 90 | 90 | 90 | |
| Sinusoidal | Subjects Performing the Tests | ||||||
|---|---|---|---|---|---|---|---|
| Test | Index | 1 | 2 | 3 | 4 | 5 | 6 |
| A = 15° f = 0.1 Hz | emid (°) | 1.610 | 1.082 | 1.400 | 1.309 | 0.997 | 1.387 |
| emax (°) | 5.034 | 3.547 | 5.126 | 3.841 | 3.049 | 5.051 | |
| Ru (%) | 15 | 15 | 15 | 15 | 15 | 15 | |
| Rm (%) | 85 | 85 | 85 | 85 | 85 | 85 | |
| A = 15° f = 0.2 Hz | emid (°) | 1.606 | 1.592 | 1.539 | 2.631 | 1.524 | 1.983 |
| emax (°) | 5.041 | 5.454 | 8.642 | 7.998 | 3.868 | 6.594 | |
| Ru (%) | 15 | 15 | 15 | 14 | 15 | 15 | |
| Rm (%) | 85 | 85 | 85 | 86 | 85 | 85 | |
| A = 30° f = 0.1 Hz | emid (°) | 2.041 | 1.672 | 3.568 | 2.498 | 1.212 | 3.386 |
| emax (°) | 7.515 | 5.853 | 14.743 | 6.621 | 3.294 | 14.725 | |
| Ru (%) | 16 | 17 | 16 | 16 | 16 | 17 | |
| Rm (%) | 84 | 83 | 84 | 84 | 84 | 83 | |
| A = 30° f = 0.2 Hz | emid (°) | 3.429 | 3.423 | 4.610 | 3.298 | 2.498 | 3.103 |
| emax (°) | 10.377 | 8.518 | 17.454 | 9.011 | 6.567 | 10.934 | |
| Ru (%) | 16 | 17 | 16 | 16 | 16 | 16 | |
| Rm (%) | 84 | 83 | 84 | 84 | 84 | 84 | |
| Random | Ierr (°) | 4030.1 | 4944.4 | 3830.9 | 4091.3 | 4144.6 | 4428.3 |
| tmidp (s) | 2.329 | 2.656 | 2.406 | 2.218 | 2.363 | 2.264 | |
| emidp (°) | 0.373 | 0.443 | 0.579 | 0.569 | 0.459 | 0.635 | |
| Ru (%) | 16 | 17 | 16 | 16 | 16 | 17 | |
| Rm (%) | 84 | 83 | 84 | 84 | 84 | 83 | |
| Sinusoidal | Subjects Performing the Tests | ||||||
|---|---|---|---|---|---|---|---|
| Test | Index | 1 | 2 | 3 | 4 | 5 | 6 |
| A = 15° f = 0.1 Hz | emid (°) | 1.229 | 1.037 | 1.657 | 1.183 | 1.343 | 1.316 |
| emax (°) | 4.021 | 2.788 | 4.954 | 3.844 | 4.966 | 5.282 | |
| Ru (%) | 11 | 11 | 11 | 11 | 11 | 11 | |
| Rm (%) | 89 | 89 | 89 | 89 | 89 | 89 | |
| A = 15° f = 0.2 Hz | emid (°) | 1.588 | 1.546 | 2.460 | 2.738 | 1.417 | 2.389 |
| emax (°) | 4.850 | 4.321 | 7.887 | 11.713 | 4.484 | 5.864 | |
| Ru (%) | 11 | 11 | 11 | 11 | 11 | 11 | |
| Rm (%) | 89 | 89 | 89 | 89 | 89 | 89 | |
| A = 30° f = 0.1 Hz | emid (°) | 1.609 | 1.547 | 2.225 | 1.978 | 1.715 | 3.753 |
| emax (°) | 7.432 | 5.611 | 7.990 | 7.622 | 4.578 | 12.972 | |
| Ru (%) | 13 | 13 | 12 | 12 | 13 | 13 | |
| Rm (%) | 87 | 87 | 88 | 88 | 87 | 87 | |
| A = 30° f = 0.2 Hz | emid (°) | 3.102 | 2.216 | 3.594 | 3.346 | 2.656 | 4.749 |
| emax (°) | 10.406 | 7.553 | 8.880 | 13.793 | 8.436 | 12.632 | |
| Ru (%) | 12 | 13 | 12 | 13 | 12 | 13 | |
| Rm (%) | 88 | 87 | 88 | 87 | 88 | 87 | |
| Random | Ierr (°) | 3992.5 | 4700.1 | 3575.7 | 4179.8 | 4039.3 | 4489.0 |
| tmidp (s) | 2.475 | 2.653 | 2.506 | 2.444 | 2.606 | 2.837 | |
| emidp (°) | 0.276 | 0.345 | 0.523 | 0.472 | 0.379 | 0.558 | |
| Ru (%) | 12 | 13 | 13 | 13 | 13 | 13 | |
| Rm (%) | 88 | 87 | 87 | 87 | 87 | 87 | |
Disclaimer/Publisher’s Note: The statements, opinions and data contained in all publications are solely those of the individual author(s) and contributor(s) and not of MDPI and/or the editor(s). MDPI and/or the editor(s) disclaim responsibility for any injury to people or property resulting from any ideas, methods, instructions or products referred to in the content. |
© 2023 by the authors. Licensee MDPI, Basel, Switzerland. This article is an open access article distributed under the terms and conditions of the Creative Commons Attribution (CC BY) license (https://creativecommons.org/licenses/by/4.0/).
Share and Cite
Durante, F.; Raparelli, T.; Beomonte Zobel, P. Man-Power-Amplifying Exoskeleton with Pneumatic Actuator. Actuators 2024, 13, 12. https://doi.org/10.3390/act13010012
Durante F, Raparelli T, Beomonte Zobel P. Man-Power-Amplifying Exoskeleton with Pneumatic Actuator. Actuators. 2024; 13(1):12. https://doi.org/10.3390/act13010012
Chicago/Turabian StyleDurante, Francesco, Terenziano Raparelli, and Pierluigi Beomonte Zobel. 2024. "Man-Power-Amplifying Exoskeleton with Pneumatic Actuator" Actuators 13, no. 1: 12. https://doi.org/10.3390/act13010012
APA StyleDurante, F., Raparelli, T., & Beomonte Zobel, P. (2024). Man-Power-Amplifying Exoskeleton with Pneumatic Actuator. Actuators, 13(1), 12. https://doi.org/10.3390/act13010012
