Understanding Shape Memory Alloy Torsional Actuators: From the Conceptual to the Preliminary Design
Abstract
:1. Introduction
2. Materials and Methods
2.1. Preliminary Remarks
2.1.1. Phase Diagram
2.1.2. Stress–Strain Diagram
2.1.3. Strain–Temperature Diagram
2.2. Graphical Analysis
2.2.1. Theoretical Approach Based on Stiffness Curve Comparison
2.2.2. Actuator Architecture
2.2.3. Actuator with Clutch
2.2.4. Actuator without Clutch
- The transformation generates twinned martensite, eventually decaying the SMA actuator performance due to retained martensite and the consequent decrease in of transformation strain over time. On the other hand, this would open a new region in the phase diagram, that has not been considered before.
- The transformation generates detwinned martensite, even without a macroscopic shape change, thus preserving the transformation strain and the SMA performance over time.
2.3. FEM Validation
2.3.1. FEM Model and Material Validation
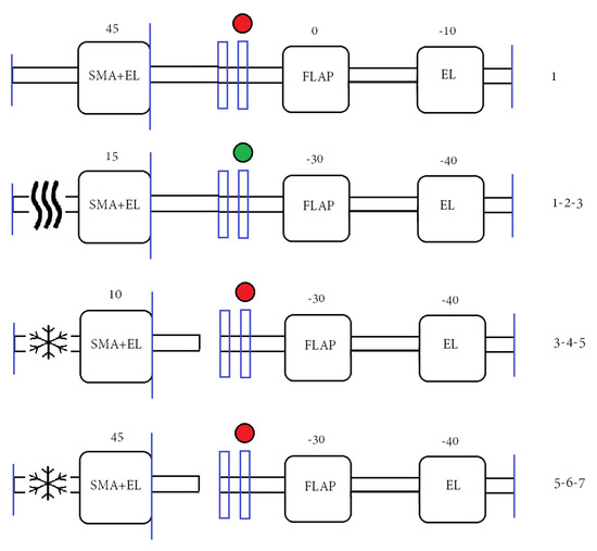
2.3.2. Mechanical and Thermal Cycles
2.3.3. Actuation with and without Clutch
2.4. Load Estimations
3. Concluding Remarks
Author Contributions
Funding
Institutional Review Board Statement
Informed Consent Statement
Data Availability Statement
Acknowledgments
Conflicts of Interest
Abbreviations
| ATE | Adaptive Trailing Edge |
| FEM | Finite Element Method |
| SMA | Shape Memory Alloy |
| UAV | Unmanned Aerial Vehicle |
References
- Calkins, F.T.; Mabe, J.H. Shape memory alloy based morphing aerostructures. J. Mech. Des. 2010, 132, 111012–111019. [Google Scholar] [CrossRef]
- Mabe, J.H.; Calkins, F.T.; Bushnell, G.S.; Bieniawski, S.R. Shape Memory Alloy Actuator. U.S. Patent No 8,118,264, 21 February 2012. [Google Scholar]
- Bushnell, G.S.; Arbogast, D.; Ruggeri, R. Shape control of a morphing structure (rotor blade) using a shape memory alloy actuator system. In Proceedings of the SPIE 6928, Active and Passive Smart Structures and Integrated Systems 2008, 69282A, San Diego, CA, USA, 18 April 2008. [Google Scholar]
- Arbogast, D.J.; Ruggeri, R.T.; Bussom, R.C. Development of a 1/4-scale NiTinol actuator for reconfigurable structures. In Proceedings of the SPIE 6930, Industrial and Commercial Applications of Smart Structures Technologies 2008, 69300L, San Diego, CA, USA, 19 March 2008. [Google Scholar]
- Calkins, F.T.; Mabe, J.H. Flight test of a shape memory alloy actuated adaptive trailing edge flap. In Proceedings of the ASME 2016 Conference on Smart Materials, Adaptive Structures and Intelligent Systems, Volume 1: Multifunctional Materials, Mechanics and Behavior of Active Materials, Integrated System Design and Implementation, Structural Health Monitoring, Stowe, VT, USA, 28–30 September 2016. [Google Scholar]
- Stroud, H.; Hartl, D. Shape memory alloy torsional actuators: A review of applications, experimental investigations, modeling, and design. Smart Mater. Struct. 2020, 29, 113001–113018. [Google Scholar] [CrossRef]
- Ameduri, S.; Ciminello, M.; Concilio, A.; Dimino, I.; Galasso, B.; Guida, M. Structural Module for Fixed and Rotary Wing. EP Patent Application No. 21425028, 25 May 2021. [Google Scholar]
- Auricchio, F.; Bonetti, E.; Scalet, G.; Ubertini, F. Theoretical and numerical modeling of shape memory alloys accounting for multiple phase transformations and martensite reorientation. Int. J. Plast. 2014, 59, 30–54. [Google Scholar] [CrossRef]
- Popov, P.; Lagoudas, D.C. A 3-D constitutive model for shape memory alloys incorporating pseudoelasticity and detwinning of self-accommodated martensite. Int. J. Plast. 2007, 23, 1679–1720. [Google Scholar] [CrossRef]
- Mirzaeifar, R.; DesRoches, R.; Yavari, A. Exact solutions for pure torsion of shape memory alloy circular bars. Mech. Mater. 2010, 42, 797–806. [Google Scholar] [CrossRef]
- Taheri Andani, M.; Alipour, A.; Eshghinejad, A.; Elahinia, M. Modifying the torque–angle behavior of rotary shape memory alloy actuators through axial loading: A semi-analytical study of combined tension–torsion behavior. J. Intell. Mater. Syst. Struct. 2013, 24, 1524–1535. [Google Scholar] [CrossRef]
- Benafan, O.; Gaydosh, D.J. High Temperature Shape Memory Alloy Ni50.3Ti29.7Hf20 Torque Tube Actuators. Smart Mater. Struct. 2017, 26, 95002–95011. [Google Scholar] [CrossRef]
- Mabe, J.; Ruggeri, R.; Rosenzweig, E.; Yu, C. NiTinol Performance Characterization and Rotary Actuator Design. In Proceedings of the SPIE 5388, Smart Structures and Materials 2004: Industrial and Commercial Applications of Smart Structures Technologies, San Diego, CA, USA, 29 July 2004. [Google Scholar]
- Pecora, R.; Ameduri, S.; Rea, F. Active Metal Structures. In Morphing Wing Technologies: Large Commercial Aircraft and Civil Helicopters; Ricci, S., Dimino, I., Lecce, L., Pecora, R., Aliabadi Ferri, M.H., Botez, R., Semperlotti, F., Eds.; Butterworth-Heinemann: Oxford, UK, 2018; pp. 302–311. [Google Scholar]
- Auricchio, F. A robust integration-algorithm for a finite-strain shape-memory alloy superelastic model. Int. J. Plast. 2001, 17, 971–990. [Google Scholar] [CrossRef]
- Auricchio, F.; Taylor, R. Shape-memory alloys: Modelling and numerical simulations of the finite-strain superelastic behavior. Comput. Methods Appl. Mech. Eng. 1997, 143, 175–194. [Google Scholar] [CrossRef]
- MSC Software. MSC Nastran 2013.1.1-Quick Reference Guide; MSC Software: Plano, TX, USA, 2013; pp. 2070–2073. [Google Scholar]
- MSC Software. MSC Nastran 2021 Nonlinear (SOL 400)-User’s Guide; MSC Software: Plano, TX, USA, 2021; pp. 599–602. [Google Scholar]
- EASA. Certification Specifications for Normal, Utility, Aerobatic, and Commuter Category Aeroplanes CS-23; EASA Amendment 3; EASA: Cologne, Germany, 2012; pp. 1B2–1B10.
- EASA. Certification Specifications for Large Aeroplanes CS-25; EASA Amendment 3; EASA: Cologne, Germany, 2007; pp. 1B3–1B12.
- AAI RQ-7 Shadow-Specifications (200 Family). Available online: https://en.wikipedia.org/wiki/AAI_RQ-7_Shadow (accessed on 8 May 2021).
- Cessna 172. Available online: https://en.wikipedia.org/wiki/Cessna_172 (accessed on 8 May 2021).
- ATR 42-600. Available online: https://www.atr-aircraft.com/our-aircraft/atr-42-600/ (accessed on 8 May 2021).
- AAI RQ-7B Shadow 200 Technical Sketch. Available online: https://aviationsmilitaires.net/v3/kb/picture/7236/aai-rq-7b-shadow-200 (accessed on 8 May 2021).
- Skyhawk Model 172S-Specification & Description. Available online: https://www.aeromecanic.com/Skyhawk_DOC_FR_files/spec.pdf (accessed on 8 May 2021).
- Florjancic, D. Improved Design of a High Lift System for General Aviation Aircraft. Master’s Thesis, TU Delft, Delft, The Netherlands, 25 August 2015. [Google Scholar]
- Zaccai, D.; Bertels, F.; Vos, R. Design methodology for trailing-edge high-lift mechanisms. CEAS Aeronaut. J. 2016, 7, 521–534. [Google Scholar] [CrossRef] [Green Version]





















| 1 | 2 | 3 | 4 | 5 | 6 | 7 | 8 | 9 | 10 |
|---|---|---|---|---|---|---|---|---|---|
| MATSMA | MID | MODEL | L | ||||||
| MATSMA | 1 | 1 | 24 | ||||||
| 150 | 325 | ||||||||
| 175 | 45 |
| Th | FEM | Err% | |
|---|---|---|---|
| (MPa) | 325 | 314.5 | 3.2 |
| (MPa) | 150 | 147 | 2.0 |
| (MPa) | 175 | 173.8 | 0.7 |
| (MPa) | 45 | 41.4 | 8.0 |
| STEP 0 | Set T = 24 C | |
| STEP 1 | Displacement-driven loading to 172; T = 24 C | Blue segment in Figure 18 |
| STEP 2 | Unloading to 21 Nm; T = 24 C | Red segment in Figure 18 |
| STEP 3 | Heating 24 C → 46 C @ Variable load | Purple segment in Figure 18 |
| STEP 4 | Unloading to 21 Nm; T = 46 C | Green segment in Figure 18 |
| STEP 5 | Cooling 46 C → 0 C @ Constant load | Cyan segment in Figure 18 |
| STEP 0 | Set T = 24 C | |
| STEP 1 | Displacement-driven loading to 172; T = 24 C | Blue segment in Figure 20 |
| STEP 2 | Unloading to 21 Nm; T = 24 C | Red segment in Figure 20 |
| STEP 3 | Heating 24 C → 46 C @ Variable load | Purple segment in Figure 20 |
| STEP 4 | Constant 21 Nm torque; T = 46 C; One-way constraint | |
| STEP 5 | Cooling 46 C → 0 C @ Constant load with one-way constraint | Cyan segment in Figure 20 |
| RQ7 Shadow | Cessna 172 | ATR 42 600 | |||||||
|---|---|---|---|---|---|---|---|---|---|
| Gross weight | 170 | kg | [21] | 1111 | kg | [22] | 18,600 | kg | [23] |
| Wingspan | 3.87 | m | [21] | 11 | m | [22] | 24.57 | m | [23] |
| Airfoil | NACA 4415 | [21] | NACA 2412 | [22] | NACA 23015 | ||||
| Root chord | 0.42 | m | [24] | 1.63 | m | [25] | 2.624 | m | [23] |
| Flap chord | 0.114 | m | [24] | 0.491 | m | [25] | 0.75 | m | [23] |
| Flap span | 1.012 | m | [24] | 2.043 | m | [25] | 3.498 | m | [23] |
| x% | 73% | [24] | 70% | [25] | 71% | [23] | |||
| 40 | ° | [21] | 30 | ° | [25] | 30 | ° | [23] | |
| Stall speed () | 17.5 | m/s | 24.2 | m/s | [25] | 50.99 | m/s | ||
| Cruise speed | 36 | m/s | [21] | 62.8 | m/s | [22] | 154.4 | m/s | [23] |
| Max speed | 55.5 | m/s | [21] | 80 | m/s | [22] | |||
| 21 | m/s | 29 | m/s | 57 | m/s | [23] | |||
| 22.75 | m/s | 31.46 | m/s | 62.72 | m/s | ||||
| 34.12 | m/s | 47.19 | m/s | 94.08 | m/s | ||||
| 0.099 | 0.138 | 0.274 | |||||||
| 22.75 | m/s | 31.46 | m/s | 62.72 | m/s | ||||
| 0.092 | 0.127 | 0.252 | |||||||
| 0.34 | 0.38 | 0.37 | |||||||
| 3.19 | Nm | 255.28 | Nm | 3946.69 | Nm | ||||
| / span | 3.15 | N | 124.95 | N | 1128.27 | N |
| ATR 42 600 | ||
|---|---|---|
| Airfoil | NACA 23015 | |
| Root chord | 2.624 | m |
| Flap chord | 0.75 | m |
| Flap span | 3.498 | m |
| % | 98% | |
| 20 | ° | |
| Cruise speed | 154.4 | m/s |
| 0.467 | ||
| 0.1 | ||
| 9.4 | Nm | |
| /span | 2.7 | N |
Publisher’s Note: MDPI stays neutral with regard to jurisdictional claims in published maps and institutional affiliations. |
© 2022 by the authors. Licensee MDPI, Basel, Switzerland. This article is an open access article distributed under the terms and conditions of the Creative Commons Attribution (CC BY) license (https://creativecommons.org/licenses/by/4.0/).
Share and Cite
Sansone, M.; Ameduri, S.; Concilio, A.; Cestino, E. Understanding Shape Memory Alloy Torsional Actuators: From the Conceptual to the Preliminary Design. Actuators 2022, 11, 81. https://doi.org/10.3390/act11030081
Sansone M, Ameduri S, Concilio A, Cestino E. Understanding Shape Memory Alloy Torsional Actuators: From the Conceptual to the Preliminary Design. Actuators. 2022; 11(3):81. https://doi.org/10.3390/act11030081
Chicago/Turabian StyleSansone, Mario, Salvatore Ameduri, Antonio Concilio, and Enrico Cestino. 2022. "Understanding Shape Memory Alloy Torsional Actuators: From the Conceptual to the Preliminary Design" Actuators 11, no. 3: 81. https://doi.org/10.3390/act11030081
APA StyleSansone, M., Ameduri, S., Concilio, A., & Cestino, E. (2022). Understanding Shape Memory Alloy Torsional Actuators: From the Conceptual to the Preliminary Design. Actuators, 11(3), 81. https://doi.org/10.3390/act11030081

