Robust Control Design Based on Perturbation Cancellation for Micro-Positioning Design with Hysteresis
Abstract
1. Introduction
2. Dynamics of the Controlled Piezoelectric Actuator
2.1. Hysteresis Effect
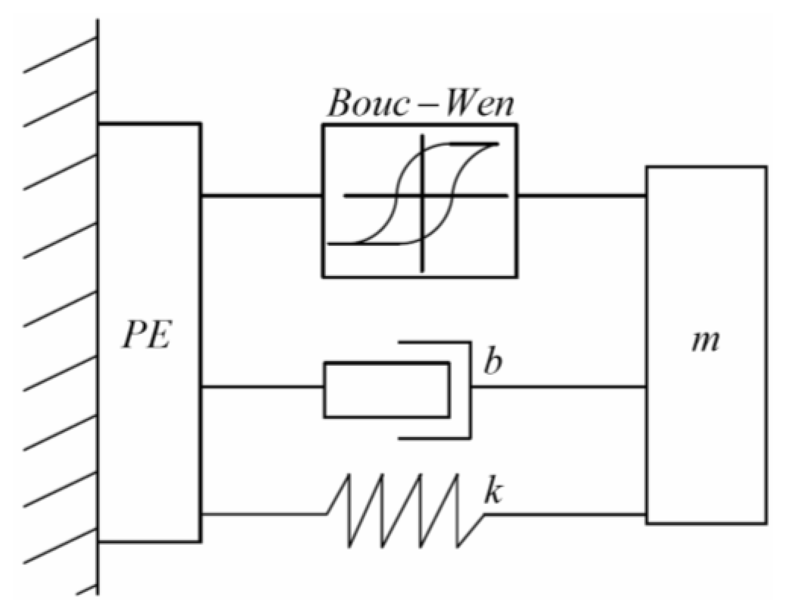
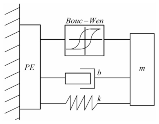
2.2. Dynamic Model of Micro-Positioning Actuators
3. Nonlinear Control Design of Micro-Positioning Actuators
3.1. Adaptive Fuzzy Robust Control Design with Respect to Unknown System Perturbations
3.2. Perturbation Elimination
4. Simulation and Discussion
4.1. Parameters of the Micro-Positioning Actuator and the Proposed Controller
4.2. Simulation Results
5. Validation of Real Micro-Positioning System
6. Conclusions
Author Contributions
Funding
Institutional Review Board Statement
Informed Consent Statement
Data Availability Statement
Conflicts of Interest
References
- Muro, H. History and recent progress of MEMS physical sensors. In Advances in Science and Technology; Trans Tech Publications Ltd.: Freienbach, Switzerland, 2013; pp. 1–8. [Google Scholar]
- Wei, J.; Qiu, Z.; Han, J.; Wang, Y. Experimental comparison research on active vibration control for flexible piezoelectric manipulator using fuzzy controller. J. Intell. Robot. Syst. 2010, 59, 31–56. [Google Scholar] [CrossRef]
- Afzal, S.; António, P.C. Adaptive control of an aeroelastic flight vehicle using piezoelectric actuators. Comput. Struct. 2004, 82, 1303–1314. [Google Scholar]
- Senousy, M.; Li, F.X.; Mumford, D.; Gadala, M.; Rajapakse, R. Thermo-electro-mechanical performance of piezoelectric stack actuators for fuel injector applications. J. Intell. Mater. Syst. Struct. 2009, 20, 387–399. [Google Scholar] [CrossRef]
- Song, H.; Vdovin, G.; Fraanje, R.; Schitter, G.; Verhaegen, M. Extracting hysteresis from nonlinear measurement of wavefront-sensorless adaptive optics system. Opt. Lett. 2009, 34, 61–63. [Google Scholar] [CrossRef] [PubMed][Green Version]
- Chaoyang, S.; Devin, K.L.; Qinmin, Y.; Jun, L.; Jun, C.; Changhai, R.; Shaorong, X.; Jun, L.; Ji, G.; Yu, S. Recent advances in nanorobotic manipulation inside scanning electron microscopes. Microsyst. Nanoeng. 2016, 2, 1–16. [Google Scholar]
- Quan, Z.; Jianguo, Z.; Xin, S.; Qing, X.; Jun, H.; Yuan, W. Design, Modeling, and Testing of a Novel XY Piezo-Actuated Compliant Micro-Positioning Stage. Micromachines 2019, 10, 581. [Google Scholar]
- Asua, E.; García-Arribas, A.; Victor, E. Micropositioning using shape memory alloy actuators. Eur. Phys. J. Spec. Top. 2008, 158, 231–236. [Google Scholar] [CrossRef]
- Muneeb Ullah, K.; Christine, P.; Frédéric, L.; Stephanus, B. Design and assessment of a micropositioning system driven by electromagnetic actuators. IEEE/ASME Trans. Mechatron. 2016, 22, 551–560. [Google Scholar]
- Suthisomboon, T.; Bargiel, S.; Rabenorosoa, K.; Pengwang, E. Design and Simulation of XZ MEMS Micropositioning with 3D-Complex Structure. In 2020 Symposium on Design, Test, Integration & Packaging of MEMS and MOEMS (DTIP); IEEE: Piscataway, NJ, USA, 2020; pp. 1–5. [Google Scholar]
- Christian, N.; Johannes, B.; David, L.; Thomas, W.; Helmut, F.S.; Gabriel, S.; Torsten, A. Development of an electrothermal micro positioning platform for laser targets with two degrees of freedom. In Design, Test, Integration and Packaging of MEMS/MOEMS, Proceedings of the 2016 International Conference on Manipulation, Automation and Robotics at Small Scales (MARSS), Paris, France, 18–22 July 2016; IEEE: Piscataway, NJ, USA, 2016; pp. 1–5. [Google Scholar]
- Basem, M.B.; Wahied, G.A. Nano positioning fuzzy control for piezoelectric actuators. Int. J. Eng. Tech. (IJETIJENS) 2010, 10, 70–74. [Google Scholar]
- Alden, D.; Matteo, V.; Nicola, P.B. A comprehensive survey on microgrippers design: Operational strategy. J. Mech. Des. 2017, 139, 070801. [Google Scholar]
- Saber, A.; Ali, G.; Hamid, J.; Mohammad Reza, G. A conceptual study on the dynamics of a piezoelectric MEMS (Micro Electro Mechanical System) energy harvester. Energy 2016, 96, 495–506. [Google Scholar]
- Zhiyong, G.; Yanling, T.; Chunfeng, L.; Fujun, W.; Xianping, L.; Bijan, S.; Dawei, Z. Design and control methodology of a 3-DOF flexure-based mechanism for micro/nano-positioning. Robot. Comput. Integr. Manuf. 2015, 32, 93–105. [Google Scholar]
- Mickaël, L.; Kui, L.; Zhichun, Y.; Wei, W. System-level modeling of nonlinear hysteretic piezoelectric actuators in quasi-static operations. Mech. Syst. Signal Process. 2019, 116, 985–996. [Google Scholar]
- Sabarianand, D.; Karthikeyan, P.; Muthuramalingam, T. A review on control strategies for compensation of hysteresis and creep on piezoelectric actuators based micro systems. Mech. Syst. Signal Process. 2020, 140, 106634. [Google Scholar] [CrossRef]
- Cheng, L.; Liu, W.; Hou, Z.; Yu, J.; Tan, M. Neural-Network-Based Nonlinear Model Predictive Control for Piezoelectric Actuators. IEEE Trans. Ind. Electron. 2015, 62, 7717–7727. [Google Scholar] [CrossRef]
- Dang, X.; Tan, Y. RBF Neural Networks Hysteresis Modelling for Piezoceramic Actuator Using Hybrid Model. Mech. Syst. Signal Process. 2007, 21, 430–440. [Google Scholar] [CrossRef]
- Serpico, C.; Visone, C. Magnetic hysteresis modeling via feed-forward neural networks. IEEE Trans. Magn. 1998, 34, 623–628. [Google Scholar] [CrossRef]
- Xiao, S.; Li, Y. Dynamic compensation and H∞ control for piezoelectric actuators based on the inverse Bouc—Wen model. Robot. Comput. Integr. Manuf. 2014, 30, 47–54. [Google Scholar] [CrossRef]
- Rajko, S.; Dragan, K. Feedforward neural network position control of a piezoelectric actuator based on a BAT search algorithm. Expert Syst. Appl. 2015, 42, 5416–5423. [Google Scholar]
- Nguyen, P.B.; Choi, S.B.; Song, B.K. A new approach to hysteresis modelling for a piezoelectric actuator using Preisach model and recursive method with an application to open-loop position tracking control. Sens. Actuators A Phys. 2018, 270, 136–152. [Google Scholar] [CrossRef]
- Liu, L.; Tan, K.K.; Chen, S.; Teo, C.S.; Lee, T.H. Discrete composite control of piezoelectric actuators for high-speed and precision scanning. IEEE Trans. Ind. Inform. 2012, 9, 859–868. [Google Scholar] [CrossRef]
- Zhang, X.; Wang, Y.; Wang, C.; Su, C.Y.; Li, Z.; Chen, X. Adaptive estimated inverse output-feedback quantized control for piezoelectric positioning stage. IEEE Trans. Cybern. 2018, 49, 2106–2118. [Google Scholar] [CrossRef] [PubMed]
- Jian, Y.; Huang, D.; Liu, J.; Min, D. High-precision tracking of piezoelectric actuator using iterative learning control and direct inverse compensation of hysteresis. IEEE Trans. Ind. Electron. 2018, 66, 368–377. [Google Scholar] [CrossRef]
- Ahmad, I. Two Degree-of-Freedom Robust Digital Controller Design With Bouc-Wen Hysteresis Compensator for Piezoelectric Positioning Stage. IEEE Access 2018, 6, 17275–17283. [Google Scholar] [CrossRef]
- Gan, M.; Qiao, Z.; Li, Y. Sliding Mode Control with Perturbation Estimation and Hysteresis Compensator Based on Bouc-Wen Model in Tackling Fast-Varying Sinusoidal Position Control of a Piezoelectric Actuator. J. Syst. Sci. Complex. 2016, 29, 367–381. [Google Scholar] [CrossRef]
- Micky, R. Bouc–Wen modeling and inverse multiplicative structure to compensate hysteresis nonlinearity in piezoelectric actuators. IEEE Trans. Autom. Sci. Eng. 2010, 8, 428–431. [Google Scholar]
- Chen, Y.Y.; Chang, Y.T.; Chen, B.S. Fuzzy Solutions to Partial Differential Equations: Adaptive Approach. IEEE Trans. Fuzzy Syst. 2009, 17, 116–127. [Google Scholar] [CrossRef]
- Chen, B.S.; Wu, C.S.; Jan, Y.W. Adaptive fuzzy mixed H2/H∞ attitude control of spacecraft. IEEE Trans. Aerosp. Electron. Syst. 2000, 36, 1343–1359. [Google Scholar]




















| Parameter | Value | Unit |
|---|---|---|
| Fuzzy Membership Functions |
|---|
| Parameters of the virtual controller v |
| Desired Trajectory | RMS Positioning Errors of Simulation Results | RMS Positioning Errors of Practical Results |
|---|---|---|
| Trapezoidal Trajectory | 0.010 (μm) | 0.011 (μm) |
| Sinusoidal Trajectory | 0.0003 (μm) | 0.003 (μm) |
Publisher’s Note: MDPI stays neutral with regard to jurisdictional claims in published maps and institutional affiliations. |
© 2021 by the authors. Licensee MDPI, Basel, Switzerland. This article is an open access article distributed under the terms and conditions of the Creative Commons Attribution (CC BY) license (https://creativecommons.org/licenses/by/4.0/).
Share and Cite
Chen, Y.-Y.; Lan, Y.-J.; Zhang, Y.-Q. Robust Control Design Based on Perturbation Cancellation for Micro-Positioning Design with Hysteresis. Actuators 2021, 10, 278. https://doi.org/10.3390/act10110278
Chen Y-Y, Lan Y-J, Zhang Y-Q. Robust Control Design Based on Perturbation Cancellation for Micro-Positioning Design with Hysteresis. Actuators. 2021; 10(11):278. https://doi.org/10.3390/act10110278
Chicago/Turabian StyleChen, Yung-Yue, Yu-Jen Lan, and Yi-Qing Zhang. 2021. "Robust Control Design Based on Perturbation Cancellation for Micro-Positioning Design with Hysteresis" Actuators 10, no. 11: 278. https://doi.org/10.3390/act10110278
APA StyleChen, Y.-Y., Lan, Y.-J., & Zhang, Y.-Q. (2021). Robust Control Design Based on Perturbation Cancellation for Micro-Positioning Design with Hysteresis. Actuators, 10(11), 278. https://doi.org/10.3390/act10110278
