Critical Condition of Dynamic Recrystallization in 35CrMo Steel
Abstract
:1. Introduction
2. Experimental Materials and Procedures
3. Results and Discussion
3.1. Work Hardening Phenomenon
3.2. Characteristics of Stress–Strain Curves
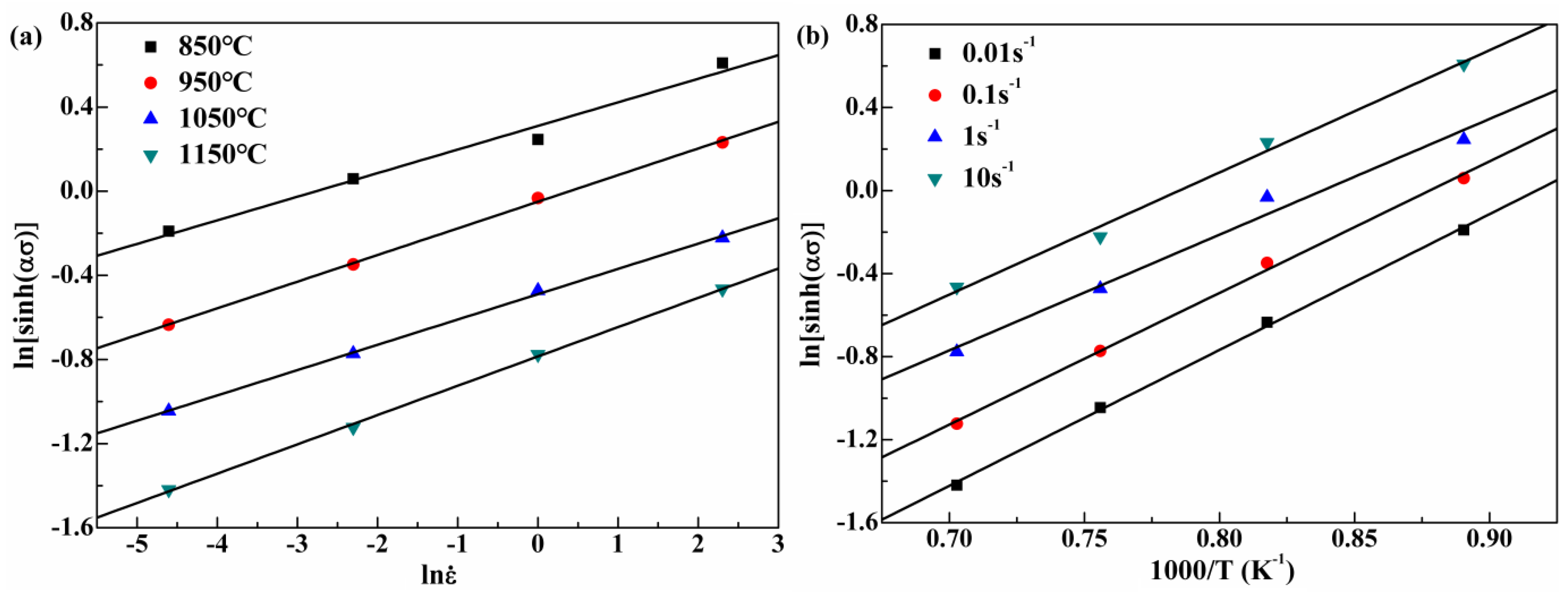
3.3. The Activation Energy of 35CrMo Steel
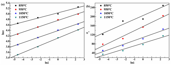
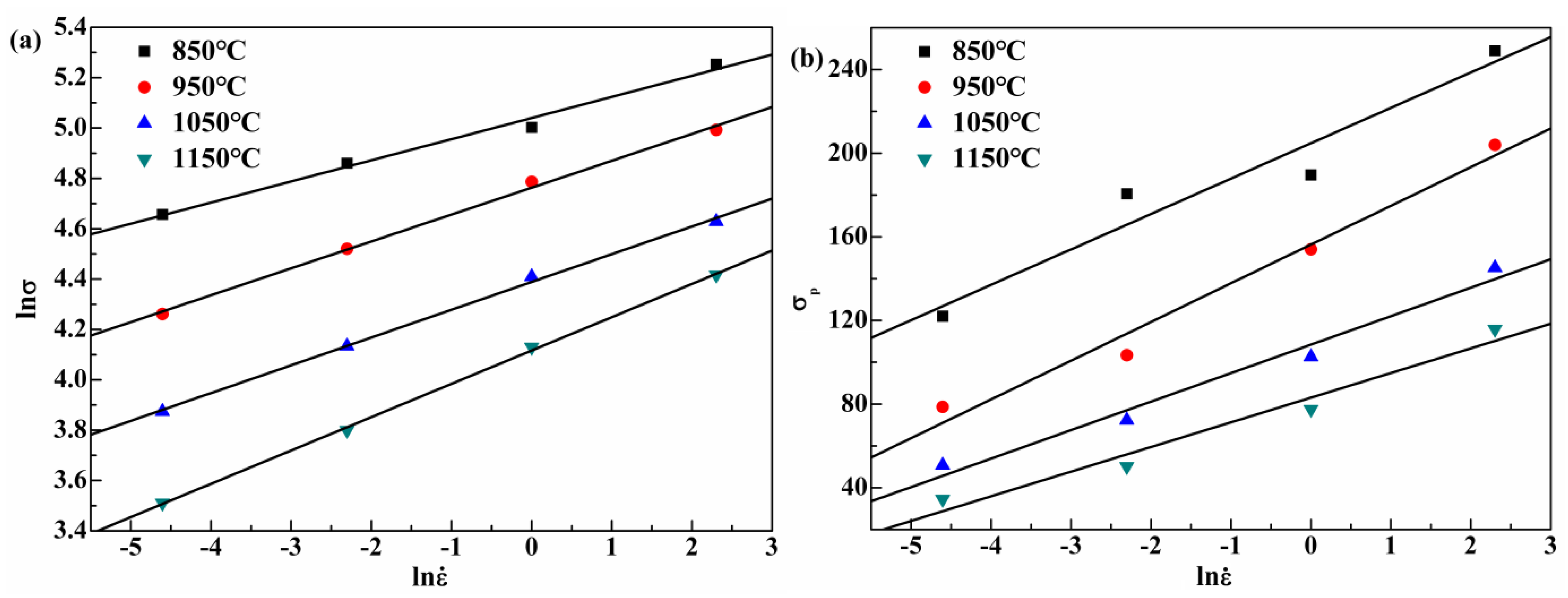
3.4. Critical Stress for Initiation of Dynamic Recrystallization (DRX)
3.5. Microstructure Evolution and DRX State Diagram
4. Conclusions
- (1)
- In the work hardening process, the dislocation density accumulated to a certain critical value, microstructural heterogeneity or boundary kinetics may play a role to render a microstructure that behaves stable or unstable at the critical point. Consequently, there will be a point of inflection which can be expressed on the θ-σ curve at the transition from large strain hardening stage to DRX softening stage.
- (2)
- DRV and DRX mechanisms are the softening mechanisms of 35CrMo steel during hot deformation, whose flow curves exhibit DRV and DRX types and followed by a steady-state flow. When the DRX occurs in the 35CrMo steel, the θ-σ curve has an inflection point, and the maximum value appears on the dθ/dσ-σ curve. The critical strain of the DRX of 35CrMo steel can be determined by the inflection point criterion.
- (3)
- The experimental results show that the activation energy of 35CrMo steel in this paper is Q = 408.498 kJ/mol, and the expression of Z parameter is .
- (4)
- The critical stress σc and the critical strain εc of 35CrMo steel increase with the decrease of the deformation temperature and the increase of the strain rate. The critical strain and the peak strain satisfy the relationship: εc = 0.31912εp and the critical strain model is εc = 2.32 × 10−4Z0.1673. With the increase of Z parameters—i.e., with the decrease of deformation temperature and the increase of strain rate—the DRX of 35CrMo steel becomes more difficult, which can be reflected by the state diagram of DRX for 35CrMo steel.
Acknowledgments
Author Contributions
Conflict of Interest
References
- Galiyev, A.; Kaibyshev, R.; Gottstein, G. Correlation of plastic deformation and dynamic recrystallization in magnesium alloy ZK60. Acta Mater. 2001, 49, 1199–1207. [Google Scholar] [CrossRef]
- Mejía, I.; Bedolla-Jacuinde, A.; Maldonado, C.; Cabrera, J.M. Determination of the critical conditions for the initiation of dynamic recrystallization in boron microalloyed steels. Mater. Sci. Eng. A 2011, 528, 4133–4140. [Google Scholar] [CrossRef]
- Takaki, T.; Yoshimoto, C.; Yamanaka, A.; Tomita, Y. Multiscale modeling of hot-working with dynamic recrystallization by coupling microstructure evolution and macroscopic mechanical behavior. Int. J. Plast. 2014, 52, 105–116. [Google Scholar] [CrossRef]
- Poliak, E.I.; Jonas, J.J. A one-parameter approach to determining the critical conditions for the initiation of dynamic recrystallization. Acta Mater. 1996, 44, 127–136. [Google Scholar] [CrossRef]
- Poliak, E.I.; Jonas, J.J. Initiation of Dynamic Recrystallization in Constant Strain Rate Hot Deformation. ISIJ Int. 2003, 43, 684–691. [Google Scholar] [CrossRef]
- Poliak, E.I.; Jonas, J.J. Critical Strain for Dynamic Recrystallization in Variable Strain Rate Hot Deformation. ISIJ Int. 2003, 43, 692–700. [Google Scholar] [CrossRef]
- Najafizadeh, A.; Jonas, J.J. Predicting the Critical Stress for Initiation of Dynamic Recrystallization. ISIJ Int. 2006, 46, 1679–1684. [Google Scholar] [CrossRef]
- Mirzadeh, H.; Najafizadeh, A. Prediction of the critical conditions for initiation of dynamic recrystallization. Mater. Des. 2010, 31, 1174–1179. [Google Scholar] [CrossRef]
- Xu, Y.; Tang, D.; Song, Y.; Pan, X. Dynamic recrystallization kinetics model of X70 pipeline steel. Mater. Des. 2012, 39, 168–174. [Google Scholar] [CrossRef]
- Li, L.; Ye, B.; Liu, S.; Hu, S.; Li, B. Inverse analysis of the stress–strain curve to determine the materials models of work hardening and dynamic recovery. Mater. Sci. Eng. A 2015, 636, 243–248. [Google Scholar] [CrossRef]
- Zhang, P.; Yi, C.; Chen, G.; Qin, H.; Wang, C. Constitutive model based on dynamic recrystallization behavior during thermal deformation of a nickel-based superalloy. Metals 2016, 6. [Google Scholar] [CrossRef]
- Zhang, B.; Zhang, H.B.; Ruan, X.Y.; Zhang, Y. Hot deformation behavior and dynamic recrystallization model of 35CrMo steel. Acta Metall. Sin. 2003, 16, 183–191. [Google Scholar]
- Far, S.V.S.; Ketabchi, M.; Nourani, M.R. Hot Deformation Characteristics of 34CrMo4 Steel. J. Iron Steel Res. 2010, 17, 65–69. [Google Scholar]
- Xu, W.; Zou, M.; Zhang, L. Constitutive analysis to predict the hot deformation behavior of 34CrMo4 steel with an optimum solution method for stress multiplier. Int. J Press. Vessel. Pip. 2014, 123, 70–76. [Google Scholar] [CrossRef]
- Xiao, Z.; Huang, Y.; Liu, H.; Wang, S. Hot Tensile and Fracture Behavior of 35CrMo Steel at Elevated Temperature and Strain Rate. Metals 2016, 6, 210. [Google Scholar] [CrossRef]
- Estrin, Y. Dislocation theory based constitutive modelling: Foundations and applications. J. Mater. Process. Technol. 1998, 80–81, 33–39. [Google Scholar] [CrossRef]
- Gottstein, G.; Frommert, M.; Goerdeler, M.; Schäfer, N. Prediction of the critical conditions for dynamic recrystallization in the austenitic steel 800H. Mater. Sci. Eng. A 2004, 387, 604–608. [Google Scholar] [CrossRef]
- Pantleon, W. Stage IV work-hardening related to disorientations in dislocation structures. Mater. Sci. Eng. A 2004, 387–389, 257–261. [Google Scholar] [CrossRef]
- Alexandrov, I.V.; Valiev, R.Z. Nanostructures from severe plastic deformation and mechanisms of large-strain work hardening. Nanostruct. Mater. 1999, 12, 709–712. [Google Scholar] [CrossRef]
- Sevillano, J.G.; van Houtte, P.; Aernoudt, E. Large strain work hardening and textures. Prog. Mater. Sci. 1980, 25, 69–134. [Google Scholar] [CrossRef]
- Gottstein, G.; Brünger, E.; Frommert, M.; Goerdeler, M.; Zeng, M. Prediction of the critical conditions for dynamic recrystallization in metals. Z. Metallkunde 2003, 94, 628–635. [Google Scholar] [CrossRef]
- Edington, J.W.; Smallman, R.E. The relationship between flow stress and dislocation density in deformed vanadium. Acta Metall. 1964, 12, 1313–1328. [Google Scholar] [CrossRef]
- Zhang, L.; Sekido, N.; Ohmura, T. Real time correlation between flow stress and dislocation density in steel during deformation. Mater. Sci. Eng. A 2014, 611, 188–193. [Google Scholar] [CrossRef]
- Solhjoo, S. Determination of critical strain for initiation of dynamic recrystallization. Mater. Des. 2010, 31, 1360–1364. [Google Scholar] [CrossRef]
- Sun, W.P.; Hawbolt, E.B. Comparison between Static and Metadynamic Recrystallization. An Application to the Hot Rolling of Steels. ISIJ Int. 1997, 37, 1000–1009. [Google Scholar] [CrossRef]
- Sellars, C.M. The kinetics of softening processes during hot working of austenite. Czechoslov. J. Phys. 1985, 35, 239–248. [Google Scholar] [CrossRef]
- Meysami, M.; Mousavi, S.A.A.A. Study on the behavior of medium carbon vanadium microalloyed steel by hot compression test. Mater. Sci. Eng. A 2011, 528, 3049–3055. [Google Scholar] [CrossRef]
- Sellars, C.M.; Mctegart, W.J. On the mechanism of hot deformation. Acta Metall. 1966, 14, 1136–1138. [Google Scholar] [CrossRef]
- Zener, C.; Hollomon, J.H. Effect of Strain Rate Upon Plastic Flow of Steel. J. Appl. Phys. 1944, 15, 22–32. [Google Scholar] [CrossRef]















| Element | C | Si | Mn | Cr | Mo | S | P | Al | Ni | Fe |
|---|---|---|---|---|---|---|---|---|---|---|
| Content (wt. %) | 0.34 | 0.21 | 0.56 | 0.95 | 0.19 | 0.0051 | 0.019 | 0.0032 | 0.05 | Bal. |
| T (°C) | Strain Rate(s−1) | θ/σ Relation | σc (MPa) | σp (MPa) |
|---|---|---|---|---|
| 950 | 0.01 | θ = −1.72 × 10−1σ3 + 3.34 × 10σ2 − 2.15 × 103σ + 4.60 × 104 | 64.73 | 78.87 |
| 1050 | 0.01 | θ= −1.81 × 10−1σ3 + 2.33 × 10σ2 − 1.01 × 103σ + 1.49 × 104 | 43.03 | 50.86 |
| 0.1 | θ = −3.86 × 10−2σ3 + 0.75 × 10σ2 − 4.88 × 102σ + 1.06 × 104 | 64.77 | 72.97 | |
| 1 | θ = −6.04 × 10−2σ3 + 1.49 × 10σ2 − 1.23 × 103σ + 3.41 × 104 | 82.21 | 102.75 | |
| 1150 | 0.01 | θ = −2.78 × 10−1σ3 + 2.37 × 10σ2 − 6.87 × 102σ + 6.87 × 103 | 28.45 | 34.67 |
| 0.1 | θ = −9.06 × 10−2σ3 + 1.16 × 10σ2 − 6.00 × 102σ + 7.38 × 103 | 42.77 | 50.27 | |
| 1 | θ = −1.63 × 10−2σ3 + 0.31 × 10σ2 − 1.99 × 102σ + 4.63 × 103 | 62.40 | 77.59 | |
| 10 | θ = −2.80 × 10−2σ3 + 0.24 × 10σ2 − 2.33 × 102σ + 7.93 × 103 | 97.64 | 115.86 |
© 2017 by the authors. Licensee MDPI, Basel, Switzerland. This article is an open access article distributed under the terms and conditions of the Creative Commons Attribution (CC BY) license (http://creativecommons.org/licenses/by/4.0/).
Share and Cite
Huang, Y.; Wang, S.; Xiao, Z.; Liu, H. Critical Condition of Dynamic Recrystallization in 35CrMo Steel. Metals 2017, 7, 161. https://doi.org/10.3390/met7050161
Huang Y, Wang S, Xiao Z, Liu H. Critical Condition of Dynamic Recrystallization in 35CrMo Steel. Metals. 2017; 7(5):161. https://doi.org/10.3390/met7050161
Chicago/Turabian StyleHuang, Yuanchun, Sanxing Wang, Zhengbing Xiao, and Hui Liu. 2017. "Critical Condition of Dynamic Recrystallization in 35CrMo Steel" Metals 7, no. 5: 161. https://doi.org/10.3390/met7050161
APA StyleHuang, Y., Wang, S., Xiao, Z., & Liu, H. (2017). Critical Condition of Dynamic Recrystallization in 35CrMo Steel. Metals, 7(5), 161. https://doi.org/10.3390/met7050161

