Abstract
In order to characterize the creep behaviors of 2219 aluminum alloy at different temperatures and stress levels, a RWS-50 Electronic Creep Testing Machine (Zhuhai SUST Electrical Equipment Company, Zhuhai, China) was used for creep experiment at temperatures of 353~458 k and experimental stresses of 130~170 MPa. It was discovered that this alloy displayed classical creep curve characteristics in its creep behaviors within the experimental parameters, and its creep value increased with temperature and stress. Based on the creep equation of hyperbolic sine function, regression analysis was conducted of experimental data to calculate stress exponent, creep activation energy, and other related variables, and a 2219 aluminum alloy creep constitutive equation was established. Results of further analysis of the creep mechanism of the alloy at different temperatures indicated that the creep mechanism of 2219 aluminum alloy differed at different temperatures; and creek characteristics were presented in three stages at different temperatures, i.e., the grain boundary sliding creep mechanism at a low temperature stage (T < 373 K), the dislocation glide creep mechanism at a medium temperature stage (373 K ≤ T < 418 K), and the dislocation climb creep mechanism at a high temperature stage (T ≥ 418 K). By comparative analysis of the fitting results and experiment data, they were found to be in agreement with the experimental data, revealing that the established creep constitutive equation is suitable for different temperatures and stresses.
1. Introduction
Creep aging forming is a forming technique combining creep and aging heat treatment, which utilizes the creep and stress relaxation characteristics of materials to partially transform the elastic pre-strain of the component to be formed into plastic strain after a certain length of time and to provide aging strengthening in the meantime to obtain the required shape and properties of the component, so as to realize synchronization of part forming and formation of the properties [1,2]. The technique of creep aging forming can be dated back to the beginning of the 1950s and is currently considered one of the most important forming techniques in modern large aircraft manufacturing. In comparison with other forming methods such as shot peen forming and roll bending forming, creep aging forming is characterized by better mechanical properties, higher forming precision, and lower residual stress.
Establishing a creep constitutive equation is to accurately predict the properties and shape of the formed component. Abroad, Kowalewski et al. [3] established a metallic material creep unified constitutive model, which described the creep deformation behaviors of the material from the initial stage to the third stage of creep induced by dislocation hardening, nucleation at grain boundary holes, etc. K.C. Ho and Jianguo Lin [4,5] established a macro-micro coupling unified creep aging constitutive model based on aging dynamics and creep unity theory. However, neither of these models introduced the influence of temperature changes on creep behaviors of the material. In recent years, Jing Zhang [6] introduced the influence of temperature changes at different constant temperature aging stages on creep behaviors of the material from the perspective of multi-level (second-level) aging, Guan Chun-long [7] studied the creep behavior of 2024 aluminum alloy at cryogenic temperature. Further, An et al. [8] studied the influence of pre-deformation amount upon its mechanic performance and organization of 2219 aluminum alloy panels during two instances of thermo-mechanical treatment. However, as to the creep aging forming process of large aerospace components, the actual heating rate under the action of autoclave-tooling system is far lower than the heating rate of the specimens on the creep testing machine when establishing a material scale constitutive model. While conducting experimental research on the creep aging at an earlier stage in which a lower heating rate (0.75 K/min) was applied to reach to the aging temperature and then stayed for a period of time, the author discovered that, within the aging time of 13 h and under the conditions of experimental stresses at 150 and 210 MPa, respectively, the creep value at the heating stage reached 29.28% and 21.56% of the total creep value, respectively. In consideration of the influence of heating stages on material creep behaviors, this paper employed a RWS-50 Electronic Creep Relaxation Testing Machine (Zhuhai SUST Electrical Equipment Company, Zhuhai, China) for systematic research on the creep behaviors of 2219 aluminum alloy at different temperatures and stress states. Stress exponent, creep activation energy, and other parameters were analyzed and calculated to judge the alloy’s creep mechanism under different experimental conditions. A creep unified constitutive model was established as well that can apply to different temperatures and stresses.
2. Materials and Methods
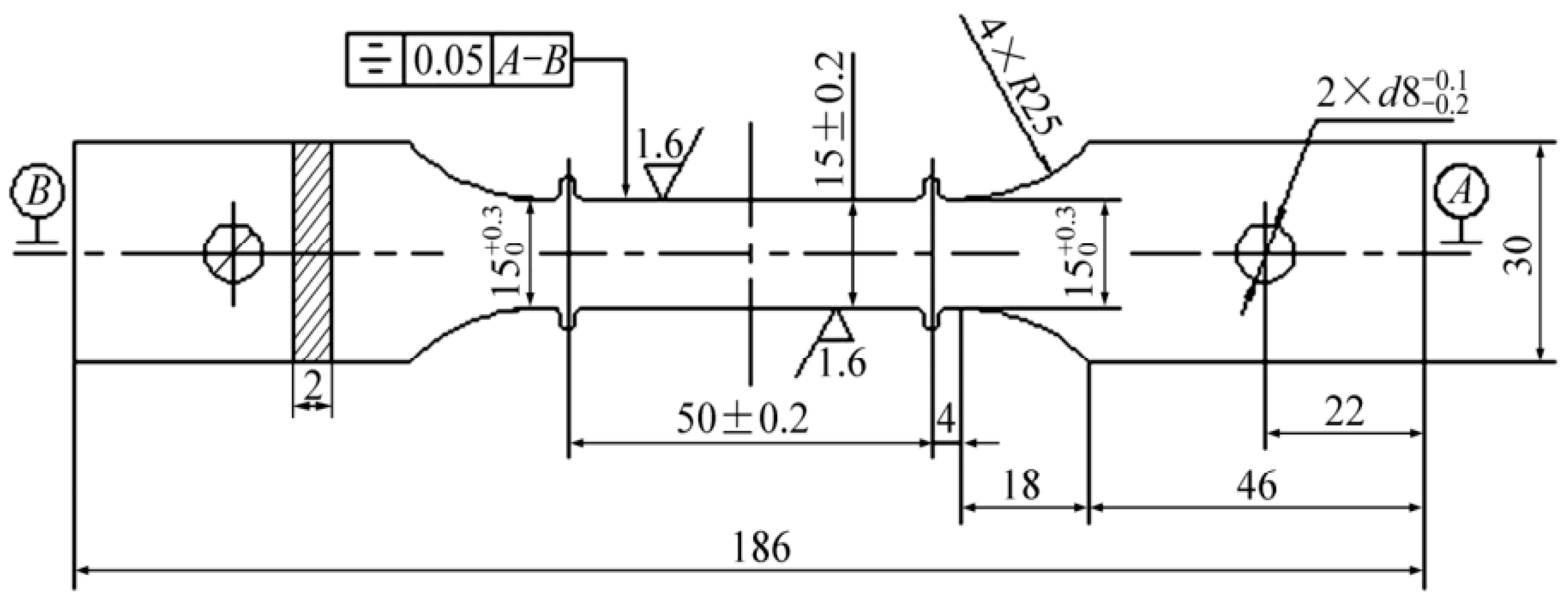
The 2219 aluminum alloy used in this experiment was hot rolling stripe steel provided by an institution and was cut into 2-mm standard specimens along the rolling direction in accordance with GB/T2039-1997. The exact chemical composition is given in Table 1. See Figure 1 for specimen dimension. The solution temperature of 2219 aluminum alloy is 808 K, and the solution time 36 min. The solid solution furnace temperature was controlled to maintain the tolerance within ±3 K as far as possible; the alloy was then treated by water quenching at room temperature before conducting the creep experiment. The quenching time was more than 35 s, and the specimens were kept in a refrigerated condition to reduce the influence of natural aging. Later, the RWS-50 Electronic Creep Machine was adopted for the creep experiment, which was produced at Zhuhai SUST Electrical Equipment Company in Zhuhai, China.
Table 1.
Main chemical constituents of 2219 aluminum alloy.
Figure 1.
Creep specimen dimension (unit: mm). A and B: datum plane.
3. Results and Discussion
3.1. Alloy Creep Behaviors
After solid solution and quenching, the experimental materials were put on the creep testing machine for creep tensile test. The stress conditions were set at three states of 130, 150, and 170 MPa, respectively, with an aging time of 15 h, and the experimental temperatures were set in order at 353, 373, 393, 418, 438, and 458 K. Figure 2 and Figure 3 show the creep curves under different experimental conditions.
Figure 2.
Creep curves of 2219 aluminum alloy at different experimental temperatures under the same stress. (a) 150 MPa; (b) 130 MPa.

Figure 3.
Creep curves of 2219 aluminum alloy at different temperatures and stress states. (a) 458 K; (b) 438 K; (c) 418 K; (d) 393 K; (e) 373 K; (f) 353 K.
From Figure 2 and Figure 3, it can be observed that experimental temperature and stress state are two principal factors that influence creep behaviors: the higher the temperature, the greater the experimental stress and hence the larger the creep deformation value. It can be discovered from Figure 2a,b that, as temperature increases, creep deformation value increases. For example, when the experimental stress was 150 MPa with an aging time of 15 h, the creep deformation values at experimental temperatures of 458, 438 and 418 k were 1.911%, 0.426%, and 0.251%, respectively. This is because an increase in temperature provides the atoms and vacancies with a possibility of thermal activation so that dislocation can continue with activity by overcoming certain short-range obstructions, giving rise to a continual increase in plastic deformation and rapid progression of creep [9]. As shown in Figure 3b, when the experimental temperature was 438 K, the creep deformation value under an experimental stress of 150 MPa was 0.426%, while that under an experimental stress of 170 MPa was 1.198%, which might have been due to a great deal of dislocation generated inside the material upon loading. The major obstruction of dislocation was the long range stress field caused by the dislocation; the overcoming of which a shearing stress must be relied on [10]. Therefore, the greater the applied stress, the easier it is for dislocation to go through its obstruction. When the stress is constant and consistent with the aging time, creep deformation value increases as temperature increases.
In general, the creep process can be divided into three stages: the first creep stage (decelerated creep stage); the second stage (steady creep stage); and the third stage (accelerated creep stage). Within the selected temperatures and stresses in the experiment, the first and second creep stages can be clearly observed on the creep curves, most of which failed to enter the third stage. However, when the experimental conditions reached a certain degree, such as in Figure 3a, at an aging temperature of 458 k when the experimental stress reached 170 MPa, the creep curve presented an S-shape. When it came to the aging time of 9 h, creep deformation value accelerated; around the aging time of 11 h, a fracture to the creep specimen was observed.
It can be seen from Figure 3 that, when the aging temperature was below a certain degree, it ceased to be the principal factor affecting creep deformation value. For instance, in Figure 3d–f, when the experimental stress was 150 MPa, the creep deformation values at temperatures of 393, 373 and 353 K, with an aging time of 15 h, were 0.254%, 0.268%, and 0.242%, respectively. At that point, the condition of stress amounted to be the principal factor affecting creep aging. Within the scope of conditions set in this experiment, the creep deformation value at the highest experimental temperature was more than 20 times that at the lowest aging time, from which it can be determined that, within the temperature range under 353 K, there is basically no creep aging behavior in 2219 aluminum alloy.
3.2. Computational Analysis of Creep Mechanism and Constitutive Equation Setup
Based on the creep deformation characteristics of the material, the creep process generally consists of a dislocation glide, dislocation climb, grain boundary sliding and diffusion, and other creep mechanisms. By the difference in stress exponent, the corresponding creep mechanism can be roughly determined [11,12,13,14]. Creep aging can be regarded as a process of thermal activated deformation, in which the constitutive equation models that describe the flow stress include [15]:
where, α, n, and β are generally believed to have the following correlation: α = β/n1. In the above equations, A1, A2, A, n1, n, α, and β are all material parameters, Q denotes the apparent activation energy for creep, R denotes molar gas constant, which is 8.314 J/mol, σ is the experimental stress, and T is the thermodynamic temperature.
Logarithms were taken on both sides in Equations (1) and (2):
Treated by linear regression, the relationship graphs between and at different aging temperatures were obtained; the slope of line of the former is n1 and that of the latter is β. Thereby, it is deduced that α = β/n1. Specific parameters at different temperatures are presented in Table 2.
Table 2.
Experimental parameters of 2219 aluminum alloy at different aging temperatures.
Put the obtained α into Equation (3) and logarithm was taken on both sides:
By using the data obtained from the previous experiment and calculated parameters, the relationship graph between and was plotted, as shown in Figure 4. In the graph, the slope of line is stress exponent n, the specific value of which is given in Table 3.
Figure 4.
Relationship between steady creep rate and experimental stress of 2219 aluminum alloy at different aging temperatures. (a) 458 K, 438 K and 418 K; (b) 393 K, 373 K and 353 K.
Table 3.
Stress exponents of 2219 aluminum alloy at different aging temperatures.
Stress exponents at different aging temperatures can be obtained from Table 3. Based on the creep characteristics parameters of the alloy [16], when T ≥ 418 K, stress exponents n = 4~6 and fell in the category of dislocation climb mechanism; when 373 K ≤ T < 418 K, n = 4~6 and fell in the category of dislocation glide mechanism; n ≈ 1 around 353 K and fell in the category of grain boundary sliding mechanism. It can be seen from the obtained data that, during the process of creep aging, there were usually multiple creep mechanisms, and, under certain conditions, the process of creep aging displayed single dominating creep mechanism. When calculating creep activation energy, corresponding to different creep mechanisms, two temperature ranges—T ≥ 418 K and T < 418 K—were used to solve creep activation energy Q1 and Q2 (it is recognized that the alloy showed no creep behavior when T < 353 K; therefore, this temperature range was not considered).
Under a certain stress condition, temperature is considered as a variable and natural logarithm difference was taken for Equation (1) as follows:
From this, the slope of line K was obtained and multiplied by −R to obtain creep activation energy of the alloy as Q1 = 96.2 kJ/mol and Q2 = 36.2 kJ/mol.
The aluminum alloy constitutive model proposed by Kowalewski [3,17,18] was adopted in this paper to describe creep aging behaviors:
where is creep strain rate, A, B, h, H*, m0, σ0, and m1 are all material constants that are independent of the experiment process of creep aging, among which h, m1, and H are parameters to describe the first stage of creep, H* is the maximum of H, the value range of H is 0~H*, H* indicates the influence of strain strengthening at the first stage of creep, and A and B are parameters that describe the whole creep stage. Due to relatively short aging time for the experiment, except for individual conditions, most of the materials failed to enter the third stage of creep. Equations (8) and (9) can effectively reflect the aging behaviors at the first and second stages.
The relationship between creep strain rate and temperature [12]:
where is the creep strain rate, and Q is the creep activation energy. R refers to a molar gas constant of 8.314 J/mol, and T is the thermodynamic temperature.
Considering the influence of stress and temperature upon creep aging formation, a creep constitutive model able to uniformly reflect the influence of aging temperature and stress conditions is established:
Since the parameters involved in this constitutive model are more than one, numerical optimization algorithm was used for the determination of parameters. Moreover, the particle swarm optimization algorithm boasts advantages of high precision, easy realization, and quick convergence, having displayed its superiority in solving practical problems. Therefore, this constitutive equation adopted the particle swarm optimization algorithm [12,19]. According to previously obtained experiment data, 2219 aluminum alloy displays different creep mechanisms at different aging temperatures, as well as different creep activation energies calculated at high and low temperatures. Based on the above, the creep activation energy and calculations in this experiment were respectively fitted at different temperature ranges in order. Related parameters are shown in Table 4 and Table 5, with fitting results in Figure 5 and Figure 6.
Table 4.
Creep model parameters of 2219 aluminum alloy (Q1 = 96.2 kJ/mol).
Table 5.
Creep model parameters of 2219 aluminum alloy (Q2 = 36.2 kJ/mol).
Figure 5.
Comparison of fitted values and measured values of 2219 aluminum alloy creep curves at (a) 438 K and (b) 418 K.
Figure 6.
Comparison of fitted values and measured values of 2219 aluminum alloy creep curves at (a) 393 K and (b) 373 K.
It can be seen from the fitting results that this creep model enjoys a good fitting effect in general. When the experimental temperature exceeded or equaled 418 K, the equation showed a very high fitting precision with a coefficient of determination R2 of 0.9727; when the experimental temperature was lower than or equaled 393 K, the coefficient of determination of this equation R2 was 0.9028. Only individual curves presented slight deviation at the creep aging initial stage, because under a relatively low temperature, the creep deformation of aluminum alloy became less and mostly concentrated on the first stage, hence the certain deviation in fitting results. In general, there is a good consistency between the predicted value and the experiment value for this constitutive equation, thus demonstrating that this constitutive equation can apply to different temperatures and stresses and express the material’s creep aging processes.
4. Conclusions
- (1)
- This paper carried out creep experiments for 2219 aluminum alloy at different temperature and stress conditions separately. It was found that stress state at a lower temperature is the principal factor affecting the creep aging behaviors of 2219 aluminum alloy.
- (2)
- At different aging temperatures, 2219 aluminum alloy displayed different creep mechanisms. When T ≥ 418 K, stress exponents n = 4~6 and fell in the category of the dislocation climb mechanism; when 373 K ≤ T < 418 K, n = 4~6 and fell in the category of the dislocation glide mechanism; when the temperature was around 353 K, n ≈ 1 and fell in the category of the grain boundary sliding mechanism. When the temperature was lower than 353 K, the alloy can be basically considered with no creep.
- (3)
- By processing and analysis of the experimental data, the stress exponent and activation energy under different conditions were calculated. Coupled with revision of the classical creep equation, a creep constitutive model applicable to different temperatures and stress conditions was established, which proved itself with great consistence with the experimental data.
Acknowledgments
This work was supported by Major State Basic Research Development Program of China (2014CB046602), National Natural Science Foundation Key Program of China (51235010).
Author Contributions
Lingfeng Liu and Lihua Zhan conceived and designed the experiments; Lingfeng Liu performed the experiments; Lingfeng Liu and Lihua Zhan analyzed the data; Wenke Li contributed reagents, materials and analysis tools; Lingfeng Liu wrote the paper.
Conflicts of Interest
The authors declare no conflict of interest.
References
- Sallah, M.; Peddieson, J., Jr.; Foroudastan, S. A mathematical model of autoclave age forming. J. Mater. Process Technol. 1991, 28, 211–219. [Google Scholar] [CrossRef]
- Zeng, Y.-S.; Huang, X.; Huang, S. The research situation and the developing tendency of creep age forming technology. J. Plast. Eng. 2008, 15, 1–8. [Google Scholar]
- Kowalewski, Z.L.; Hayhurst, D.R.; Dyson, B.F. Meachanisms-based creep constitutive equations for aluminum alloy. J. Strain Anal. 1994, 29, 309–316. [Google Scholar] [CrossRef]
- Ho, K.C.; Lin, J.; Dean, T.A. Constitutive modelling of primary creep for age forming an aluminium alloy. J. Mater. Process Technol. 2004, 153, 122–127. [Google Scholar] [CrossRef]
- Ho, K.C.; Lin, J.; Dean, T.A. Modelling of springback in creep forming thick aluminum sheets. Int. J. Plast. 2004, 20, 733–751. [Google Scholar] [CrossRef]
- Zhang, J.; Deng, Y.; Yang, J.; Zhang, X. Experimental studies and constitutive modeling for creep aging of 2124 aluminum alloy. Acta Metall. Sin. 2013, 49, 379–384. [Google Scholar] [CrossRef]
- Guan, C.; He, W.; Zhao, Z.; Wang, G. Creep characteristics of 2024 alloy at cryogenic temperatures. J. Aeronaut. Mater. 2014, 34, 93–96. [Google Scholar] [CrossRef]
- An, L.; Cai, Y.; Liu, W.; Yuan, S.; Zhu, S.; Meng, F. Effect of pre-deformation on microstructure and mechanical properties of 2219 aluminum alloy sheet by thermomechanical treatment. Trans. Nonferr. Met. Soc. China 2012, 22, s370–s375. [Google Scholar] [CrossRef]
- Zhan, L.; Li, J.; Huang, M. Creep aging behavior and constitutive equation of 2524 aluminum alloy. Mater. Mech. Eng. 2013, 37, 92–96. [Google Scholar]
- Wang, J. A Study on Creep Behavior of Titanium Alloy; Harbin Institute Technology: Harbin, China, 2008; pp. 39–41. [Google Scholar]
- Somekawa, H.; Hirai, K.; Watanabe, H.; Takigawa, Y.; Higashi, K. Dislocation creep behavior in Mg-Al-Zn alloys. Mater. Sci. Eng. 2005, A407, 53–61. [Google Scholar] [CrossRef]
- Li, Y.G. Experimental Study on Creep Aging Behavior and Constitutive Modeling of 2124 Aluminum Alloy. Master’s Thesis, Central South University, Changsha, China, 2012. [Google Scholar]
- Mckamey, C.G.; Maziasz, P.J.; Jones, J.W. Effect of addition of molybdenum or niobium on creep rupture properties of Fe3Al. J. Mater. Res. 1997, 7, 2089–2106. [Google Scholar]
- Mary, A.W. Properties of Materials; Oxford University Press: New York, NY, USA, 1999. [Google Scholar]
- Yang, S.; Li, J.; Wei, S.; Xu, L.; Zhang, G.; Zhang, E. Pyroplastic deformation behavior of pure molybdenum plate slab and constitutive equation. Trans. Nonferr. Met. Soc. China 2011, 21, 2126–2131. [Google Scholar]
- Frost, H.J.; Ashby, M.F. Deformation-Mechanism Maps: The Plasticity and Creep of Metals and Ceramics; Pergamon Press: Oxford, UK, 1982; pp. 102–112. [Google Scholar]
- Li, B.; Lin, J.; Yao, X. Characteristics of optimization of creep constitutive equations. Chin. J. Mech. Eng. 2003, 39, 37–39. [Google Scholar] [CrossRef]
- Zhan, L.; Li, Y.; Huang, M.; Zhang, M. Constitutive equation describing creep ageing of 2124 aluminum alloy. J. South China Univ. Technol. 2012, 40, 107–111. [Google Scholar]
- Shi, X.H.; Liang, Y.C.; Lee, H.P.; Lu, C.; Wang, L.M. An improved GA and a novel PSO-GA-based hybrid algorithm. Inform. Process. Lett. 2005, 9, 255–261. [Google Scholar] [CrossRef]
© 2016 by the authors; licensee MDPI, Basel, Switzerland. This article is an open access article distributed under the terms and conditions of the Creative Commons Attribution (CC-BY) license (http://creativecommons.org/licenses/by/4.0/).






