Modeling of Creep Deformation Behavior of DZ411 and Finite Element Simulation of Turbine Blade
Abstract
1. Introduction
2. Materials and Methods
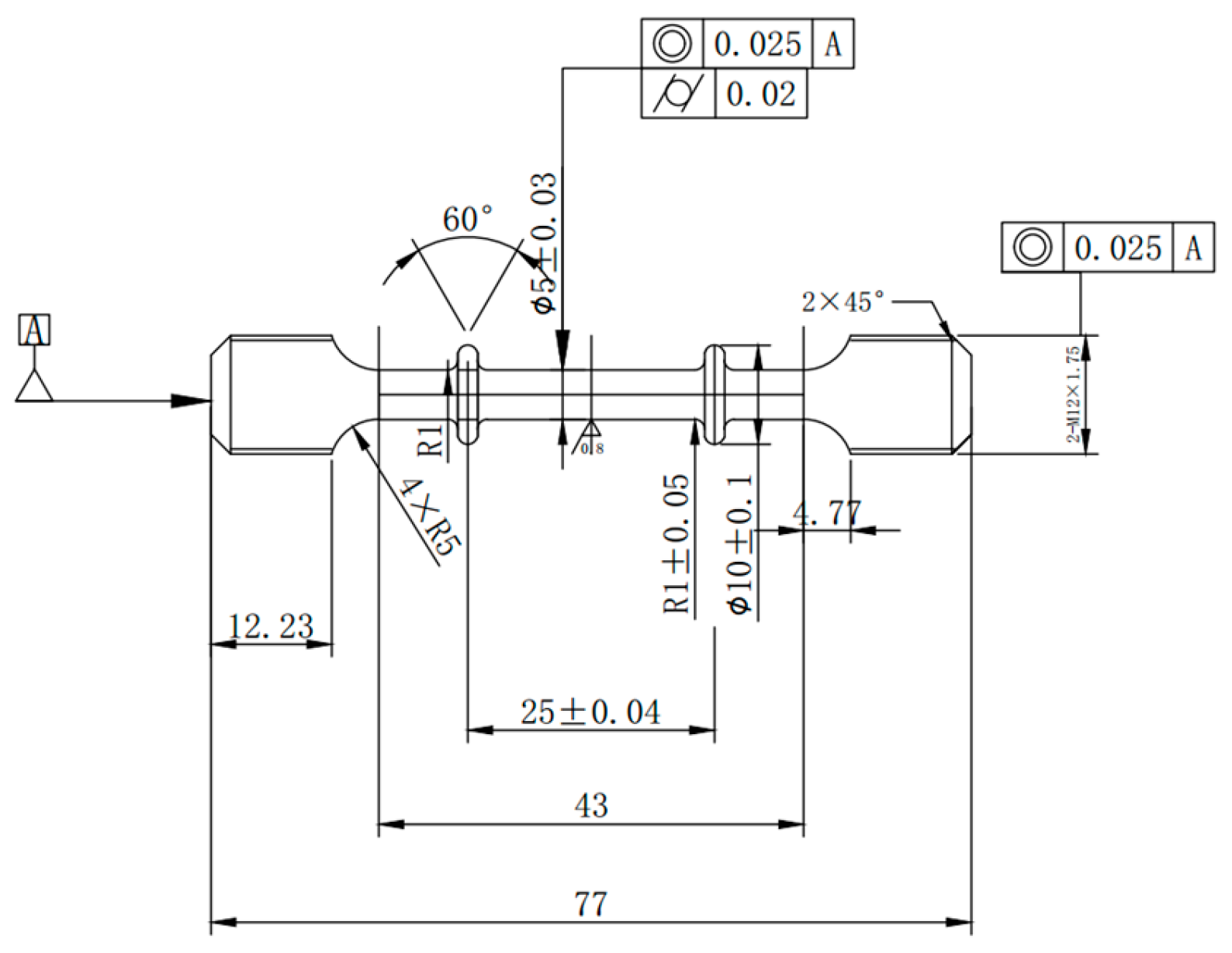
2.1. Composition and Specimen
2.2. Method and Equipment
2.3. Endurance Life and Fracture Elongation
2.4. Creep Curve
2.5. Microstructures after Testing
3. Theoretical Model of Directional Solidification Superalloy
3.1. Yield Criterion of Directional Solidification Superalloy
3.2. Normalized Creep Model
- (1)
- At the time of , ξ = 1, , was the creep strain (fracture elongation) at rupture time.
- (2)
- The three terms in the model described the three stages of creep, respectively, and the parameters , , and represented the creep strain of the three stages. The steady-state creep strain rate after time normalization was also the slope of the straight line in the second stage of creep.
- (3)
- was equal to the intercept of the second stage straight line on the vertical axis. was equal to the distance between the intersection of the second stage straight on the line of and the point of rupture.
- (4)
- The curvature changes of the curves in the first and third stages of creep were controlled by and , reflecting the speed of creep change in each stage.
4. Creep Deformation Simulation of Turbine Blade
4.1. Parameters of Directional Solidification Superalloy DZ411
4.2. Programming and Verification of Subroutine for Normalized Parameter Model
4.3. Simulation of Creep Deformation Behavior of Turbine Blade
4.3.1. Turbine Blade Grid and Boundary Conditions
- (1)
- The first pair of tenon teeth were constrained on the normal displacement, respectively.
- (2)
- The second, third, and fourth pairs of tenon teeth were subjected to normal pressures of 180, 160, and 140 MPa, respectively.
- (3)
- The groove displacement was constrained at the baffle.
- (4)
- The given speed was 9500 r/min.
- (5)
4.3.2. Stress Analysis of Turbine Blade
4.3.3. Creep Analysis of Turbine Blade
4.3.4. Endurance Analysis of Turbine Blade
5. Analysis of Crystal Axis Deviation Angle of Turbine Blade
5.1. Definition of Crystal Axis Deviation Angle
5.2. Comparison of Finite Element Analysis Results for Crystal Axis Deviation Angle
6. Conclusions
- (1)
- The yield function suitable for nickel-based high-temperature alloys was proposed by order upgrading. The creep subroutine was compiled combined with the three-stage normalized creep model. The yield function and creep subroutine had high computational efficiency and robustness, meaning they are suitable for the creep analysis of complex turbine blades.
- (2)
- In practical engineering structures, stress concentration areas are inevitable. For turbine blades, the important locations, such as the roots of the spoiler columns or the corners of the cooling channels, deserve special attention. At the service temperature, the stress concentration areas will experience stress relaxation with the increase in creep strain, causing stress redistribution.
- (3)
- The stress redistribution in the vicinity of the assessment points causes changes in the material strength, which is beneficial for engineering structures and the endurance life of assessment points. Therefore, creep analysis should be conducted first when analyzing the endurance life of turbine blade. The simulation results after creep analysis should be used for strength verification, instead of the static strength analysis results.
- (4)
- There is a certain deviation angle between the crystal axis direction and the blade height direction of the turbine blade material. The finite element simulation results proved that a 10° deviation angle within the engineering allowable range is appropriate. This allowable range not only meets the material performance requirements of engineering application, but also enhances the economic benefits of the product.
Author Contributions
Funding
Data Availability Statement
Conflicts of Interest
Nomenclature
| Stress component | |
| Deviatoric stress component | |
| Creep strain | |
| Creep fracture elongation | |
| Normalized creep time | |
| , , , , | Parameters in creep model |
| , , , | Parameters about |
| Creep rupture time | |
| Kelvin temperature | |
| Melting point | |
| Equivalent stress | |
| Yield strength | |
| , | Longitudinal and transverse tensile yield strength |
| Longitudinal torsional yield strength. | |
| Young’s modulus | |
| Shear modulus | |
| Poisson’s ratio | |
| , , , , | Parameters in L-M creep rupture time equation |
| I, J, k/MPa | Parameters in defined yield criterion |
| θ/°C | Centigrade temperature |
References
- Webster, G.; Ainsworth, R.A. High Temperature Component Life Assessment, 2nd ed.; Springer Science & Business Media: Dordrecht, The Netherlands, 2013; pp. 1–8. [Google Scholar]
- Saberi, E.; Nakhodchi, S.; Dargahi, A.; Nikbin, K. Predicting stress and creep life in Inconel 718 blade-disk attachments. Eng. Fail. Anal. 2020, 108, 104226. [Google Scholar] [CrossRef]
- Torfeh, M.; Mirbagheri, S.M.H.; Cormier, J.; Mohandesi, J.A.; Nakhodchi, S. Intermediate temperature creep damage mechanisms of a directionally solidified Ni-based superalloy. Mater. High Temp. 2022, 39, 193–205. [Google Scholar] [CrossRef]
- Rutter, J.W.; Chalmers, B. A prismatic substructure formed during solidification of metals. Can. J. Phys. 1953, 31, 15–39. [Google Scholar] [CrossRef]
- Tiller, W.A.; Jackson, K.A.; Rutter, J.W.; Chalmers, B. The redistribution of solute atoms during the solidification of metals. Acta Metall. 1953, 1, 428–437. [Google Scholar] [CrossRef]
- Versnyder, F.I.; Shank, M.E. The development of columnar grain and single crystal high temperature materials through directional solidification. Mater. Sci. Eng. 1970, 6, 213–247. [Google Scholar] [CrossRef]
- Chen, R.Z. Developments of directionally solidified and single crystal superalloys and blades. J. Mater. Eng. 1991, 2, 19–23. [Google Scholar]
- Naumenko, K.; Altenbach, H. Modeling of Creep for Structural Analysis, 1st ed.; Springer: New York, NY, USA, 2007; pp. 17–78. [Google Scholar]
- Pelleg, J. Basic Compounds for Superalloys: Mechanical Properties, 1st ed.; Elsevier Inc.: Amsterdam, The Netherlands, 2018; pp. 404–444. [Google Scholar]
- Kim, W.G.; Park, J.Y.; Ekaputra, I.M.W.; Kim, S.-J.; Kim, M.-H.; Kim, Y.-W. Creep deformation and rupture behavior of alloy 617. Eng. Fail. Anal. 2015, 58, 441–451. [Google Scholar] [CrossRef]
- Evans, M. Obtaining confidence limits for safe creep life in the presence of multi batch hierarchical databases: An application to 18Cr-12Ni-Mo steel. Appl. Math. Model. 2011, 35, 2838–2854. [Google Scholar]
- Evans, R.W. The θ projection method and low creep ductility materials. Mater. Sci. Technol. 2000, 16, 6–8. [Google Scholar] [CrossRef]
- Harrison, W.; Abdallah, Z.; Whittaker, M. A model for creep and creep damage in the γ-Titanium aluminide Ti-45Al-2Mn-2Nb. Materials 2014, 7, 2194–2209. [Google Scholar] [CrossRef]
- Fehér, A.; Linn, S.; Schwienheer, M.; Scholz, A.; Berger, C. An interactive approach to creep behavior modeling. Mater. Sci. Eng. A 2009, 510, 29–34. [Google Scholar] [CrossRef]
- Evans, M. The θ projection method and small creep strain interpolations in a commercial Titanium alloy. J. Mater. Sci. 2001, 36, 2875–2884. [Google Scholar] [CrossRef]
- Życzkowski, M. Creep damage evolution equations expressed in terms of dissipated power. Int. J. Mech. Sci. 2000, 42, 755–769. [Google Scholar] [CrossRef]
- Betten, J.; Sklepus, S.; Zolochevsky, A. A creep damage model for initially isotropic materials with different properties in tension and compression. Eng. Fract. Mech. 1998, 59, 623–641. [Google Scholar] [CrossRef]
- Murakami, S.; Liu, Y.; Mizuno, M. Computational methods for creep fracture analysis by damage mechanics. Comput. Methods Appl. Mech. Eng. 2000, 183, 15–33. [Google Scholar]
- Wang, W.Y.; Yan, S.H.; Liu, J.P. Studies on temperature induced creep in high strength Q460 steel. Mater. Struct. 2017, 50, 68. [Google Scholar]
- Yang, X.G.; Shi, D.Q. Viscoplastic Constitutive Theory and Application, 1st ed.; National Defense Industry Press: Beijing, China, 2013; pp. 6–8. [Google Scholar]
- Lubarda, V.A.; Krajcinovic, D. Some fundamental issues in rate theory of damage-elastoplasticity. Int. J. Plast. 1995, 11, 763–797. [Google Scholar]
- Auricchio, F. A viscoplastic constitutive equation bounded between two generalized plasticity models. Int. J. Plast. 1997, 13, 697–721. [Google Scholar]
- Bodner, S.R.; Partom, Y. A large deformation elastic-viscoplastic analysis of a thick-walled spherical shell. J. Appl. Mech. 1972, 39, 751–757. [Google Scholar] [CrossRef]
- Bari, S.; Hassan, T. Anatomy of coupled constitutive models for ratcheting simulation. Int. J. Plast. 2000, 16, 381–409. [Google Scholar] [CrossRef]
- Cazacu, O.; Revil-Baudard, B.; Chandola, N. A yield criterion for cubic single crystals. Int. J. Solids Struct. 2018, 151, 9–19. [Google Scholar] [CrossRef]
- Darrieulat, M.; Piot, D. A method of generating analytical yield surfaces of crystalline materials. Int. J. Plast. 1996, 12, 575–610. [Google Scholar] [CrossRef]
- Ramaglia, A.D. Application of a Smooth Approximation of the Schmid’s Law to a Single Crystal Gas Turbine Blade. J. Eng. Gas Turbines Power 2013, 135, 032101. [Google Scholar] [CrossRef]
- Academic Committee of the Superalloys, CSM. China Superalloys Handbook, 1st ed.; Standards Press of China: Beijing, China, 2012; pp. 416–422. [Google Scholar]
- Zhang, B.; Liu, C.K.; Lu, X.; Tao, C.; Jiang, T. Effect of surface recrystallization on the creep rupture property of a single-crystal superalloy. Rare Met. 2010, 29, 413. [Google Scholar] [CrossRef]
- Wei, D.S.; Liu, Y.H.; Wang, Y.R.; Wang, J.; Jiang, X. Normalized parameter creep model of DD6 Nickel-based single crystal superalloy. Metals 2021, 11, 254. [Google Scholar] [CrossRef]
- Wei, D.S.; Wang, J.L.; Wang, Y.R.; Zhong, B. Experimental and numerical investigation of the creep behaviour of Ni-based superalloy GH4169 under varying loading. Fatigue Fract. Eng. Mater. Struct. 2018, 41, 1146–1158. [Google Scholar] [CrossRef]
- Shi, D.Q.; Quan, C.B.; Niu, H.W.; Yang, X.G. Constitutive modelling and creep life prediction of a directionally solidified turbine blade under service loadings. Mater. High Temp. 2015, 32, 455–460. [Google Scholar] [CrossRef]
- Shi, D.Q.; Li, Z.L.; Yang, X.G.; Wang, H. Accelerated LCF-creep experimental methodology for durability life evaluation of turbine blade. Fatigue Fract. Eng. Mater. Struct. 2018, 41, 1196–1207. [Google Scholar] [CrossRef]
- Shi, F. ANSYS Secondary Development and Application Example Explanation, 1st ed.; China Water & Power Press: Beijing, China, 2012; pp. 206–214. [Google Scholar]
- Reyhani, M.R.; Alizadeh, M.; Fathi, A.; Khaledi, H. Turbine blade temperature calculation and life estimation-a sensitivity analysis. Propuls. Power Res. 2013, 2, 148–161. [Google Scholar] [CrossRef]
- Qian, X.R.; Yan, P.G.; Wang, X.F.; Han, W. Numerical analysis of conjugated heat transfer and thermal stress distributions in a high-temperature Ni-based superalloy turbine rotor blade. Energies 2022, 15, 4972. [Google Scholar] [CrossRef]
- Zhu, X.T.; Yang, Q.; Wang, F.; Ma, D. Grain orientation optimization of two-dimensional grain selector during directional solidification of Ni-based superalloys. Materials 2020, 13, 1121. [Google Scholar] [CrossRef]
- Nissley, D.M.; Meyer, T.G.; Walker, K.P. Life Prediction and Constitutive Models for Engine Hot Section Anisotropic Materials Program; NASA Lewis Research Center, National Aeronautics and Space Administration: Cleveland, OH, USA, 1992; Report No.: NASA-CR-189223. [Google Scholar]
- Shi, D.Q.; Sui, T.X.; Li, Z.L.; Yang, X. An orientation-dependent creep life evaluation method for nickel-based single crystal superalloys. Chin. J. Aeronaut. 2022, 35, 238–249. [Google Scholar] [CrossRef]















| Element | C | Cr | Co | Ni | W | Mo | Al | Ti | Ta |
|---|---|---|---|---|---|---|---|---|---|
| Composition/wt.% | 0.07~0.12 | 13.5~14.3 | 9.0~10.0 | Bal. | 3.5~4.1 | 1.3~1.7 | 2.8~3.4 | 4.6~5.2 | 2.5~3.1 |
| Element | B | Si | P | S | Pb | Bi | As | S | Sb |
| Composition/wt.% | 0.007~0.02 | ≤0.2 | 0.005 | 0.01 | 0.0005 | 0.0001 | 0.005 | 0.002 | 0.001 |
| Comment: | |||||||||
| Serial Number | Temperature /°C | Load /MPa | Life /h | Elongation /% | Serial Number | Temperature /°C | Load /MPa | Life /h | Elongation /% |
|---|---|---|---|---|---|---|---|---|---|
| A-1 | 930 | 360 | 18.1 | 19.21 | B-1 | 850 | 540 | 17.1 | 14.56 |
| A-2 | 930 | 340 | 21.6 | 14.77 | B-2 | 850 | 510 | 36.9 | 15.17 |
| A-3 | 930 | 320 | 38.0 | 10.56 | B-3 | 850 | 480 | 67.4 | 10.72 |
| A-4 | 930 | 320 | 28.1 | 9.85 | B-4 | 850 | 450 | 128.0 | 13.41 |
| A-5 | 930 | 290 | 57.3 | 10.26 | B-5 | 850 | 450 | 226.3 | 11.83 |
| T/°C | /GPa | /GPa | |
|---|---|---|---|
| 25 | 130 | 60.01 | 0.361 |
| 100 | 128 | 57.49 | 0.363 |
| 200 | 126 | 54.98 | 0.365 |
| 300 | 123 | 52.91 | 0.368 |
| 400 | 118 | 50.62 | 0.372 |
| 500 | 114 | 48.91 | 0.376 |
| 600 | 110 | 47.06 | 0.381 |
| 700 | 106 | 44.55 | 0.385 |
| 800 | 101 | 41.08 | 0.389 |
| 900 | 95 | 37.99 | 0.407 |
| 1000 | 86 | 34.48 | 0.418 |
| 1100 | 80 | 33.00 | 0.430 |
| 1200 | 75 | 32.00 | 0.450 |
| −20.3546 |
| Serial Number | Temp/°C | Stress/MPa | |||||
|---|---|---|---|---|---|---|---|
| A-1 | 930 | 360 | 0.29 | 5.54 | 9.18 | 322.28 | 7.57 |
| A-2 | 930 | 340 | 0.29 | 3.93 | 7.78 | 192.84 | 5.75 |
| A-3 | 930 | 320 | 0.35 | 3.35 | 6.30 | 146.93 | 5.78 |
| A-4 | 930 | 320 | 0.24 | 2.89 | 5.87 | 270.54 | 6.10 |
| A-5 | 930 | 290 | 0.29 | 3.64 | 6.07 | 199.87 | 6.76 |
| B-1 | 850 | 540 | 0.34 | 4.09 | 8.57 | 193.70 | 5.26 |
| B-2 | 850 | 510 | 0.32 | 3.75 | 7.94 | 353.53 | 5.25 |
| B-3 | 850 | 480 | 0.36 | 3.94 | 6.70 | 355.88 | 5.54 |
| B-4 | 850 | 450 | 0.29 | 3.99 | 6.72 | 378.16 | 5.35 |
| B-5 | 850 | 450 | 0.18 | 3.37 | 5.45 | 390.00 | 5.29 |
| Parameter | ||||
|---|---|---|---|---|
| −34.2135 | 43.1135 | 41.0394 | −53.6568 | |
| 22.6810 | −30.6188 | −27.6279 | 39.6027 | |
| 5.7368 | −07.7139 | −05.8624 | 11.2015 | |
| 73.2063 | −91.1465 | −78.1460 | 105.3585 | |
| 5.2302 | −04.9121 | −07.7107 | 10.7151 |
| Assessment Point | Temperature /°C | Without Creep | After 10,000 h Creep | ||
|---|---|---|---|---|---|
| Equivalent Stress /MPa | Predicted Endurance Life/h | Equivalent Stress /MPa | Predicted Endurance Life/h | ||
| L | 550.0 | 354.5 | 354.5 | ||
| M | 731.5 | 205.0 | 200.7 | ||
| N | 937.8 | 072.7 | 051.2 | ||
| Example | Deviation Angle /° | Equivalent Stress /MPa | Creep Strain /% |
|---|---|---|---|
| A | 00 | 51.23 | 0.0592 |
| B1 | 05 | 52.14 | 0.0572 |
| B2 | 10 | 52.11 | 0.0592 |
| C1 | 05 | 59.89 | 0.0594 |
| C2 | 10 | 59.05 | 0.0614 |
| D1 | 05 | 56.66 | 0.0642 |
| D2 | 10 | 47.60 | 0.0701 |
| E1 | 05 | 49.72 | 0.0650 |
| E2 | 10 | 47.87 | 0.0708 |
| Direction | Deviation Angle/° | Creep Strain/% | Direction | Deviation Angle/° | Creep Strain/% |
|---|---|---|---|---|---|
| B | 00 | 0.0594 | D | 00 | 0.0594 |
| 05 | 0.0572 | 05 | 0.0642 | ||
| 10 | 0.0642 | 10 | 0.0701 | ||
| 15 | 0.0642 | 15 | 0.0750 | ||
| 20 | 0.0696 | 20 | 0.0777 | ||
| 25 | 0.0729 | 25 | 0.0775 | ||
| 30 | 0.0731 | 30 | 0.0749 |
Disclaimer/Publisher’s Note: The statements, opinions and data contained in all publications are solely those of the individual author(s) and contributor(s) and not of MDPI and/or the editor(s). MDPI and/or the editor(s) disclaim responsibility for any injury to people or property resulting from any ideas, methods, instructions or products referred to in the content. |
© 2023 by the authors. Licensee MDPI, Basel, Switzerland. This article is an open access article distributed under the terms and conditions of the Creative Commons Attribution (CC BY) license (https://creativecommons.org/licenses/by/4.0/).
Share and Cite
Liu, Y.; Wang, Y.; Wei, D.; Jiang, X.; Tao, Q. Modeling of Creep Deformation Behavior of DZ411 and Finite Element Simulation of Turbine Blade. Metals 2023, 13, 1389. https://doi.org/10.3390/met13081389
Liu Y, Wang Y, Wei D, Jiang X, Tao Q. Modeling of Creep Deformation Behavior of DZ411 and Finite Element Simulation of Turbine Blade. Metals. 2023; 13(8):1389. https://doi.org/10.3390/met13081389
Chicago/Turabian StyleLiu, Yihui, Yanrong Wang, Dasheng Wei, Xianghua Jiang, and Qiannan Tao. 2023. "Modeling of Creep Deformation Behavior of DZ411 and Finite Element Simulation of Turbine Blade" Metals 13, no. 8: 1389. https://doi.org/10.3390/met13081389
APA StyleLiu, Y., Wang, Y., Wei, D., Jiang, X., & Tao, Q. (2023). Modeling of Creep Deformation Behavior of DZ411 and Finite Element Simulation of Turbine Blade. Metals, 13(8), 1389. https://doi.org/10.3390/met13081389

