The Relationship between Tribo-Magnetization and Wear State during Reciprocating Sliding
Abstract
:1. Introduction
2. Experimental Work
2.1. Specimen Preparation
2.2. Apparatus and Method
3. Results and Discussion
3.1. Variations of Magnetic Field during Reciprocating Sliding
3.2. The Relationship between Magnetic Field and the Wear State
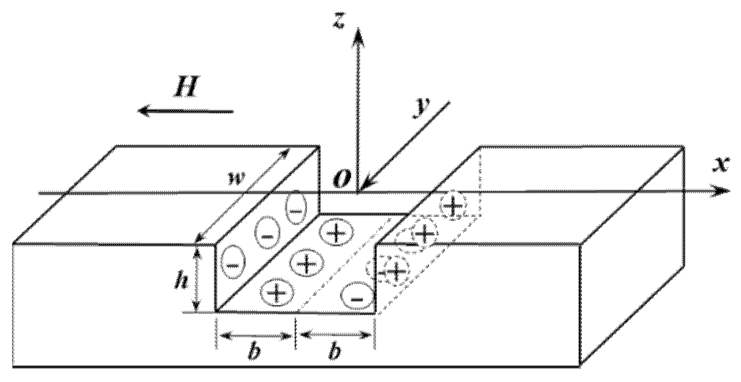
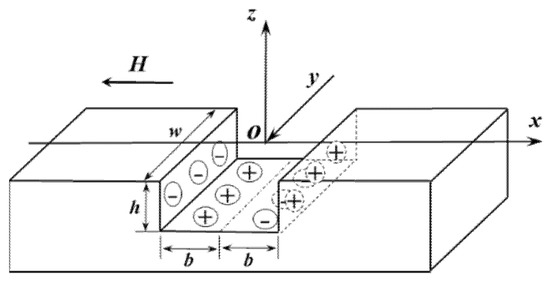
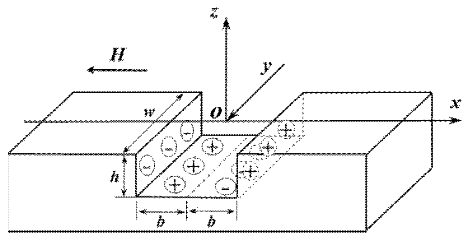
3.3. Magnetic Dipole Model
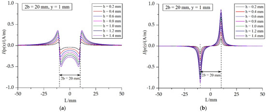
3.4. Simulation Result
4. Conclusions
Author Contributions
Funding
Institutional Review Board Statement
Informed Consent Statement
Data Availability Statement
Conflicts of Interest
References
- Cao, W.; Zhang, H.; Wang, N.; Wang, H.W.; Peng, Z.X. The gearbox wears state monitoring and evaluation based on on-line wear debris features. Wear 2019, 426–427, 1719–1728. [Google Scholar] [CrossRef]
- Li, W.; Liu, T. Time varying and condition adaptive hidden markov model for tool wear state estimation and remaining useful life prediction in micro-milling. Mech. Syst. Signal. Process. 2019, 131, 689–702. [Google Scholar] [CrossRef]
- Henry, B.; Harper, P.; Roger, L. The real-time measurement of wear using ultrasonic reflectometry. Wear 2015, 332–333, 1129–1133. [Google Scholar]
- Liu, X.; Wang, J.; Sun, K.; Cheng, L.; Wu, M.; Wang, X. Semantic Segmentation of Ferrography Images for Automatic Wear Particle Analysis. Eng. Fail. Anal. 2021, 122, 105268. [Google Scholar] [CrossRef]
- Knig, F.; Sous, C.; Chaib, A.O.; Jacobs, G. Machine learning based anomaly detection and classification of acoustic emission events for wear monitoring in sliding bearing systems—ScienceDirect. Tribol. Int. 2020, 155, 106811. [Google Scholar] [CrossRef]
- Xie, T.; Feng, S.; Yan, Z.; Yang, T. Tribo-magnetization of the PTFE composites containing ferromagnetic fillers of Fe, Co, or Ni. Wear 2019, 424–425, 233–245. [Google Scholar] [CrossRef]
- Shi, C.L.; Dong, S.Y.; Xu, B.S.; He, P. Research on metal magnetic memory test in process of frictional wear. J. Mater. Eng. 2009, 30, 35–44. [Google Scholar]
- Mishina, H.; Iwase, H.; Hase, A. Generation of wear elements and origin of tribo-magnetization phenomenon. Wear 2010, 269, 491–497. [Google Scholar] [CrossRef]
- Hase, A.; Mishina, H. Magnetization of friction surfaces and wear particles by tribological processes. Wear 2010, 268, 185–189. [Google Scholar] [CrossRef]
- Mishina, H.; Hase, A.; Nakase, T.; Dohi, M. Mechanism of surface magnetization by friction of ferromagnetic materials. J. Appl. Phys. 2009, 105, 474. [Google Scholar] [CrossRef]
- Chang, Y.P.; Yur, J.P.; Chu, L.M.; Chou, H.M.; Hwang, Y.C. Effects of friction on tribo-magnetization mechanisms for self-mated iron pairs under dry friction condition. J. Eng. Tribol. 2009, 223, 859–869. [Google Scholar] [CrossRef]
- Gao, F.M.; Fan, J.C. Research on the effect of remanence and the earth’s magnetic field on tribo-magnetization phenomenon of ferromagnetic materials. Tribol. Int. 2017, 109, 165–173. [Google Scholar] [CrossRef]
- Gao, F.M.; Fan, J.C.; Zhang, L.B.; Jiang, J.K.; He, S.J. The generation of the tribo-magnetization in a ferromagnetic material during friction process. J. Magn. Magn. Mater. 2020, 493, 165741. [Google Scholar] [CrossRef]
- Zhao, K.P.; Fan, J.C.; Gao, F.M.; Hu, Z.B. Research on tribo-magnetization phenomenon of ferromagnetic materials under dry reciprocating sliding. Tribol. Int. 2015, 92, 146–153. [Google Scholar] [CrossRef]
- Zhao, K.P.; Fan, J.C.; Gao, F.M. Research on Magnetic Memory Effect of the Ferromagnetic Materials during the Friction Process. In Proceedings of the 19th World Conference on Non-Destructive Testing 2016, Munich, Germany, 13–17 June 2016. [Google Scholar]
- Zhou, W.; Fan, J.; Liu, X.; Liu, S. Quantitative research of defects for pipelines based on metal magnetic memory testing. Insight 2020, 62, 292–299. [Google Scholar] [CrossRef]
- Han, G.; Huang, H. A dual-dipole model for stress concentration evaluation based on magnetic scalar potential analysis. NDT E Int. 2021, 118, 102394. [Google Scholar] [CrossRef]
- Wang, Y.; Liu, X.; Wu, B.; Xiao, J.; Wu, D.; He, C. Dipole modeling of stress-dependent magnetic flux leakage. NDT E Int. 2018, 95, 1–8. [Google Scholar] [CrossRef]
- Zhao, X.; Su, S.; Wang, W.; Zhang, X. Metal magnetic memory inspection of Q345B steel beam in four point bending fatigue test. J. Magn. Magn. Mater. 2020, 514, 167155. [Google Scholar] [CrossRef]
- Makar, J.M.; Tanner, B.K. The effect of plastic deformation and residual stress on the permeability and magnetostriction of steels. J. Magn. Magn. Mater. 2000, 222, 291–304. [Google Scholar] [CrossRef]
- Song, X.; Liu, Y.; Xiao, A.; Yuan, T.; Ma, T. Cell-boundary-structure controlled magnetic-domain-wall-pinning in 2:17-type Sm-Co- Fe-Cu-Zr permanent magnets. Mater. Charact. 2020, 169, 110575. [Google Scholar] [CrossRef]
- Jiles, D.C.; Atherton, D.L. Theory of ferromagnetic hysteresis. J. Appl. Phys. 1984, 55, 2115–2120. [Google Scholar] [CrossRef]
- Jiles, D.C. A new approach to modeling the magneto-mechanical effect. J. Appl. Phys. 2004, 95, 7058–7060. [Google Scholar] [CrossRef] [Green Version]
- Jiles, D.C.; Devine, M.K. Recent developments in modeling of the stress derivative of magnetization in ferromagnetic materials. J. Appl. Phys. 1994, 76, 7015–7017. [Google Scholar] [CrossRef]
- Jiles, D.C. Theory of the magneto mechanical effect. J. Phys. D Appl. Phys. 1995, 28, 1537–1546. [Google Scholar] [CrossRef]
- Shi, P.; Bai, P.; Chen, H.E.; Su, S.; Chen, Z. The magneto-elastoplastic coupling effect on the magnetic flux leakage signal. J. Magn. Magn. Mater. 2020, 504, 166669. [Google Scholar] [CrossRef]
- Wu, D.; Liu, Z.; Wang, X.; Su, L. Composite magnetic flux leakage detection method for pipelines using alternating magnetic field excitation. NDT E Int. 2017, 91, 148–155. [Google Scholar] [CrossRef]
- Zhong, W.C. The linear magnetic charge density along the edges of a longitudinally-magnetized steel cuboid. Nondestr. Test. 2002, 24, 332–334. [Google Scholar]
- Zhong, W.C. On the Proportional Coefficient α of Areal Density of Magnetic Charges σs to Linear Density of Magnetic Charges σl. Nondestr. Test. 2009, 31, 186–187. [Google Scholar]














| Steel | C | Mn | Si | Cr | Mo | S | Ni | P | Cu |
|---|---|---|---|---|---|---|---|---|---|
| 40CrMo | 0.35~0.45 | 0.5~0.8 | 0.17~0.37 | 0.90~1.20 | 0.15~0.25 | ≤0.035 | ≤0.03 | ≤0.035 | ≤0.03 |
| 316L | ≤0.030 | ≤2.0 | ≤1.0 | 16.0~18.0 | 2.0~3.0 | ≤0.030 | 12.0~15.0 | ≤0.045 |
Publisher’s Note: MDPI stays neutral with regard to jurisdictional claims in published maps and institutional affiliations. |
© 2021 by the authors. Licensee MDPI, Basel, Switzerland. This article is an open access article distributed under the terms and conditions of the Creative Commons Attribution (CC BY) license (https://creativecommons.org/licenses/by/4.0/).
Share and Cite
Zhao, K.; Fan, J.; Zhang, L. The Relationship between Tribo-Magnetization and Wear State during Reciprocating Sliding. Metals 2021, 11, 1247. https://doi.org/10.3390/met11081247
Zhao K, Fan J, Zhang L. The Relationship between Tribo-Magnetization and Wear State during Reciprocating Sliding. Metals. 2021; 11(8):1247. https://doi.org/10.3390/met11081247
Chicago/Turabian StyleZhao, Kunpeng, Jianchun Fan, and Laibin Zhang. 2021. "The Relationship between Tribo-Magnetization and Wear State during Reciprocating Sliding" Metals 11, no. 8: 1247. https://doi.org/10.3390/met11081247
APA StyleZhao, K., Fan, J., & Zhang, L. (2021). The Relationship between Tribo-Magnetization and Wear State during Reciprocating Sliding. Metals, 11(8), 1247. https://doi.org/10.3390/met11081247
