Fatigue Crack Growth Characteristics of 34CrMo4 Steel for Gas Cylinders by Cold Flow Forming after Hot Drawing
Abstract
1. Introduction
2. Materials and Methods
2.1. Materials
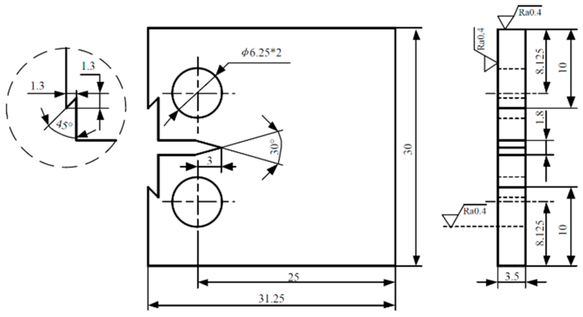
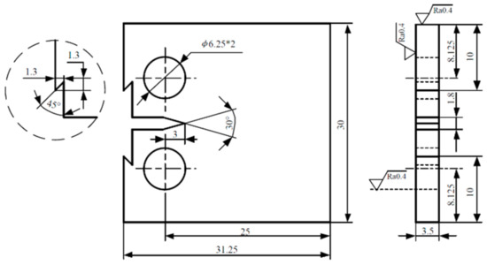
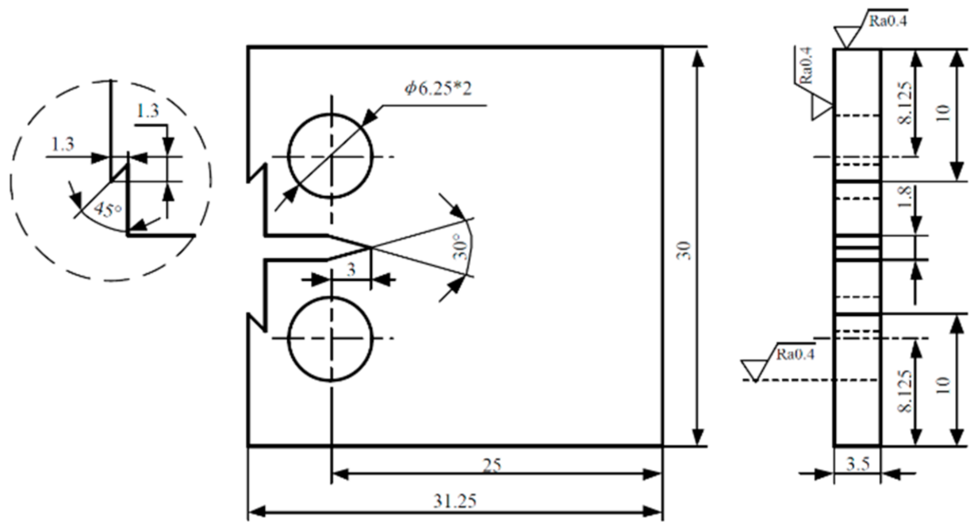
2.2. Sampling
2.3. Fatigue Crack Growth Test
3. Results
3.1. Fatigue Crack Growth Tests
3.2. Microstructure
3.2.1. Microstructure Analysis
3.2.2. Fracture Analysis
3.2.3. EBSD Analysis
4. Discussion
5. Conclusions
- Compared with the BM, the 34CrMo4 steel cylinder after hot drawing, cold flow forming and heat treatment processes had better crack growth resistance. Among them, the CF cylinder was superior to the HD cylinder.
- The stress ratio had a slight influence on the FCG rate of the 34CrMo4 steel cylinder. For the same material, the FCG rate increased with the increased of the stress ratio. However, under the same conditions of material and stress ratio, the FCG characteristics of the longitudinal and transverse specimens showed consistency.
- Different from the traditional Paris model, the DFP model can provide a unified fracture failure early warning parameter for HD, CF and BM materials under different stress ratios and sampling directions. The determination of this parameter had important reference value for preventing fatigue fracture of materials in the actual engineering environment.
Author Contributions
Funding
Institutional Review Board Statement
Informed Consent Statement
Data Availability Statement
Conflicts of Interest
References
- Jin, W.; Li, Y.; Zhou, M.; Gao, Z. Reliability study on a new integrity pressure relief device in nonrefillable. Steel gas cylinder. J. Press. Vessel Technol. Trans. ASME 2018, 140, 051602. [Google Scholar] [CrossRef]
- Kingklang, S.; Daodon, W.; Uthaisangsuk, V. Failure investigation of liquefied petroleum gas cylinder using FAD and XFEM. Int. J. Pressure Vessels Pip. 2019, 171, 69–78. [Google Scholar] [CrossRef]
- Mirzaei, M. Failure analysis of an exploded gas cylinder. Eng. Fail. Anal. 2008, 15, 820–834. [Google Scholar] [CrossRef]
- Alvino, A.; Antonini, A.; Lega, D. Failure analysis on a fractured 34CrMo4 steel high pressure cylinder filled with a mixture of inert gases. Eng. Fail. Anal. 2014, 38, 49–57. [Google Scholar] [CrossRef]
- Bultel, H.; Vogt, J.B. Influence of heat treatment on fatigue behaviour of 4130 AISI steel. In Proceedings of the 10th International Fatigue Conference, Prague, Czech Republic, 6–11 June 2010. [Google Scholar] [CrossRef]
- Arola, D.; Williams, C.L. Estimating the fatigue stress concentration factor of machined. Int. J. Fatigue 2002, 24, 923–930. [Google Scholar] [CrossRef]
- Macadre, A.; Artamonov, M.; Matsuoka, S.; Furtado, J. Effects of hydrogen pressure and test frequency on fatigue crack growth properties of Ni–Cr–Mo steel candidate for a storage cylinder of a 70MPa hydrogen filling station. Eng. Fract. Mech. 2011, 78, 3196–3211. [Google Scholar] [CrossRef]
- Colombo, C.; Fumagalli, G.; Bolzoni, F.; Gobbi, G.; Vergani, L. Fatigue behavior of hydrogen pre-charged low alloy Cr–Mo steel. Int. J. Fatigue 2016, 83, 2–9. [Google Scholar] [CrossRef]
- Cain, V.; Thijs, L.; Van Humbeeck, J.; Van Hooreweder, B.; Knutsen, R. Crack propagation and fracture toughness of Ti6Al4V alloy produced by selective laser melting. Addit. Manuf. 2015, 5, 68–76. [Google Scholar] [CrossRef]
- Suryawanshi, J.; Prashanth, K.G.; Ramamurty, U. Mechanical behavior of selective laser melted 316L stainless steel. Mater. Sci. Eng. Struct. Mater. Prop. Microstruct. Process. 2017, 696, 113–121. [Google Scholar] [CrossRef]
- Noroozi, A.; Glinka, G.; Lambert, S. A study of the stress ratio effects on fatigue crack growth using the unified two-parameter fatigue crack growth driving force. Int. J. Fatigue 2007, 29, 1616–1633. [Google Scholar] [CrossRef]
- Silva, F.S. Crack closure inadequacy at negative stress ratios. Int. J. Fatigue 2004, 26, 241–252. [Google Scholar] [CrossRef]
- Mousavinasab, S.; Blais, C. Role of microstructure heterogeneity on fatigue crack propagation of low-alloyed PM steels in the As-sintered condition. Metals 2017, 7, 60. [Google Scholar] [CrossRef]
- BS EN 10083-3. Steels for Quenching and Tempering—Part. 3: Technical Delivery Conditions for Alloy. Steels; British Standards Institution: London, UK, 2006. [Google Scholar]
- Jin, W.; Li, Y.; Gao, Z.; Yin, X.; Ma, X. Reliability analysis of integral hot deep drawing and cold flow forming process for large-diameter seamless steel gas cylinders. Int. J. Adv. Manuf. Technol. 2018, 97, 189–197. [Google Scholar] [CrossRef]
- Shahani, A.R.; Kashani, H.M.; Rastegar, M.; Dehkordi, M.B. A unified model for the fatigue crack growth rate in variable stress ratio. Fatigue Fract. Eng. Mater. Struct. 2009, 32, 105–118. [Google Scholar] [CrossRef]
- Li, L.; Yang, Y.; Xu, Z.; Chen, G.; Chen, X. Fatigue crack growth law of API X80 pipeline steel under various stress ratios based on J-integral. Fatigue Fract. Eng. Mater. Struct. 2014, 37, 1124–1135. [Google Scholar] [CrossRef]
- Li, Y.; Fang, W.; Lu, C.; Gao, Z.; Ma, X.; Jin, W.; Ye, Y.; Wang, F. Microstructure and mechanical properties of 34CrMo4 steel for gas cylinders formed by hot drawing and flow forming. Materials 2019, 12, 1351. [Google Scholar] [CrossRef]
- Nakanishi, D.; Kawabata, T.; Aihara, S. Brittle crack propagation resistance inside grain and at high angle grain boundary in 3% Si-Fe alloy. Acta Mater. 2018, 144, 768–776. [Google Scholar] [CrossRef]
- Wang, X.; Zhang, C.; Cui, X.; Zhang, S.; Chen, J.; Zhang, J. Microstructure and mechanical behavior of additive manufactured Cr–Ni–V low alloy steel in different heat treatment. Vacuum 2020, 175, 109216. [Google Scholar] [CrossRef]
- Sun, L.; Li, M.; Li, H. Dynamic recrystallization-related interface phase boundary migration of TC17/TC4 bond with initial equiaxed microstructure. JOM J. Miner. Met. Mater. Soc. 2019, 71, 2253–2261. [Google Scholar] [CrossRef]
- Wang, Y.; Ma, E. Three strategies to achieve uniform tensile deformation in a nanostructured metal. Acta Mater. 2004, 52, 1699–1709. [Google Scholar] [CrossRef]
- He, Y.; Lu, C.; Liu, S.; Zheng, W.; Luo, J. Interfacial incompatibility and internal stresses in all-solid-state lithium ion batteries. Adv. Energy Mater. 2019, 9, 1901810. [Google Scholar] [CrossRef]
- Liu, K.; Li, Y.; Yang, J.; Liu, Y.; Yao, Y. Generative principal component thermography for enhanced defect detection and analysis. IEEE T. Instrum. Meas. 2020, 69, 8261–8269. [Google Scholar] [CrossRef]
- Hu, X.; Xue, Z.; Ren, T.; Jiang, Y.; Dong, C.; Liu, F. On the fatigue crack growth behaviour of selective laser melting fabricated Inconel 625: Effects of build orientation and stress ratio. Fatigue Fract. Eng. Mater. Struct. 2020, 43, 771–787. [Google Scholar] [CrossRef]
- Dugdale, D.S. Stiffness of a spinning disc clamped at its centre. J. Mech. Phys. Solids 1966, 14, 349–356. [Google Scholar] [CrossRef]
- Richeton, T.; Wagner, F.; Chen, C.; Toth, L. Combined effects of texture and grain size distribution on the tensile behavior of α-titanium. Materials 2018, 11, 1088. [Google Scholar] [CrossRef]

















| Symbol | Element | |||||||||
|---|---|---|---|---|---|---|---|---|---|---|
| C | Si | Mn | S | P | Cr | Mo | Ni | Al | Fe | |
| Measured | 0.36 | 0.23 | 0.71 | 0.003 | 0.012 | 1.06 | 0.23 | 0.044 | 0.022 | Bal. |
| BS EN 10083-3 | 0.30~0.37 | Max. 0.40 | 0.60~0.90 | Max. 0.035 | Max. 0.025 | 0.90~1.20 | 0.15~0.30 | - | - | - |
| Specimen | Serial Number | R-Ratio | ΔP (N) | Pmax (N) | a0 (mm) | af (mm) |
|---|---|---|---|---|---|---|
| BM | BM1 | 0.1 | 1300 | 1444 | 9.00 | 16.94 |
| BM2 | 0.2 | 1300 | 1857 | 9.00 | 17.39 | |
| BM3 | 0.3 | 1300 | 2600 | 9.00 | 16.37 | |
| HD-L | HDL1 | 0.1 | 2400 | 2667 | 9.32 | 17.84 |
| HDL2 | 0.2 | 2000 | 2857 | 9.18 | 17.70 | |
| HDL3 | 0.3 | 1300 | 2600 | 9.12 | 18.10 | |
| HD-T | HDT1 | 0.1 | 1300 | 1444 | 9.16 | 19.21 |
| HDT2 | 0.2 | 1100 | 1571 | 9.66 | 19.23 | |
| HDT3 | 0.3 | 1050 | 2100 | 9.25 | 18.39 | |
| CF-L | CFL1 | 0.1 | 2600 | 2889 | 9.39 | 17.98 |
| CFL2 | 0.2 | 1900 | 2714 | 9.10 | 18.10 | |
| CFL3 | 0.3 | 1350 | 2700 | 9.20 | 18.20 | |
| CF-T | CFT1 | 0.1 | 1500 | 1667 | 9.06 | 19.68 |
| CFT2 | 0.2 | 1500 | 2143 | 9.07 | 18.40 | |
| CFT3 | 0.3 | 1200 | 2400 | 9.12 | 17.90 |
| Specimen | Serial Number | R-Ratio | C | m | Correlation Coefficient |
|---|---|---|---|---|---|
| BM | BM1 | 0.1 | 4.4308 × 10−10 | 3.6889 | 0.9849 |
| BM2 | 0.2 | 3.5962 × 10−9 | 3.2095 | 0.9980 | |
| BM3 | 0.3 | 2.1855 × 10−9 | 3.3911 | 0.9973 | |
| HD-L | HDL1 | 0.1 | 6.5941 × 10−8 | 2.3434 | 0.9930 |
| HDL2 | 0.2 | 7.8444 × 10−8 | 2.3417 | 0.9928 | |
| HDL3 | 0.3 | 4.3638 × 10−8 | 2.5325 | 0.9956 | |
| HD-T | HDT1 | 0.1 | 5.2208 × 10−8 | 2.3948 | 0.9962 |
| HDT2 | 0.2 | 3.6414 × 10−8 | 2.5643 | 0.9950 | |
| HDT3 | 0.3 | 3.5730 × 10−8 | 2.5832 | 0.9919 | |
| CF-L | CFL1 | 0.1 | 3.4574 × 10−9 | 3.0441 | 0.9974 |
| CFL2 | 0.2 | 1.2096 × 10−7 | 2.2195 | 0.9936 | |
| CFL3 | 0.3 | 7.1953 × 10−8 | 2.3775 | 0.9963 | |
| CF-T | CFT1 | 0.1 | 1.1386 × 10−7 | 2.1832 | 0.9971 |
| CFT2 | 0.2 | 1.3554 × 10−7 | 2.1796 | 0.9974 | |
| CFT3 | 0.3 | 6.8393 × 10−8 | 2.4013 | 0.9943 |
| Specimen | BM | HDL | HDT | CFL | CFT |
|---|---|---|---|---|---|
| Yield stress (MPa) | 674 | 1142 | 988 | 1164 | 975 |
| Young’s modulus E (GPa) | 200 | 228 | 223 | 215 | 211 |
Publisher’s Note: MDPI stays neutral with regard to jurisdictional claims in published maps and institutional affiliations. |
© 2021 by the authors. Licensee MDPI, Basel, Switzerland. This article is an open access article distributed under the terms and conditions of the Creative Commons Attribution (CC BY) license (http://creativecommons.org/licenses/by/4.0/).
Share and Cite
Xu, X.; Lu, C.; Li, Y.; Ma, X.; Jin, W. Fatigue Crack Growth Characteristics of 34CrMo4 Steel for Gas Cylinders by Cold Flow Forming after Hot Drawing. Metals 2021, 11, 133. https://doi.org/10.3390/met11010133
Xu X, Lu C, Li Y, Ma X, Jin W. Fatigue Crack Growth Characteristics of 34CrMo4 Steel for Gas Cylinders by Cold Flow Forming after Hot Drawing. Metals. 2021; 11(1):133. https://doi.org/10.3390/met11010133
Chicago/Turabian StyleXu, Xiaojiao, Chuanyang Lu, Yuebing Li, Xiakang Ma, and Weiya Jin. 2021. "Fatigue Crack Growth Characteristics of 34CrMo4 Steel for Gas Cylinders by Cold Flow Forming after Hot Drawing" Metals 11, no. 1: 133. https://doi.org/10.3390/met11010133
APA StyleXu, X., Lu, C., Li, Y., Ma, X., & Jin, W. (2021). Fatigue Crack Growth Characteristics of 34CrMo4 Steel for Gas Cylinders by Cold Flow Forming after Hot Drawing. Metals, 11(1), 133. https://doi.org/10.3390/met11010133

