New Real-Time High-Density Impulsive Noise Removal Method Applied to Medical Images
Abstract
1. Introduction
2. MLVMF-Based Impulsive Noise Detection
| Algorithm 1. Thresholding process. |
if % T is a predefined threshold then else if then end end if then end |
3. Local Data Enhancement by Nested Filtering
4. Missing Information Estimation by Morphological Operations
5. NFMO Performances
5.1. NFMO Performances Evaluation Using the Standard Lena Image
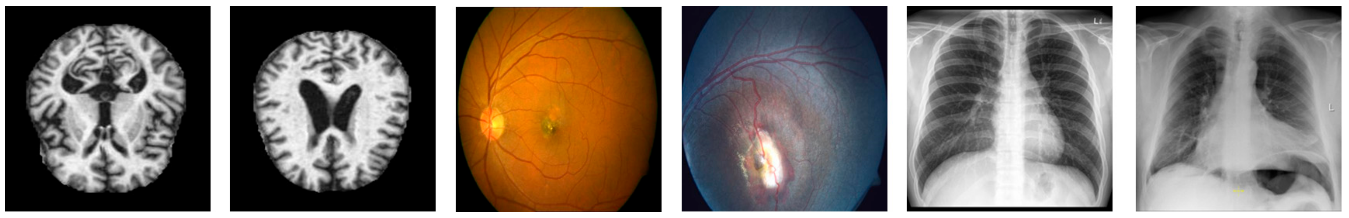
5.2. NFMO Performances Evaluation with Medical Images
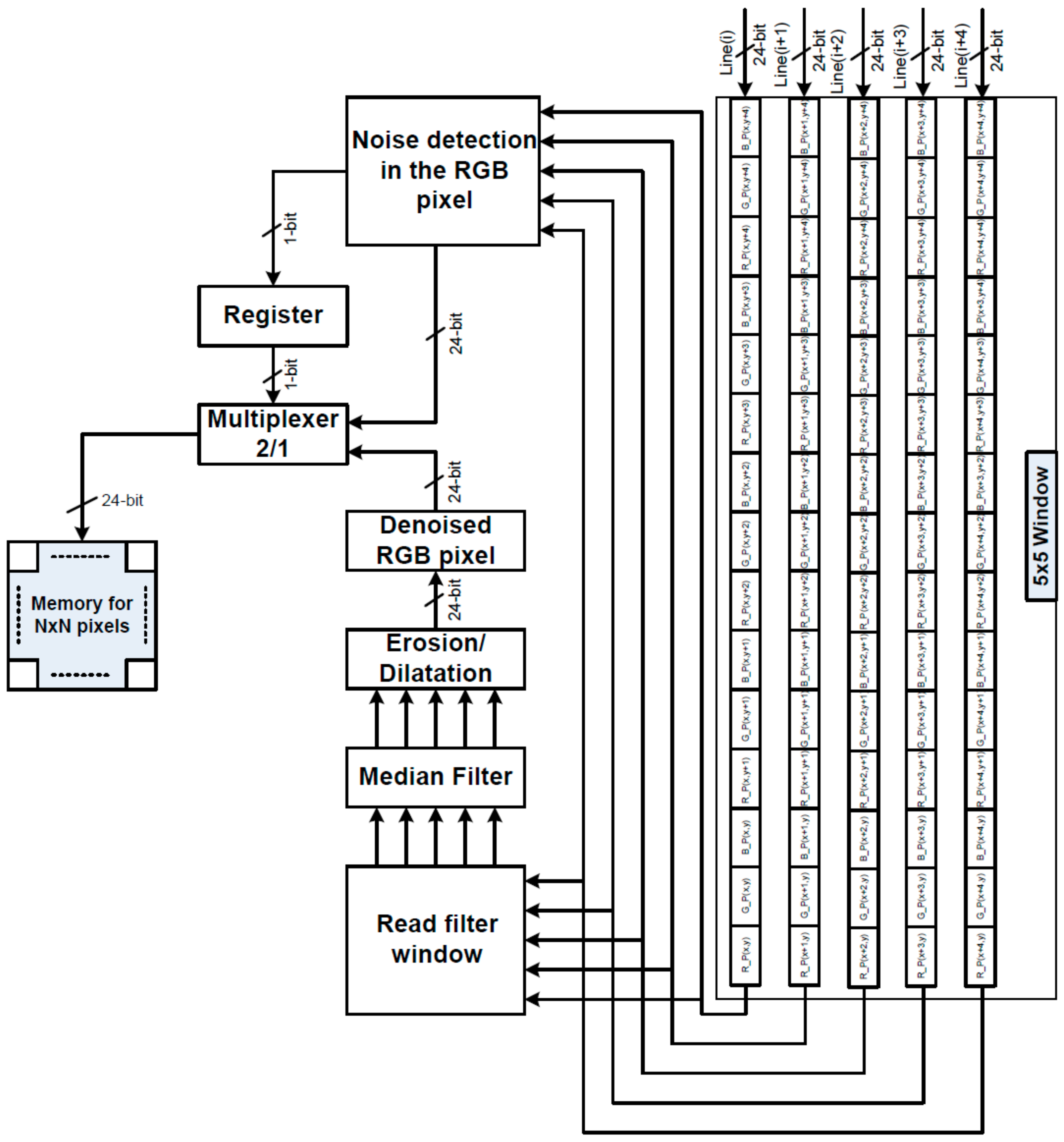
6. NFMO Real-Time Implementation
7. Conclusions
Author Contributions
Funding
Institutional Review Board Statement
Informed Consent Statement
Data Availability Statement
Conflicts of Interest
References
- Astola, J.; Haavisto, P.; Neuvo, Y. Vector median filters. Proc. IEEE 1990, 78, 678–689. [Google Scholar] [CrossRef]
- Smolka, B. Robust Sharpening Vector Median Filter. In Proceedings of the International Automatic Control Conference (CACS), Taoyuan, Taiwan, 4–7 November 2018; pp. 1–6. [Google Scholar] [CrossRef]
- Smolka, B.; Szczepanski, M.; Plataniotis, K.; Venetsanopoulos, A. On the fast modified vector median filter. In Proceedings of the Canadian Conference on Electrical and Computer Engineering 2001, Toronto, ON, Canada, 13–16 May 2001; Volume 2, pp. 1315–1320. [Google Scholar] [CrossRef]
- Viero, T.; Oistamo, K.; Neuvo, Y. Three-dimensional median-related filters for color image sequence filtering. IEEE Trans. Circuits Syst. Video Technol. 1994, 4, 129–142, 208. [Google Scholar] [CrossRef]
- Lukac, R.; Smolka, B.; Plataniotis, K.N. Sharpening vector median filters. Signal Process. 2007, 87, 2085–2099. [Google Scholar] [CrossRef]
- Naveen, Y.; Gupta, S. Removal of Salt and Pepper Noise Using Sparse Representation. In Proceedings of the 2012 Eighth International Conference on Signal Image Technology and Internet Based Systems, Naples, Italy, 26–29 November 2012; pp. 58–63. [Google Scholar] [CrossRef]
- Elamaran, V.; Upadhyay, H.N.; Narasimhan, K.; Priestley, J.J. A Case Study of Impulse Noise Reduction Using Morphological Image Processing with Structuring Elements. Asian J. Sci. Res. 2015, 8, 291–303. [Google Scholar] [CrossRef]
- Lei, T.; Wang, Y.; Luo, W. Multivariate Self-Dual Morphological Operators Based on Extremum Constraint. Math. Probl. Eng. 2015, 2015, 596348. [Google Scholar] [CrossRef]
- Ruchay, A.; Kober, V. Impulsive Noise Removal from Color Images with Morphological Filtering. In Analysis of Images, Social Networks and Texts: 6th International Conference, AIST 2017, Moscow, Russia, July 27–29, 2017, Revised Selected Papers 6; Springer International Publishing: New York, NY, USA, 2017; pp. 280–291. [Google Scholar] [CrossRef]
- Lukac, R. Another generalisation of vector filters. In Proceedings of the International Symposium on VIPromCom Video/Image Processing and Multimedia Communications, Zadar, Croatia, 16–19 June 2002; pp. 273–278. [Google Scholar] [CrossRef]
- Smolka, B. Efficient Modification of the Central Weighted Vector Median Filter. In Joint Pattern Recognition Symposium; DAGM 2002; Lecture Notes in Computer Science; Springer: Berlin/Heidelberg, Germany, 2002; Volume 2449. [Google Scholar] [CrossRef]
- Lukac, R. Adaptive vector median filtering. Pattern Recognit. Lett. 2003, 24, 1889–1899. [Google Scholar] [CrossRef]
- Plataniotis, K.; Androutsos, D.; Venetsanopoulos, A. Color image processing using adaptive vector directional filters. In IEEE Transactions on Circuits and Systems II: Analog and Digital Signal Processing; Institute of Electrical and Electronics Engineers Inc.: New York, NY, USA, 1998; Volume 45, pp. 1414–1419. [Google Scholar] [CrossRef]
- Singh, K.; Bora, P.; Singh, S. Rank-ordered mean filter for removal of impulse noise from images. In Proceedings of the 2002 IEEE International Conference on Industrial Technology, 2002. IEEE ICIT ‘02, Bangkok, Thailand, 11–14 December 2002; Volume 2. pp. 980–985. [CrossRef]
- Peris-Fajarnés, G.; Roig, B.; Vidal, A. Rank-Ordered Differences Statistic Based Switching Vector Filter. In Image Analysis and Recognition; ICIAR 2006; Lecture Notes in Computer Science; Campilho, A., Kamel, M.S., Eds.; Springer: Berlin/Heidelberg, Germany, 2006; Volume 4141. [Google Scholar] [CrossRef]
- Morillas, S.; Gregori, V.; Sapena, A. Adaptive Marginal Median Filter for Colour Images. Sensors 2011, 11, 3205–3213. [Google Scholar] [CrossRef]
- Singh, K.M.; Bora, P.K. Switching vector median filters based on non-causal linear prediction for detection of impulse noise. Imaging Sci. J. 2013, 62, 313–326. [Google Scholar] [CrossRef]
- Roy, A.; Singha, J.; Manam, L.; Laskar, R.H. Combination of adaptive vector median filter and weighted mean filter for removal of high density impulse noise from color images. IET Image Process. 2017, 11, 352–361. [Google Scholar] [CrossRef]
- Zhang, Z.; Han, D.; Dezert, J.; Yang, Y. A New Adaptive Switching Median Filter for Impulse Noise Reduction with Pre-Detection Based on Evidential Reasoning. Signal Process. 2018, 147, 173–189. [Google Scholar] [CrossRef]
- Khriji, L.; Gabbouj, M. Adaptive fuzzy order statistics-rational hybrid filters for color image processing. Fuzzy Sets Syst. 2002, 128, 35–46. [Google Scholar] [CrossRef]
- Abid, I.; Boudabous, A.; Ben Atitallah, A. A new adaptive vector median rational hybrid filter for impulsive noise suppression. In Proceedings of the 16th International Conference on Sciences and Techniques of Automatic Control and Computer Engineering (STA), Monastir, Tunisia, 21–23 December 2015; pp. 417–421. [Google Scholar] [CrossRef]
- Plataniotis, K.; Androutsos, D.; Venetsanopoulos, A. Adaptive fuzzy systems for multichannel signal processing. Proc. IEEE 1999, 87, 1601–1622. [Google Scholar] [CrossRef]
- Wang, G.; Zhu, H.; Wang, Y. Fuzzy decision filter for color images denoising. Optik 2015, 126, 2428–2432. [Google Scholar] [CrossRef]
- Roy, A.; Manam, L.; Laskar, R.H. Region Adaptive Fuzzy Filter: An Approach for Removal of Random-Valued Impulse Noise. IEEE Trans. Ind. Electron. 2018, 65, 7268–7278. [Google Scholar] [CrossRef]
- Kong, H.; Guan, L. A neural network adaptive filter for the removal of impulse noise in digital images. Neural Netw. 1996, 9, 373–378. [Google Scholar] [CrossRef]
- Solovyeva, E. Cellular neural network as a non-linear filter of impulse noise. In Proceedings of the 2017 20th Conference of Open Innovations Association (FRUCT), St. Petersburg, Russia, 3–7 April 2017; pp. 420–426. [Google Scholar] [CrossRef]
- Radlak, K.; Malinski, L.; Smolka, B. Deep Learning Based Switching Filter for Impulsive Noise Removal in Color Images. Sensors 2020, 20, 2782. [Google Scholar] [CrossRef]
- Liang, S.-F.; Lu, S.-M.; Chang, J.-Y.; Lin, C.-T. A Novel Two-Stage Impulse Noise Removal Technique Based on Neural Networks and Fuzzy Decision. IEEE Trans. Fuzzy Syst. 2008, 16, 863–873. [Google Scholar] [CrossRef]
- Bell, D. Salt and Pepper Sign (MRI Artifact). Salt and Pepper Noise (MRI Artifact)|Radiology Reference Article|Radiopaedia.Org. 2021. Available online: https://radiopaedia.org/articles/salt-and-pepper-noise-mri-artifact?lang=us (accessed on 1 April 2023). [CrossRef]
- Nyrhinen, M.; Souza, V.H.; Korhonen, J.; Sinisalo, H.; Paasonen, J.; Nieminen, J.O.; Gröhn, O.; Ilmoniemi, R.J.; Lin, F.-H. The Impulse Noise of TMS inside a 3 T and 9.4 T MRI. Brain Stimul. 2021, 14, 1606. [Google Scholar] [CrossRef]
- Goyal, B.; Dogra, A.; Agrawal, S.; Sohi, B.S. Noise Issues Prevailing in Various Types of Medical Images. Biomed. Pharmacol. J. 2018, 11, 1227–1237. [Google Scholar] [CrossRef]
- Das, J.B.A.; Sarangi, A.; Mishra, D.; Mohanty, M.N. Design of RAMF for Impulsive Noise Cancelation from Chest X-ray Image. In Advances in Intelligent Computing and Communication, Lecture Notes in Networks and Systems; Springer: Singapore, 2022; Volume 430. [Google Scholar] [CrossRef]
- Arora, S.; Hanmandlu, M.; Gupta, G. Filtering Impulse Noise in Medical Images Using Information Sets. Pattern Recognit. Lett. 2020, 139, 1–9. [Google Scholar] [CrossRef]
- Owais, M.; Arsalan, M.; Choi, J.; Park, K.R. Effective Diagnosis and Treatment through Content-Based Medical Image Retrieval (CBMIR) by Using Artificial Intelligence. J. Clin. Med. 2019, 8, 462. [Google Scholar] [CrossRef] [PubMed]
- Faragallah, O.S.; Ibrahem, H.M. Adaptive Switching Weighted Median Filter Framework for Suppressing Salt-and-pepper Noise. AEU Int. J. Electron. Commun. 2016, 70, 1034–1040. [Google Scholar] [CrossRef]
- Toh, K.K.V.; Isa, N.A.M. Noise Adaptive Fuzzy Switching Median Filter for Salt-and-Pepper Noise Reduction. IEEE Signal Process. Lett. 2010, 17, 281–284. [Google Scholar] [CrossRef]
- Esakkirajan, S.; Veerakumar, T.; Subramanyam, A.N.; PremChand, C.H. Removal of High Density Salt and Pepper Noise Through Modified Decision Based Unsymmetric Trimmed Median Filter. IEEE Signal Process. Lett. 2011, 18, 287–290. [Google Scholar] [CrossRef]
- Khan, S.; Lee, D.-H. An Adaptive Dynamically Weighted Median Filter for Impulse Noise Removal. EURASIP J. Adv. Signal Process. 2017, 2017, 1–14. [Google Scholar] [CrossRef]
- Kishorebabu, V.; Packyanathan, G.; Kamatham, H.; Shankar, V. An Adaptive Decision Based Interpolation Scheme for the Removal of High Density Salt and Pepper Noise in Images. EURASIP J. Image Video Process. 2017, 2017, 67. [Google Scholar] [CrossRef]
- Varatharajan, R.; Vasanth, K.; Gunasekaran, M.; Priyan, M.; Gao, X.Z. An Adaptive Decision Based Kriging Interpolation Algorithm for the Removal of High Density Salt and Pepper Noise in Images. Comput. Electr. Eng. 2018, 70, 447–461. [Google Scholar] [CrossRef]
- Balasubramanian, G.; Chilambuchelvan, A.; Vijayan, S.; Gowrison, G. Probabilistic Decision Based Filter to Remove Impulse Noise Using Patch Else Trimmed Median. AEU Int. J. Electron. Commun. 2016, 70, 471–481. [Google Scholar] [CrossRef]
- Chen, J.; Zhan, Y.; Cao, H.; Wu, X. Adaptive Probability Filter for Removing Salt and Pepper Noises. IET Image Process. 2018, 12, 863–871. [Google Scholar] [CrossRef]
- Erkan, U.; Gökrem, L. A New Method Based on Pixel Density in Salt and Pepper Noise Removal. Turk. J. Electr. Eng. Comput. Sci. 2018, 26, 162–171. [Google Scholar] [CrossRef]
- Vasanth, K.; Varatharajan, R. An Adaptive Content Based Closer Proximity Pixel Replacement Algorithm for High Density Salt and Pepper Noise Removal in Images. J. Ambient. Intell. Humaniz. Comput. 2020, 1–15. [Google Scholar] [CrossRef]
- Zhang, P.; Li, F. A New Adaptive Weighted Mean Filter for Removing Salt-and-Pepper Noise. IEEE Signal Process. Lett. 2014, 21, 1280–1283. [Google Scholar] [CrossRef]
- Jayasree, P.S.; Raj, P.; Kumar, P.; Siddavatam, R.; Ghrera, S.P. A Fast Novel Algorithm for Salt and Pepper Image Noise Cancellation Using Cardinal, B.-Splines. Signal Image Video Process. 2012, 7, 1145–1157. [Google Scholar] [CrossRef]
- Soille, P. Morphological Image Analysis: Principles and Applications; Springer: Berlin/Heidelberg, Germany, 1999. [Google Scholar] [CrossRef]
- Hu, Y.; Ji, H. Research on Image Median Filtering Algorithm and Its FPGA Implementation. In Proceedings of the 2009 WRI Global Congress on Intelligent Systems, Washington, DC, USA, 19–21 May 2009; pp. 226–230. [Google Scholar] [CrossRef]
- Lee, T.W.; Lee, J.H.; Cho, S.B. FPGA Implementation of a 3/spl times/3 window median filter based on a new efficient bit-serial sorting algorithm. In Proceedings of the 7th Korea-Russia International Symposium on Science and Technology, Proceedings KORUS 2003. (IEEE Cat. No.03EX737), Ulsan, Republic of Korea, 28 June–6 July 2003; Volume 2, pp. 237–242. [Google Scholar]
- Boudabous, A.; Ben Atitallah, A.B.; Khriji, L.; Kadionik, P.; Masmoudi, N. HW/SW design- based implementation of vector median rational hybrid filter. Int. Arab J. Inf. Technol. 2010, 7, 70–74. [Google Scholar]
- Boudabous, A.; Khriji, L.; Ben Atitallah, A.B.; Kadionik, P.; Masmoudi, N. Efficient architecture and implementation of vector median filter in co-design context. RadioEng. Prague 2007, 16, 113–119. [Google Scholar]
- Kthiri, M.; Le Gal, B.; Kadionik, P.; Ben Atitallah, A. A Very High Throughput Deblocking Filter for H.264/AVC. J. Signal Process. Syst. 2013, 73, 189–199. [Google Scholar] [CrossRef]
- Ben Atitallah, A.; Kadionik, P.; Ghozzi, F.; Nouel, P.; Masmoudi, N.; Marchegay, P. Optimization and Implementation on Fpga of the DCT/IDCT Algorithm. In Proceedings of the 2006 IEEE International Conference on Acoustics Speech and Signal Processing Proceedings, Toulouse, France, 14–19 May 2006; p. III. [Google Scholar] [CrossRef]
- Ben Atitallah, A.; Abid, I.; Boudabous, A.; Loukil, H. A new hardware architecture of the adaptive vector median filter and validation in a hardware/software environment. Int. J. Circuit Theory Appl. 2021, 49, 2329–2347. [Google Scholar] [CrossRef]
- Ben Atitallah, A.; Kammoun, M.; Ali, K.M.; Ben Atitallah, R. An FPGA comparative study of high-level and low-level combined designs for HEVC intra, inverse quantization, and IDCT/IDST 2D modules. Int. J. Circuit Theory Appl. 2020, 48, 1274–1290. [Google Scholar] [CrossRef]
- Kammoun, M.; Ben Atitallah, A.; Ali, K.M.A.; Ben Atitallah, R. Case study of an HEVC decoder application using high-level synthesis: Intraprediction, dequantization, and inverse transform blocks. J. Electron. Imaging 2019, 28, 033010. [Google Scholar] [CrossRef]
- Alanazi, T.M.; Ben Atitallah, A.; Abid, I. An Optimized SW/HW AVMF Design Based on High-Level Synthesis Flow for Color Images. Comput. Mater. Contin. 2021, 68, 2925–2943. [Google Scholar] [CrossRef]
- Rashid, N.; Berriri, K.; Albekairi, M.; Kaaniche, K.; Ben Atitallah, A.; Khan, M.A.; El-Hamrawy, O.I. New Real-Time Impulse Noise Removal Method Applied to Chest X-Ray Images. Diagnostics 2022, 12, 2738. [Google Scholar] [CrossRef] [PubMed]
- Panchal, S.; Naik, A.; Kokare, M.; Pachade, S.; Naigaonkar, R.; Phadnis, P.; Bhange, A. Retinal Fundus Multi-Disease Image Dataset (RFMiD) 2.0: A Dataset of Frequently and Rarely Identified Diseases. Data 2023, 8, 29. [Google Scholar] [CrossRef]
- Alzheimer’s Dataset (4 Class of Images). Available online: https://www.kaggle.com/datasets/tourist55/alzheimers-dataset-4-class-of-images (accessed on 7 January 2023).
- Winther, H.B.; Laser, H.; Gerbel, S.; Maschke, S.K.; Hinrichs, J.B.; Vogel-Claussen, J.; Wacker, F.K.; Höper, M.M.; Meyer, B.C. COVID-19 Image Repository. Figshare Dataset 2020. Available online: https://github.com/ml-workgroup/covid-19-image-repository (accessed on 12 August 2022).















| Noise in % 🡪 | 10% | 30% | 50% | 70% | 90% |
|---|---|---|---|---|---|
| MLVMF | 43.58 | 37.86 | 30.01 | 23.95 | 19.67 |
| NFMO (PA) | 42.92 | 38.65 | 35.99 | 33.13 | 29.99 |
| Method | Full Denomination | Year | Family | Principle |
|---|---|---|---|---|
| ASWM [35] | Adaptive Switching Weighted Median filter | 2016 | Median Filter-Based | The noise detection step compares the corrupted candidate to the local mean value to determine whether a pixel is “noise-free” or “noisy”. An adaptive weighted median filter replaces noisy pixels with weighted median values. |
| NAFSM [36] | Noise Adaptive Fuzzy Switching Median filter | 2010 | Median Filter-Based | A histogram determines the contaminated pixel. The filtering step processes the noisy pixel while maintaining the noise-free pixel components. Local maximums at the histogram ends help the algorithm find the erroneous pixel. A Boolean noisy mask identifies the noisy pixel. The noisy pixel receives 0, and the rest receive 1. The predicted correction term replaces a noisy pixel during filtering based on the mask’s notation. |
| MDBUTMF [37] | Modified Decision-Based Un-symmetric Trimmed Median Filter | 2011 | Median Filter-Based | If brightness levels fall between the contrasting gray values, the pixel element is unchanged. MDBUTMF regulates intermediate pixels. |
| ADWMF [38] | Adaptive Dynamically Weighted Median Filter | 2017 | Median Filter-Based | A weighted median filter with a simple impulse detector is used. Noise density determines window size. After detecting impulsive noise, the weighted median filter gives the noisy element zero weight in the next frame. |
| DBIDWI [39] | Adaptive Decision Based Inverse Distance Weighted Interpolation | 2017 | Interpolation-Based | Inverse distance-weighted interpolations replace noisy pixels. Based on nearby non-noisy pixels, this interpolation predicts damaged pixel values. |
| ADKIF [40] | Adaptive Decision Based Kriging Interpolation Filter | 2018 | Interpolation-Based | The algorithm processes only noisy pixels. A weighted interpolation replaces the faulty pixel. If a processing window has less than three non-noisy pixels, the window increases adaptively. |
| PDBF [41] | Probabilistic Decision Based Filter | 2016 | Probability and Statistics | Based on the anticipated noise density, the filter employs either TM (Trimmed Median) or PETM (Patch Else Trimmed Median), resulting in improved denoising performance. |
| APF [42] | Adaptive Probability Filter | 2018 | Probability and Statistics | In order to identify noise, the pixel is compared to its neighboring pixel to establish its appropriateness as an image element. To replace the processing pixel, the number of noise-free pixel components is computed and compared to the pixel’s estimated threshold value. If no noise-free components are discovered, the mean filter is used in their place. |
| BPDF [43] | Based-on-Pixel Density Filter | 2018 | Probability and Statistics | A range is selected between the two extremes values around a pixel. The algorithm searches for at least one pixel inside and beyond that range. Beyond the range, it is presumed that the pixel is noise-free. If so, the most repeated pixel intensity is searched for a second time. The median of the repeating pixel is substituted for the processing pixel. |
| ACCPPRA [44] | Adaptive Content based Closer Proximity Pixel Replacement Algorithm | 2020 | Heuristic Decision Tree | Calculate the Euclidean distance between the processed pixel and nearby non-corrupted pixels. The technique expands the window if the processing kernel has no non-noisy pixels. The median of pixels that occur more frequently in the current processing window replaces erroneous pixels based on Euclidean distance. |
| AWMF [45] | Adaptive Weighted Mean Filter | 2014 | Mean filter-Based | The method progressively increases the window size until the maximum and minimum values of two succeeding windows match. The current pixel may be noisy if its value matches the highest or lowest. The window weighted mean replaces the noise candidate. |
| ACBSA [46] | Adaptive Cardinal B-Spline Algorithm | 2012 | Cardinal B-Spline Analysis | This approach conducts a cardinal B-spline analysis and application for picture noise removal. To apply cardinal B-splines, one must study the cardinal B-many spline’s qualities. Here, cardinal B-splines’ approximation function and compact support are used. |
| Noise in % 🡪 | 10% | 30% | 50% | 70% | 90% |
|---|---|---|---|---|---|
| ASWM | 42.54 | 36.09 | 32.16 | 28.61 | 23.11 |
| NAFSM | 39.36 | 34.52 | 31.88 | 25.66 | 20.11 |
| MDBUTMF | 40.76 | 34.82 | 32.98 | 26.46 | 21.18 |
| ADWMF | 38.68 | 34.44 | 28.68 | 24.46 | 21.33 |
| DBIDWI | 43.01 | 38.50 | 35.68 | 32.44 | 28.45 |
| ADKIF | 44.48 | 40.02 | 35.85 | 32.48 | 27.11 |
| PDBF | 42.87 | 39.89 | 35.72 | 31.11 | 24.15 |
| APF | 43.55 | 40.77 | 36.14 | 32.64 | 25.53 |
| BPDF | 41.17 | 38.34 | 34.17 | 27.63 | 22.78 |
| ACCPPRA | 45.71 | 40.89 | 36.09 | 32.91 | 28.04 |
| AWMF | 39.37 | 36.94 | 34.57 | 31.38 | 25.97 |
| ACBSA | 41.90 | 37.10 | 33.80 | 29.80 | 26.60 |
| NFMO (PA) | 42.92 | 38.65 | 35.99 | 33.13 | 29.99 |
| NFMO (PA)rank (out of 13) | 5th | 5th | 3rd | 1st | 1st |
| Noise in % 🡪 | 10% | 30% | 50% | 70% | 90% |
|---|---|---|---|---|---|
| MDBUTMF | 32.11 | 29.67 | 26.15 | 21.71 | 18.81 |
| DBIDWI | 36.95 | 33.77 | 30.45 | 27.86 | 24.33 |
| ADKIF | 36.20 | 33.07 | 30.02 | 27.05 | 22.41 |
| ACCPPRA | 37.17 | 33.51 | 30.27 | 27.87 | 23.76 |
| AWMF | 34.31 | 31.35 | 29.10 | 26.45 | 21.75 |
| ACBSA | 35.90 | 31.22 | 28.33 | 24.72 | 22.19 |
| NFMO (PA) | 36.24 | 33.40 | 30.42 | 29.18 | 27.20 |
| NFMO (PA)rank (out of 7) | 3rd | 3rd | 2nd | 1st | 1st |
| Noise in % 🡪 | 10% | 30% | 50% | 70% | 90% |
|---|---|---|---|---|---|
| MDBUTMF | 29.92 | 28.41 | 27.08 | 24.07 | 19.24 |
| DBIDWI | 31.15 | 29.79 | 26.98 | 24.74 | 22.12 |
| ADKIF | 31.88 | 29.64 | 26.90 | 24.80 | 22.01 |
| ACCPPRA | 32.41 | 29.82 | 26.99 | 24.72 | 22.28 |
| AWMF | 30.78 | 28.69 | 26.63 | 24.60 | 21.42 |
| ACBSA | 31.17 | 28.13 | 25.71 | 22.54 | 20.65 |
| NFMO (PA) | 32.12 | 29.77 | 27.17 | 25.90 | 24.42 |
| NFMO (PA)rank (out of 7) | 2nd | 3rd | 1st | 1st | 1st |
| Noise in % 🡪 | 10% | 30% | 50% | 70% | 90% | |||||
|---|---|---|---|---|---|---|---|---|---|---|
| Metrics 🡪 | NCD | PSNR | NCD | PSNR | NCD | PSNR | NCD | PSNR | NCD | PSNR |
| CI1 | 0.0462 | 43.35 | 0.0633 | 39.42 | 0.0800 | 37.13 | 0.0963 | 35.17 | 0.1248 | 31.94 |
| CI2 | 0.1290 | 43.10 | 0.1442 | 39.08 | 0.1574 | 36.46 | 0.1672 | 34.71 | 0.1775 | 31.05 |
| CI3 | 0.0048 | 39.75 | 0.0131 | 37.42 | 0.0208 | 35.20 | 0.0281 | 34.34 | 0.0371 | 33.45 |
| CI4 | 0.0061 | 39.29 | 0.0165 | 37.58 | 0.0262 | 36.36 | 0.0350 | 35.76 | 0.0462 | 34.11 |
| CI5 | 0.0396 | 42.25 | 0.0563 | 37.99 | 0.0710 | 35.67 | 0.0843 | 33.91 | 0.1031 | 31.33 |
| CI6 | 0.0520 | 37.51 | 0.0738 | 33.46 | 0.0924 | 31.18 | 0.1071 | 29.78 | 0.1293 | 27.84 |
| LUT | FF | BRAM_18K | DSP48E | Cycles | |
|---|---|---|---|---|---|
| Solution 1 | 12,023 (4%) | 5099 (1%) | 121 (7%) | 16 (0.5%) | 220,023,441 |
| Solution 2 | 49,535 (18%) | 44,656 (8%) | 121 (7%) | 612 (24%) | 5,503,836 |
| Solution 3 | 54,667 (20%) | 49,776 (9%) | 140 (8%) | 613 (24%) | 2,688,422 |
Disclaimer/Publisher’s Note: The statements, opinions and data contained in all publications are solely those of the individual author(s) and contributor(s) and not of MDPI and/or the editor(s). MDPI and/or the editor(s) disclaim responsibility for any injury to people or property resulting from any ideas, methods, instructions or products referred to in the content. |
© 2023 by the authors. Licensee MDPI, Basel, Switzerland. This article is an open access article distributed under the terms and conditions of the Creative Commons Attribution (CC BY) license (https://creativecommons.org/licenses/by/4.0/).
Share and Cite
Alanazi, T.M.; Berriri, K.; Albekairi, M.; Ben Atitallah, A.; Sahbani, A.; Kaaniche, K. New Real-Time High-Density Impulsive Noise Removal Method Applied to Medical Images. Diagnostics 2023, 13, 1709. https://doi.org/10.3390/diagnostics13101709
Alanazi TM, Berriri K, Albekairi M, Ben Atitallah A, Sahbani A, Kaaniche K. New Real-Time High-Density Impulsive Noise Removal Method Applied to Medical Images. Diagnostics. 2023; 13(10):1709. https://doi.org/10.3390/diagnostics13101709
Chicago/Turabian StyleAlanazi, Turki M., Kamel Berriri, Mohammed Albekairi, Ahmed Ben Atitallah, Anis Sahbani, and Khaled Kaaniche. 2023. "New Real-Time High-Density Impulsive Noise Removal Method Applied to Medical Images" Diagnostics 13, no. 10: 1709. https://doi.org/10.3390/diagnostics13101709
APA StyleAlanazi, T. M., Berriri, K., Albekairi, M., Ben Atitallah, A., Sahbani, A., & Kaaniche, K. (2023). New Real-Time High-Density Impulsive Noise Removal Method Applied to Medical Images. Diagnostics, 13(10), 1709. https://doi.org/10.3390/diagnostics13101709

