Design and Control System Setup of an E-Pattern Omniwheeled Cellular Conveyor
Abstract
1. Introduction
1.1. Omnidirectionality and Modularity in Conveyor Technologies
1.2. Existing Control System
1.3. Existing Controller
2. Materials and Methods
2.1. Environment Setup
2.2. Control System Design
2.2.1. Design of “Feedback” Block
- Threshold values were set so that only red pixels remained in the image. Non-red pixels were masked as black as shown in Figure 8c.
- The image was then converted to grayscale and followed by thresholding the image. Each pixel was now in binary form, either white or black, easing the next processing stage.
- All closed contours were extracted from the image by using the contours-finding function in OpenCV library [32].
- Each contour with rectangular shape was accepted and then classified into either the “big omniwheel” or “small omniwheel” category based on its bounding area.
- Information of each omniwheel such as omniwheel category, contour center coordinate, index, and naming in V-REP software were compiled and stored in a database.
- Converting the image to grayscale, as shown in Figure 9b, followed by image thresholding to binarize the pixel.
- Obtaining the contour that represented the carton by using the contour-finding function.
- Based on the contour, the number of vertices the contour had was approximated by using the Douglas–Peucker polynomial curves estimation method [33]. The carton should have four vertices.
- From the coordinates of these vertices, the length and width of the carton were then calculated. By taking their midpoints, the center coordinate (position) of the carton could, then, be determined.
- The pixels of the image in Figure 9b were first binarized and then inverted to create a mask. The mask was then combined with Figure 8c via bitwise “AND” operation. As a result, all the red rectangles’ edges that lay within the carton were erased, leaving some red rectangles with incomplete perimeters.
- Red rectangles with incomplete or broken perimeters were not considered as a contour, and hence were eliminated, whereas the addresses of red rectangles with complete perimeters were recorded and passed on to the “controller” block.
- The “controller” block compared these addresses with the reference addresses stored in the database to know which actuators to be activated and deactivated.
2.2.2. Understanding “Process” Block
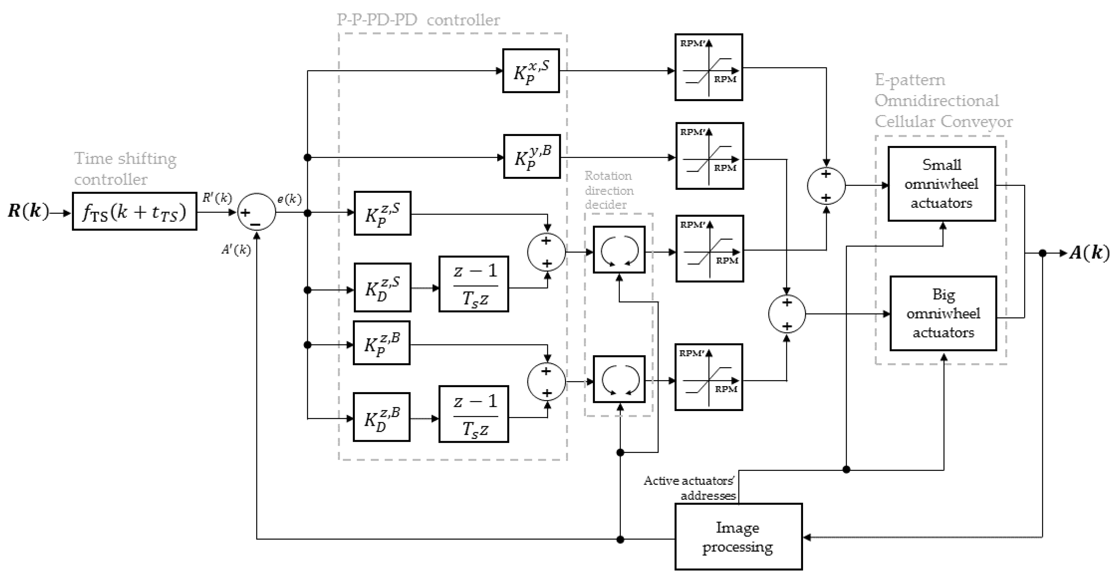
2.2.3. Design of “Controller” Block
- P–P–P–P controller,
- + P–P–P–P controller,
- P–P–PD–PD controller, and
- + P–P–PD–PD controller
2.3. Design of Experiment
2.3.1. Design of Trajectory
2.3.2. Performance Indexes
3. Results
3.1. Diagonal-Shaped Trajectory Tracking
3.2. ∞-Shaped Trajectory Tracking
3.3. 8-Shaped Trajectory Tracking
4. Discussion and Conclusions
Supplementary Materials
Author Contributions
Funding
Institutional Review Board Statement
Informed Consent Statement
Data Availability Statement
Acknowledgments
Conflicts of Interest
Appendix A

References
- Mayer, S.H. Development of a Completely Decentralized Control System for Modular Continuous Conveyors; Universitatsverlag Karlsruhe: Karlsruhe, Germany, 2009. [Google Scholar]
- Uriarte, C.; Asphandiar, A.; Thamer, H.; Benggolo, A.; Freitag, M. Control strategies for small-scaled conveyor modules enabling highly flexible material flow systems. Procedia CIRP 2019, 79, 433–438. [Google Scholar] [CrossRef]
- Furmans, K.; Nobbe, C.; Schwab, M. Future of material handling–modular, flexible and efficient. In Proceedings of the IEEE/RSJ International Conference on Intelligent Robots and Systems, San Francisco, CA, USA, 25–30 September 2011. [Google Scholar]
- Furmans, K.; Schonung, F.; Gue, K.R. Plug-and-work material handling systems. In Proceedings of the International Material Handling Research Colloquium, Saxony, Germany, 15–19 June 2010; pp. 1–6. [Google Scholar]
- Seibold, Z.; Stoll, T.; Furmans, K. Layout-optimized sorting of goods with decentralized controlled conveying modules. In Proceedings of the IEEE International Systems Conference (SysCon), Orlando, FL, USA, 15–18 April 2013; pp. 1–6. [Google Scholar]
- Shchekutin, N.; Sohrt, S.; Overmeyer, L. Multi-objective layout optimization for material flow system with decentralized and scalable control. Logist. J. Proc. 2017, 10, 1–12. [Google Scholar]
- Spindler, M.; Aicher, T.; Schutz, D.; Vogel-Heuser, B.; Gunthner, W.A. Modularized Control Algorithm for Automated Material Handling Systems. In Proceedings of the IEEE 19th International Conference on Intelligent Transportation Systems, Rio de Janeiro, Brazil, 1–4 November 2016; pp. 2644–2650. [Google Scholar]
- Wang, C.-N.; Wang, Y.-H.; Hsu, H.-P.; Trinh, T.-T. Using Rotacaster in the Heuristic Preemptive Dispatching Method for Conveyor-Based Material Handling of 450 mm Wafer Fabrication. IEEE Trans. Semicond. Manuf. 2016, 29, 230–238. [Google Scholar]
- Wang, X.; Kong, X.T.R.; Huang, G.Q.; Luo, H. Cellular Warehousing for Omnichannel Retailing: Internet of Things and Physical Internet Perspectives. In Proceedings of the 5th International Physical Internet Conference, Groningen, The Netherlands, 18–22 June 2018; pp. 1–16. [Google Scholar]
- Chauriwar, R.; Sakunke, S. Omni-directional conveyor platform: A review paper from automated sorting system and operation research perspective. Int. J. Innov. Res. Technol. 2019, 5, 207–215. [Google Scholar]
- Ilon, B.E. Wheels for a Course Stable Self-Propelling Vehicle Movable in any Desired on the Ground or Some Other Base. U.S. Patent 3876255A, 8 April 1975. [Google Scholar]
- Grabowiecki, J. Vehicle Wheel. U.S. Patent 1305535DA, 12 April 1919. [Google Scholar]
- Oyobe, H.; Hori, Y. Object conveyance system ‘Magic Carpet’ consisting of 64 linear actuators-object position feedback control with object position estimation. In Proceedings of the IEEE/ASME International Conference on Advanced Intelligent Mechatronics, Como, Italy, 8–12 July 2001; pp. 1307–1312. [Google Scholar]
- Kruhn, T.; Falkenberg, S.; Overmeyer, L. Decentralized control for small-scaled conveyor modules with cellular automata. In Proceedings of the IEEE International Conference on Automation and Logistics, Hong Kong, China, 16–20 August 2010; pp. 237–242. [Google Scholar]
- Kruhn, T.; Overmeyer, L. Decentralized and dynamic routing for a cognitive conveyor. In Proceedings of the 1st Joint International Symposium on System-Integrated Intelligence, Wollongong, NSW, Australia, 9–12 July 2013; pp. 85–87. [Google Scholar]
- Overmeyer, L.; Ventz, K.; Falkenberg, S. Interfaced multidirectional small-scaled modules for intralogistics operations. Logist. Res. 2010, 2, 123–133. [Google Scholar] [CrossRef]
- Kruhn, T.; Sohrt, S.; Overmeyer, L. Mechanical feasibility and decentralized control algorithms of small-scale, multi-directional transport modules. Logist. Res. 2016, 9, 1–14. [Google Scholar] [CrossRef]
- Lee, H.; Pyo, S.; Park, S.; Yoon, J. Design of the omni directional treadmill based on an Omni-pulley mechanism. In Proceedings of the 13th International Conference on Ubiquitous Robots and Ambient Intelligence, Xi’an, China, 19–22 August 2016; pp. 889–894. [Google Scholar]
- Pyo, S.H.; Lee, H.S.; Phu, B.M.; Park, S.J.; Yoon, J.W. Development of an Fast-Omnidirectional Treadmill (F-ODT) for Immersive Locomotion Interface. In Proceedings of the IEEE International Conference on Robotics and Automation, Brisbane, QLD, Australia, 21–25 May 2018; pp. 760–766. [Google Scholar]
- Abe, K.; Matsui, G.; Tadakuma, K.; Yamano, M.; Tadakuma, R. Development of the omnidirectional transporting table based on omnidirectional driving gear. Adv. Robot. 2020, 34, 358–374. [Google Scholar] [CrossRef]
- Firvida, M.B.; Tharner, H.; Freitag, M. Decentralized omnidirectional route planning and reservation for highly flexible material flow systems with small-scaled conveyor modules. In Proceedings of the IEEE 23rd International Conference on Emerging Technologies and Factory Automation, Turin, Italy, 4–7 September 2018; pp. 685–692. [Google Scholar]
- Sohrt, S.; Overmeyer, L. Decentralized Routing Algorithm with Physical Time Windows for Modular Conveyors. Logist. Res. 2020, 13, 1–12. [Google Scholar]
- Dogaru, R. Systematic Design for Emergence in Cellular Nonlinear Networks: With Applications in Natural Computing and Signal Processing; Springer: Berlin/Heidelberg, UK, 2008. [Google Scholar]
- Nandi, S.; Kar, B.K.; Chaudhuri, P.P. Theory and applications of cellular automata in cryptography. IEEE Trans. Comput. 1994, 43, 1346–1357. [Google Scholar] [CrossRef]
- Pendleton, S.D. Perception, Planning, Control, and Coordination for Autonomous Vehicles. Machines 2017, 5, 6. [Google Scholar] [CrossRef]
- Normey-Rico, J.E.; Alcala, I.; Gomez-Ortega, J.; Camacho, E.F. Mobile robot path tracking using a robust PID controller. Control Eng. Pract. 2001, 9, 1209–1214. [Google Scholar] [CrossRef]
- Pitonakova, L.; Giuliani, M.; Pipe, A.; Winfield, A. Feature and Performance Comparison of the V-REP, Gazebo and ARGoS Robot Simulators. In Towards Autonomous Robotic Systems; Springer: Cham, Switzerland, 2018; pp. 357–368. [Google Scholar]
- Rivera, Z.B.; De Simone, M.C.; Guida, D. Unmanned Ground Vehicle Modelling in Gazebo/ROS-Based Environments. Machines 2019, 7, 42. [Google Scholar] [CrossRef]
- Tătar, M.O.; Popovici, C.; Mândru, D.; Ardelean, I.; Pleşa, A. Design and development of an autonomous omni-directional mobile robot with mecanum wheels. In Proceedings of the IEEE International Conference on Automation, Quality and Testing, Robotics, Bangkok, Thailand, 16–18 January 2014; pp. 1–6. [Google Scholar]
- Xie, L.; Scheifele, C.; Stol, W.X. Heavy-duty omni-directional Mecanum-wheeled robot for autonomous navigation: System development and simulation realization. In Proceedings of the IEEE International Conference on Mechatronics (ICM), Nagoya, Japan, 6–8 March 2015; pp. 256–261. [Google Scholar]
- Luo, R.C.; Tsai, Y.-S. On-line adaptive control for minimizing slippage error while mobile platform and manipulator operate simultaneously for robotics mobile manipulation. In Proceedings of the 41st Annual Conference of the IEEE Industrial Electronics Society, Yokohama, Japan, 9–12 November 2015; pp. 2679–2684. [Google Scholar]
- Suzuki, S.; Be, K. Topological structural analysis of digitized binary images by border following. Comput. Vision Graph. Image Process. 1985, 30, 32–46. [Google Scholar] [CrossRef]
- Douglas, D.; Peucker, T. Algorithms for the reduction of the number of points required to represent a digitized line or its caricature. Can. Cartogr. 1973, 10, 112–122. [Google Scholar] [CrossRef]



























| Controllers | Parameters | ||||||
|---|---|---|---|---|---|---|---|
| P–P–P–P controller | 8.5 | 7.5 | 6.0 | — | 5.3 | — | — |
| + P–P–P–P controller | 3.5 | 2.1 | 1.0 | — | 0.3 | — | 100 |
| P–P–PD–PD controller | 8.5 | 7.5 | 6.0 | 90 | 5.3 | 100 | — |
| + P–P–PD–PD controller | 3.5 | 2.1 | 1.0 | 90 | 0.3 | 100 | 100 |
| X-Position | Y-Position | Angle | ||||
|---|---|---|---|---|---|---|
| IAE | ISE | IAE | ISE | IAE | ISE | |
| P–P–P–P controller | 352 | 518 | 350 | 742 | 572 | 1676 |
| + P–P–P–P controller | 326 | 470 | 145 * | 187 * | 759 | 3023 |
| P–P–PD–PD controller | 345 | 507 | 397 | 861 | 512 * | 1344 * |
| + P–P–PD–PD controller | 292 * | 364 * | 253 | 505 | 717 | 2535 |
| X-Position | Y-Position | Angle | ||||
|---|---|---|---|---|---|---|
| IAE | ISE | IAE | ISE | IAE | ISE | |
| P–P–P–P controller | 688 | 1174 | 587 | 1135 | 781 | 2007 |
| + P–P–P–P controller | 598 | 874 * | 100 * | 102 * | 804 | 1958 |
| P–P–PD–PD controller | 720 | 1276 | 719 | 1649 | 727 * | 1701 * |
| + P–P–PD–PD controller | 600 * | 898 | 215 | 253 | 744 | 1756 |
| X-Position | Y-Position | Angle | ||||
|---|---|---|---|---|---|---|
| IAE | ISE | IAE | ISE | IAE | ISE | |
| P–P–P–P controller | 583 | 955 | 869 | 2555 | 775 * | 2013 |
| + P–P–P–P controller | 456 | 780 | 964 | 3858 | 3006 | 22,268 |
| P–P–PD–PD controller | 543 | 871 | 934 | 3002 | 778 | 1930 * |
| + P–P–PD–PD controller | 420 * | 536 * | 242 * | 312 * | 1820 | 8012 |
Publisher’s Note: MDPI stays neutral with regard to jurisdictional claims in published maps and institutional affiliations. |
© 2021 by the authors. Licensee MDPI, Basel, Switzerland. This article is an open access article distributed under the terms and conditions of the Creative Commons Attribution (CC BY) license (http://creativecommons.org/licenses/by/4.0/).
Share and Cite
Keek, J.S.; Loh, S.L.; Chong, S.H. Design and Control System Setup of an E-Pattern Omniwheeled Cellular Conveyor. Machines 2021, 9, 43. https://doi.org/10.3390/machines9020043
Keek JS, Loh SL, Chong SH. Design and Control System Setup of an E-Pattern Omniwheeled Cellular Conveyor. Machines. 2021; 9(2):43. https://doi.org/10.3390/machines9020043
Chicago/Turabian StyleKeek, Joe Siang, Ser Lee Loh, and Shin Horng Chong. 2021. "Design and Control System Setup of an E-Pattern Omniwheeled Cellular Conveyor" Machines 9, no. 2: 43. https://doi.org/10.3390/machines9020043
APA StyleKeek, J. S., Loh, S. L., & Chong, S. H. (2021). Design and Control System Setup of an E-Pattern Omniwheeled Cellular Conveyor. Machines, 9(2), 43. https://doi.org/10.3390/machines9020043

