Next Article in Journal
Analytical Approach to Estimate Temperature Variations in Passively Cooled Train Inverters
Previous Article in Journal
Review and Prospect of Integration Compatibility in Digital Vehicles: Multi-Dimensional Challenges and Industry Practice
 
 
Font Type:
Arial Georgia Verdana
Font Size:
Aa Aa Aa
Line Spacing:
Column Width:
Background:
Article

A Novel Dynamic Modeling Framework for Flexure Mechanism-Based Piezoelectric Stick–Slip Actuators with Integrated Design Parameter Analysis

School of Mechanical Engineering, Hanoi University of Science and Technology, No. 1 Dai Co Viet Street, Bach Mai Ward, Hanoi 100000, Vietnam
*
Author to whom correspondence should be addressed.
Machines 2025, 13(9), 787; https://doi.org/10.3390/machines13090787
Submission received: 25 July 2025 / Revised: 26 August 2025 / Accepted: 29 August 2025 / Published: 1 September 2025
(This article belongs to the Section Automation and Control Systems)

Abstract

This paper presents an enhanced pseudo-rigid body model (PRBM) integrated with the LuGre friction law to analyze the dynamic behavior of flexure-hinge-based piezoelectric stick–slip actuators (PSSAs). The PRBM captures flexure compliance through Lagrangian dynamics, while Newtonian mechanics describe the piezoelectric stack and slider motion. Non-linear contact effects, including stick–slip transitions, are modeled using the LuGre formulation. A mass–spring–damper model (MSDM) is also implemented as a baseline for comparison. The models are solved in MATLAB Simulink version R2021a and validated against experimental data from a published prototype. The enhanced PRBM achieves strong agreement with experiments, with a root mean square error of 20.19%, compared to 51.65% for the MSDM. By reformulating the equations into closed-form expressions, it removes symbolic evaluations required in the standard PRBM, resulting in one to two orders of magnitude faster simulation time while preserving accuracy. Stable transient simulations are achieved at fine time steps ( Δ t = 10 8 s). A systematic parametric study highlights preload force, flexure stiffness, friction coefficients, and tangential stiffness as dominant factors in extending the linear frequency–velocity regime. Overall, the PRBM–LuGre framework bridges the gap between computationally intensive finite element analysis and oversimplified lumped models, providing an accurate and efficient tool for design-oriented optimization of compliant piezoelectric actuators.

1. Introduction

The rapid advancement of microsystem technologies has created an urgent demand for high-precision actuation systems capable of delivering ultra-fine resolution, compactness, and reliability in constrained environments. Among the diverse classes of precision actuators, piezoelectric stick–slip actuators (PSSAs) have emerged as particularly promising due to their ability to achieve nanometer-scale positioning, low power consumption, and superior miniaturization capabilities. These characteristics make PSSAs highly suitable for a wide range of applications, including micro-manipulation, biomedical devices, optical alignment systems, and micro-assembly platforms [1,2]. Since the pioneering work of Pohl in 1986 [3], PSSAs have undergone substantial design and performance improvements. Numerous prototypes have been developed that integrate various structural and functional enhancements [4,5,6,7,8,9]. Currently, significant theoretical research has focused on aspects such as actuator miniaturization, control strategies, modeling accuracy, and optimization of performance metrics [6,7,8,9]. Despite these advances, there is a persistent research gap in the dynamic modeling of PSSAs, particularly those that incorporate flexure hinge mechanisms, a design feature increasingly adopted for its ability to enhance displacement amplification and adjust contact forces adaptively during actuation cycles.
In recent years, a substantial body of literature has explored the integration of flexure-based mechanisms into PSSA designs to improve their performance [10,11,12,13,14,15,16,17,18,19]. Flexure hinges offer dual functional advantages: they amplify the output displacement of piezoelectric stacks, thereby increasing the actuator stepping speed, and they provide compliant control over the normal contact force between the actuator and the slider. This not only enhances step length but also minimizes undesired backward motion (back-slip), reduces friction during the slip phase, and increases the actuator’s load-carrying capacity. In doing so, they extend the operational lifespan by mitigating wear at the contact interface.
However, the use of flexure hinge mechanisms introduces additional complexities. Their inherently low stiffness can lead to low-frequency resonances, posing challenges in achieving stable high-speed control. The dynamic response of such systems is highly dependent on the geometric and mechanical properties of the flexure design. Therefore, the development of a comprehensive dynamic model that accurately captures these interactions is essential for performance prediction, controller design, and further optimization.
Most recent studies on flexure-based PSSAs [8,9,10,11,12,13,14,15,16,17,18,19] have concentrated on introducing new geometric designs, typically evaluated through finite element analysis (FEA) of quasi-static performance and then verified experimentally. While these works have significantly advanced actuator structures, they often overlook the strongly coupled dynamics among the piezoelectric stack, flexure hinges, frictional interfaces, and the slider, which ultimately govern transient stick–slip behavior.
Li et al. [10] demonstrated that FEA can effectively capture hinge deformation and locomotion accuracy in a two-stage flexure structure. Ding et al. [11] emphasized the importance of time-domain analysis for achieving smoother transient motion. Huang et al. [12] and Wang et al. [13,14] used FEA to assess structural symmetry, hinge geometry, and bio-inspired configurations, while Yang et al. [15] introduced perforated hinges and quantified compliance through FEA simulations. Optimization-driven approaches were also reported, with Ye [16] adopting distributed compliance and Zhang et al. [17] applying parallelogram mechanisms, both validated via FEA-based parametric studies. Sun et al. [18] and Yuan et al. [19] highlighted the role of FEA in evaluating compact and hybrid- drive actuators.
Although these contributions underscore FEA’s effectiveness in structural design and validation, most analyses are limited to quasi-static or harmonic conditions, focusing on deformation, stress distribution, or modal behavior. Only a few studies attempt to perform transient simulations capable of capturing non-linear frictional interactions, stick–slip transitions, or chaotic dynamics at higher frequencies. This gap underscores the need for efficient dynamic models that balance physical accuracy and computational feasibility. To address this challenge, a unified modeling framework is needed that integrates the theory of compliant mechanisms with non-linear friction dynamics, providing a scalable and accurate approach for the transient analysis of flexure-based PSSAs.
Dynamic modeling efforts in the literature can generally be divided into two main approaches. The first relies on finite element analysis (FEA) [10,11,12,13,14,15,16,17,18,19], which is effective for capturing local stresses, modal behavior, and quasi-static deformation of flexure-based mechanisms. However, FEA-based transient analyses that resolve non-linear friction and stick–slip transitions are rarely reported, mainly due to the high computational cost associated with wide frequency sweeps. The second approach employs lumped-parameter formulations, where the flexure hinge system is simplified as a mass–spring–damper (MSDM) model [20,21,22,23,24,25]. These models are computationally efficient and convenient for system-level simulation and control-oriented studies, yet they cannot represent the distributed compliance and non-linear stiffness intrinsic to flexure mechanisms. To address these limitations, this work introduces a structurally consistent pseudo-rigid body model (PRBM) [26], integrated with Lagrangian formulation and a friction model, to capture the coupled electromechanical and frictional dynamics of flexure-based PSSAs in the transient regime. Table 1 summarizes the two main dynamic modeling approaches for flexure-hinge-based PSSAs, and highlights how the proposed PRBM–LuGre framework differs in terms of friction modeling, flexure representation, and system-level dynamic coupling.
Several friction modeling approaches have been applied in the context of PSSAs. The classical Coulomb model is simple to simulate but cannot capture key effects such as presliding displacement, Stribeck behavior, and viscous friction [30,31]. Contact mechanics combined with the dimensionality reduction method [31,32,33,34] provides a more detailed description of friction phenomena with reduced computational cost, though it is restricted to specific cases such as sphere–plane contacts. Single-state dynamic models, such as the Dahl-based formulation [27,28,29], are more widely used since they can be applied to arbitrary contacts and allow rapid dynamic simulations. For actuators operating at the micrometer scale, these models have proven sufficient in many studies [20,21,22,35,36,37,38]. Given these requirements and prior findings, adopting a dynamic bristle formulation like the LuGre model [28] is particularly suitable for flexure-based PSSAs, as it combines presliding hysteresis with Stribeck and viscous effects while remaining computationally tractable.
This study seeks to bridge the aforementioned gap by proposing a novel and unified dynamic modeling framework for flexure-based PSSAs. Unlike previous works that rely on lumped parameter models, our approach integrates a multi-domain representation encompassing rigid-body dynamics, flexural deformation, and non-linear friction behavior. Specifically, the dynamics of the slider and piezoelectric actuator are formulated using Newtonian mechanics. The flexure hinge mechanism is modeled using the PRBM in conjunction with the second-kind Lagrange equations, enabling an accurate capture of elastic deformation while preserving computational tractability. The frictional interaction between the slider and the guide surface is described using the LuGre dynamic friction model [28], which allows for capture of both spring-like characteristics and velocity-dependent hysteresis effects.
To demonstrate the generalizability and effectiveness of the proposed methodology, we select a previously published flexure-based PSSA prototype introduced by Sun et al. [18] as a representative case study. The integrated dynamic model is implemented and numerically simulated in MATLAB Simulink version 2021a, and its predictions are validated against experimental results reported in [18]. Sensitivity analyses are performed to quantify the influence of critical design parameters, including the preload force, friction coefficient, tangential contact stiffness, flexure joint stiffness, center-of-mass positioning, and slider mass, on the actuator’s frequency–velocity performance.
The key contributions of this work are as follows:
  • We develop a comprehensive dynamic model of a flexure-based PSSA that rigorously captures the coupled dynamics of its constituent subsystems.
  • We introduce a hybrid modeling approach that combines PRBM, Newtonian dynamics, Lagrangian mechanics, and the LuGre friction model in a unified framework.
  • We provide a quantitative analysis of the effects of design parameters on dynamic behavior, offering valuable guidelines for actuator optimization.
  • We establish a generalized modeling strategy that can be readily extended to a wide variety of PSSA designs that employ flexure hinge mechanisms.
To further highlight the advantages of the proposed modeling approach, a simplified mass–spring–damper model (MSDM) is also developed and evaluated in parallel. This benchmark model, commonly adopted in prior studies, treats the flexure-based actuator as a lumped second-order system with equivalent stiffness and damping. By comparing simulation outcomes from both models under identical input conditions, we systematically assess modeling accuracy, computational efficiency, and sensitivity to design parameters.
This research provides a foundational step toward predictive modeling, design automation, and intelligent control of next-generation PSSAs. By highlighting the dynamic interdependencies within these systems, our work enables both researchers and engineers to achieve enhanced performance and reliability in micro-positioning applications.

2. System Modeling and Benchmark MSD Model

To facilitate clarity in presenting the novel contributions of this research, a concise overview of the mechanical structure and operating principle of the actuator, originally introduced by Sun et al. [18] is provided herein. Although comprehensive design details are fully documented in the referenced study, we reiterate the essential aspects that underpin the dynamic modeling framework developed in this work.
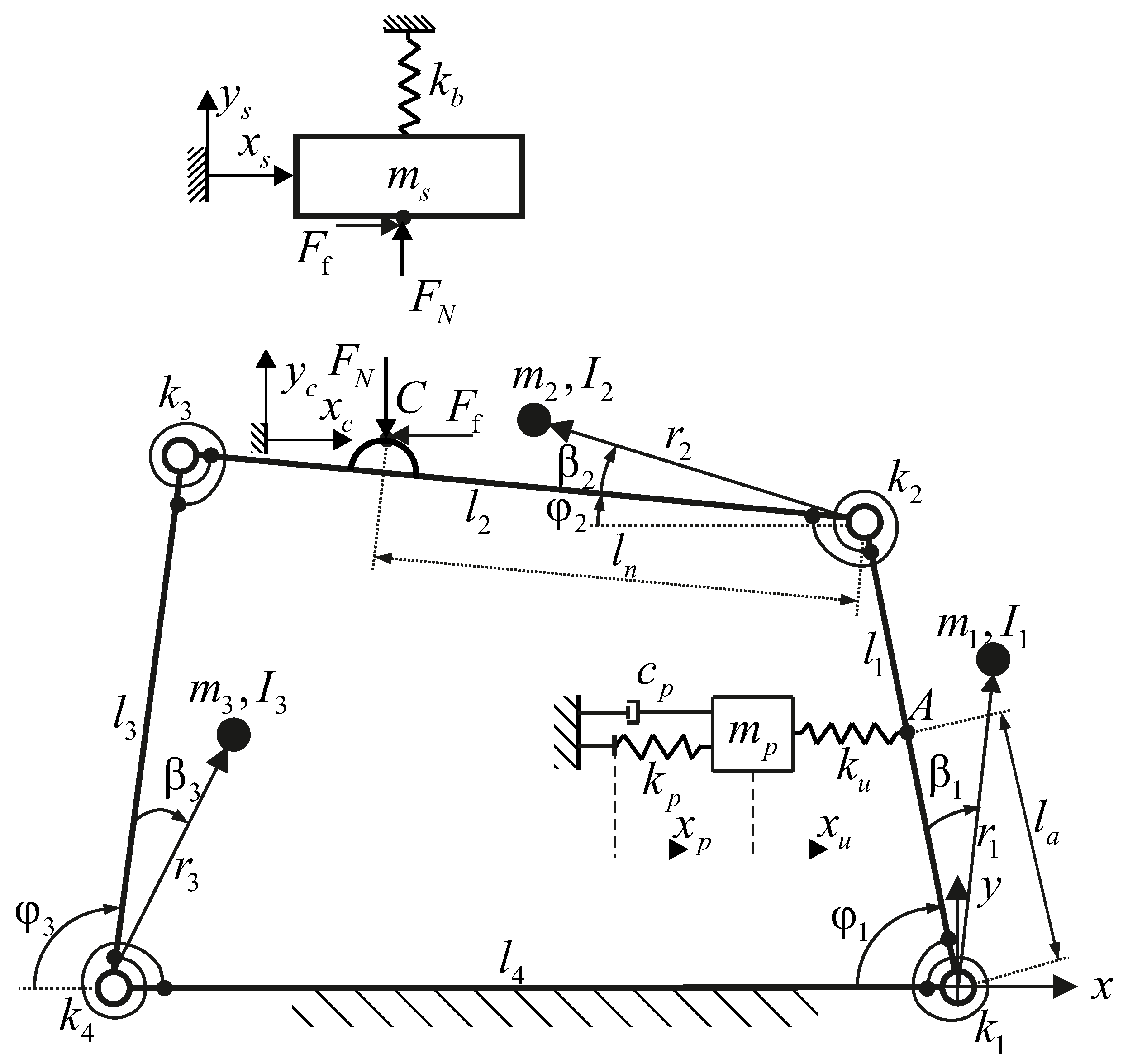
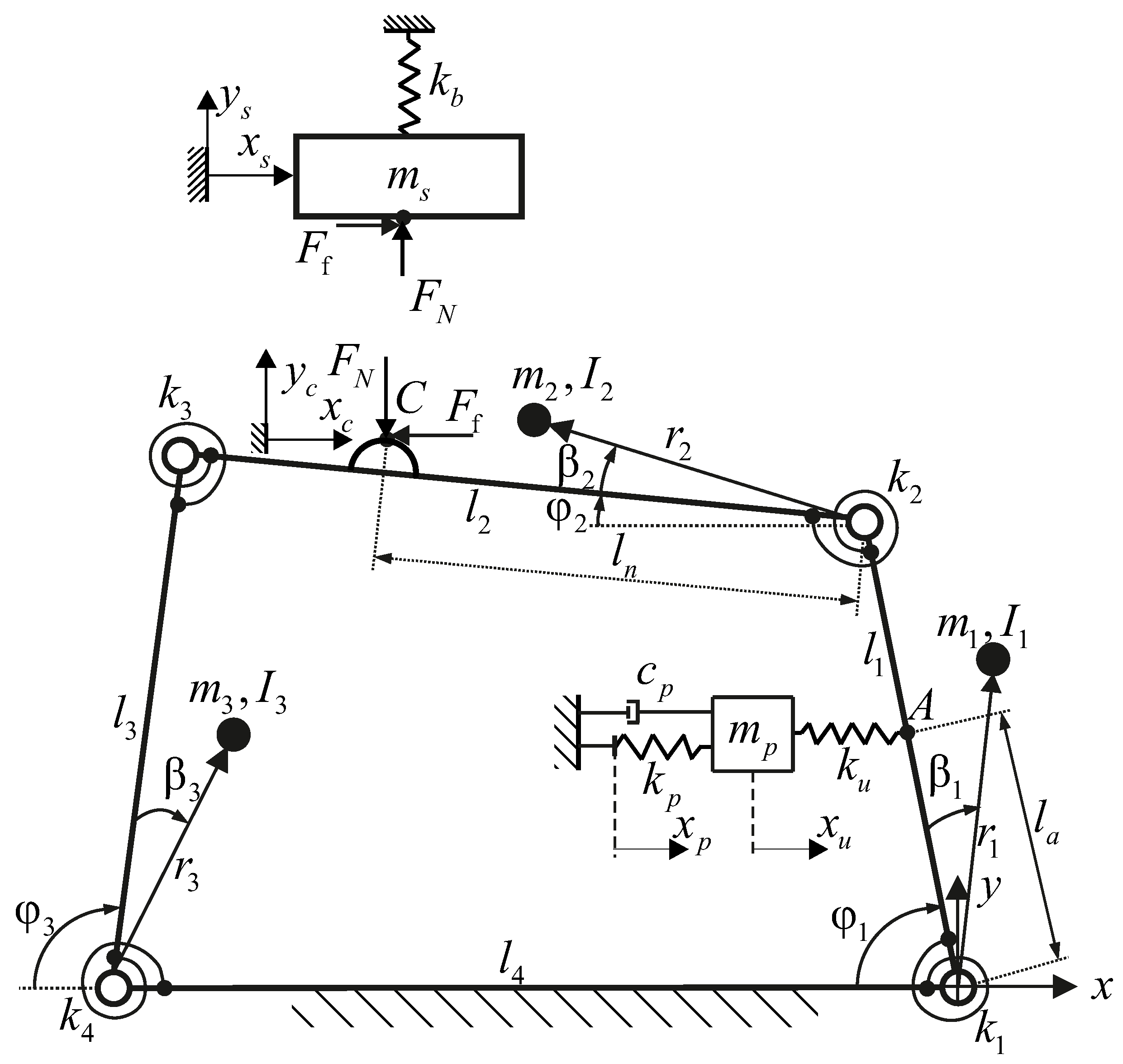
As illustrated in Figure 1a, the actuator consists of five main parts, including the piezo-stack element, the four-bar mechanism based on the flexure hinge structure, the slider mounted on a linear ball bearing, the frictional driving contact between the slider and the four-bar mechanism, and the preload adjustment screw. The preload screw is used to adjust the preload applied to the frictional contact. All components are installed integrally on a mechanically rigid base platform to ensure consistent motion transmission and structural integrity. The actuation principle is based on the stick–slip mechanism, which enables precision micro-positioning. As shown in Figure 1b,c, a sawtooth voltage signal excites the piezo-stack element, causing it to extend slowly in the forward stroke and retract rapidly in the return stroke. This asymmetry in actuation velocity facilitates the incremental displacement of the slider via frictional coupling. Due to the inherently limited stroke length of the piezo-stack (typically of the order of a few micrometers), the flexure-based four-bar mechanism serves as a mechanical amplifier, significantly increasing the output stroke transmitted to the slider. The magnitude of the frictional force—crucial for ensuring stick–slip motion—is modulated through the preload screw, which alters the normal force at the contact interface.

2.1. PRBM–LuGre Dynamic Modeling Framework

A key innovation of this study lies in the application of the pseudo-rigid body model (PRBM) [26] for an accurate dynamic characterization of the flexure-based four-bar mechanism. As depicted in Figure 2, the mechanism is modeled as a planar four-bar link consisting of four rigid links interconnected by compliant revolute joints. At each joint, a torsional spring is used to connect two rigid bars. The springs have an elastic modulus k i , which represents the elasticity of the flexural joints. Each bar of the four-bar mechanism has a kinematic dimension l i . The position of each bar is determined by φ i . The center of gravity of each bar is determined by r i and β i . The mass m i and the moment of inertia I i represent the dynamic parameters of the bar. For all parameters, the subscription i is in a range from 1 to 4.
The piezo-actuator is modeled as a mass–spring–damper system with three parameters m p , k p , and c p , which represent the mass, stiffness, and damping coefficient of the actuator, respectively. The connecting joint between the piezo-element and the flexure mechanism at point A is modeled as a linear spring with stiffness k u . The left end of the piezo-element is considered to be rigid and fixed to the flexure mechanism. The position of point A is defined by x a , determined from l a . The saw-tooth driving voltage applied to the piezo-element is expressed by x p . The displacement of the piezo-element and the contact point C is defined by x u and x c , respectively. Since the displacement resolution of the considered drive is in the micrometer range, other non-linear characteristics of the piezoelement, including hysteresis and aging, are neglected. These non-linear characteristics are significant only in the nanometer range.
A detailed free-body diagram of the interaction between the slider and the flexure mechanism is illustrated in Figure 2, which emphasizes the key dynamic interactions that occur at the contact interface. At the contact point C, there appears a friction force F f and a normal force F N . The slider is mounted on a linear ball bearing, which constrains its motion to a single translational degree of freedom along the x-axis. It has an effective mass m s , and its displacement is denoted by x s . The slider receives motion exclusively through the tangential component of the contact force generated at point C, where the flexure mechanism interfaces with the slider.
The dynamic equation of the flexure mechanism is established using the Lagrange formulation as in Equation (1). Details of the deviation can be found in [39]. The full form of the dynamic equation is written in the following way.
d d t K φ 1 ˙ K φ 1 + P φ 1 = τ
where K, P, and τ denote the kinetic energy, the potential energy, and the external input torque, respectively. The motion of the four-bar mechanism is described by the input angle φ 1 .
The kinetic energy of the mechanism can be calculated as
K = i = 1 3 1 2 m i ( V i x 2 + V i y 2 ) + 1 2 I i φ ˙ i 2
where φ i ˙ and V i x , V i y represent the angular velocity and the x- and y-axis velocity components of the center mass of the bar i.
Equation (2) can be re-written in substitution form
K = 1 2 A ( φ 1 ) φ 1 ˙ 2
where A ( φ 1 ) is determined by
A ( φ 1 ) = i = 1 3 m i V i x 2 + V i y 2 φ 1 ˙ 2 + I i φ ˙ i 2 φ 1 ˙ 2
A ( φ 1 ) = C 0 + C 1 ω 2 2 + C 2 ω 3 2 + C 3 ω 2 c o s ( φ 2 φ 1 + β 2 )
in which ω 2 and ω 3 are the angular velocity of bar 2 and 3 depending on the angular velocity of bar 1. The calculation of these parameters can be found in Appendix I of [39]. The coefficient C i ( i = 0 3 ), depending on the parameters of the mass distribution, is given as
C 0 = I 1 + m 1 r 1 2 + m 2 l 1 2 ; C 1 = I 2 + m 2 r 2 2 ; C 2 = I 3 + m 3 r 3 2 ; C 3 = 2 m 2 r 2 l 1 .
The potential energy of the mechanism is calculated as
P = P s + P g
where P s and P g are the potential energy stored in the torsional springs and the potential energy created by gravity. Calculation of these parameters is given by
P s = 1 2 [ k 1 ( φ 1 φ 1 0 ) 2 + k 2 ( φ 2 φ 1 + φ 1 0 φ 2 0 ) 2 + k 3 ( φ 3 φ 2 + φ 2 0 φ 3 0 ) 2 + k 4 ( φ 3 φ 3 0 ) 2 ] ,
and
P g = g [ m 1 r 1 s i n ( φ 1 + β 1 ) + m 2 ( l 1 s i n φ 1 + r 2 s i n ( φ 2 + β 2 ) ) + + m 3 ( l 4 s i n φ 4 + r 3 s i n ( φ 3 + β 3 ) ) ] ,
where φ i 0 ( i = 1 3 ) is the initial position of the bar i corresponding to zero deflection of the torsional springs; g is the gravity coefficient; k i ( i = 1 4 ) depend on the geometric parameters of flexible joints, including the elastic modulus E, thickness e, radius r, and width b [40]:
k i = 2 E b e 5 2 9 π r .
Calculating the derivative components of the potential energy and the kinetic energy, we obtain Equations (11)–(14). Substituting these equations into Equation (1), we have Equation (15).
P s φ 1 = k 1 ( φ 1 φ 1 0 ) + k 2 ( φ 2 φ 1 + φ 1 0 φ 2 0 ) ( ω 2 1 ) + + k 3 ( φ 3 φ 2 + φ 2 0 φ 3 0 ) ( ω 3 ω 2 ) + k 4 ( φ 3 φ 3 0 ) ω 3
P g φ 1 = g [ m 1 r 1 c o s ( φ 1 + β 1 ) + m 2 ( l 1 c o s φ 1 + r 2 c o s ( φ 2 + β 2 ) ω 2 ) + + m 3 r 3 c o s ( φ 3 + β 3 ) ω 3 ]
d d t K φ 1 ˙ = A ( φ 1 ) φ 1 ¨ + A ( φ 1 ) φ 1 φ 1 ˙ 2
K φ 1 = 1 2 A ( φ 1 ) φ 1 φ 1 ˙ 2
A ( φ 1 ) φ 1 ¨ + 1 2 A ( φ 1 ) φ 1 φ 1 ˙ 2 + P s φ 1 + P g φ 1 = τ
The external input torque τ in Equation (15) depends on the interaction between the flexure mechanism with the piezo-element and the slider. This torque will be calculated in the next section.
The dynamic equation of the piezo-actuator is based on Newtonian mechanics as follows:
m p x u ¨ = k u ( x a x u ) c p ( x u ˙ x p ˙ ) k p ( x u x p ) ,
where x a is calculated from the position of bar 1 as
x a = l a ( c o s φ 1 0 c o s φ 1 )
The dynamic motion of the slider in the x-direction is described as:
m s x s ¨ = F f
where F f is the friction force between the slider and the flexure mechanism at the contact point A, which needs to be modeled.
The friction force depends on the normal force and the contact property. The friction force is modeled using the single-state friction model called the LuGre model [28]. The normal force depends on the preload applied to the flexure mechanism and the dynamic behavior of the flexure mechanism. The friction force is modeled as:
F f = σ 0 z + σ 1 d z d t + σ 2 v ,
where σ 0 , σ 1 , and σ 2 are the equivalent-tangential stiffness, damper, and viscous friction coefficient; v is the relative velocity between the slider v s and the flexure mechanism v c at the contact point C.
v = v c v s ,
The model contains a continuous state variable z representing the average deflection of the asperity conjunctions of the contact. This parameter is defined as follows:
d z d t = v | v | g ( v ) z
where g ( v ) captures the Coulomb friction and the Stribeck effect.
g ( v ) = F C + ( F S F C ) e ( v / v S ) 2 σ 0 ,
where F S corresponds to the stiction force, F C is the Coulomb friction force, and v s is the Stribeck velocity. F S and F S are called normal forces F N and the corresponding friction coefficients are μ S and μ C :
F S = F N μ S F C = F N μ C .
To complete the dynamic modeling of the actuation system, we derive the torque balance equation for the flexure mechanism under the influence of contact forces. The total external torque acting on the mechanism is expressed as:
τ = l a s i n φ 1 k u ( x u x a ) F N ( l 1 c o s φ 1 + l n c o s φ 2 ) F f ( l 1 s i n φ 1 + l n s i n φ 2 ) .
This section presents a novel and comprehensive contact force modeling framework that integrates mechanical amplification and friction-based actuation through a PRBM augmented with the dynamic LuGre friction model. In contrast to conventional static or overly simplified approaches, the proposed model accurately captures non-linear geometric deformations in flexure mechanisms, the coupled dynamics between the compliant transmission and the piezoelectric actuator, and the influence of adjustable preload on stick–slip transitions. By realistically modeling tribological interactions and dynamic responses, this framework enables high-fidelity simulations and control-oriented designs of compact high-resolution actuators. Its scientific significance lies in bridging the gap between theoretical modeling and practical implementation, providing a robust foundation for optimizing next-generation piezo-driven compliant mechanisms in applications such as micro-positioning, scanning systems, and adaptive optics.

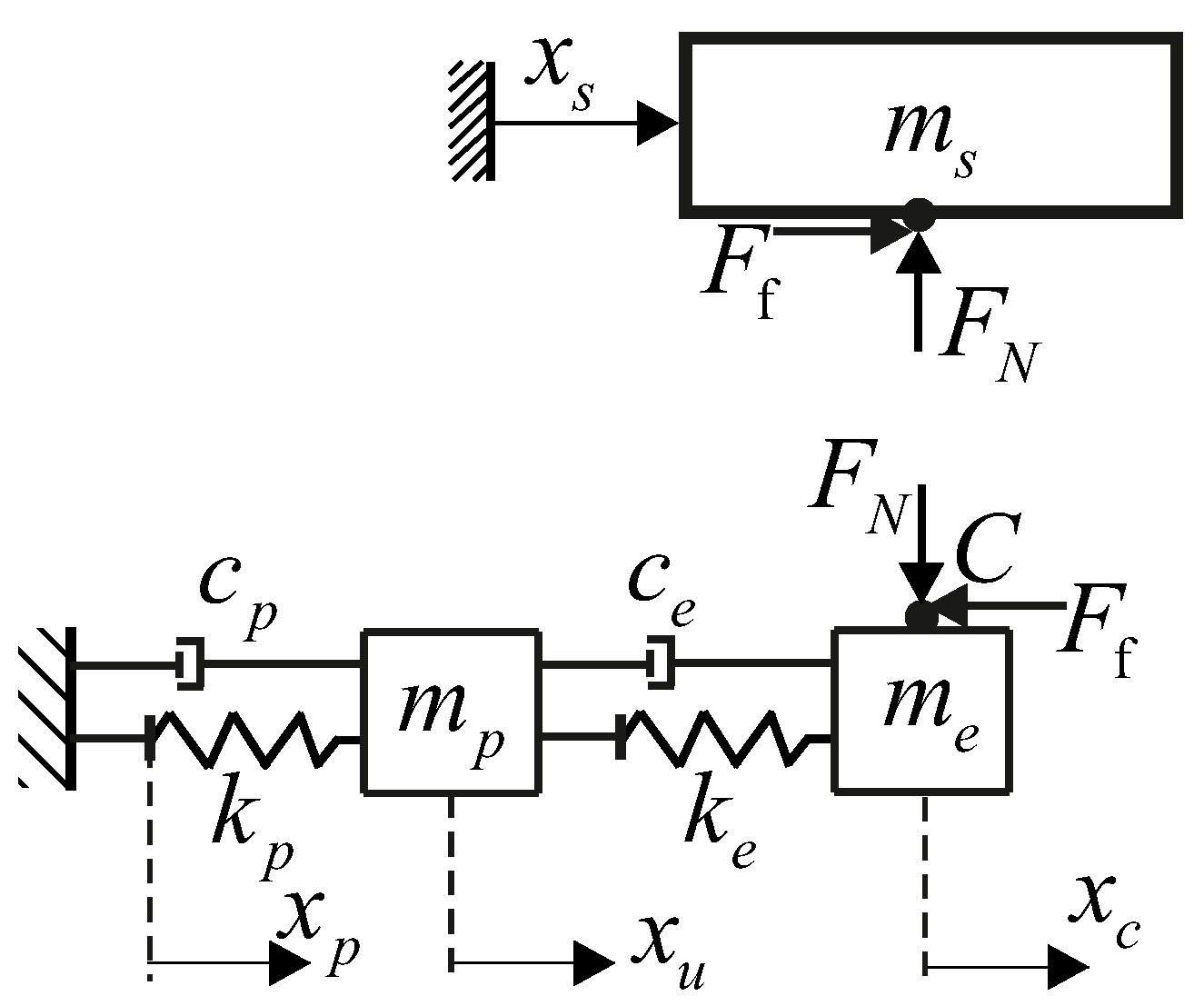
2.2. Mass–Spring–Damper (MSD) Model

To benchmark the advantages of the proposed modeling approach, a dynamic model based on a conventional method from previous studies [20,21,22,23,24,25] is also developed for comparison. In this traditional modeling approach, referred to as the mass–spring–damper (MSD) method, the flexure hinge mechanism is highly simplified and represented as a lumped-parameter system composed of masses, springs, and dampers. The dynamic parameters of the system are empirically identified, often based on experimental fitting or engineering experience. As a result, structural design parameters related to geometry and material properties are qualitatively captured and cannot be explicitly incorporated into the dynamic model. Consequently, the influence of each design parameter on the global system dynamics cannot be directly assessed using this method.
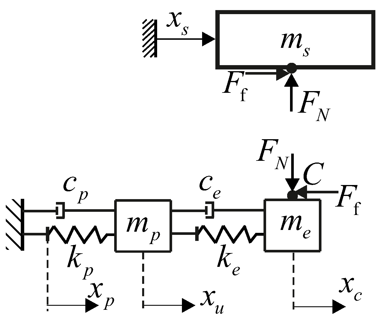
Following the MSD approach, the prototype developed by Sun et al. is modeled as a system of interconnected mass–spring–damper components. As illustrated in Figure 3, the piezoelectric actuator is modeled using parameters m p , k p , and c p , representing its effective mass, stiffness, and damping coefficient, respectively. Similarly, the four-bar flexure hinge mechanism is modeled with equivalent mass m e , stiffness k e , and damping c e . The input to the actuator is a sawtooth voltage signal, represented by x p . The displacement of the actuator and the contact point C are denoted by x u and x c , respectively, while the slider displacement is expressed as x s . The slider, with mass m s , moves under the influence of the friction force F f , which is evaluated based on the set of Equations (19)–(23). The equations of motion for the piezoelectric actuator and the flexure hinge mechanism are derived using Newtonian mechanics and presented in Equations (25) and (26), respectively.
m p x u ¨ = k p ( x p x u ) + k e ( x c x u ) + c p ( x p ˙ x u ˙ ) + c e ( x c ˙ x u ˙ )
m e x c ¨ = k e ( x u x c ) + c e ( x u ˙ x c ˙ ) F f
While the MSD model offers computational simplicity and serves as a convenient baseline, it has clear limitations. In particular, the lumped-parameter representation does not reflect the distributed compliance or non-linear stiffness of the flexure hinges, and the dynamic parameters are typically tuned empirically rather than derived from the structural and material properties. As a result, the MSD framework cannot capture the influence of specific design variables, such as hinge geometry or preload stiffness, on the overall actuator dynamics. In contrast, the proposed PRBM–LuGre model preserves structural fidelity by incorporating compliant joint mechanics and non-linear friction dynamics, enabling accurate prediction of transient behavior as well as systematic parametric studies. This distinction underscores the advantage of the PRBM-based framework as a more physically consistent and predictive tool for analyzing flexure-based PSSAs.

3. Numerical Simulation and Validation

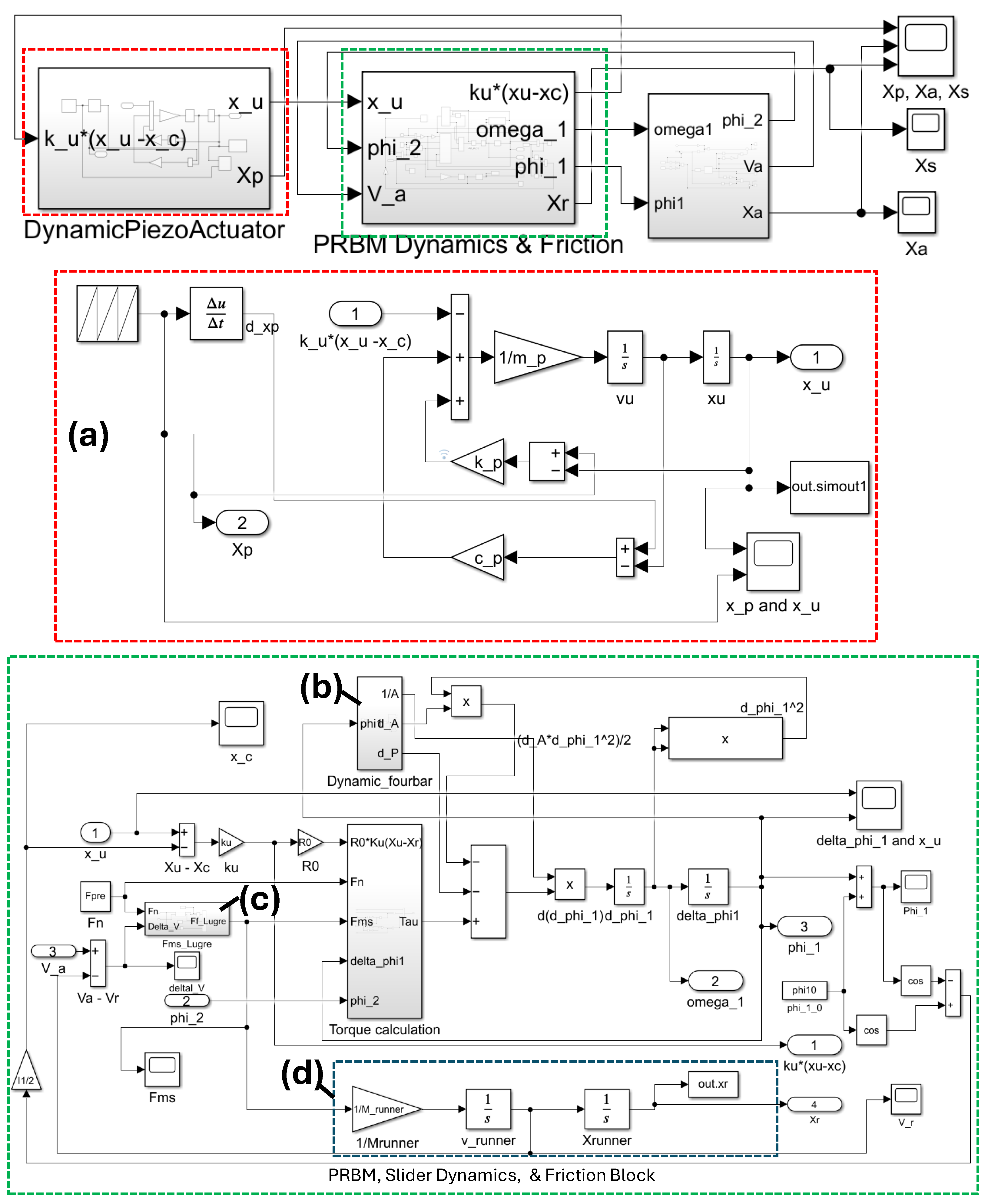
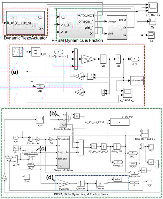
To simulate and validate these complex dynamics, a comprehensive numerical model was developed in MATLAB Simulink, as illustrated in Figure 4. The Simulink model consists of four main subsystems: piezoelectric input, flexure compliance, LuGre friction, and load mass. The outputs include the displacements of the piezo stack ( x p ), flexure point ( x a ), and slider ( x s ), together with velocity signals from which frequency–velocity responses are computed. Full simulation details are available upon request. Parameter values were carefully selected and, where applicable, derived from empirical data reported in [18], ensuring realistic modeling fidelity. These are summarized in Table 1, Table 2, Table 3 and Table 4, and the simulation parameters are calculated and chosen as in Table 2 for the LuGre friction model, Table 3 for the piezo-element and the slider, and Table 4 for the four-bar mechanism.
A fundamental aspect of the dynamic behavior of piezoelectric stick–slip actuators (PSSAs) is the presence of micro-vibrations that emerge immediately after the slip phase. These high-frequency oscillations are primarily induced by the rapid reversal in the deformation of the piezoelectric element, which dynamically interacts with the flexure hinge mechanism of the system and the frictional characteristics at the guiding interface. The interplay of these factors, namely, the inertia and compliance of the flexure structure, the piezoelectric actuation, and the stick–slip contact friction, governs the system’s transition into either stable or chaotic regimes.
When the actuator is driven at low excitation frequencies, the micro-vibrations are efficiently suppressed during the subsequent stick phase because of the inherent damping and frictional resistance. This leads to a periodic linear motion, and the system operates predictably and stably. In contrast, at higher driving frequencies, the residual micro-vibrations are no longer fully attenuated before the next actuation cycle begins. This incomplete damping causes cumulative oscillations that eventually result in chaotic motion of the slider, severely affecting positioning precision and system stability [2,33,34,36].
To characterize and visualize this phenomenon, dynamic simulations were performed at two representative frequencies, 1.5 kHz and 1.405 kHz, as shown in Figure 5. At each frequency, both the displacement trajectories of the slider and the piezoelectric element, which depend on the time, are shown. In both cases of simulated frequency, residual micro-vibrations from the preceding cycle significantly influenced the starting condition of the subsequent cycle, thereby altering the net step length of the slider. The relative phase shift between the slider and the piezo-element was found to either augment or diminish the displacement per cycle, depending on their direction of motion. Specifically, Figure 5a illustrates a case where opposing motions lead to a reduction in step length, while Figure 5b shows a scenario in which aligned motions cause an increase.
v = f · S
The average velocity of the slider, which depends on frequency and step length, is determined by Equation (27). Thus, if the step length is constant, the slider’s average velocity increases linearly with increasing driving frequencies. However, at high driving frequencies, the residual micro-vibrations lead to variances in the step length. As a result, the slider’s average velocity will be unstable if the micro-vibration is not fully suppressed within the following stick phase. Furthermore, when the driving frequency increases beyond a certain threshold, called the critical frequency, a slip between the slider and the contact element can appear even in the current stick phase. This slip will lead to a large decrease in the step length, and consequently in the slider’s average velocity. The critical frequency is determined based on two conditions, including no residual micro-vibrations at the end of the following stick phase and no slip within the current stick phase. It can be seen in Figure 6, Figure 7, Figure 8, Figure 9, Figure 10, Figure 11, Figure 12, Figure 13 and Figure 14 below that, beyond the critical frequency, the slider velocity will be reduced.
For the analysis of the design parameters, several testing scenarios were performed. In the first scenario, a simulation with the same parameters as in [18] was performed and compared with the experimental data. In other scenarios, some important design parameters are changed to evaluate their influence on the dynamic behavior of the whole system, expressed by the frequency–velocity dependence. For each of the following scenarios, only one parameter is changed while the other parameters remain the same as in the first scenario. The values in parentheses are the changing parameters used in the simulations. The changed parameters include the following: preload F p , center of gravity position of each bar β i , contact position l n , slider mass m s , tangential stiffness σ 0 , friction coefficient μ S , μ C , and stiffness of the flexure hinge k u .
A series of simulation trials were performed to systematically assess the influence of these parameters on the dynamic performance of the system, with a specific focus on the velocity–frequency response as a diagnostic metric to identify transition thresholds between stable and chaotic operation. To validate the simulation results, the results were compared with the experimental data obtained from [18].
The measured and simulated slider velocities as functions of the driving frequency are presented in Figure 6. In the experimental setup, the driving frequency was varied from 100 Hz to 1500 Hz in increments of 100 Hz. For the simulations, the frequency range was extended from 100 Hz to 2000 Hz using the same step resolution. The simulation results obtained using both the proposed PRBM and the MSDM are plotted alongside the experimental data for comparison. While validation is performed up to 1.5 kHz, simulations are extended to 2 kHz to illustrate the extrapolation capability of the model for potential future actuator designs. It is emphasized that results beyond 1.5 kHz are predictive in nature and not experimentally validated.
The simulation results obtained using the PRBM are analyzed and compared with the experimental data, as shown in Figure 6. It is observed that, for frequencies below 900 Hz, the numerical simulation shows good agreement with the experimental results in terms of both trend and amplitude. In this frequency range, the frequency–velocity relationship exhibits predominantly linear behavior. This linearity can be explained by the fact that, at low driving frequencies, micro-vibrations are fully suppressed before the initiation of a new actuation cycle. As a result, the system remains stable without any chaotic behavior, and the step length of the slider remains constant. Consequently, the average velocity increases proportionally with frequency. In contrast, when the driving frequency exceeds 900 Hz, the time available in each cycle becomes too short to allow complete suppression of micro-vibrations. These residual micro-vibrations introduce instability into the system, which can lead to chaotic dynamics and cause the velocity response to become non-linear. Due to this non-linear nature, even a small change in the driving frequency can result in large, unpredictable variations in the slider’s velocity. Therefore, in practical applications, the device is typically operated within a frequency range where the frequency–velocity relationship remains linear to ensure predictable and stable performance. Moreover, at high frequencies, slipping can occur even during the stick phase due to the influence of residual micro-vibrations. This premature slip reduces the effective step length in each actuation cycle, resulting in a decrease in the average velocity of the slider. This explains why the velocity tends to decrease as frequency increases in this regime. The presence of such non-linear and chaotic behavior suggests that further model refinement is necessary to accurately capture the dynamics at high-frequency excitation.
It should be noted that the proposed framework has been validated against published experimental results [18], ensuring its reliability without the need for additional prototype testing. Furthermore, the comparative analysis with the MSDM—commonly used in prior studies—reinforces the superior accuracy and adaptability of the proposed approach, highlighting its novelty and practical value.
The simulation results using the MSDM are also examined and compared with experimental data. As illustrated in Figure 6, this model generally follows the same overall trend as the PRBM, capturing the linear frequency–velocity relationship at low frequencies. However, its accuracy is notably lower. Specifically, the MSDM only reliably replicates the linear behavior up to approximately 500 Hz, whereas the PRBM maintains good agreement up to 900 Hz. When comparing modeling accuracy, the MSDM exhibits a significantly larger deviation from the experimental results. A quantitative evaluation of the relative modeling error in the frequency range from 100 Hz to 1000 Hz reveals that the PRBM achieves a root mean square error (RMSE) of approximately 20.19 % , while the MSDM results in a substantially higher error of around 51.65 % .
This highlights the limited predictive capability of the MSD approach, particularly in capturing the dynamic response of the system beyond low-frequency excitation. The primary reason for this discrepancy lies in the fundamental simplicity of the MSDM. In this approach, the entire dynamics of the compliant four-bar mechanism are approximated using a lumped mass–spring–damper system. The dynamic parameters are estimated empirically through system identification techniques, rather than being derived from the actual structural and geometric properties of the mechanism. As a result, the model fails to capture the full range of dynamic behaviors exhibited by the real system, especially those influenced by the complex deformation characteristics of the flexure hinges. In contrast, the PRBM provides a more detailed and physically accurate representation of the mechanism. It incorporates essential design parameters of the compliant joints and better reflects the distributed flexibility and energy storage characteristics inherent in the structure. This enables the PRBM to more accurately simulate the system’s dynamic behavior across a wider frequency range. This distinction underscores the key advantage of the proposed PRBM-based modeling approach over simpler lumped-parameter alternatives, such as the MSDM.
It is important to note that the improved prediction accuracy of the PRBM is not merely a consequence of parameter fitting. To ensure a fair comparison, both the PRBM and MSDM models were initialized with identical parameter sets wherever possible. Key parameters such as the friction coefficients, preload force, and piezoelectric properties were derived directly from experimental data and reused consistently across both models. Only the lumped parameters required by the MSDM (i.e., equivalent stiffness, damping, and mass terms) were fitted separately, since these cannot be mapped structurally from the prototype geometry. Therefore, the superior performance of the PRBM should be attributed to its ability to capture flexure compliance, distributed stiffness, and non-linear stick–slip transitions with higher structural fidelity, rather than to differences in parameter mapping.
It should be noted that experimental uncertainties, such as sensor resolution, signal noise, and mechanical backlash, may slightly influence the RMSE values. Nevertheless, because the RMSE calculation spans multiple frequency points and both models are compared to the same experimental dataset, such errors do not alter the conclusion that the PRBM achieves a substantially lower modeling error than the MSDM.
The three subfigures in Figure 7 present a comparison between experimental data and numerical simulations using the MSDM under variations in three key parameters: the equivalent moving mass m e , the equivalent stiffness coefficient k e , and the equivalent damping coefficient c e . The reason for investigating these three cases stems from the nature of the MSD modeling approach itself. When employing the MSDM, the real system is significantly simplified into an equivalent lumped model consisting of a mass, a spring, and a damper. The associated parameters are typically derived through a combination of dynamic system identification and engineering experience. The goal is to determine a reasonably optimal set of parameters that allows the simulation to approximate experimental behavior as closely as possible. However, in order to assess the sensitivity of the simulation results to each individual parameter, we deliberately varied them by approximately one order of magnitude above and below their nominal values. This allows us to observe how strongly the velocity–frequency response depends on each parameter and evaluate the robustness of the model.
From the results, it can be observed that varying the mass, stiffness, or damping values around the nominal set does not significantly change the general behavior of the simulation. The shape and trend of the velocity–frequency response remain relatively consistent across all three cases. These curves exhibit similar peaks, valleys, and non-linear characteristics, as previously seen in the simulation results with the baseline MSDM. While slight changes in amplitude and phase are present, they are not substantial enough to suggest high sensitivity. This finding reveals a key limitation of the MSD modeling approach. Since the model reduces a structurally complex and distributed-compliance mechanism into a simple lumped-parameter system, it lacks the fidelity to accurately reflect the nuanced effects of parameter variation. As a result, even significant changes to the mass, stiffness, or damping values yield limited variation in simulation outcomes. This reinforces the notion that while the MSDM may capture general trends, it lacks the precision and sensitivity needed for detailed dynamic analysis of compliant mechanisms.
Preload is one of the key parameters that significantly affect the dynamic performance of the actuator. It plays a dual role: contributing to the generation of friction force and causing deformation in the overall system. On one hand, the friction force is essential for driving the slider; on the other hand, it helps suppress micro-vibrations. Therefore, the preload indirectly governs the velocity of the slider.
The relationship between the driving frequency and slider velocity under various preload values is shown in Figure 8. In the numerical simulations, the preload was varied from 1 N to 20 N in increments of 5 N. At a low preload of 1 N, the system exhibits non-linear behavior even at low driving frequencies, with no clear linear trend in the velocity response. When the preload increases to 5 N, linear behavior is observed up to approximately 300 Hz, beyond which non-linearity dominates. As the preload is further increased to 10 N, 15 N, and 20 N, the linear response extends to higher frequencies of around 500 Hz, 700 Hz, and 900 Hz, respectively.
These simulation results show good agreement with the experimental data, validating the influence of the preload on the system dynamics. At small preload values, the corresponding friction force is insufficient to fully suppress micro-vibrations during the stick phase, even at relatively low frequencies, leading to chaotic behavior. As the preload increases, micro-vibrations are more effectively dampened, allowing the system to maintain linear behavior over a wider frequency range. However, beyond a critical frequency threshold, chaotic behavior emerges regardless of the preload level, resulting in unstable and unpredictable changes in slider velocity.
In addition to preload, the tangential contact stiffness σ 0 and the friction coefficients μ S (static) and μ C (kinetic) are key parameters that influence the frictional force and, in turn, the suppression of micro-vibrations during the stick–slip process. Their impact on the actuator dynamics is illustrated in Figure 9 and Figure 10.
Figure 9 presents the simulated slider velocity responses for different values of tangential contact stiffness, specifically, σ 0 = 2 × 10 6 N / m , 5 × 10 6 N / m , and 1 × 10 7 N / m . The results indicate that increasing σ 0 leads to an expansion of the linear regime in the frequency–velocity relationship. Higher tangential stiffness reduces micro-vibrations during contact transitions, enabling the system to maintain regular stick–slip motion over a broader frequency range. As a result, greater actuator velocities can be achieved at higher driving frequencies. This trend confirms the critical role of contact stiffness in governing the actuator’s dynamic response and optimizing its performance for high-speed applications.
Figure 10 illustrates the effect of the friction coefficients on the dynamic response of the actuator. Numerical simulations were conducted for three combinations of static and kinetic friction coefficients: ( μ S = 0.15 , μ C = 0.10 ) , ( μ S = 0.25 , μ C = 0.15 ) , and ( μ S = 0.3 , μ C = 0.2 ) . The results indicate that increasing the friction coefficients significantly enhances the system’s ability to suppress micro-vibrations, leading to more stable slider motion over a broader frequency range.
Similar to the effect of preload, higher friction coefficients yield stronger frictional forces, which dampen chaotic oscillations during the stick–slip transitions. As a result, the actuator maintains linear velocity responses up to higher frequencies. However, beyond a certain frequency threshold, chaotic behavior emerges regardless of friction level, indicating intrinsic dynamic limits of the system. These findings reaffirm the critical role of frictional parameters in tuning the dynamic performance and stability of piezoelectric actuators.
The influences of the design parameters of the four-bar mechanism on the dynamic behavior of the actuator are validated through the simulation results presented in Figure 11, Figure 12 and Figure 13. These results demonstrate a significant advantage of the proposed PRBM-based modeling approach: unlike conventional MSD methods, the PRBM allows for the incorporation of the geometric and material parameters of the flexure hinge mechanism directly into the model. This capability enables a detailed assessment of how individual design parameters affect the system’s dynamics, providing meaningful insights into structural optimization and performance enhancement. Such a feature aligns well with the objective of this study, which aims to establish a design-oriented dynamic model that bridges the gap between mechanical structure and system-level behavior.
Figure 11 presents the simulation results for varying the position of the center of gravity of each bar in the four-bar mechanism, characterized by the parameter β i (with i = 1 , 2 , 3 ). The simulations were conducted with identical values of β i = 0 , 10 , 20 , and 30 applied across all bars. The influence of this parameter on the actuator’s dynamic behavior was evaluated through the frequency–velocity response curves.
The results reveal that in the low- to mid-frequency range (up to approximately 1200 Hz), the velocity curves for all cases are almost indistinguishable, indicating minimal sensitivity to the center of gravity position within this frequency range. As the driving frequency increases beyond 1200 Hz, slight deviations between the curves begin to emerge. However, these discrepancies remain small, and all simulations continue to follow a similar dynamic trend. This suggests that while the parameter β i may influence the local inertia distribution of the links, its effect on the overall slider motion is limited for the given mechanism and operating conditions.
This result further demonstrates the capability and advantage of the proposed PRBM-based modeling approach. Since the PRBM explicitly incorporates geometric and inertial parameters—such as the mass distribution and center of gravity—it allows for detailed assessment of individual design factors on system dynamics. This is a key advantage over simplified MSDMs, which cannot account for such structural influences. Consequently, PRBM provides a more comprehensive tool for design optimization and performance evaluation of compliant mechanisms.
The stiffness of the flexure joint, denoted as k u , is a critical design parameter that directly influences the dynamic response of the compliant actuator. Figure 12 presents a comparison between experimental measurements and simulation results obtained using different values of k u , specifically 3 × 10 6 N / m , 3 × 10 7 N / m , and 8 × 10 7 N / m . The parameter k u corresponds to the stiffness of the soft joint connecting the piezoelectric actuator to the four-bar mechanism.
At the lowest stiffness value, k u = 3 × 10 6 N / m , the simulation reveals highly unstable velocity responses, characterized by large oscillations and chaotic behavior even at moderate excitation frequencies. Irregular motion is evident from as low as 300 Hz, indicating that insufficient joint stiffness leads to inadequate constraint of the mechanism, resulting in poor transmission of actuation forces and diminished control over system dynamics.
In contrast, simulations performed with higher stiffness values, k u = 3 × 10 7 N / m and 8 × 10 7 N / m , show significantly improved dynamic performance. The slider velocity remains stable and consistent across a broad frequency range up to 900 Hz, with pronounced resonance peaks observed near 1100–1300 Hz that closely match the experimental data. Among the tested values, k u = 3 × 10 7 N / m yields the best agreement with experimental results, both in terms of amplitude and resonance location. The case with k u = 8 × 10 7 N / m , while still stable, tends to overestimate velocity amplitudes and introduces secondary resonances not observed in the measurements.
These findings confirm that joint stiffness plays a decisive role in determining the actuator’s dynamic characteristics. A sufficiently high k u enhances system stability, improves the fidelity of actuation force transmission, and allows the mechanism to operate effectively under high-frequency excitation. Therefore, for reliable and predictable performance, the flexure joint must be designed with adequate stiffness that balances structural integrity with desired dynamic responsiveness.
The influence of the position of the contact point between the slider and the contact element attached to the four-bar mechanism—denoted by the parameter l n —is evaluated and presented in Figure 13. In the simulations, l n is varied from 0 mm to 15 mm in increments of 5 mm. The results indicate that changes in l n have negligible impact on the slider’s velocity within the linear frequency range, particularly for excitation frequencies below 900 Hz. In this region, the velocity–frequency curves for all values of l n closely overlap, suggesting that the position of the contact point does not significantly affect the dynamic behavior of the system. At higher frequencies beyond 900 Hz, minor discrepancies begin to emerge among the curves. These variations may be attributed to changes in the effective moment arm introduced by altering the contact point position, which could slightly affect the force transmission and energy dissipation during dynamic interaction. Nevertheless, the overall influence remains limited compared to other design parameters, such as the joint stiffness or preload. This outcome reinforces the strength of the PRBM modeling framework, which allows detailed investigation of geometric parameters like l n . Such analysis is not feasible with lumped-parameter models (e.g., MSD models), which abstract away structural geometry. Hence, the PRBM approach proves advantageous in evaluating the sensitivity of actuator performance to specific design features and supports design-oriented simulation analysis aligned with the objective of this study.
The effect of slider mass m s on the dynamic behavior of the actuator is illustrated in Figure 14. Simulations were carried out for three different masses: 0.01 kg , 0.05 kg , and 0.1 kg . The results show that a small slider mass of 0.01 kg leads to significant instability and reduced average velocity across the entire frequency range. This behavior is attributed to insufficient inertial force during the slip phase, which increases the susceptibility to backward motion and chaotic dynamics.
In contrast, with higher slider masses ( 0.05 kg and 0.1 kg ), the system maintains more stable performance with higher velocities, particularly in the range from 600–1800 Hz. The curves for these two masses closely match the experimental data, indicating that above a certain threshold, the influence of mass becomes negligible.
These findings highlight the importance of appropriate mass selection in actuator design. While excessively small mass degrades performance, moderately higher masses improve dynamic stability without adversely affecting velocity output.
Discussion of sensitivity results
The quantitative sensitivity analysis presented in Table 5 clarifies the relative impact of key design parameters on the actuator’s dynamic performance. Among all factors, the preload force F p exerts the strongest effect, with a sensitivity of about +15% per 10% change. This finding reflects its dual role: providing sufficient normal force to sustain stick–slip motion while simultaneously suppressing micro-vibrations, thereby extending the actuator’s linear operating range toward higher frequencies.
The friction pair ( μ S , μ C ) also shows a significant positive sensitivity of approximately +10%. Increasing both the static and kinetic friction coefficients enhances damping at the contact interface, which broadens the frequency range over which stable and linear velocity responses are achieved. This indicates that properly tuned friction improves system robustness without overly compromising step length.
The tangential contact stiffness σ 0 contributes a moderate effect, with an estimated sensitivity of +8%. A stiffer tangential contact reduces residual vibrations during transitions between stick and slip, enabling the system to maintain linearity and achieve higher velocities under elevated excitation frequencies. Similarly, the flexure joint stiffness k u demonstrates a sensitivity of about +12%. Notably, too low a stiffness induces chaotic motion and unstable transmission, while the nominal value of 3 × 10 7 N/m yields the closest match with experimental data, highlighting the existence of an optimal stiffness threshold.
In contrast, geometric and inertial parameters, such as the mass distribution angle β i , slider mass m s , and contact position l n , have negligible impact, with sensitivities below 2–5%. Small slider masses (∼0.01 kg) may destabilize the system, but within practical ranges, variations in these parameters do not significantly shift the linear regime frequency limit.
Overall, the results establish a clear hierarchy of influence: preload force, joint stiffness, and tangential stiffness dominate actuator dynamics, while frictional parameters provide additional stabilization. Geometric factors such as β i , m s , and l n exert only minor effects. These findings demonstrate the predictive capability of the PRBM–LuGre model, which not only captures overall system behavior but also quantifies parameter sensitivities, thereby guiding structural optimization and performance enhancement of flexure-hinge-based stick–slip actuators.
Performance evaluation
Table 6 compares the computational performance of three dynamic modeling approaches for compliant mechanisms: the MSDM, the Standard PRBM, and our Enhanced PRBM. The comparison is based on simulation time under different time-step resolutions, alongside their accuracy relative to experimental data.
In the Standard PRBM, the system dynamics are formulated using the Lagrangian method (Equation (1)). Kinetic and potential energies and their derivatives with respect to the generalized coordinate φ 1 are evaluated through Simulink functions and symbolic operations. While this ensures high accuracy, it incurs substantial computational overhead, especially at small time steps, where symbolic processing dominates runtime.
The Enhanced PRBM preserves the same modeling fidelity but improves computational efficiency by analytically reformulating the governing equations. Closed-form expressions are derived for the dynamic inertia coefficient A ( φ 1 ) (Equations (4)–(6)) and potential energy terms, removing the need for symbolic computation. This reformulation enables faster simulations while maintaining identical accuracy to the Standard PRBM.
All simulations were conducted in MATLAB 2021a on a workstation with a 12th Gen Intel(R) Core(TM) i7-12700 CPU and 64 GB of RAM. Results confirm that MSDM runs the fastest due to its simplicity but suffers from high error (≈51.65%), limiting its predictive capability. Both PRBM approaches deliver accurate results (≈20.19% RMSE vs. experiment). However, the Standard PRBM requires over 3900 s to complete a run at Δ t = 10 7 s and fails at Δ t = 10 8 s, while the Enhanced PRBM completes the same simulations in just 1.185 s and 11.067 s, respectively.
These findings demonstrate that the Enhanced PRBM combines the accuracy of a full compliant mechanism model with computational efficiency one to two orders of magnitude faster than the Standard PRBM. This makes it particularly suitable for high-resolution dynamic analyses and scenarios requiring fine time-step resolution or near real-time performance.
Comparison of modeling strategies
Table 7 compares three major modeling strategies—FEA, MSDM, and the proposed Enhanced PRBM—based on their capabilities in dynamic analysis of compliant piezoelectric actuators. Each method exhibits distinct advantages and limitations.
Finite element analysis (FEA) provides the highest structural fidelity, capable of resolving detailed stress fields, local contact interactions, and modal responses. It can, in principle, perform transient dynamic simulations and parametric studies. However, these analyses are computationally expensive and become impractical when wide frequency sweeps or multi-parameter optimizations are required. Consequently, while FEA is valuable for validating structural integrity or local compliance, it is less suited for efficient system-level dynamic modeling.
In contrast, the mass–spring–damper model (MSDM) is computationally efficient and easy to implement for control design. Yet, its reliance on lumped parameters makes it structurally inconsistent. Flexure hinges are approximated by equivalent spring–damper elements, preventing the model from capturing non-linear geometric effects or assessing the direct influence of structural parameters. As a result, MSDM offers only qualitative agreement with experiments and lacks predictive capability for design optimization.
The proposed Enhanced PRBM offers a balanced alternative by combining structural fidelity with computational efficiency. Unlike MSDM, it explicitly incorporates the geometric and material properties of the flexure hinges, while avoiding the heavy computational load of FEA. Through analytical reformulation, the Enhanced PRBM retains the accuracy of the standard PRBM but runs orders of magnitude faster, enabling dynamic simulations, parametric sweeps, and sensitivity studies within practical time scales. This makes it particularly well suited as a design-oriented tool, bridging the gap between detailed structural modeling and efficient system-level prediction.
Overall, the comparison underscores that while FEA remains indispensable for local structural verification and MSDM for rapid prototyping, the Enhanced PRBM provides the most effective framework for dynamic analysis and optimization of compliant stick–slip actuators.
This section presents a comprehensive investigation into the influence of preload, contact properties, and structural design parameters on the dynamic performance of piezoelectric actuators. Through systematic simulations based on the pseudo-rigid-body model (PRBM), validated against experimental data, the study reveals the key factors that govern the stability, linearity, and transition to chaotic behavior in slider motion. The results underscore the critical role of preload and tangential contact stiffness in extending the frequency range over which the actuator can operate efficiently. Simultaneously, variations in friction coefficients are shown to significantly affect micro-vibration suppression and enable higher velocity responses at increased driving frequencies. In contrast, changes in the mass distribution (via center of gravity position), contact point location, and even slider mass (above a minimum threshold) exhibit relatively minor influence on system behavior within the linear regime. These insights highlight the advantage of the PRBM framework in capturing the nuanced effects of structural parameters and support its application in the design-oriented optimization of compliant, friction-driven actuators.

4. Conclusions

This study developed an enhanced pseudo-rigid body model (PRBM) integrated with the LuGre friction formulation to investigate the dynamic behavior of flexure-hinge-based piezoelectric stick–slip actuators (PSSAs). Compared with the traditional mass–spring–damper model (MSDM) and finite element analysis (FEA), the proposed approach offers a balanced framework that preserves structural fidelity while maintaining computational efficiency. The enhanced PRBM reformulates the governing dynamic equations into closed-form expressions, thereby eliminating symbolic evaluations required in the standard PRBM. As a result, it achieves an up to two orders of magnitude improvement in simulation time while retaining the same accuracy as both experiments and the standard PRBM.
Quantitative comparisons demonstrated that the PRBM achieved a root mean square error of only 20.19% against experimental data, in contrast to 51.65% for the MSDM. Furthermore, the enhanced PRBM provided stable simulations at fine time steps ( Δ t = 10 8 s), highlighting its suitability for transient analyses of non-linear stick–slip dynamics. A systematic sensitivity study further revealed the dominant influence of the preload force, flexure stiffness, friction coefficients, and tangential contact stiffness on extending the linear frequency–velocity regime, whereas the slider mass and geometric distribution played secondary roles.
Overall, the enhanced PRBM–LuGre framework bridges the methodological gap between high-fidelity but computationally demanding FEA and overly simplified MSDMs. It provides not only accurate prediction of transient responses but also efficient evaluation of design parameters, thereby supporting both theoretical analysis and practical optimization of next-generation compliant piezoelectric actuators. Future work will focus on extending the framework to incorporate control strategies and multi-axis actuation for broader applications in precision positioning and micro-robotics.

Author Contributions

X.-H.N.: conceptualization, methodology, numerical simulation, and writing—original draft preparation; D.-T.N.: validation, formal analysis, writing—review and editing, visualization, and supervision. All authors have read and agreed to the published version of the manuscript.

Funding

This research is funded by Hanoi University of Science and Technology (HUST) under project number T2022-PC-020.

Data Availability Statement

Data underlying the results presented in this paper are not publicly available at this time, but may be obtained from the authors upon reasonable request.

Acknowledgments

The authors would like to thank Hung-Anh Nguyen, Van-Hieu Hoang, and Tan-Phat Hoang for their insightful remarks and discussion.

Conflicts of Interest

The authors declare no conflicts of interest.

Abbreviations

The following abbreviations are used in this manuscript:
PSSAsPiezoelectric Stick–Slip Actuators
FHMsFlexure Hinge Mechanisms
PRBMPseudo-Rigid Body Model
MSDMMass–Spring–Damper Model
LuGreLund and Grenoble friction model

References

  1. Eichhorn, V. Nanorobotic Handling and Characterization of Carbon Nanotubes Inside the Scanning Electron Microscope. Doctoral Dissertation, Carl von Ossietzky University of Oldenburg, Oldenburg, Germany, 2011. [Google Scholar]
  2. Nguyen, X.H. Simulation, Validation and Optimization of Stick-Slip Drives for Nanorobotic Applications. Doctoral Dissertation, The University of Oldenburg, Oldenburg, Germany, 2014. [Google Scholar]
  3. Pohl, D.W. Dynamic piezoelectric translation devices. Rev. Sci. Instrum. 1986, 58, 54–57. [Google Scholar] [CrossRef]
  4. Zhang, Z.M.; An, Q.; Li, J.W.; Zhang, W.J. Piezoelectric frictional inertia actuator: A critical review and future perspective. Int. J. Adv. Manuf. Technol. 2012, 62, 669–685. [Google Scholar] [CrossRef]
  5. Hunstig, M. Piezoelectric Inertia Motors—A Critical Review of History, Concepts, Design, Applications, and Perspectives. Actuators 2017, 6, 7. [Google Scholar] [CrossRef]
  6. Zhang, Z.; Fan, P.; Dong, Y.; Yu, S.; Liu, K.; Lu, X. A review of modeling and control of piezoelectric stick-slip actuators. In Piezoelectric Actuators; Cheng, T., Li, J., Eds.; IntechOpen: London, UK, 2022. [Google Scholar] [CrossRef]
  7. Qiao, G.; Li, H.; Lu, X.; Wen, J.; Cheng, T. Piezoelectric stick-slip actuators with flexure hinge mechanisms: A review. J. Intell. Mater. Sys. Struct. 2022, 33, 1879–1901. [Google Scholar] [CrossRef]
  8. Lin, Y.; An, D.; Lin, Z.; Chen, X.; Huang, W. Progress in high-performance stick-slip piezoelectric actuators: A review. Inter. J. Smart Nano Mater. 2024, 15, 652–696. [Google Scholar] [CrossRef]
  9. Zhong, B.; Liao, Z.; Hu, H.; Liu, S.; He, C.; Sun, L. A Review of Recent Studies on Piezoelectric Stick-slip Actuators. Precis. Eng. 2025, 94, 175–190. [Google Scholar] [CrossRef]
  10. Li, Z.; Su, Z.; Zhao, L.; Han, H.; Guo, Z.; Zhao, Y.; Sun, H. Design and Locomotion Study of Stick-Slip Piezoelectric Actuator Using Two-Stage Flexible Hinge Structure. Micromachines 2021, 12, 154. [Google Scholar] [CrossRef] [PubMed]
  11. Ding, Z.; Dong, J.; Zhou, X.; Xu, Z.; Qiu, W.; Shen, C. Achieving smooth motion of stick–slip piezoelectric actuator by means of alternate stepping. Mech. Syst. Signal Process. 2022, 181, 109494. [Google Scholar] [CrossRef]
  12. Huang, H.; Liu, Y.; Xu, Z.; Li, X.; Wang, K. Achieving high consistency in forward and reverse motions of stick-slip piezoelectric actuator by a symmetrical structure and optimized installation method. Microsyst. Technol. 2023, 29, 1343–1355. [Google Scholar] [CrossRef]
  13. Wang, L.; Wang, H.; Wang, S.; Cheng, T. Development and evaluation of a new piezoelectric stick-slip actuator using stair type flexure hinge. J. Intell. Mater. Syst. Struct. 2023, 34, 664–671. [Google Scholar] [CrossRef]
  14. Wang, L.; Zhang, Y. Design and evaluation of a bionic piezoelectric stick-slip actuator inspired by human body. Sens. Actuators A Phys. 2024, 376, 115670. [Google Scholar] [CrossRef]
  15. Yang, S.; Dong, H.; Zhang, Z.; Wang, Y.; Niu, X.; Lu, X. An enhancing flexibility piezoelectric stick-slip actuator by introducing perforation of flexible hinge. Sens. Actuators A Phys. 2024, 379, 115871. [Google Scholar] [CrossRef]
  16. Ye, T.; Feng, Z.; Li, Y. Design and Optimization of a Piezoelectric Stick-Slip Actuator with Distributed Compliance. Machines 2025, 13, 460. [Google Scholar] [CrossRef]
  17. Zhang, T.; Ma, R.; Wang, Y.; Bian, D.; Qin, Y.; Zhang, J.; Wang, Y. A stick–slip piezoelectric actuator utilizing a special parallelogram flexible mechanism. Rev. Sci. Instrum. 2025, 96, 075001. [Google Scholar] [CrossRef]
  18. Sun, P.; Lei, C.; Ge, C.; Guo, Y.; Zhu, X. A Compact Piezo-Inertia Actuator Utilizing the Double-Rocker Flexure Hinge Mechanism. Micromachines 2023, 14, 1117. [Google Scholar] [CrossRef] [PubMed]
  19. Yuan, L.; Li, Y.; Wang, L.; Liu, C.; Si, X.; Zhao, Z. A piezoelectric inertial actuator operating with elliptical drive and stick-slip drive modes. Sens. Actuators A Phys. 2024, 373, 115428. [Google Scholar] [CrossRef]
  20. Wang, X.; Zhu, L.; Huang, H. A dynamic model of stick-slip piezoelectric actuators considering the deformation of overall system. J. IEEE Trans. Indus. Elect. 2020, 68, 11266–11275. [Google Scholar] [CrossRef]
  21. Shao, Y.; Xu, M.; Shao, S.; Song, S. Effective dynamical model for piezoelectric stick–slip actuators in bi-directional motion. Mech. Syst. Signal Process. 2020, 145, 106964. [Google Scholar] [CrossRef]
  22. Wang, J.; Huang, H.; Wang, Z.; Qin, F.; Zhao, H. Development and analysis of a dynamic model for parasitic motion principle piezoelectric actuator. Mech. Syst. Signal Process. 2021, 147, 107079. [Google Scholar] [CrossRef]
  23. Ling, M.; Zhang, X. Coupled dynamic modeling of piezo-actuated compliant mechanisms subjected to external loads. Mech. Mach. Theory 2021, 160, 104283. [Google Scholar] [CrossRef]
  24. Yang, S.; Li, Y.; Qiao, G.; Zhang, X.; Lu, X. Topology Optimization Methods for Flexure Hinge Type Piezoelectric Actuators. In Piezoelectric Actuators; IntechOpen: London, UK, 2022. [Google Scholar]
  25. Wang, J.; Huang, H.; Zhao, H. Model-based optimization for structure dimension and driving signal of a stick-slip piezoelectric actuator. Mech. Syst. Signal Process. 2022, 164, 108191. [Google Scholar] [CrossRef]
  26. Ling, M.; Howell, L.L.; Cao, J.; Chen, G. Kinetostatic and dynamic modeling of flexure-based compliant mechanisms: A survey. Appl. Mech. Rev. 2020, 72, 030802. [Google Scholar] [CrossRef]
  27. Dahl, P.R. A Solid Friction Model; Aerospace Corp.: El Segundo, CA, USA, 1968. [Google Scholar]
  28. de Wit, C.C.; Olsson, H.; Astrom, K.J.; Lischinsky, P. A new model for control of systems with friction. IEEE Trans. Autom. Control 1995, 40, 419–425. [Google Scholar] [CrossRef]
  29. Dupont, P.; Hayward, V.; Armstrong, B. Altpeter, F. Single state elastoplastic friction models. IEEE Trans. Autom. Control 2002, 47, 787–792. [Google Scholar] [CrossRef]
  30. Merry, R.J.; Maassen, M.G.; van de Molengraft M., J.; Van de Wouw, N.; Steinbuch, M. Modeling and waveform optimization of a nano-motion piezo stage. IEEE/ASME Trans. Mechatron. 2010, 16, 615–626. [Google Scholar] [CrossRef]
  31. Hunstig, M.; Hemsel, T.; Sextro, W. Modelling the friction contact in an inertia motor. J. Intell. Mater. Sys. Struct. 2013, 24, 1380–1391. [Google Scholar] [CrossRef]
  32. Teidelt, E.; Willert, E.; Filippov, A.E.; Popov, V.L. Modeling of the dynamic contact in stick-slip microdrives using the method of reduction of dimensionality. J. Phys. Mesomech. 2012, 15, 287–292. [Google Scholar] [CrossRef]
  33. Nguyen, H.X.; Teidelt, E.; Popov, V.L.; Fatikow, S. Modeling and waveform optimization of stick-slip microdrives using the method of dimensionality reduction. Arch. Appl. Mech. 2016, 86, 1771–1785. [Google Scholar] [CrossRef]
  34. Nguyen, X.-H.; Mau, T.-H.; Meyer, I.; Dang, B.-L.; Pham, H.-P. Improvements of Piezo-Actuated Stick–Slip Micro-Drives: Modeling and Driving Waveform. Coatings 2018, 8, 62. [Google Scholar] [CrossRef]
  35. Breguet, J.M. Stick and Slip Actuators. Doctoral Dissertation, Ecole Polytechnique Federale De Lausanne (EPFL), Lausanne, Switzerland, 1998. [Google Scholar]
  36. Bergander, A.; Breguet, J.M. Performance improvements for stick-slip positioners. In Proceedings of the 2003 International Symposium on Micromechatronics and Human Science, Nagoya, Japan, 19–22 October 2003. [Google Scholar] [CrossRef]
  37. Peng, J.Y.; Chen, X.B. Modeling of Piezoelectric-Driven Stick-Slip Actuators. IEEE/ASME Trans. Mechatron. 2011, 16, 394–399. [Google Scholar] [CrossRef]
  38. Edeler, C.; Meyer, I.; Fatikow, S. Modeling of stick-slip micro-drives. J. Micro-Nano Mechatron. 2011, 6, 65–87. [Google Scholar] [CrossRef]
  39. Zhang, W.J.; Li, Q.; Guo, L.S. Integrated design of mechanical structure and control algorithm for a programmable four-bar linkage. IEEE/ASME Trans. Mech. 1999, 4, 354–362. [Google Scholar] [CrossRef]
  40. Merken, P. La Fonction Guidage en microméCanique. Master’s Thesis, University of Liège, Liège, Belgium, 2006. [Google Scholar]
Figure 1. Structural design and operational principle of the stick–slip actuator [18]: (a) Initial configuration, (b) Stick phase under slow expansion of the piezoelectric stack, and (c) Slip phase during rapid contraction.
Figure 1. Structural design and operational principle of the stick–slip actuator [18]: (a) Initial configuration, (b) Stick phase under slow expansion of the piezoelectric stack, and (c) Slip phase during rapid contraction.
Machines 13 00787 g001
Figure 2. Free body diagram of dynamic system modeling.
Figure 2. Free body diagram of dynamic system modeling.
Machines 13 00787 g002
Figure 3. Schematic illustration of the dynamic system using the MSD (mass–spring–damper) approach, where the piezoelectric actuator and the flexure hinge mechanism are represented by lumped parameter elements. This simplified model serves as a baseline for comparison with the proposed PRBM-based modeling framework.
Figure 3. Schematic illustration of the dynamic system using the MSD (mass–spring–damper) approach, where the piezoelectric actuator and the flexure hinge mechanism are represented by lumped parameter elements. This simplified model serves as a baseline for comparison with the proposed PRBM-based modeling framework.
Machines 13 00787 g003
Figure 4. MATLAB/Simulink block diagram of the proposed dynamic model. The system consists of four main subsystems: (a) the piezoelectric input block, which generates the sawtooth displacement excitation; (b) the flexure compliance block, implementing the PRBM-based four-bar mechanism via the Lagrangian formulation; (c) the LuGre friction block, which models stick–slip transitions at the contact interface; and (d) the load mass block, representing the slider dynamics. The outputs include the piezo stack displacement ( x p ), flexure point displacement ( x a ), and slider displacement/velocity ( x s , x ˙ s ), from which frequency–velocity response characteristics are computed.
Figure 4. MATLAB/Simulink block diagram of the proposed dynamic model. The system consists of four main subsystems: (a) the piezoelectric input block, which generates the sawtooth displacement excitation; (b) the flexure compliance block, implementing the PRBM-based four-bar mechanism via the Lagrangian formulation; (c) the LuGre friction block, which models stick–slip transitions at the contact interface; and (d) the load mass block, representing the slider dynamics. The outputs include the piezo stack displacement ( x p ), flexure point displacement ( x a ), and slider displacement/velocity ( x s , x ˙ s ), from which frequency–velocity response characteristics are computed.
Machines 13 00787 g004
Figure 5. Illustration of chaotic behavior induced by micro-vibration: (a) Driving at a frequency of 1.5 kHz. (b) Driving at a frequency of 1.405 kHz.
Figure 5. Illustration of chaotic behavior induced by micro-vibration: (a) Driving at a frequency of 1.5 kHz. (b) Driving at a frequency of 1.405 kHz.
Machines 13 00787 g005
Figure 6. Comparison of slider velocity as a function of driving frequency between experimental results [18] and numerical simulations using the PRBM and MSDM at a preload of 20 N.
Figure 6. Comparison of slider velocity as a function of driving frequency between experimental results [18] and numerical simulations using the PRBM and MSDM at a preload of 20 N.
Machines 13 00787 g006
Figure 7. Comparison between experimental results and numerical simulations for different model parameters using the MSDM at a preload of 20 N: (a) Effect of equivalent moving mass m e on slider velocity; (b) Effect of stiffness coefficient k e on slider velocity; (c) Effect of damping coefficient c e on slider velocity. Experimental data extracted from [18].
Figure 7. Comparison between experimental results and numerical simulations for different model parameters using the MSDM at a preload of 20 N: (a) Effect of equivalent moving mass m e on slider velocity; (b) Effect of stiffness coefficient k e on slider velocity; (c) Effect of damping coefficient c e on slider velocity. Experimental data extracted from [18].
Machines 13 00787 g007
Figure 8. Simulated slider velocity responses of the actuator under various preload values using the PRBM model, compared against experimental results. As preload increases from 1 N to 20 N , the system demonstrates improved stability and extended linear response up to higher excitation frequencies.
Figure 8. Simulated slider velocity responses of the actuator under various preload values using the PRBM model, compared against experimental results. As preload increases from 1 N to 20 N , the system demonstrates improved stability and extended linear response up to higher excitation frequencies.
Machines 13 00787 g008
Figure 9. Comparison between experimental data and numerical simulations using the PRBM at different tangential contact stiffness values σ 0 = 2 × 10 6 , 5 × 10 6 , and 1 × 10 7 N / m . Higher contact stiffness extends the linear operating range and improves velocity performance at higher frequencies.
Figure 9. Comparison between experimental data and numerical simulations using the PRBM at different tangential contact stiffness values σ 0 = 2 × 10 6 , 5 × 10 6 , and 1 × 10 7 N / m . Higher contact stiffness extends the linear operating range and improves velocity performance at higher frequencies.
Machines 13 00787 g009
Figure 10. Influence of friction coefficients ( μ S , μ C ) on slider velocity: Higher values suppress micro-vibrations and extend stable operation to higher frequencies. PRBM simulations align well with experimental data from [18].
Figure 10. Influence of friction coefficients ( μ S , μ C ) on slider velocity: Higher values suppress micro-vibrations and extend stable operation to higher frequencies. PRBM simulations align well with experimental data from [18].
Machines 13 00787 g010
Figure 11. Frequency–velocity response under varying center-of-gravity positions, represented by angle β i = 0 , 10 , 20 , 30 . Simulation results using the PRBM show minor influence of β i on dynamic behavior, especially at high frequencies.
Figure 11. Frequency–velocity response under varying center-of-gravity positions, represented by angle β i = 0 , 10 , 20 , 30 . Simulation results using the PRBM show minor influence of β i on dynamic behavior, especially at high frequencies.
Machines 13 00787 g011
Figure 12. Simulated velocity response of the compliant actuator using the PRBM model under varying joint stiffness values k u = 3 × 10 6 , 3 × 10 7 , and 8 × 10 7 N / m . The simulation results are compared with experimental data to evaluate the influence of flexure joint stiffness on dynamic behavior. The case with k u = 3 × 10 7 N / m provides the best agreement with experimental results.
Figure 12. Simulated velocity response of the compliant actuator using the PRBM model under varying joint stiffness values k u = 3 × 10 6 , 3 × 10 7 , and 8 × 10 7 N / m . The simulation results are compared with experimental data to evaluate the influence of flexure joint stiffness on dynamic behavior. The case with k u = 3 × 10 7 N / m provides the best agreement with experimental results.
Machines 13 00787 g012
Figure 13. Dependency of slider velocity on driving frequency for different contact point positions l n : Simulation results using the PRBM show negligible influence of l n on system dynamics, especially below 900 Hz. Minor deviations at higher frequencies reflect small geometric effects.
Figure 13. Dependency of slider velocity on driving frequency for different contact point positions l n : Simulation results using the PRBM show negligible influence of l n on system dynamics, especially below 900 Hz. Minor deviations at higher frequencies reflect small geometric effects.
Machines 13 00787 g013
Figure 14. Dependency of the slider’s velocity on driving frequency: Comparison between simulations with varying slider mass m s and experimental data. A small mass ( 0.01 kg ) results in unstable, low-velocity behavior due to insufficient inertia during slip, while higher masses ( 0.05 kg , 0.1 kg ) produce stable and consistent responses.
Figure 14. Dependency of the slider’s velocity on driving frequency: Comparison between simulations with varying slider mass m s and experimental data. A small mass ( 0.01 kg ) results in unstable, low-velocity behavior due to insufficient inertia during slip, while higher masses ( 0.05 kg , 0.1 kg ) produce stable and consistent responses.
Machines 13 00787 g014
Table 1. Comparison of modeling methods for flexure-hinge-based stick–slip actuators.
Table 1. Comparison of modeling methods for flexure-hinge-based stick–slip actuators.
ApproachFriction ModelFlexure Mechanism ModelDynamic Coupling
FEA-basedNone explicitlyFlexure mechanism evaluated with static/
harmonic FEA [10,11,12,13,14,15,16,17,18,19]
Quasi-static or modal only
Lumped MSDMLuGre or single-
state friction [27,28,29]
Flexures approximated by mass–spring–damper elements [20,21,22,23,24,25]Yes, but oversimplified
This work (PRBM–LuGre)LuGreFlexures modeled
with PRBM and
Lagrangian formulation
Full electromechanical–frictional coupling with parametric analysis
Table 2. Parameters of LuGre friction model used in simulations.
Table 2. Parameters of LuGre friction model used in simulations.
ParametersNotationValue
Tangential stiffness σ 0 2 × 10 6 ( 5 × 10 6 , 1 × 10 7 ) (N/m)
Damper coefficient σ 1 5  (Ns/m)
Viscous friction coefficient σ 2 0.5  (Ns/m)
Static friction coefficient μ S 0.15 (0.25, 0.3)
Coulomb friction coefficient μ C 0.1 (0.15, 0.2)
Stribeck velocity v s 0.001 (m/s)
Note: Friction parameters are obtained from experimental data in [18]. The static and dynamic coefficients are directly extracted from the measured normal force–friction dependency curves, while the empirical parameters σ 0 , σ 1 , and σ 2 are estimated from the contact geometry and material properties in [18], following the approach of [35].
Table 3. Parameters of the piezo-element and the slider.
Table 3. Parameters of the piezo-element and the slider.
ParametersNotationValue
Stiffness coefficient k p 3.6 × 10 6 (N/m)
Damper coefficient c p 0.294 (Ns/m)
Mass of the piezo m p 15 (g)
Stiffness of connecting joint k u 3 × 10 6 ( 3 × 10 7 , 8 × 10 7 ) (N/m)
Mass of the slider m s 100 (50, 10) (g)
Distance defining position of point A l a 5.1 (mm)
Distance defining position of point C l n 0 (5, 10, 15) (mm)
Preload F p 20 ( 15 , 10 , 5 , 1 ) (N)
Note: Dynamic parameters of the piezoelectric element are calculated from its material properties and dimensions reported in [18], converted into equivalent lumped values using the reduced mass method [35]. The joint stiffness k u is derived from flexure geometry and material properties, while the preload force F p is taken directly from the experimental setup in [18].
Table 4. Parameters of the four-bar flexure hinge mechanism.
Table 4. Parameters of the four-bar flexure hinge mechanism.
ParametersNotationValue
Elastic modulusE72 (GPa)
Mass densityD2810 (kg/m3)
Length of link 1 l 1 10.2 (mm)
Length of link 2 l 2 23.2 (mm)
Length of link 3 l 3 10 (mm)
Length of link 4 l 4 25 (mm)
Mass of link 1 m 1 0.2568 (g)
Mass of link 2 m 2 0.5877 (g)
Mass of link 3 m 3 0.2529 (g)
Width of linkb3 (mm)
Height of linkh3 (mm)
Thickness of jointe1.5 (mm)
Radius of jointr1 (mm)
Initial position of link 1 φ 1 0 80°
Initial position of link 2 φ 2 0
Initial position of link 3 φ 3 0 270°
Initial position of link 4 φ 4 0 180°
Equivalent mass of the mechanism m e 0.589 (g)
Equivalent stiffness coefficient k e 2.88 × 10 6 (N/m)
Equivalent damping coefficient c e 218 (Ns/m)
Note: The geometric and material parameters of the flexure-based four-bar mechanism are identical to those in [18]. For the MSDM, the dynamic parameters of the compliant mechanism are obtained using the equivalent lumped-parameter method, ensuring consistency with the low-frequency behavior of the actual structure.
Table 5. Quantitative sensitivity analysis of key design parameters. Sensitivity is expressed as the percentage change in the linear regime of the average velocity per 10% change in the parameter value.
Table 5. Quantitative sensitivity analysis of key design parameters. Sensitivity is expressed as the percentage change in the linear regime of the average velocity per 10% change in the parameter value.
Parameter (Symbol)Nominal ValueVariation RangeSensitivity (% Δ v ¯ lin / 10% Δ p)
Preload force ( F p )20 N1–20 N≈+15% (linear regime extends toward higher f as F p increases)
Friction pair ( μ S , μ C )  a ( 0.3 , 0.2 ) see Figure 10≈+10% (higher friction broader frequency range)
Tangential contact stiffness ( σ 0 ) 5 × 10 6 N/m 2 × 10 6 1 × 10 7 N/m≈+8% (reduces micro-vibrations; higher velocity at high f)
Flexure joint stiffness ( k u ) 3 × 10 7 N/m 3 × 10 6 8 × 10 7 N/m≈+12% (low k u induces chaos; 3 × 10 7 N/m best matches exp.)
Mass distribution angle ( β i ) 0 0– 30 <2% (minor influence below 1200 Hz)
Slider mass ( m s )0.05 kg0.01–0.10 kg<2% (very small mass destabilizes; moderate mass improves stability)
Contact position ( l n )5 mm0–15 mm<2% (negligible below 900 Hz; small deviations at high f)
Definition of linear regime. The linear regime is the maximal contiguous frequency window where the frequency–velocity relation fits a line with R 2 > 0.98 . v ¯ lin is the average velocity measured within this window after warm-up cycles. Sensitivity calculation S p ( Δ v ¯ lin / v ¯ lin ) / ( Δ p / p ) × 100 % , reported per 10% change in p, estimated from PRBM simulations consistent with the trends in Figure 8, Figure 9, Figure 10, Figure 11, Figure 12, Figure 13 and Figure 14. a The friction pair ( μ S , μ C ) is varied jointly (scaled together) around the nominal ( 0.25 , 0.15 ) ; values correspond to tested sets in Figure 10. Provenance: Nominals and ranges follow the simulations summarized in Figure 8, Figure 9, Figure 10, Figure 11, Figure 12, Figure 13 and Figure 14; sensitivities reflect PRBM simulations benchmarked to [18].
Table 6. Comparison of computational performance and accuracy between MSDM, Standard PRBM, and Enhanced PRBM.
Table 6. Comparison of computational performance and accuracy between MSDM, Standard PRBM, and Enhanced PRBM.
Modeling ApproachAccuracy (RMSE vs. Exp.)Simulation TimeRemarks
MSDMHigh error (∼51.65%)Fastest (<1 s at Δ t = 10 7 s)Simple lumped model, lacks flexure fidelity
Standard PRBMAccurate (∼20.19%)Slow (∼3900 s at Δ t = 10 7 s; fails at 10 8 s)Uses Simulink/Toolbox symbolic evaluations; accurate but heavy computational overhead
Enhanced PRBMAccurate (∼20.19%)Fast (∼1.2 s at Δ t = 10 7 s; ∼11 s at 10 8 s)Reformulated into closed-
form expressions; same accuracy as Standard PRBM, much faster
Table 7. Comparison of modeling capabilities between FEA, MSDM, and the proposed Enhanced PRBM based on key performance criteria in dynamic analysis of compliant systems.
Table 7. Comparison of modeling capabilities between FEA, MSDM, and the proposed Enhanced PRBM based on key performance criteria in dynamic analysis of compliant systems.
Comparison CriteriaFEAMSDMEnhanced PRBM
Can it perform dynamic simulation?YesYesYes
Can it couple the dynamics of the whole system?Limited (local contact,
structural modes)
YesYes
Can it consider structural
design parameters?
YesNoYes
Can it evaluate the influences of design parameters on the dynamics of the whole system?Possible but computationally expensiveNoYes (efficient)
Is it computationally efficient?No (high cost)YesYes
Modeling accuracyHighLow/QualitativeHigh
Disclaimer/Publisher’s Note: The statements, opinions and data contained in all publications are solely those of the individual author(s) and contributor(s) and not of MDPI and/or the editor(s). MDPI and/or the editor(s) disclaim responsibility for any injury to people or property resulting from any ideas, methods, instructions or products referred to in the content.

Share and Cite

MDPI and ACS Style

Nguyen, X.-H.; Nguyen, D.-T. A Novel Dynamic Modeling Framework for Flexure Mechanism-Based Piezoelectric Stick–Slip Actuators with Integrated Design Parameter Analysis. Machines 2025, 13, 787. https://doi.org/10.3390/machines13090787

AMA Style

Nguyen X-H, Nguyen D-T. A Novel Dynamic Modeling Framework for Flexure Mechanism-Based Piezoelectric Stick–Slip Actuators with Integrated Design Parameter Analysis. Machines. 2025; 13(9):787. https://doi.org/10.3390/machines13090787

Chicago/Turabian Style

Nguyen, Xuan-Ha, and Duc-Toan Nguyen. 2025. "A Novel Dynamic Modeling Framework for Flexure Mechanism-Based Piezoelectric Stick–Slip Actuators with Integrated Design Parameter Analysis" Machines 13, no. 9: 787. https://doi.org/10.3390/machines13090787

APA Style

Nguyen, X.-H., & Nguyen, D.-T. (2025). A Novel Dynamic Modeling Framework for Flexure Mechanism-Based Piezoelectric Stick–Slip Actuators with Integrated Design Parameter Analysis. Machines, 13(9), 787. https://doi.org/10.3390/machines13090787

Note that from the first issue of 2016, this journal uses article numbers instead of page numbers. See further details here.

Article Metrics

Back to TopTop