Next Article in Journal
Optimization of a Turbine Flow Well Logging Tool Based on the Response Surface Method
Previous Article in Journal
Calculations on Enhancement of Polycrystalline Diamond Bits through Addition of Superhard Diamond-Reinforced Elements
 
 
Font Type:
Arial Georgia Verdana
Font Size:
Aa Aa Aa
Line Spacing:
Column Width:
Background:
Article

Robust Control for the Hybrid Energy System of an Electric Loader

National Engineering Research Center for Highway Maintenance Equipment, Chang’an University, Xi’an 710064, China
*
Author to whom correspondence should be addressed.
Machines 2023, 11(4), 454; https://doi.org/10.3390/machines11040454
Submission received: 14 February 2023 / Revised: 20 March 2023 / Accepted: 29 March 2023 / Published: 4 April 2023
(This article belongs to the Section Electromechanical Energy Conversion Systems)

Abstract

With the wide application of electric vehicles and the development of battery technology, pure electric construction machinery (PECM) has received more and more attention due to its high efficiency and no pollution. The working conditions of construction machinery are complex and accompanied by periodical working conditions and heavy load. For electric construction machinery, a heavy load represents an energy supply with a large current. To adapt to the working conditions of PECM, this paper proposes a robust controller to regulate the current of the hybrid energy system (HES) which include the battery and supercapacitor. The V-type operating conditions of a 5-ton pure electric loader are the research focus to analyze the working principles of the HES. The topology and energy flow patterns of the HES are proposed and analyzed. The model of the battery, supercapacitor, and DC/DC converter are depicted, and the robust control method is designed. An electric loader experiment platform is created to verify the effectiveness of the robust control method. Compared with the proportional integral control effect, the experiment results show that the proposed control method had good control performance and could better regulate the current. It can be used as a reference value for other dual energy source PECM.

1. Introduction

Construction machinery (CM) is widely used in various earthmoving projects [1,2]. With the depletion of fossil energy resources and global environmental problems, conventional diesel-engine-powered CM with low efficiency and high energy consumption can no longer meet the market demand. Multi-energy sources and electric power technology have been successfully applied to automobiles and commercialized. Compared with the development path of new energy for automobiles, enterprises and researchers are also committed to researching hybrid energy and pure electric construction machinery (PECM) [3,4]. However, hybrid energy based on engines which include one or more combinations of hydraulic accumulators, batteries, and supercapacitors (SCs) improve the efficiency of the whole machine, but still cannot meet the zero-emission requirements [5,6,7,8,9]. Although many studies have been carried out on hybrid vehicles [10] and CM, few papers in the literature have discussed PECM for construction machinery, including loaders, shovels, excavators, and dozers. Therefore, the development of PECM has attracted more attention and research [11,12].
As the core component, the performance of energy systems for PECM determines the power performance and work time of the whole machine. CM has devices for working, therefore, the power of a CM is relatively high, for example, the power of a traditional 5-ton engine loader is 142 kW. Therefore, the energy efficiency and energy conservation requirements of CM are higher than those of automobiles. Compared with other electric drive systems, the main characteristics of electric drive systems for PECM are high currents, frequent current pulses, and large temperature changes in real working environments [13]. For PECM, the single energy source cannot meet the request of the working conditions, and various energy sources, such as fuel cells and SCs or lithium batteries combinations, have become the focus of current research [14]. Although fuel cells have their own advantages, their main disadvantages include the high cost and high security requirements, thus, this study mainly focused on the hybrid energy system (HES) of lithium battery and supercapacitor (SC). According to the main characteristics of the electric drive and working system of PECM, improving the control performance of the HES is the main problem of PECM [15].
As one of the key energy components, lithium battery with high energy density are used for electric vehicles. However, the life of a lithium battery will be attenuated under high current charging and discharging, and after multiple cycles of charging/discharging, the performance of lithium battery will be degraded, which usually limits efficient operation in the application. The battery is also affected by temperature and safety problems [16]. In contrast, SC have the advantages of high power density and long life, but their main disadvantage is low energy density [17]. The HES of lithium battery and SC can meet the requirements of PECM for changeable working conditions. The average power is supplied by the battery and the SC is used to provide peak power and absorb high currents during braking and the process of converting the kinetic energy or potential energy of the working device into electrical energy, such as by lowering the bucket of a loader.
To improve the performance of HES, studies have been carried out on the topology and control strategies. The topology is divided into passive, semi-active, and fully active, the performance of each topology has been analyzed [18,19,20,21,22,23,24]. The fully active topology consists of two bidirectional DC/DC converters, which are connected to the battery and SC separately. For different topologies of HES, some researchers have undertaken the development of energy management system strategies [25,26,27]. As an important element of HES, the performance of DC/DC converter affects the output voltage and current. Ref. [28] analyzed multiple-input DC/DC converters for hybrid electric vehicles and renewable systems, and compared them with typical series or parallel connections of converters. These new topologies exhibit better control performance. To improve the performance of DC/DC, some control methods have been proposed. Proportional integral derivative (PID) control has widely been adopted to control DC/DC by the HES of electric vehicles due to high reliability and simplicity [29]. To further improve the control performance of PID for DC/DC, Ref. [30] prosed the fuzzy PI controller for electric vehicle, the controller realized fast tracking capability, better dynamic response and proper utilization of energy sources. However, with the uncertainty of the system and external disturbance, the PID control system cannot effectively meet the control requirements of the system, especially for PECM, which usually works in random loads under extreme temperature conditions.
Robust control exhibits good control performance under external disturbance and uncertainty of internal parameters [31,32]. A sliding-mode robust control was applied for the HES of electric vehicles, the results showed that the method can effectively satisfy the load current demand and regulate the output voltage [33]. For the robust fractional-order sliding-mode control of a fully active topology of a hybrid energy storage system, including battery and SC used in electric vehicles, the control law was derived to generate the current and voltage [34]. Ref. [35] designed two robust control laws using linear matrix inequality constraints to control two bidirectional buck/boost converters, the current of the battery and voltage could be effectively regulated. Ref. [36] developed a µ-synthesis controller for DC/DC boost to control the output current under input disturbance and load disturbance. This control realized cost reduction and performance improvement. Ref. [37] proposed a novel hybrid H2 model following control to promote the robustness of a DC/DC buck converter. Ref. [38] developed a robust adaptive tracking control scheme to resist external disturbance. Ref. [39] proposed an enhanced robust controller based on high-order extended state observer for a DC/DC boost converter in fuel cell application, the proposed method exhibited strong robustness under unknown disturbance. Ref. [40] adopted robust H∞ and adaptive approaches to design two controllers to compensate for the uncertainties disturbance using the a high voltage gain DC/DC converter.
Robust control has been applied in DC/DC of the HES for vehicles, and the performance of DC/DC output has been greatly improved under the influence of external disturbance, internal parameter uncertainty, and other factors. However, there are still limited studies on DC/DC of the HES for PCEM. Due to the heave load and abnormal load of PECM, HES must provide the large corresponding current and voltage. Therefore, the DC/DC output stability and dynamic performance must meet the needs for PECM. This paper presents a robust controller for DC/DC converters of the fully active topology of HES which include battery and SC to regulate the output current, the loader was selected as the research target due to the development of the electric loader [41,42]. The experimental platform was built, and the effectiveness of the proposed method was validated. The proposed robust control was proposed for a DC/DC converter to reduce the high current discharge of the battery using the electric loader.
The paper is organized as follows: Section 2 details configurations and energy transmission mechanisms for the HES. Section 3 establishes the model for the HES. Section 4 depicts the experimental validation for the HES of an electric loader. Finally, the conclusions are summarized in Section 5.

2. Configurations and Energy Transmission Mechanisms for the HES of an Electric Loader

As shown in Figure 1, wheel loader is widely used in earthmoving operations, and can realize the loading, transportation, and unloading of material. Due to the different materials and environments, the working conditions of loaders are complicated. According to the installed weight of the loader, it can be divided into light, medium, and heavy. As a medium loader, 5-ton loaders are the mainstream products on the market. Thus, this study selected the 5-ton wheel loader as the research object.
Different from the standard working conditions of automobiles, wheel loaders are generally operated with a V-type working cycle. The V-shape cycle is chosen for operation in the paper. Detailed parameters of the 5-ton loader are shown in Table 1. The used loader is shown in Figure 2a, a schematic diagram of the V-shape cycle is shown in Figure 2b, and the velocity curve is shown in Figure 2c.
This paper focuses on the driving process of the loader without considering the energy recovery. Therefore, the real vehicle power test mainly records the speed of the loader, the pressure, and flow data of the working device, and the driving power and working power of the loader are calculated. The total power includes the driving power and operating power. The total power curve is shown in Figure 2d.
The overall framework of the paper is shown in Figure 3. Based on the mathematical models of battery, SC, and DC/DC converters, the robust control algorithm is designed. A hardware experimental platform is built to verify the control algorithm. According to the maximum load power of the experimental equipment, reasonable proportion reduced power is adopted. The processed power data are input into the loading system.

2.1. Configurations of the HES

To better meet the requirements of loader operation, the fully active hybrid energy system is used as the topology structure in this study. As shown in Figure 4, the fully active topology of the HES includes a battery pack, an SC pack, two DC/DC converters, a DC/AC converter, and a motor. The battery pack is connected to a DC/DC converter in series and then connected in parallel with the other DC/DC converter, which is connected to the SC pack. This topology can actively provide or recover the corresponding energy by controlling the on–off of two DC/DC converters.
Reasonable DC/DC control can realize the mutual transfer of energy, the specific work flow is shown in Figure 5. When the loader is running without work, part of the energy of the electric energy drives the motor and the other part charges the SC when the energy of the SC is lower than the maximum energy of the SC. When the loader works under normal conditions, the energy is only provided by the battery to the motor. At the same time, the SC maintains the maximum power state, to prepare for accelerating or loading. When the loader works on the accelerating or loading condition, the battery and the SC provide energy to the motor synchronously. When the loader is braking or the bucket is lowered, the motor can provide regenerative energy to the SC through the bidirectional power converter. If the SC achieves its maximum energy storage, the remaining energy is charged to the battery. The HES can guarantee the working of the loader. The working conditions can be divided into two categories conditions in detail. One is that if the SC can provide enough energy, the energy is provided by both the battery and SC. If the SC is in a deficient energy state, the energy is solely provided by the battery. The regenerative braking conditions can also be divided into two categories. The recovered energy is charged into the SC first. Once the SC achieves its maximum energy state, the remaining energy is charged into the battery.
The control schematic of the HES is shown in Figure 6. The main system includes a controller, a motor, DC/AC converter, and a bidirectional DC/DC converter. Based on the control unit, according to the load demand, the main circuit reasonably matches the output energy of the battery and the SC during the working process. The HES supplies energy to the motor to improve the utilization rate of energy. The controller collects the loader signals, including the accelerator pedal signal, brake pedal signal, voltage and current signals of the SC and the battery, and the torque signal, speed signal, voltage signal, and current signal of the motor. The controller outputs the signals to the IGBT circuit to control the DC/DC converter and DC/AC converter. The control system can meet the stable voltage and current requirements for the system, and can make the motor work reliably.
The electrical circuit of the HES is shown in Figure 7, the core of the circuit is the bidirectional DC/DC converter. The converter can work at buck/boost mode and transmit the energy between the HES and the motor. The bidirectional DC/DC converter consists of four IGBTs T9–T12 and inductance L . C u is the SC, V b is the battery, M is the motor, and L is the energy storage inductance of the converter. The bidirectional DC/DC converter can charge or discharge the SC through buck/boost mode. The motor driver can charge or discharge the battery through buck/boost mode.

2.2. The Energy Transmission Mechanism of the HES

The working principle of the main electric circuit in the HES can be summarized as follows: during the loader working state, the battery only supplies energy to drive the motor through T7. In the loader accelerating or loading process, SC and the battery in parallel start work through the bidirectional DC/DC converter under buck mode when the battery discharge current is too large. Under loader deceleration, braking conditions, or lowering the bucket, the motor works in the generating state and bidirectional DC/DC converter is regulated to charge SC under the boost/buck mode. However, if the SC is fully charged, the bidirectional DC/DC converter is stopped. Then, T8 starts to work, and charges the battery through the antiparallel diode of T7 after the back EMF voltage depresses. In summary, power transmission can meet the following two objectives: one realizes the recycle of collecting energy, the other limits the discharge current of the battery to improve its energy effectiveness. The working conditions of the system are shown in Table 2, number 1 in the table represents IGBT in the conducting state, number 0 represents IGBT in the off state, and S represents IGBT in PWM modulation.
This article mainly introduces three states as follows:
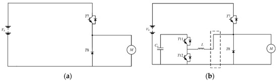
Working State 1: the battery drives the motor alone. When the motor drive current is not high or the energy storage of the SC is low, the motor’s driving current is provided by the battery individually. Meanwhile, the T7 works on the PWM modulation, T8–T12 is in an off state, and the main electric circuit of an HES works in a typical motor step-down driving mode, as shown in Figure 8a.
Working State 2: the battery and SC are in parallel to drive the motor. To fully meet the energy demand during loading or acceleration, and reduce the discharge current of the battery to improve its energy effectiveness, the SC needs to partially provide the driving current to the motor when the loader is accelerating or loading. At this time, the SC works in the discharge state through the buck circuit constituted by T11 and the inductance, L , and the battery is made up of the DC motor driving the circuit by T7, all of which aim to achieve two kinds of the composite work process to drive motor. The main circuit structure system is shown in Figure 8b.
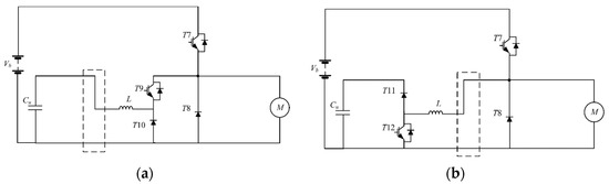
Working State 3: Before the system starts working, the SC needs to be pre-charged by the battery. The pre-charging process is divided into two stages, first, the SC is charged from 0 V to the battery voltage, namely, the step-down charging stage. The main circuit working state is shown in Figure 9a. The second stage is the boost stage, where the SC will receive full charge, namely, the boost charging stage, the working state of the main circuit is shown in Figure 9b.

3. Modeling for the HES

In order to analyze the control performance of the HES effectively and implement it on the hardware more conveniently, this paper adopts a simplified model of the HES. The sub-system models including the battery, SC, DC/DC converter, and robust controller are described as follows:

3.1. Lumped Parameter Battery Model

The series–parallel (SP) power battery pack for an electric loader system generally needs to meet a certain capacity to achieve the mileage and a certain power to provide power. The parallel connection of the monomers can increase the capacity, the series connection of the monomers can increase the voltage, and the power is proportional to the voltage and current. Therefore, on the premise of meeting the corresponding capacity requirements, it is beneficial to use electric loaders to appropriately increase the number of series monomers (modules) in the power battery pack. Based on the condition of the experiment platform, the whole battery pack included 176 battery cells with 3.2 normal voltage and 90 Ah capacity, and it is composed of 22 battery packs of 2P4S. To simplify the analysis process, this section takes the group capacity of the 2P4S shown in Figure 10 as an example for modeling, the modeling process of the group capacity of other series-parallel power batteries is the same.
This study chose the first-order RC battery model, which contained the open-circuit voltage, U O C , resistance, R L , and an RC network.
Here, i L is the load current (positive and negative correspond to charge and discharge) and U t is the terminal voltage. R L is the electrical resistance. The RC network consists of R D and C D ( R D is the diffusion resistance and C D is the diffusion capacitance). U D is the diffusion voltage of the diffusion resistance. The equivalent model of the battery is shown in Equation (1).
U ˙ D = 1 C D R D U D + 1 C D i L U t = U O C U D i L R L
To better obtain the parameters of the total battery package, this paper uses the small battery package of 2P4S to form the total battery package. The model parameters of the power battery cell can be obtained by interpolation using SOCPmn. The current flowing through each branch can be obtained by Equation (2). Each module is independent of the other, and the current of each branch in the module is different due to the difference in power battery cells, thus, it needs to be calculated separately. Since the terminal voltages of the power battery cells in the module are equal, the 2P4S terminal voltage can be calculated using Equation (3).
R P 1 n ( k ) R P 2 n ( k ) 1 1 · I 1 n ( k ) I 2 n ( k ) = U o c v P 2 n ( k ) U o c v P 1 n ( k ) U p P 2 n ( k ) + U p P 1 n ( k ) I L ( k )
U 2 P 4 S = n = 1 4 U P a r a l l e l n ( k ) = U O P 11 ( k ) + U O P 12 ( k ) + U O P 13 ( k ) + U O P 14 ( k )

3.2. SC Model

The model of the SC can be described as Rint model. Here, R C is resistance, U C O is the voltage of the ideal capacitor, and U c t is the terminal voltage. The SC model can be expressed through the following equation:
U c t = U c o R c i c

3.3. DC/DC Converter Model

The model of the motor and DC/DC is analyzed together. This section mainly analyzes working state 2. The power demand of the load could be divided into two parts. One is realized by the motor powered by the battery, where the circuit consists of a battery, T7, and a motor, the other part is supplied by the SC, whose circuit includes the SC, T11, inductance, L , and the motor. The circuit structure of these two parts of supplied power is shown to be the same, but the power source is different. Thus, the same circuit can be used to build a mathematical model. The main circuit voltage balance equation is:
T starts ( 0 t d · T ):
L d i m d t = v b v m i m · ( r m + r b + r t )
T ends ( d · T t T ):
L d i m d t = v m i m · ( r m + r d )
where T is the period of the PWM, v b is the input voltage, v m is the voltage of the motor, i m is the current of the inductance, and r m , r b , r t , and r d are the resistance of the motor, battery/SC, diode, and IGBT, respectively. The motor torque balance equation is:
J d Ω d t = K t · i m T L
v m = K e · Ω
where J is the moment of inertia of the motor, K t is the rotational constant, T L is the load torque, Ω is the rotating speed, and K e is the back electromotive force coefficient.
If the state variable is close to x = [ i m    Ω ] T , the outcome will be shown as y = i m . Through the average disposal, we can derive:
x ˙ = r m + ( r b + r t ) · d + r d · ( 1 d ) L K e L K t J 0 · x + v b L d T L J y = 1 0 x
Applying disturbance to the average equation of state in the steady state, and making the instantaneous value: i m = i ˜ m + i ^ m , Ω = Ω ˜ + Ω ^ , v b = v ˜ b + v ^ b , d = D + d ^ , u 1 = v b , where i ˜ m , Ω ˜ , v ˜ b , and D are the value of each variable at the steady-state operating point of the circuit, i ^ m , Ω ^ , v ^ b , and d ^ are the disturbance of each variable at the steady-state operating point of the circuit. The linear small-signal model can be derived as follows:
x ^ ˙ = r m + ( r b + r t ) · D + r d · ( 1 D ) L K e L K t J 0 · x ^ + r b + r t r d L 0 0 0 · X · d ^ + v ˜ b L 0 · d ^ + D L 0 · u ^ y = 1 0 x ^
where D is the duty cycle of the steady state, X is the vector of the current and rotator speed of the steady state, d ^ is the control input, and u ^ is the vector of disturbance.

3.4. Robust Controller of the HES

The state space of the model including the battery and DC/DC is expressed as follows:
x ˙ = A x + B 1 u + B 2 w z 1 = C 1 x + D 11 u + D 12 w z 2 = C 2 x + D 21 u + D 22 w
where x = x ^ , u = d ^ , w = v ^ b , A = r m + ( r b + r t ) D + r d ( 1 D ) L K e L K t J 0 , B 1 = r b + r t r d L 0 0 0 · X + 1 L 0 · v ˜ b , B 2 = D L 0 , z 1 = d ^ , C 1 = 0 , D 11 = 1 , D 12 = 0 , z 2 = y , C 2 = 1 0 , D 21 = 0 , D 22 = 0 .
The state space of the model including SC and DC/DC can be obtained using the same method.
The robust H2/H∞ controller to be designed should satisfy: (1) the stable closed-loop system, and (2) the H∞ norm of the closed-loop transfer function, T z 1 w , from the perturbed input, w , to the tuned output, z 1 , being less than γ 1 . The design of the controller aimed to minimize γ 2 with the condition of σ ( A c ) C 1 , T z 1 w < γ 1 , T z 2 w 2 < γ 2 .
To design the state feedback controller:
u = K x
Substituting Equation (12) into Equation (11) yields:
x ˙ = ( A + B 1 K ) x + B 2 w z 1 = ( C 1 x + D 11 K ) x + D 12 w z 2 = ( C 2 x + D 21 K ) x + D 22 w
According to the variable substitution method, the state feedback controller is solvable with the existence of the optimal solution, X , W , of Equation (14) [43]:
min   γ 2
s . t . A X + B 1 W + ( A X + B 1 W ) T B 2 ( C 1 X + D 11 W ) T B 2 T γ 1 I D 12 C 1 X + D 11 W D 22 γ 1 I < 0 A X + B 1 W + ( A X + B 1 W ) T + B 2 B 2 T < 0 Z C 2 X + D 21 W ( C 2 X + D 21 W ) T X < 0 T r a c e ( Z ) < γ 2
The robust hybrid controller can be expressed as:
u = W X 1 x

4. Experimental Validation for the HES of an Electric Loader

4.1. The Outline of the Experimental Platform for the HES

The experimental platform of electric construction machinery is shown in Figure 11. The platform realizes functions: construction machinery power performance test, motor and control system test, dynamometer load test, energy recovery performance test, construction machinery battery, and SC composite power system test. The experimental platform of electric CM can be divided into four modules: a composite power module, a motor module, a loading dynamometer module, and a monitoring module. The composite power module is composed of battery, SC, and bidirectional DC/DC converter to supply the power system of the test platform, providing stable power for the test platform, the motor module is composed of a motor and its controller. The power of the composite power supply is transmitted by battery and SC. The loading dynamometer module is composed of a loading dynamometer, which is used to consume the power of the composite power supply. The measurement and control system are composed of a host computer, a sensor, and a related signal acquisition card, which is used to collect the working-state parameters of the related instruments and equipment during the test process and system control.
The experimental platform of the proposed method for an electric loader is shown in Figure 12, it is composed of the test system, loading system, and hybrid energy system. The HES is mainly composed of lithium battery, SC, and DC/DC controller. The load is the motor. The detailed parameters of the experimental platform are shown in Table 3.
The experimental process is as follows. Based on the working conditions of the loader and relevant parameters of the experimental platform, and the mathematical mode of the working process described above and the linear matric inequality given in Equation (14), using the MATLAB Robust controller toolbox (MATLAB 2020a) to calculate the answer, we obtained a robust controller as follows:
K d ( s ) = 0.03025 · s 2 + 16.54 · s + 0.7119 s 3 + 246.8 · s 2 + 4.215 · s + 0.01747
The control model is built in Simulink, the control code is generated, then the code is written into the controller through code conversion. The power curve of the loader is proportionally reduced to adapt to the test conditions of the experiment platform. Reduced power data is input to the test and data collection systems, then, the motor is controlled to start without a load. The controller receives the current and voltage signals of the battery, SC, and DC/DC converter, as well as the torque and speed signals of the motor. Once the loading system is started, the motor drives the load motor under reduced working power. According to the bus current, battery current, and SC current, the controller control DC/DC operation to meet the normal driving load motor. The motor rotates at the rated speed in the process of the experiment. Real-time data of the battery and SC and speed and torque data of the motor are obtained through multiple single-cycle experiments.

4.2. Validation for the HES

During the loader working process, when the loader is in the high power demand conditions, the energy of battery and SC is sufficient, the control system adjusts the bidirectional DC/DC converter to work in the discharge mode, and the battery and the SC works in parallel to provide the loader running energy.
To verify the performance of the proposed method, this study uses the proportional-integral (PI) control algorithm for comparison. In the working process of the HES, the program is set as follows: when the motor starts, the battery and DC/DC start to work and output the working current, then, the load motor loading, with the battery and SC jointly providing the required current. The experimental results of the robust controller compared with the PI controller are shown in Figure 13. The battery and SC current curves are shown in Figure 13a,b. If the battery is used as a single energy source, the maximum instantaneous discharge current Ib could reach 47 A. When the SC and the battery discharge simultaneously, the current of the battery decreases compared with only the battery, and the SC provides insufficient current. Under the two control methods, the battery and SC could simultaneously provide a current to meet the load requirements. The maximum instantaneous discharge current Ib of the battery is 30 A and the maximum instantaneous discharge current Ic of the SC is 17 A. The high current discharge of the battery is significantly reduced. Compared with the PI control, the current curve of the SC is smoother and less volatile with robust control.
Meanwhile, the torque and speed of test results are shown in Figure 13c,d. The output torque of the two control methods could reach the predetermined torque. However, the degree of torque fluctuation is different. Compared with the proposed control method, the motor torque fluctuation under PI control is large. The maximum value of motor speed fluctuation is 40 higher than the rated speed, and the minimum value of fluctuation is 80 lower than the rated speed. The torque curve and speed curve are smoother with the robust control. This further shows that the proposed robust control method can effectively control the accuracy of the output current with fluctuating load. The performance of the proposed method is better than the traditional PI controller.
The smaller the battery discharge current limit, the greater the energy effectiveness of the battery, however, the value of the upper limit is influenced by the maximum storage capacity of SC. When the maximum storage energy of the SC is large, the battery discharge current can be set to smaller, which helps to improve the energy effectiveness of the battery. In this study, the energy stored by the SC used in the experiment is less, thus, the battery discharge current upper limit is set at 35 A in the experiment. If using a larger-capacity SC, the upper limit of the battery discharge current can be set lower than before.
An SC pack can adequately provide peak current and reduce the current ranges of a battery pack. The HES could thus meet the power requirements of electric installations.

5. Conclusions

Robust control of an HES which consisted of a battery and an SC is proposed. The working conditions of the electric loader and the working mode of the hybrid energy system are analyzed. By establishing the mathematical model of each part, a robust controller is designed. The experimental platform is built. Comparison test results show that the maximum instantaneous discharge current Ib could reach 47 A when only when the battery is powered separately. The maximum instantaneous discharge current Ib of the battery is 30 A, and the maximum instantaneous discharge current Ic of the SC is 17 A when the battery and SC are powered simultaneously. The high current discharge of the battery is significantly reduced. Compared with the PI control, the current curve of the SC is smoother and less volatile with robust control. The maximum value of the motor speed fluctuation is 40 higher than the rated speed, and the minimum value of fluctuation is 80 lower than the rated speed. The torque curve and speed curve are smoother with the robust control. This further shows that the proposed robust control method can effectively control the accuracy of the output current with the fluctuating load. The results show that the robust control is better than the PI control. The experimental validation results verify the feasibility and effectiveness of the developed method. This study provides a basis for further research on the energy management of pure electric construction machinery.

Author Contributions

Y.M. wrote the manuscript. Q.W. proposed the control method for the HES. M.Y. contributed technical support and provided overall guidance to the study. G.L. and Y.M. performed the experiments. All authors have read and agreed to the published version of the manuscript.

Funding

This research was funded by the Key Research and Development Program of Shaanxi Province (2023-GHYB-05 and 2023-YBSF-104), Shaanxi Provincial Innovation Capacity Support Plan (No. 2022PT-30), Henan Outstanding Foreign Scientist Workshop (No. GZS2022004) and Key Laboratory of Intelligent Manufacturing of Construction Machinery (No. IMCM2021KF02).

Data Availability Statement

Data are contained within the article.

Conflicts of Interest

The authors declare no conflict of interest.

References

  1. Sherafat, B.; Ahn, C.R.; Akhavian, R.; Behzadan, A.H.; Golparvar-Fard, M.; Kim, H.; Lee, Y.C.; Rashidi, A.; Azar, E.R. Automated methods for activity recognition of construction workers and equipment: State-of-the-art review. J. Constr. Eng. Manag. 2020, 146, 03120002. [Google Scholar] [CrossRef]
  2. Shehadeh, A.; Alshboul, O.; Tatari, O.; Alzubaidi, M.A.; Salama, A.H.E.S. Selection of heavy machinery for earthwork activities: A multi-objective optimization approach using a genetic algorithm. Alex. Eng. J. 2020, 61, 7555–7569. [Google Scholar] [CrossRef]
  3. Lin, T.L.; Lin, Y.Z.; Ren, H.L.; Chen, H.B.; Chen, Q.H.; Li, Z. Development and key technologies of pure electric construction machinery. Renew. Sustain. Energy Rev. 2020, 132, 110080. [Google Scholar] [CrossRef]
  4. Wang, H.; Wang, Q.; Hu, B. A review of developments in energy storage systems for hybrid excavators. Autom. Constr. 2017, 80, 1–10. [Google Scholar] [CrossRef]
  5. Trinh, H.A.; Truong, H.V.; Do, T.C.; Nguyen, M.H.; Ahn, K.K. Optimization-based energy management strategies for hybrid construction machinery: A review. Energy Rep. 2022, 8, 6035–6057. [Google Scholar] [CrossRef]
  6. Zhang, W.; Wang, J.X.; Liu, Y.; Gao, G.Z.; Liang, S.W.; Ma, H.F. Reinforcement learning-based intelligent energy management architecture for hybrid construction machinery. Appl. Energy 2020, 275, 115401. [Google Scholar] [CrossRef]
  7. Li, J.S.; Zhao, J. Energy recovery for hybrid hydraulic excavators: Flywheel-based solutions. Autom. Constr. 2021, 125, 103648. [Google Scholar] [CrossRef]
  8. Wang, F.; Lin, Z.C.; Xu, B.; Fiebi, W. An electric-hydrostatic energy storage system for hydraulic hybrid wheel loader. IEEE Trans. Veh. Technol. 2022, 71, 7044–7056. [Google Scholar] [CrossRef]
  9. Li, J.; Shu, H.; Xu, Z.; Huang, W.Z. Control strategy of genetic algorithm for a hybrid electric container loader. Int. J. Veh. Perform. 2021, 7, 324–340. [Google Scholar] [CrossRef]
  10. Rezaei, H.; Abdollahi, S.E.; Abdollahi, S.; Filizadeh, S. Energy management strategies of battery-supercapacitor hybrid storage systems for electric vehicles: Review, challenges, and future trends. Energy Storage 2022, 53, 105045. [Google Scholar] [CrossRef]
  11. Guo, T.; Lin, T.L.; Chen, Q.H.; Ren, H.L.; Fu, S. Research on constant power control strategy of pure electric excavator. Appl. Sci. 2020, 10, 7599. [Google Scholar] [CrossRef]
  12. Masrur, M.A. Hybrid and electric vehicle (HEV/EV) technologies for off-road Applications. Proc. IEEE 2021, 109, 1077–1093. [Google Scholar] [CrossRef]
  13. Zhang, W.; Wang, J.X.; Du, S.F.; Ma, H.F.; Li, H.J. Energy Management Strategies for Hybrid Construction Machinery: Evolution, Classification, Comparison and Future Trends. Energies 2019, 12, 2024. [Google Scholar] [CrossRef]
  14. Dang, T.D.; Do, T.C.; Truong, H.V.; Ho, C.M.; Dao, H.V.; Xiao, Y.Y.; Jeong, E.; Ahn, K.K. Design, modeling and analysis of a PEM fuel cell excavator with supercapacitor/battery hybrid power source. J. Drive Control 2019, 16, 45–53. [Google Scholar]
  15. Kachhwaha, A.; Rashed, G.I.; Garg, A.R.; Mahela, O.P.; Khan, B.; Shafik, M.B.; Hussien, M.G. Design and performance analysis of hybrid battery and ultracapacitor energy storage system for electrical vehicle active power management. Sustainability 2022, 14, 776. [Google Scholar] [CrossRef]
  16. Ma, Z.K.; Huo, Q.; Zhang, T.; Hao, J.J.; Wang, W. Deep deterministic policy gradient based energy management strategy for hybrid electric tracked vehicle with online updating mechanism. IEEE Access 2021, 9, 7280–7292. [Google Scholar] [CrossRef]
  17. Al-Saadi, M.; Al-Greer, M.; Short, M. Strategies for controlling microgrid networks with energy storage systems: A review. Energies 2021, 14, 7234. [Google Scholar] [CrossRef]
  18. Fu, Z.; Wang, H.; Tao, F.; Ji, B.; Dong, Y.; Song, S. Energy management strategy for fuel cell/battery/supercapacitor hybrid electric vehicles using deep reinforcement learning with action trimming. IEEE Trans. Veh. Technol. 2022, 71, 7171–7185. [Google Scholar] [CrossRef]
  19. Panaparambil, V.S.; Kashyap, Y.; Castelino, R.V. A review on hybrid source energy management strategies for electric vehicle. Int. J. Energy Res. 2021, 45, 19819–19850. [Google Scholar] [CrossRef]
  20. Mumtaz, F.; Yahaya, N.Z.; Meraj, S.T.; Singh, B.; Kannan, R.; Ibrahim, O. Review on non-isolated DC-DC converters and their control techniques for renewable energy applications. Ain Shams Eng. J. 2021, 12, 3747–3763. [Google Scholar] [CrossRef]
  21. Xiong, R.; Duan, Y.Z.; Cao, J.Y.; Yu, Q.Q. Battery and ultracapacitor in-the-loop approach to validate a real-time power management method for an all-climate electric vehicle. Appl. Energy 2018, 217, 153–165. [Google Scholar] [CrossRef]
  22. Ho, K.C.; Liu, Y.H.; Ye, S.P.; Chen, G.J.; Cheng, Y.S. Mathematical modeling and performance evaluation of switched-capacitor-based battery equalization systems. Electronics 2021, 10, 2629. [Google Scholar] [CrossRef]
  23. Mohamed, M.A.; Almalaq, A.; Abdullah, H.M.; Alnowobet, K.A.; Alrasheedi, A.F.; Zaindin, M.S.A. A distributed stochastic energy management framework based-fuzzy-PDMM for smart grids considering wind park and energy storage systems. IEEE Access 2021, 9, 46674–46685. [Google Scholar] [CrossRef]
  24. Xiong, R.; Cao, J.; Yu, Q. Reinforcement learning-based real-time power management for hybrid energy storage system in the plug-in hybrid electric vehicle. Appl. Energy 2018, 211, 538–548. [Google Scholar] [CrossRef]
  25. Kamel, A.A.; Rezk, H.; Abdelkareem, M.A. Enhancing the operation of fuel cell-photovoltaic-battery-supercapacitor renewable system through a hybrid energy management strategy. Int. J. Hydrogen Energy 2021, 46, 6061–6075. [Google Scholar] [CrossRef]
  26. Ehsani, M.; Singh, K.V.; Bansal, H.O.; Mehrjardi, R.T. State of the art and trends in electric and hybrid electric vehicles. Proc. IEEE 2021, 109, 967–984. [Google Scholar] [CrossRef]
  27. Wang, Y.; Wang, L.; Chen, Z. A review of key issues for control and management in battery and ultracapacitor hybrid energy storage systems. eTransportation 2020, 4, 100064. [Google Scholar] [CrossRef]
  28. Affam, A.; Buswig, Y.M.; Othman, A.B.H.; Julai, N.B.; Qays, O. A review of multiple input DC-DC converter topologies linked with hybrid electric vehicles and renewable energy systems. Renew. Sustain. Energy Rev. 2021, 135, 110186. [Google Scholar] [CrossRef]
  29. Kobaku, T.; Jeyasenthil, R.; Sahoo, S.; Ramchand, R.; Dragicevic, T. Quantitative feedback design-based robust PID control of voltage mode controlled DC-DC boost converter. IEEE Trans. Circuits Syst. II Express Briefs 2021, 68, 286–290. [Google Scholar] [CrossRef]
  30. Vidhya, S.D.; Balaji, M. Hybrid fuzzy PI controlled multi-input DC/DC converter for electric vehicle application. Automatika 2020, 61, 79–91. [Google Scholar] [CrossRef]
  31. Prakosa, J.A.; Gusrialdi, A.; Kurniawan, E.; Stotckaia, A.D.; Adinanta, H. Experimentally robustness improvement of DC motor speed control optimization by H-infinity of mixed-sensitivity synthesis. Int. J. Dyn. Control 2022, 10, 1968–1980. [Google Scholar] [CrossRef]
  32. ERocha, M.; Barra, W.; Lucas, K.E.; Medeiros, R.L.P.; Vaca-Benavides, D.A. Design and experimental assessment of a robust voltage control for DC-DC converters considering components parametric uncertainties. IEEE Access 2020, 8, 109217–109231. [Google Scholar]
  33. Song, Z.; Hou, J.; Hofmann, H.; Li, J.; Ouyang, M. Sliding-mode and Lyapunov function-based control for battery/supercapacitor hybrid energy storage system used in electric vehicles. Energy 2017, 122, 601–612. [Google Scholar] [CrossRef]
  34. Yang, B.; Wang, J.; Zhang, X.; Wang, J.; Shu, H.; Li, S.; He, T.; Lan, C.; Yu, T. Applications of battery/supercapacitor hybrid energy storage systems for electric vehicles using perturbation observer based robust control. J. Power Sources 2020, 448, 227444. [Google Scholar] [CrossRef]
  35. Jung, H.; Wang, H.; Hu, T. Control design for robust tracking and smooth transition in power systems with battery/supercapacitor hybrid energy storage devices. Power Sources 2014, 267, 566–575. [Google Scholar] [CrossRef]
  36. Alharbi, B.; Alhomim, M.; McCann, R. Robust control of DC-DC boost converter by using µ-Synthesis Approach. IFAC-PapersOnLine 2019, 52, 200–205. [Google Scholar] [CrossRef]
  37. Fang, J.S.; Tsai, S.H.; Yan, J.; Chen, P.L.; Guo, S.M. Realization of DC–DC Buck Converter Based on Hybrid H2 Model Following Control. IEEE Trans. Ind. Electron. 2022, 69, 1782–1790. [Google Scholar] [CrossRef]
  38. Yang, C.W.; Jin, X.Z. Robust Adaptive Control for DC-DC Buck Converters with Load Fluctuation. In Proceedings of the 2020 IEEE 9th Data Driven Control and Learning Systems Conference, Liuzhou, China, 20–22 November 2020. [Google Scholar]
  39. Zhuo, S.R.; Gaillard, A.; Xu, L.C.; Bai, H.; Paire, D.; Gao, F. Enhanced Robust Control of a DC–DC Converter for Fuel Cell Application Based on High-Order Extended State Observer. IEEE Trans. Transp. Electrif. 2020, 6, 278–287. [Google Scholar] [CrossRef]
  40. Akhormeh, A.R.N.; Akhormeh, A.N.; Abbaszadeh, K. Robust output voltage control of a high gain DC–DC converter under applied load and input voltage uncertainties. IET Power Electron. 2020, 13, 3180–3187. [Google Scholar] [CrossRef]
  41. Chen, Q.; Cai, S.; Li, X.; Lin, T. Power train system control of electric loader based on positive flow system. Appl. Sci. 2022, 12, 6032. [Google Scholar] [CrossRef]
  42. Li, T.Y.; Liu, H.Y.; Ding, D.L. Predictive energy management of fuel cell supercapacitor hybrid construction equipment. Machines 2018, 149, 718–729. [Google Scholar] [CrossRef]
  43. Neumann, D.; de Araújo, H.X. Hybrid differential evolution method for the mixed H2/H∞ robust control problem under pole assignment. In Proceedings of the 44th IEEE Conference on Decision and Control, Seville, Spain, 15 December 2005. [Google Scholar]
Figure 1. Photographs of a loader working. (a) Loading. (b) Transportation. (c) Unloading.
Figure 1. Photographs of a loader working. (a) Loading. (b) Transportation. (c) Unloading.
Machines 11 00454 g001
Figure 2. Power curve. (a) A 5-ton loader. (b) Experimental V-shape cycle. (c) Collected velocity curve. (d) Collected power curve.
Figure 2. Power curve. (a) A 5-ton loader. (b) Experimental V-shape cycle. (c) Collected velocity curve. (d) Collected power curve.
Machines 11 00454 g002
Figure 3. The framework of the proposed approach.
Figure 3. The framework of the proposed approach.
Machines 11 00454 g003
Figure 4. HES topology for an electric loader.
Figure 4. HES topology for an electric loader.
Machines 11 00454 g004
Figure 5. The energy flow direction of the HES.
Figure 5. The energy flow direction of the HES.
Machines 11 00454 g005
Figure 6. The control schematic diagram of the HES.
Figure 6. The control schematic diagram of the HES.
Machines 11 00454 g006
Figure 7. The main electrical circuit of the HES.
Figure 7. The main electrical circuit of the HES.
Machines 11 00454 g007
Figure 8. The drive mode of the HES. (a) Single-battery mode. (b) The battery and the SC mode.
Figure 8. The drive mode of the HES. (a) Single-battery mode. (b) The battery and the SC mode.
Machines 11 00454 g008
Figure 9. The charging process of the SC. (a) The buck mode. (b) The boost mode.
Figure 9. The charging process of the SC. (a) The buck mode. (b) The boost mode.
Machines 11 00454 g009
Figure 10. The topology of the 2P4S-based battery pack.
Figure 10. The topology of the 2P4S-based battery pack.
Machines 11 00454 g010
Figure 11. The experimental platform of electric construction machinery.
Figure 11. The experimental platform of electric construction machinery.
Machines 11 00454 g011
Figure 12. The experimental platform of an electric loader.
Figure 12. The experimental platform of an electric loader.
Machines 11 00454 g012
Figure 13. The HES performance of an electric loader during the start process. (a) Currents of the robust controller. (b) Currents of the PI controller. (c) Torque and speed of the robust controller. (d) Torque and speed of the PI controller.
Figure 13. The HES performance of an electric loader during the start process. (a) Currents of the robust controller. (b) Currents of the PI controller. (c) Torque and speed of the robust controller. (d) Torque and speed of the PI controller.
Machines 11 00454 g013
Table 1. Parameters of the 5-ton loader.
Table 1. Parameters of the 5-ton loader.
LoaderWeightBucket
Capacity
Rate
Power
Load
Weight
Bucket
Force
Parameter16,200 kg3 m3162 kW5000 kg150 kN
Table 2. The working state of the main electrical circuit.
Table 2. The working state of the main electrical circuit.
Working StateT7T8T9T10T11T12
1S00000
2S000S0
300100S
40S0000
5S0S000
6000S10
Table 3. Detailed parameters of the experimental platform.
Table 3. Detailed parameters of the experimental platform.
MotorVoltagePowerPeak PowerRate
Speed
Peak
Speed
Peak Torque
Parameter288 V15 kW30 kW2400 r/min4500 r/min60 N·m
BatteryVoltageCapacityVoltageDischarge CurrentCharge
Current
Maximum Current
Parameter288 V90 Ah3.2 V0.5 C0.2 C56 A
SupercapacitorVoltageCapacityTemperatureInternal
Resistance
SizeWeight
Parameter48.6 V165 F−40 °C~+70 °CDC ≤ 6.1 mΩ416 × 190 × 160 mm14.2 kg
Disclaimer/Publisher’s Note: The statements, opinions and data contained in all publications are solely those of the individual author(s) and contributor(s) and not of MDPI and/or the editor(s). MDPI and/or the editor(s) disclaim responsibility for any injury to people or property resulting from any ideas, methods, instructions or products referred to in the content.

Share and Cite

MDPI and ACS Style

Ma, Y.; Wang, Q.; Ye, M.; Lian, G. Robust Control for the Hybrid Energy System of an Electric Loader. Machines 2023, 11, 454. https://doi.org/10.3390/machines11040454

AMA Style

Ma Y, Wang Q, Ye M, Lian G. Robust Control for the Hybrid Energy System of an Electric Loader. Machines. 2023; 11(4):454. https://doi.org/10.3390/machines11040454

Chicago/Turabian Style

Ma, Yuchuan, Qiao Wang, Min Ye, and Gaoqi Lian. 2023. "Robust Control for the Hybrid Energy System of an Electric Loader" Machines 11, no. 4: 454. https://doi.org/10.3390/machines11040454

APA Style

Ma, Y., Wang, Q., Ye, M., & Lian, G. (2023). Robust Control for the Hybrid Energy System of an Electric Loader. Machines, 11(4), 454. https://doi.org/10.3390/machines11040454

Note that from the first issue of 2016, this journal uses article numbers instead of page numbers. See further details here.

Article Metrics

Back to TopTop